永磁同步电机控制算法--IP调节器
一、基本原理
在电机控制领域,现今普遍使用的是比例-积分(PI)控制器。然而,PI控制器有一些缺点,可能会在某些应用中产生一些问题,例如:一个非常快的响应,也同时具有过大的超调量。虽然设计PI控制器时,可以使系统响应为无超调,但是同时这个响应对负载扰动变得迟缓。在速度环中采用积分一比例(IP)控制器,它使系统在快速跟踪指令的同时,又具有较强的抗扰动能力。
通过传递函数推导可知,IP与PI控制器对干扰的传递函数是相同的,二者的抗干扰能力相同。但是对输入的的传递函数,IP控制中分子没有微分项,因此可以大大减少超调。
下图引用自PID的TRICK(二)IP控制器 - 知乎,分别为转速环PI调节器和IP调节器的传递函数框图

PI调节器

IP调节器
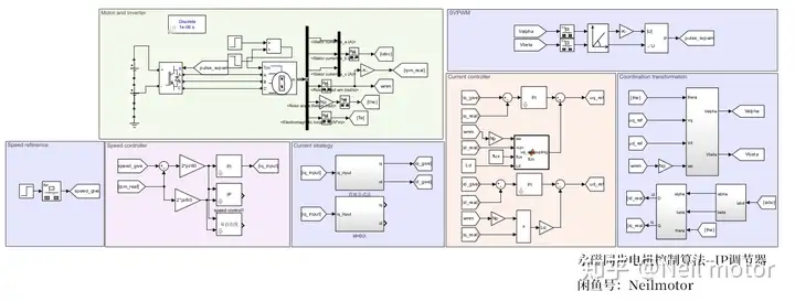
二、仿真验证
在MATLAB/simulink里面验证所提算法,采用和实验中一致的控制周期1e-4,电机部分计算周期为1e-6。仿真模型如下所示:

仿真工况:初始给定转速为1000rpm,0.5s施加阶跃额定负载,1s撤去负载。对比转速环分别为PI调节器、IP调节器、双自由度调节器时的波形,其中转速环Kp、Ki依照带宽整定,带宽为100Hz;电流环统一采用PI调节器,带宽配置为1000Hz。
PI 调节器
2.1转速

2.2dq轴电流

IP调节器
2.1转速

2.2dq轴电流

双自由度调节器
2.1转速

、
2.2dq轴电流

可以看出,IP调节器应对负载扰动能力与PI调节器相当,但是在跟踪阶跃转速时明显消除的超调现象。
