STM32:深度解析RS-485总线与SP3485芯片
32个设备
知识点1【RS-485的简介】
RS-485是一种物理层差分总线标准,在串口的基础上演变而来;
两者虽然不在同一层次上直接对等,但在实际系统中,往往使用RS-485驱动差分总线,将USART转换为适合长距离、多点通信的物理信号。
1、特点
1、差分驱动,抗干扰能力强
采用双绞线差分信号,分别是A线,B线,使用两线的电压差来标识高低电平。
2、远距离传输
串口通常支持不到15m的距离,而RS-485在 100kbps 时可稳定传输1200m;波特率增高,通信距离会受影响(简短)
3、多点网络
RS-485可在同一总线上挂接多达32个收发器,支持半双工和全双工(通过双绞对)组网
4、低功耗驱动
差分驱动的总线负载能力强,切空闲状态下总线处于静态电平,功耗较低。

2、差分传输

双绞线图示

芯片上的RS485

3、发送发送器
将数字信号转换为物理电信号,并通过双绞线发送出去的设备
就是发送出 差分信号。我们之后称这个差分信号为RS485信号。RS485可以连接多个发送器,通过使能位(DE)控制发送权限,避免干扰。
4、接受发送器
将电信号转换为数字信号。
检测差分电压A - B端电压差 > +200mA时判为逻辑” 1 ”,
< -200mA时判为逻辑” 0 ”
知识点2【SP3485芯片介绍】
SP3485时一款低功耗、半双工的RS-485收发器芯片
-
核心功能
将USART信号转换为 RS-485 差分信号(A/B线)
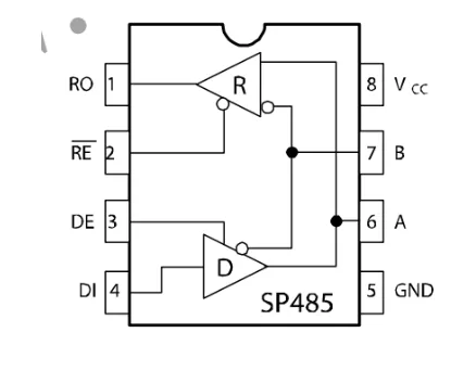
1、芯片外观

2、芯片原理图介绍

引脚解释
1号引脚:RO——接收输出:将从RS485中接收到的差分信号转换为 数字信号,并输出到USART的RX引脚
2号引脚:RE——接收使能,低电平时能
3号引脚:DE——发送时能,高电平使能
4号引脚:DI——发送输入:将USART输入的数字信号 发送到RS485,将其转换为差分信号,输出到总线
5号引脚:GND——接地
6号引脚:A——发送器输出/接收器输入 正端
7号引脚:B——发送器输出/接收器输入 负端
8号引脚:VCC——+3.3V
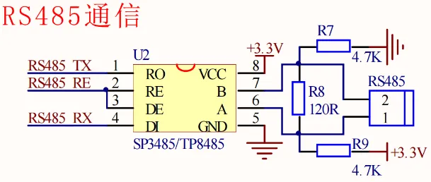
在板子上,默认是使用跳线帽
将RS485 RX与USART TX相连
将RS485 TX与USART RX相连
如下图

跳线帽:内部由金属,能够将包含的引脚连接起来。
知识点3【今日概念回顾】
时间片:时间片就是当多个程序同时运行的时候 会为每个程序分配一定的时间,时间一到就回去执行下一个程序 如果遇到中断程序,切抢占优先级较高则会去执行该中断程序 执行完后再返回来继续执行原程序
结束
代码重在练习!
代码重在练习!
代码重在练习!
今天的分享就到此结束了,希望对你有所帮助,如果你喜欢我的分享,请点赞收藏加关注,谢谢大家!!!
