电子电路原理第十六章(负反馈)
1927年8月,年轻的工程师哈罗德·布莱克(Harold Black)从纽约斯塔顿岛坐渡轮去上班。为了打发时间,他粗略写下了关于一个新想法的几个方程式。后来又经过反复修改, 布莱克提交了这个创意的专利申请。起初这个全新的创意被认为像“永动机”一样愚蠢可笑,专利申请也遭到拒绝。但情况很快就发生了变化。布莱克的这个创意就是负反馈。(注:本章节部分例题和电路指示图会省略)
16.1 负反馈的四种类型
布莱克只发明了一种负反馈,它能提高电压增益的稳定性,增大输入阻抗,减小输出阻抗。随着晶体管和运算放大器的出现,另外三种类型的负反馈也出现了。
16.1.1 基本概念
负反馈放大器的输入可以是电压也可以是电流。同样,它的输出也可以是电压或者电流。这样就存在四种类型的负反馈。如表16-1所示,第一种是电压输入和电压输出,采用这种负反馈的电路称为压控电压源(VCVS), 是理想电压放大器,具有稳定的电压增益,无穷大的输入阻抗和零输出阻抗。

第二种负反馈是由输入电流控制输出电压。采用这种负反馈的电路称为流控电压源(ICVS) 。 由于输入电流控制输出电压,所以ICVS有时被称为跨阻放大器。称为跨阻是因为Vou/I的单位是欧姆,而且是输出电压与输入电流的比值。
第三种负反馈是由输入电压控制输出电流。采用这种负反馈的电路称为压控电流源(VCIS) 。 由于输入电压控制输出电流,所以VCIS 有时被称为跨导放大器。称为跨导是因为Io/Vm的单位是西门子。
第四种负反馈是由输入电流控制输出电流。采用 这种负反馈的电路称为流控电流源(ICIS),它是理想的电流放大器,具有稳定的电流增益,零输入阻抗和无穷大的输出阻抗。
16.1.2 转换器
将VCVS和ICIS电路作为放大器是因为前者是电压放大器而后者是电流放大器。而将跨阻和跨导放大器称为放大器看起来好像不太恰当,因为它们的输入和输出的量纲不一样。因此,很多工程师和技术人员更喜欢将这些电路称作转换器。例如, VCIS也被称作电压-电流转换器。输入的是电压,输出的是电流。同样,ICVS 也被称为电流-电压转换器,输入的是电流,输出的是电压。
16.1.3 图例
图a所示是VCVS, 电压放大器。实际电路的输入阻抗虽不是无穷大,但也非常大。同样的,输出阻抗虽不是零,但是非常小。VCVS的电压增益用A。表示。因为输出阻抗≈ou接近于零,因而对实际负载电阻而言,VCVS的输出端是准理想电压源。
图b所示是ICVS, 跨阻放大器(电流-电压转换器)。它的输入阻抗和输出阻抗都很小。其转换 系数称为跨阻,用rm表示,单位是欧姆。例如,当rm=1kΩ时,1mA 的输入电流将在负载上产生1V的稳定电压。因为zout接近于零,所以对实际负载电阻而言,ICVS 的输出端是准理想电压源。


图a所示是VCIS, 跨导放大器(电压-电流转换器)。它的输入阻抗和输出阻抗都很大。其转换系数称为跨导,用gm表示,单位是西门子(姆欧)。例如,当gm=1mS时,1V的输入电压将向负载输出1mA电流。因为zou接近于无穷大,所以对实际负载电阻而言,VCIS的输出端是准理想电流源。
图b所示是ICIS, 电流放大器。它的输入阻抗很小而输出阻抗很大。 ICIS的电流增益用A; 表示。因为输出阻抗zout接近于无穷大,所以对实际负载电阻而言, ICIS的输出端是准理想电流源。
16.2 VCVS电压增益
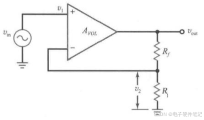
前面一章分析的同相放大器是常见的VCVS的实际电路形式。本节复习该同相放大器并进一步深入探究它的电压增益。
16.2.1 闭环电压增益的精确表达
下图所示是一个同相放大器。运放的开环电压增益为AvoL, 通常为100000或更大。在分压器的作用下, 一部分输出电压反馈到输入端。在VCVS电路中,反馈系数B, 自定义为反馈电压除以输出电压,对于下图,有:


反馈系数也称为反馈衰减系数,它表示输出电压在反馈到反相输入端时的衰减情况。
经过代数化简,可以推导闭环电压增益的精确表达式为:

用表16- 1中的符号表示, A,=A,(cL), 即 :

这是VCVS放大器闭环电压增益的精确表达式。
16.2.2 环路增益
分母中的第二项AvoLB 称为环路增益,是环绕正向通路和反馈通路一周的电压增益。 在负反馈放大器的设计中,环路增益的值很重要。在实际电路中,环路增益通常很大,且越大越好。它能稳定电压增益,对增益稳定性、失真、失调、输入阻抗和输出阻抗都有改善作用。
