居逸JY02A无刷电机驱动芯片介绍
参考:
 JY02调试-无刷电机驱动芯片[通俗易懂]
直流无刷电机驱动芯片 JY02A资料手册
 
JY02A无霍尔电机专用驱动芯片IC SSOP20封装 无需软件调试
介绍
JY02是国内研制的无刷电机驱动芯片,相比于之前的DRV11873,少了集成的MOSFET,只能通过外部扩展MOSFET驱动芯片和功率管达到功率输出的目的,虽然在电路设计上增加了复杂度,但可以极大的提高电机驱动的输出功率,由于使用了外部的MOSFET,输出功率基本由功率MOSFET的驱动能力决定。JY02是硬件应用,不需要编写驱动固件,内部集成反电动势检测电路,支持’Y’形和三角形电机,支持过流检测、温度检测、欠压/过压检测等保护功能,并支持换相脉冲输出功能,用来检测转速。

引脚

内部框图

 
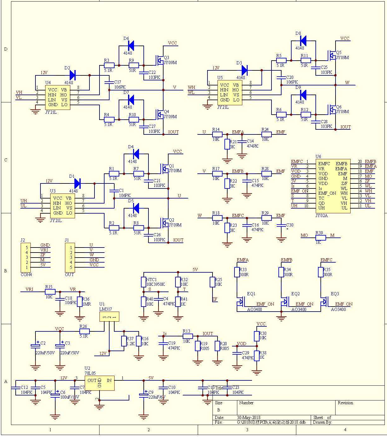
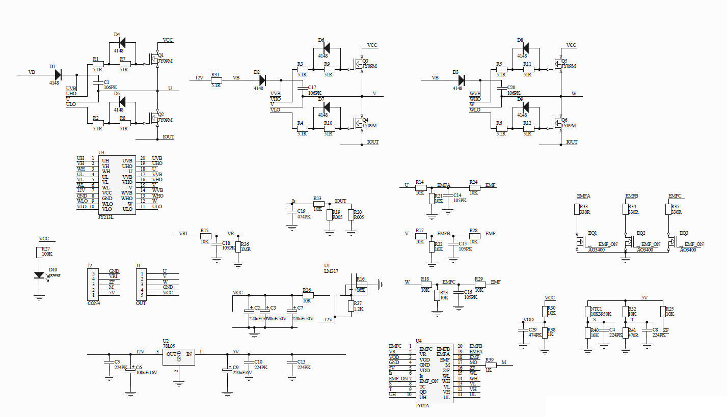
驱动电路简图

 

 
完整原理图
小功率(60W以内)

 
中功率1

 
中功率2(500W以内)

 
高压直流

 
转速调节
JY02是使用VR端电压来调速的,电压越低,转速越低,电压越高,转速越高,调节的电压范围是0-5V,可是我们如果使用3.3V的单片机来控制转速的话,就不能调节到最高转速了,这时可以使用单片机的PWM来调节:
 

