零件画图实战提升案例(下)
文章目录
- 案例五
- 案例六
- 案例七
- 案例八
案例模型点击这里下载
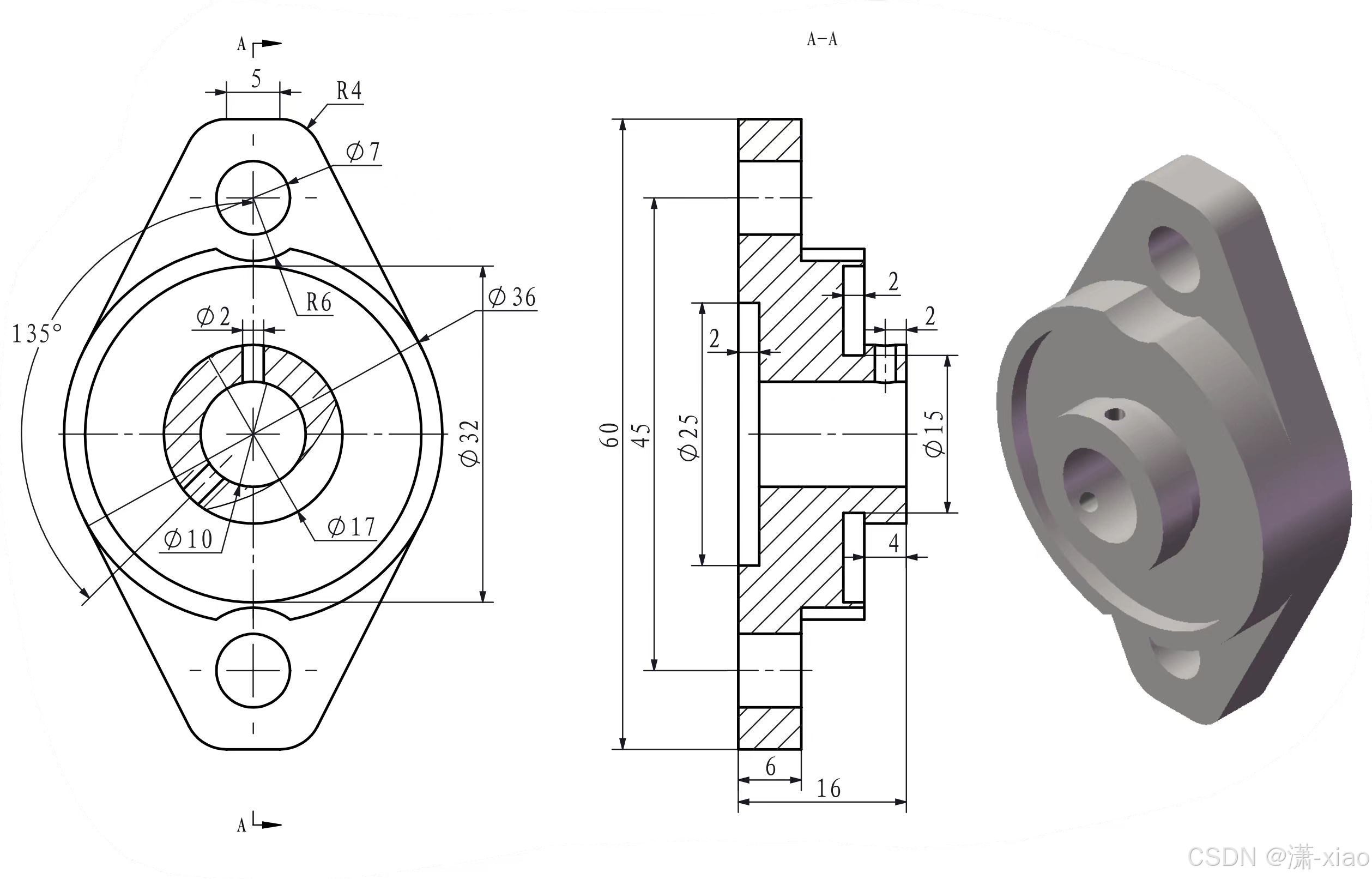
案例五
我的思路是:第一部分先拉伸出主体(分成四个小部分),第二部分就去做局部特征(孔,沉孔,螺纹孔等)

第一部分先拉伸出主体,都是常规画草图,进行拉伸

第二部分异形孔向导中的沉头孔参数列表

沉头孔的位置草图

打两个螺纹孔

拉伸切除孔

简单直孔进行打孔

最后拉伸切除这两个孔

最终模型

案例六
这个案例是比较简单的,主要测试的是草图功底。我的思路是:第一部分直接前视基准面画草图 + 旋转 生成主体,第二部分做倒角,拉伸多边形等局部特征

第一部分以前视基准面画草图,旋转生成主体

第二部分拉伸多边形

倒三次角

其中一个倒角参数(
这里要特别注意倒角的角度与反转方向)

最终模型

案例七
这个案例我的思路是:第一部分以上视基准面拉伸主体(分三次拉伸),第二部分做局部特征的拉伸切除

第一部分拉伸主体(分三次进行拉伸)

第二部分先打两个孔

等距拉伸切除

看一下该模型现在的剖视图

拉伸切除孔(可以先切除一个孔出来,再圆周阵列)

最终模型

案例八
我的思路是:第一部分是画出主体(5个小部分),第二部分在这主体中做局部特征

第一部分扫描的路径草图思路

第一部分的建模如下

第二部分先对底板做局部特征(沉孔,暗销孔,拉伸切除槽)

打暗销孔

拉伸切除槽 + 倒角

扫描切除通管

倒角 + 拉伸切除孔

对顶板作扫描切除(也可以去试下圆形轮廓扫描切除,我这里用的是草图轮廓),
这里直径给个58

再对顶板做螺纹孔 + 圆周阵列8个,
这里要特别注意一下,下面的图片中有一些坑坑挖挖的特征,这是因为在打螺纹孔的时候选择的是完全贯穿,阵列的每一个螺纹孔都具有完全贯穿的特性,只需要去螺纹孔中选择成形到面即可

前视基准面画草图是为了去做基准面

成形到面拉伸

在上面拉伸图形上打一个沉孔

最终模型

