“430”“531”光伏政策变革下,安科瑞如何 “保驾护航”?
在新能源产业蓬勃发展的当下,政策的风吹草动都牵动着行业的神经。2025 年初,国家能源局印发的《分布式光伏发电开发建设管理办法》(国能发新能规〔2025〕7 号)以及国家发改委和国家能源局联合发布的《关于深化新能源上网电价市场化改革促进新能源高质量发展的通知》(发改价格〔2025〕136 号),为分布式光伏投资领域带来了巨大的变革,催生出 “430” 和 “531” 两个关键时间节点。


“430” 节点前完成备案或并网的分布式光伏项目,能享受原有政策框架下的诸多优惠,如工商业项目可全额上网并享受稳定保底电价。而 “531” 节点后,一切发生了巨大变化:上网保底电价取消,收益直接与电力现货市场挂钩,上网电价需通过市场交易形成,并且还要分担调峰调频等新能源消纳费用。据业内分析,“430” 前,一个 10MW 工商业分布式光伏并网项目,内部收益率(IRR)能稳定在 8% 以上,“531” 新政后,IRR 可能直接降至 4% 。这一变化,让众多分布式光伏投资者陷入紧张,纷纷抢工期、赶进度,只为在 “430” 前并网,锁定投资收益率。
在这场与时间赛跑的 “战役” 中,安科瑞脱颖而出。面对紧迫的时间、繁重的任务,安科瑞充分调动公司资源,与各地系统经销商紧密配合。就在 “430” 节点前的一个星期内,成功助力 27 个分布式光伏项目顺利并网,并网容量超 150MW,可谓成绩斐然。

安科瑞的 Acrel-1000DP 分布式光伏解决方案发挥了关键作用。该方案依据各地电网部门的并网要求,集成了实时监控、智能预测、数据安全、可调可控、上传调度等功能。这得益于安科瑞多年积累的丰富项目经验和深厚技术底蕴,能帮助客户精准并网,提前锁定投资收益。

那么,没赶上 “430”“531” 节点的项目该怎么办呢?其实无需焦虑。新政虽然提高了自发自用要求,对余电上网进行了限制,但通过科学的建设与管理方法,依然能获得可观收益。“源网荷储充一体化” 建设模式,配合高效管理平台,就是破局之道。
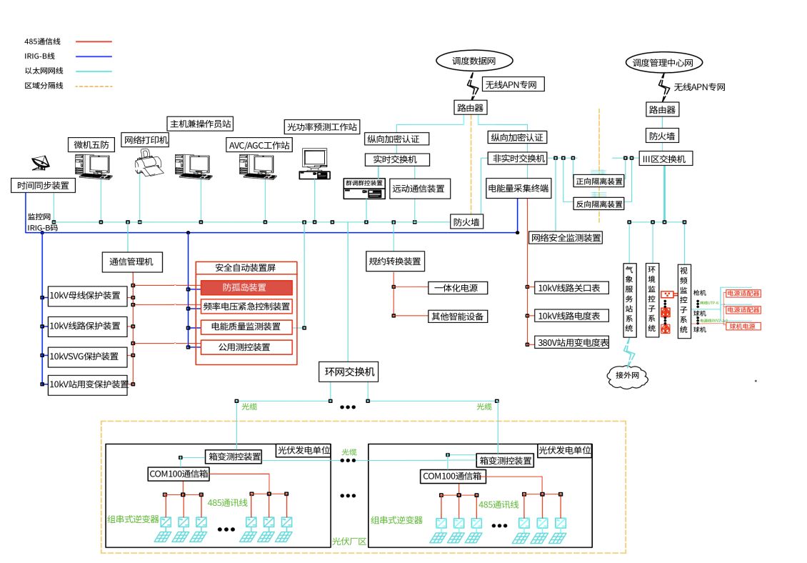
安科瑞的 AcrelEMS 3.0 智慧能源管理平台,便是这样一款 “神器”。它能实时监视分布式光伏、储能系统、充电设施以及各类交直流负荷的运行状态,智能预测发 / 用电功率,并生成优化调度策略。通过这一平台,用户可以充分消纳光伏发电,满足自发自用比例要求,还具备防逆流、峰谷套利、降低需量、柔性扩容等多种管理策略。在电力现货市场,它还能帮助管理者对接虚拟电厂,通过需求响应等方式获取更高收益。此外,平台的碳资产管理、智能运维等功能,能有效提升微电网经济、安全能源管理与智慧运维水平。

AcrelEMS 3.0智慧能源管理平台功能架构
AcrelEMS 3.0 智慧能源管理平台的部署方式十分灵活,支持公有云、私有云或本地化部署,并且符合信息安全等级保护 3 级认证,能满足不同用户的多样化需求。配合 ACCU-100 微电网协调控制器或本地微电网能量管理系统 Acrel-2000MG,该平台还能实现 “云边协同” 管理,降低源网荷储充一体化系统的建造成本,提高运行可靠性和运维管理效率。

AcrelEMS 3.0智慧能源管理平台
在新能源政策不断变化的大环境下,安科瑞凭借其专业的解决方案和强大的技术实力,为分布式光伏投资者提供了可靠的保障。无论是赶在政策节点前并网,还是在新政下探索新的收益模式,安科瑞都能助力新能源资产持续增值,在新能源产业的浪潮中稳步前行。未来,随着新能源技术的不断发展和政策的持续完善,相信安科瑞将继续发挥优势,为行业带来更多的惊喜与可能。
