当前位置: 首页 > news >正文

杰理-AC696音箱linein无法插入检测

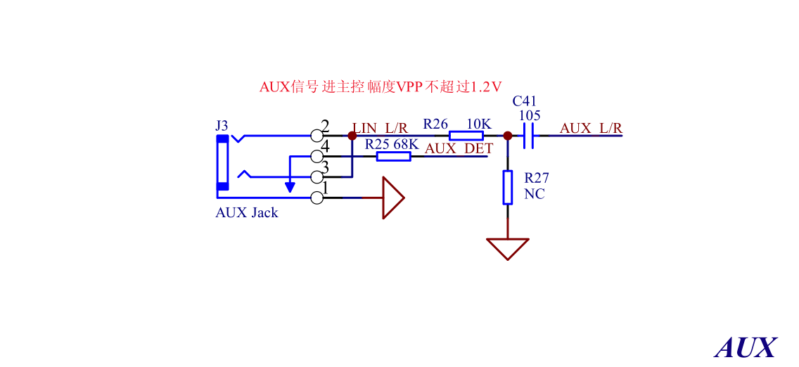
杰理-AC696音箱linein无法插入检测

阻值选用1k,原公版原理图上68k,导致内部上拉电压一直不能掉下来,软件一直无法检测到。
在这里插入图片描述
在这里插入图片描述

在这里插入图片描述

http://www.dtcms.com/a/172783.html

相关文章:

  • 【C++】grpc(一):安装
  • 探索神经符号系统:医疗AI的范式化进程分析
  • Cursor报错Your request has been blocked解决方案
  • SpringBoot集成CXF框架,实现WebService
  • 数据结构中 数组、链表、图的概念
  • 从围棋到LabVIEW:快速入门与长期精通
  • Python中的客户端和服务端交互的基本内容
  • 基于开源AI智能名片链动2+1模式S2B2C商城小程序的流量变现路径创新研究
  • Web前端开发:Flex布局(弹性布局)
  • 物联网之对接MQTT最佳实践
  • 基于Docker的MongoDB环境搭建:从零开始的完整实践指南
  • pta作业中有启发性的程序题
  • pytorch checkpointing
  • AD创建元件符号
  • 蓝桥杯 17. 通电
  • 嵌入式硬件设计全解析:从架构到实战
  • C/C++滑动窗口算法深度解析与实战指南
  • 89. 格雷编码
  • 时间同步服务
  • 签名去背景图像处理实例
  • Qwen3的“混合推理”是如何实现的
  • 黑马点评大总结
  • 在Excel中轻松处理嵌套JSON数据:json-to-excel插件使用指南
  • Vue3核心语法速成
  • 慢sql处理流程和常见案例
  • 20250505下载VLC for Android
  • git上常用的12个月份对应的英语单词以及月份英语缩写形式
  • 矩阵快速幂 快速求解递推公式
  • 二重指针和二维数组
  • 力扣119题解