用状态变量根据超稳定性理论设计模型参考自适应系统
上一篇介绍了超稳定性理论,本篇将利用这一理论设计MRACS。在开始之前,先解释一下为什么前面基于李雅普诺夫稳定性就已经可以设计MRACS了,这里还需要利用超稳定性理论来设计?
我们从前面介绍的李雅普诺夫稳定性理论设计MRACS可以看到,关键在于李雅普诺夫函数的选取,选取一种李雅普诺夫函数,只能导出一种自适应率,并且由于很难扩大李雅普诺夫函数的种类,导致自适应率的种类也很难扩展。而利用超稳定理论来设计自适应率,在保证系统稳定的前提下,可以得到不同类别的自适应率(为什么?后面第二节将会给出解释),具有较大的选择空间和设计灵活性。
利用超稳定性理论设计MRACS,可以用状态变量进行设计,也可以用输入输出形式进行设计,本篇先介绍利用状态变量设计MRACS。
1、系统介绍

上面这个结构图,我们在利用李雅普诺夫稳定性理论设计模型参考自适应系统(2.0)一篇中也是通过这种前馈+反馈的结构来设计MRACS,对其也不在陌生。
2、自适应率设计
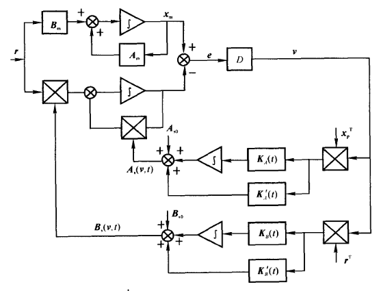
根据结构图可以写出:
参考模型的状态方程:
x ˙ m = A m x m + B m r (1) \begin{array}{c} \dot{x}_m=A_mx_m+B_mr \tag{1} \end{array} x˙m=Amxm+Bmr(1)
控制对象的状态方程为:
x ˙ p = A p ( t ) x p + B p ( t ) u (2) \begin{array}{c} \dot{x}_p=A_p(t)x_p+B_p(t)u \tag{2} \end{array} x˙p=Ap(t)xp+Bp(t)u(2)
其中,输入
u = K ( t ) r + F ( t ) x p (3) \begin{array}{c} u=K(t)r+F(t)x_p \tag{3} \end{array} u=K(t)r+F(t)xp(3)
将其带入 e q ( 2 ) eq(2) eq(2)可得
x ˙ p = A p ( t ) x p + B p ( t ) [ K ( t ) r + F ( t ) x p ] x ˙ p = [ A p ( t ) + B p ( t ) F ( t ) ] x p + B p ( t ) K ( t ) r = A s ( t ) x p + B s ( t ) r (4) \begin{array}{c} \dot{x}_p=A_p(t)x_p+B_p(t)[K(t)r+F(t)x_p] \\ \dot{x}_p=[A_p(t)+B_p(t)F(t)]x_p+B_p(t)K(t)r \\ =A_s(t)x_p+B_s(t)r \tag{4} \end{array} x˙p=Ap(t)xp+Bp(t)[K(t)r+F(t)xp]x˙p=[Ap(t)+Bp(t)F(t)]xp+Bp(t)K(t)r=As(t)xp+Bs(t)r(4)
其中, A s ( t ) = A p ( t ) + B p ( t ) F ( t ) , B s ( t ) = B p ( t ) K ( t ) A_s(t)=A_p(t)+B_p(t)F(t),B_s(t)=B_p(t)K(t) As(t)=Ap(t)+Bp(t)F(t),Bs(t)=Bp(t)K(t)。
定义广义状态误差
e = x m − x p (5) \begin{array}{c} e=x_m-x_p \tag{5} \end{array} e=xm−xp(5)
对其求导可得
e ˙ = x ˙ m − x ˙ p = A m x m + B m r − [ A s ( t ) x p + B s ( t ) r ] = A m e + [ A m − A s ( t ) ] x p + [ B m − B s ( t ) ] r (6) \begin{array}{c} \dot e=\dot x_m-\dot x_p\\ =A_mx_m+B_mr - [A_s(t)x_p+B_s(t)r] \\ =A_me+[A_m-A_s(t)]x_p+[B_m-B_s(t)]r \tag{6} \end{array} e˙=x˙m−x˙p=Amxm+Bmr−[As(t)xp+Bs(t)r]=Ame+[Am−As(t)]xp+[Bm−Bs(t)]r(6)
前面和基于李雅普诺夫理论设计MRACS是一样的,这里开始就不一样了。
根据上一篇超稳定性理论,结构如下,系统输入 r = 0 r=0 r=0

要利用超稳定性理论来设计MRACS,就需要把 e q ( 6 ) eq(6) eq(6)改写成一个线性前向和一个非线性反馈:
线性前向部分:
e ˙ = A m e + I w 1 (7) \begin{array}{c} \dot e=A_me + Iw_1 \tag{7} \end{array} e˙=Ame+Iw1(7)
非线性反馈部分:
w = − w 1 = [ A s ( t ) − A m ] x p + [ B s ( t ) − B m ] r (8) \begin{array}{c} w=-w_1=[A_s(t)-A_m]x_p+[B_s(t)-B_m]r \tag{8} \end{array} w=−w1=[As(t)−Am]xp+[Bs(t)−Bm]r(8)
根据超稳定理论,系统要超稳定,需要满足:
(1)线性前向回路的传递函数要严格正实;
(2)非线性反馈回路要满足波波夫积分不等式。
一、对于前向回路部分,要使传递函数严格正实,要求前向回路的传递函数的分子和分母的阶数差不大于1,如果阶数大于1,就要引入补偿器,即
v = D e (9) \begin{array}{c} v=De \tag{9} \end{array} v=De(9)
由 e q ( 7 , 9 ) eq(7,9) eq(7,9)可得,前向回路传递函数为
H ( s ) = D ( s I − A m ) − 1 I (10) \begin{array}{c} H(s)=D(sI-A_m)^{-1}I \tag{10} \end{array} H(s)=D(sI−Am)−1I(10)
根据 H ( s ) H(s) H(s)为严格正实函数矩阵的充要条件,
P A + A T P = − Q B T P + K T L T = C K T K = J + J T \begin{array}{c} PA+A^TP=-Q\\ B^TP+K^TL^T=C\\ K^TK=J+J^T \end{array} PA+ATP=−QBTP+KTLT=CKTK=J+JT
可得,当满足
P A m + A m T P = − Q P I = D (11) \begin{array}{c} PA_m+A_m^TP=-Q\\ PI=D\\ \tag{11} \end{array} PAm+AmTP=−QPI=D(11)
其中, J = 0 , K = 0 J=0,K=0 J=0,K=0。
通过 e q ( 11 ) eq(11) eq(11)可求得矩阵 D D D,使得系统是全局渐近稳定的。
二、对于非线性反馈部分,其对应到结构图中的自适应机构,输入是 v v v,输出为 w w w,可调系统矩阵 A s ( t ) , B s ( t ) A_s(t),B_s(t) As(t),Bs(t)由自适应机构调整,使其与参考模型的 A m , B m A_m,B_m Am,Bm接近,因此 A s ( t ) , B s ( t ) A_s(t),B_s(t) As(t),Bs(t)也是 v , t v,t v,t的函数,将其改写成 A s ( v , t ) , B s ( v , t ) A_s(v,t),B_s(v,t) As(v,t),Bs(v,t)。为了使 v = 0 v=0 v=0时,自适应机构仍有调节作用,一般采用比例加积分的调节规律,即
A s ( v , t ) = ∫ 0 t Φ 1 ( v , t , τ ) d τ + Φ 2 ( v , t ) + A s 0 B s ( v , t ) = ∫ 0 t Ψ 1 ( v , t , τ ) d τ + Ψ 2 ( v , t ) + B s 0 (12) \begin{array}{c} A_s(v,t)=\int_{0}^{t}\Phi_1(v,t,\tau)d\tau + \Phi_2(v,t)+A_{s0} \\ B_s(v,t)=\int_{0}^{t}\Psi_1(v,t,\tau)d\tau + \Psi_2(v,t)+B_{s0} \tag{12} \end{array} As(v,t)=∫0tΦ1(v,t,τ)dτ+Φ2(v,t)+As0Bs(v,t)=∫0tΨ1(v,t,τ)dτ+Ψ2(v,t)+Bs0(12)
其中, Φ 1 , Φ 2 \Phi_1,\Phi_2 Φ1,Φ2是 n × n n\times n n×n的矩阵, Ψ 1 , Ψ 2 \Psi_1,\Psi_2 Ψ1,Ψ2是 n × m n\times m n×m的矩阵。将 e q ( 11 ) eq(11) eq(11)代入 e q ( 8 ) eq(8) eq(8)可得
w = − w 1 = [ A s ( t ) − A m ] x p − [ B s ( t ) − B m ] r = [ ∫ 0 t Φ 1 ( v , t , τ ) d τ + Φ 2 ( v , t ) + A s 0 − A m ] x p + [ ∫ 0 t Ψ 1 ( v , t , τ ) d τ + Ψ 2 ( v , t ) + B s 0 − B m ] r (13) \begin{array}{c} w=-w_1=[A_s(t)-A_m]x_p-[B_s(t)-B_m]r \\ =[\int_{0}^{t}\Phi_1(v,t,\tau)d\tau + \Phi_2(v,t)+A_{s0}-A_m]x_p \\+[\int_{0}^{t}\Psi_1(v,t,\tau)d\tau + \Psi_2(v,t)+B_{s0}-B_m]r \tag{13} \end{array} w=−w1=[As(t)−Am]xp−[Bs(t)−Bm]r=[∫0tΦ1(v,t,τ)dτ+Φ2(v,t)+As0−Am]xp+[∫0tΨ1(v,t,τ)dτ+Ψ2(v,t)+Bs0−Bm]r(13)
根据 e q ( 7 , 9 , 13 ) eq(7,9,13) eq(7,9,13)可得自适应系统结构为

要使反馈回路满足波波夫积分不等式,即
η ( 0 , t 1 ) = ∫ 0 t 1 v T w d t ⩾ − r 0 2 , t 1 ⩾ 0 (14) \eta(0,t_{1})=\int_{0}^{t_{1}}v^{\mathrm{T}}w\mathrm{d}t\geqslant-r_{0}^{2},\quad t_{1}\geqslant0 \tag{14} η(0,t1)=∫0t1vTwdt⩾−r02,t1⩾0(14)
将 e q ( 13 ) eq(13) eq(13)代入可得,
η ( 0 , t 1 ) = ∫ 0 t 1 v T { ∫ 0 t Φ 1 ( v , t , τ ) d τ + Φ 2 ( v , t ) + A s 0 − A m } x p d t + ∫ 0 t v T { ∫ 0 t Ψ 1 ( v , t , τ ) d τ + Ψ 2 ( v , t ) + B s 0 − B m } r d t ⩾ − r 0 2 (15) \begin{array}{c} \eta(0,t_{1})=\int_{0}^{t_{1}}v^T \left\{ \int_{0}^{t}\Phi_1(v,t,\tau)d\tau + \Phi_2(v,t)+A_{s0}-A_m \right \} x_pdt \\+\int_{0}^{t}v^T\left\{\int_{0}^{t}\Psi_1(v,t,\tau)d\tau + \Psi_2(v,t)+B_{s0}-B_m \right \} rdt\geqslant-r_{0}^{2} \tag{15} \end{array} η(0,t1)=∫0t1vT{∫0tΦ1(v,t,τ)dτ+Φ2(v,t)+As0−Am}xpdt+∫0tvT{∫0tΨ1(v,t,τ)dτ+Ψ2(v,t)+Bs0−Bm}rdt⩾−r02(15)
为了求解上式,将其拆分成两个形式一样的不等式,即
η Φ ( 0 , t 1 ) = ∫ 0 t 1 v T { ∫ 0 t Φ 1 ( v , t , τ ) d τ + Φ 2 ( v , t ) + A s 0 − A m } x p d t ≥ − r Φ 2 η Ψ ( 0 , t 1 ) = ∫ 0 t v T { ∫ 0 t Ψ 1 ( v , t , τ ) d τ + Ψ 2 ( v , t ) + B s 0 − B m } r d t ≥ − r Ψ 2 (16) \begin{array}{c} \eta_{\Phi}(0,t_{1})=\int_{0}^{t_{1}}v^T \left\{ \int_{0}^{t}\Phi_1(v,t,\tau)d\tau + \Phi_2(v,t)+A_{s0}-A_m \right \} x_pdt \ge -r_{\Phi}^{2} \\ \eta_{\Psi}(0,t_{1})=\int_{0}^{t}v^T\left\{\int_{0}^{t}\Psi_1(v,t,\tau)d\tau + \Psi_2(v,t)+B_{s0}-B_m \right \} rdt \ge -r_{\Psi}^{2} \tag{16} \end{array} ηΦ(0,t1)=∫0t1vT{∫0tΦ1(v,t,τ)dτ+Φ2(v,t)+As0−Am}xpdt≥−rΦ2ηΨ(0,t1)=∫0tvT{∫0tΨ1(v,t,τ)dτ+Ψ2(v,t)+Bs0−Bm}rdt≥−rΨ2(16)
满足
η ( 0 , t 1 ) = η Φ ( 0 , t 1 ) + η Ψ ( 0 , t 1 ) \begin{array}{c} \eta(0,t_{1})=\eta_{\Phi}(0,t_{1})+\eta_{\Psi}(0,t_{1}) \end{array} η(0,t1)=ηΦ(0,t1)+ηΨ(0,t1)
在 e q ( 16 ) eq(16) eq(16)中,两式形式结构一样,故只需求解其中一个的解即可,另外一个解类似。
为了求解 Φ 1 ( v , t , τ ) , Φ 2 ( v , t ) \Phi_1(v,t,\tau),\Phi_2(v,t) Φ1(v,t,τ),Φ2(v,t)
η Φ ( 0 , t 1 ) = ∫ 0 t 1 v T { ∫ 0 t Φ 1 ( v , t , τ ) d τ + Φ 2 ( v , t ) + A s 0 − A m } x p d t ≥ − r Φ 2 (17) \begin{array}{c} \eta_{\Phi}(0,t_{1})=\int_{0}^{t_{1}}v^T \left\{ \int_{0}^{t}\Phi_1(v,t,\tau)d\tau + \Phi_2(v,t)+A_{s0}-A_m \right \} x_pdt \ge -r_{\Phi}^{2} \tag{17} \end{array} ηΦ(0,t1)=∫0t1vT{∫0tΦ1(v,t,τ)dτ+Φ2(v,t)+As0−Am}xpdt≥−rΦ2(17)
将 e q ( 17 ) eq(17) eq(17)还是拆分为两个部分,即
η Φ 1 ( 0 , t 1 ) = ∫ 0 t 1 v T { ∫ 0 t Φ 1 ( v , t , τ ) d τ + A s 0 − A m } x p d t ≥ − r Φ 1 2 η Φ 2 ( 0 , t 1 ) = ∫ 0 t 1 v T Φ 2 ( v , t ) x p d t ≥ − r Φ 2 2 (18) \begin{array}{c} \eta_{\Phi_1}(0,t_{1})=\int_{0}^{t_{1}}v^T \left\{ \int_{0}^{t}\Phi_1(v,t,\tau)d\tau+A_{s0}-A_m \right \} x_pdt \ge -r_{\Phi_1}^{2} \\ \eta_{\Phi_2}(0,t_{1})=\int_{0}^{t_{1}}v^T\Phi_2(v,t)x_pdt \ge -r_{\Phi_2}^{2} \\ \tag{18} \end{array} ηΦ1(0,t1)=∫0t1vT{∫0tΦ1(v,t,τ)dτ+As0−Am}xpdt≥−rΦ12ηΦ2(0,t1)=∫0t1vTΦ2(v,t)xpdt≥−rΦ22(18)
其中 r Φ 1 2 < ∞ , r Φ 2 2 < ∞ r_{\Phi_1}^{2}< \infty,r_{\Phi_2}^{2}< \infty rΦ12<∞,rΦ22<∞。
将 Φ 1 ( v , t , τ ) \Phi_1(v,t,\tau) Φ1(v,t,τ)和 A s 0 − A m A_{s0}-A_m As0−Am写成对应的向量形式,即
Φ 1 ( v , t , τ ) = [ φ 1 φ 2 ⋯ φ n ] A s 0 − A m = [ a 1 a 2 ⋯ a n ] \begin{array}{c} \Phi_1(v,t,\tau)=[\varphi_1 & \varphi_2 & \cdots &\varphi_n] \\ A_{s0}-A_m = [a_1 & a_2&\cdots &a_n] \end{array} Φ1(v,t,τ)=[φ1As0−Am=[a1φ2a2⋯⋯φn]an]
其中
φ i = [ φ 1 i φ 2 i ⋯ φ n i ] T , i = 1 , 2 , ⋯ , n a i = [ a 1 i a 2 i ⋯ a n i ] T , i = 1 , 2 , ⋯ , n \begin{array}{c} \varphi_i=[\varphi_{1i} & \varphi_{2i} & \cdots &\varphi_{ni}]^T,\quad i=1,2,\cdots,n \\ a_i = [a_{1i} & a_{2i}&\cdots &a_{ni}]^T,\quad i=1,2,\cdots,n \end{array} φi=[φ1iai=[a1iφ2ia2i⋯⋯φni]T,i=1,2,⋯,nani]T,i=1,2,⋯,n
又 x p = [ x 1 x 2 ⋯ x n ] T x_p=[x_1 \quad x_2 \quad \cdots \quad x_n]^T xp=[x1x2⋯xn]T将其代入 e q ( 18.1 ) eq(18.1) eq(18.1)可得
η Φ 1 ( 0 , t 1 ) = ∑ i − 1 n η φ 1 i ( 0 , t 1 ) (19) \begin{array}{c} \eta_{\Phi_1}(0,t_{1})=\sum_{i-1}^{n}\eta_{\varphi_{1i}}(0,t_1) \tag{19} \end{array} ηΦ1(0,t1)=∑i−1nηφ1i(0,t1)(19)
其中
η φ 1 i = ∫ 0 t 1 x i v T { ∫ 0 t φ i ( v , t , τ ) d τ + a i } d t i = 1 , 2 , ⋯ , n \begin{array}{c} \eta_{\varphi_{1i}}=\int_{0}^{t_{1}}x_iv^T \left\{ \int_{0}^{t}\varphi_i(v,t,\tau)d\tau+a_i \right \} dt \quad i=1,2,\cdots,n \end{array} ηφ1i=∫0t1xivT{∫0tφi(v,t,τ)dτ+ai}dti=1,2,⋯,n
e q ( 19 ) eq(19) eq(19)满足波波夫积分不等式的充分条件为求和式中每一项都满足波波夫积分不等式,即
η φ 1 i = ∫ 0 t 1 x i v T { ∫ 0 t φ i ( v , t , τ ) d τ + a i } d t ≥ − r Φ 1 i 2 (20) \begin{array}{c} \eta_{\varphi_{1i}}=\int_{0}^{t_{1}}x_iv^T \left\{ \int_{0}^{t}\varphi_i(v,t,\tau)d\tau+a_i \right \} dt \ge -r_{\Phi_{1i}}^{2} \tag{20} \end{array} ηφ1i=∫0t1xivT{∫0tφi(v,t,τ)dτ+ai}dt≥−rΦ1i2(20)
通过 e q ( 20 ) eq(20) eq(20)如果能求出 φ i ( v , t , τ ) \varphi_i(v,t,\tau) φi(v,t,τ),那么就可求出 Φ 1 ( v , t , τ ) \Phi_1(v,t,\tau) Φ1(v,t,τ)。下面给出两个定理:
定理1:设 φ i ( v , t , τ ) ( i = 1 , 2 , ⋯ , n ) \varphi_i(v,t,\tau)(i=1,2,\cdots ,n) φi(v,t,τ)(i=1,2,⋯,n)为矩阵 Φ 1 ( v , t , τ ) \Phi_1(v,t,\tau) Φ1(v,t,τ)的列向量,如果
φ i ( v , t , τ ) = K A ( t − τ ) v ( τ ) x i ( τ ) (21) \begin{array}{c} \varphi_i(v,t,\tau)=K_A(t-\tau)v(\tau)x_i(\tau) \tag{21} \end{array} φi(v,t,τ)=KA(t−τ)v(τ)xi(τ)(21)
其中, K A ( t − τ ) K_A(t-\tau) KA(t−τ)为正定积分核,它的拉普拉斯变换在 s = 0 s=0 s=0处有一个极点的正实传递函数矩阵,那么 e q ( 18.1 ) eq(18.1) eq(18.1)成立。可得矩阵 Φ 1 ( v , t , τ ) \Phi_1(v,t,\tau) Φ1(v,t,τ)表达式为
Φ 1 ( v , t , τ ) = [ φ 1 ( v , t , τ ) φ 2 ( v , t , τ ) ⋯ φ n ( v , t , τ ) ] = [ K A ( t − τ ) v ( τ ) x 1 ( τ ) K A ( t − τ ) v ( τ ) x 2 ( τ ) ⋯ K A ( t − τ ) v ( τ ) x n ( τ ) ] = K A ( t − τ ) v ( τ ) [ x 1 ( τ ) x 2 ( τ ) ⋯ x n ( τ ) ] = K A ( t − τ ) v ( τ ) x p T ( τ ) (22) \begin{array}{c} \Phi_1(v,t,\tau)=[\varphi_1(v,t,\tau) & \varphi_2(v,t,\tau)&\cdots & \varphi_n(v,t,\tau)] \\ =[K_A(t-\tau)v(\tau)x_1(\tau) &K_A(t-\tau)v(\tau)x_2(\tau)&\cdots & K_A(t-\tau)v(\tau)x_n(\tau)] \\ =K_A(t-\tau)v(\tau)[x_1(\tau) &x_2(\tau)&\cdots &x_n(\tau)] \\ =K_A(t-\tau)v(\tau)x_p^T(\tau) \tag{22} \end{array} Φ1(v,t,τ)=[φ1(v,t,τ)=[KA(t−τ)v(τ)x1(τ)=KA(t−τ)v(τ)[x1(τ)=KA(t−τ)v(τ)xpT(τ)φ2(v,t,τ)KA(t−τ)v(τ)x2(τ)x2(τ)⋯⋯⋯φn(v,t,τ)]KA(t−τ)v(τ)xn(τ)]xn(τ)](22)
定理2:选取矩阵
Φ 2 ( v , t ) = K A ′ ( t ) v ( t ) x p T ( t ) (23) \begin{array}{c} \Phi_2(v,t)=K_A'(t)v(t)x_p^T(t) \tag{23} \end{array} Φ2(v,t)=KA′(t)v(t)xpT(t)(23)
则 e q ( 18.2 ) eq(18.2) eq(18.2)成立,当所有 t ≥ 0 t\ge0 t≥0时,式中 K A ′ ( t ) K_A'(t) KA′(t)是半正定矩阵。
通过以上两个定理,通过选择正定积分核 K A ( t − τ ) K_A(t-\tau) KA(t−τ)和半正定矩阵 K A ′ ( t ) K_A'(t) KA′(t)使得 e q ( 16.1 ) eq(16.1) eq(16.1)成立;同理,选择正定积分核 K B ( t − τ ) K_B(t-\tau) KB(t−τ)和半正定矩阵 K B ′ ( t ) K_B'(t) KB′(t)使得 e q ( 16.2 ) eq(16.2) eq(16.2)成立。即 e q ( 15 ) eq(15) eq(15)波波夫积分不等式成立。
根据上述推导求得 K A ( t ) , K A ′ ( t ) , K B ( t ) , K B ′ ( t ) K_A(t),K_A'(t),K_B(t),K_B'(t) KA(t),KA′(t),KB(t),KB′(t)和 D ( s ) D(s) D(s)之后,自适应系统的结构图如下

还记得本篇最开始解释为什么需要利用超稳定性设计MRACS时,提到该方法可以使得在系统稳定的前提下,可以得到不同的自适应率。其主要体现在 K A ( t ) , K A ′ ( t ) , K B ( t ) , K B ′ ( t ) K_A(t),K_A'(t),K_B(t),K_B'(t) KA(t),KA′(t),KB(t),KB′(t)有不同的选取。
例如,下面两种选取:
(1)比例+积分自适应规律,选取
K A ( t − τ ) = K A > 0 , K B ( t − τ ) = K B > 0 , τ ≤ t K A ′ ( t ) = K A ′ > 0 , K B ′ ( t ) = K B ′ > 0 , t ≥ 0 (24) \begin{array}{c} K_A(t-\tau)=K_A >0,\quad K_B(t-\tau)=K_B >0, \quad \tau \le t \\ K_A'(t)=K_A'>0, \quad K_B'(t)=K_B'>0, \quad t\ge 0 \tag{24} \end{array} KA(t−τ)=KA>0,KB(t−τ)=KB>0,τ≤tKA′(t)=KA′>0,KB′(t)=KB′>0,t≥0(24)
(2)继电式自适应规律,选取
K A ( t − τ ) = K A > 0 , K B ( t − τ ) = K B > 0 , τ ≤ t K A ′ ( t ) = K B ′ ( t ) = k 2 ∣ ∣ v ∣ ∣ > 0 , k 2 > 0 , t ≥ 0 (25) \begin{array}{c} K_A(t-\tau)=K_A >0,\quad K_B(t-\tau)=K_B >0, \quad \tau \le t \\ K_A'(t)= K_B'(t)=k_2||v||>0, \quad k_2 > 0, \quad t\ge 0 \\ \tag{25} \end{array} KA(t−τ)=KA>0,KB(t−τ)=KB>0,τ≤tKA′(t)=KB′(t)=k2∣∣v∣∣>0,k2>0,t≥0(25)
则,
Φ 2 ( v , t ) = K A ′ v x p T = k 2 x p T s g n ( v ) Ψ 2 ( v , t ) = K B ′ v r T = k 2 r T s g n ( v ) (26) \begin{array}{c} \Phi_2(v,t)=K_A'vx_p^T=k_2x_p^Tsgn(v) \\ \Psi_2(v,t)=K_B'vr^T=k_2r^Tsgn(v) \\ \tag{26} \end{array} Φ2(v,t)=KA′vxpT=k2xpTsgn(v)Ψ2(v,t)=KB′vrT=k2rTsgn(v)(26)
3、例题
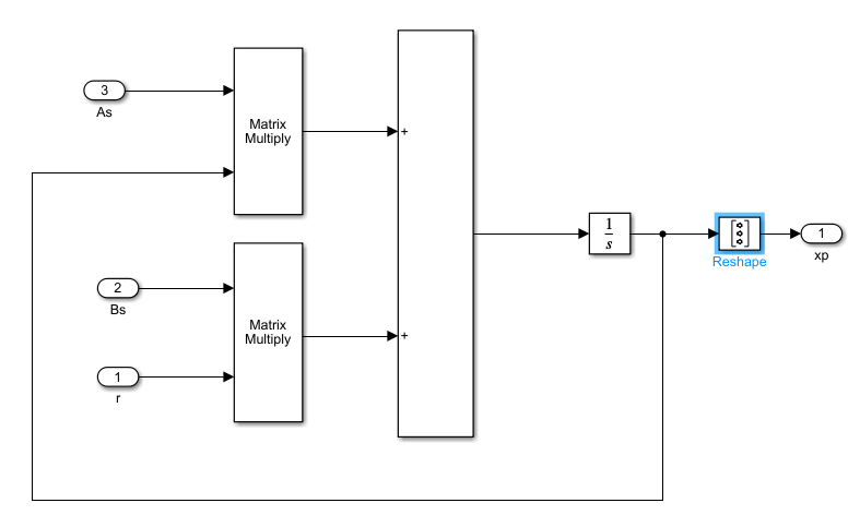
设控制对象的状态方程为
x ˙ p = A p ( t ) x p + B p u \begin{array}{c} \dot x_p=A_p(t)x_p+B_pu \end{array} x˙p=Ap(t)xp+Bpu
其中
A p = [ 0 1 − 6 − 0.008 t − 7 − 0.004 t ] , B p = [ 2 4 ] A_p=\begin{bmatrix} 0& 1\\ -6-0.008t&-7-0.004t \end{bmatrix},B_p=\begin{bmatrix} 2\\ 4 \end{bmatrix} Ap=[0−6−0.008t1−7−0.004t],Bp=[24]
参考模型的状态方程为
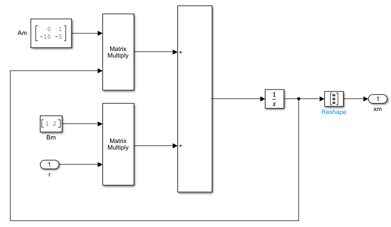
x ˙ m = A m x m + B m r \begin{array}{c} \dot x_m=A_mx_m+B_mr \end{array} x˙m=Amxm+Bmr
其中
A m = [ 0 1 − 10 − 5 ] , B m = [ 1 2 ] A_m=\begin{bmatrix} 0& 1\\ -10&-5 \end{bmatrix},B_m=\begin{bmatrix} 1\\ 2 \end{bmatrix} Am=[0−101−5],Bm=[12]
引入前馈+反馈设计自适应规律,则
u = K ( t ) r + F ( t ) x p \begin{array}{c} u=K(t)r+F(t)x_p \end{array} u=K(t)r+F(t)xp
代入控制对象状态方程为
x ˙ p = [ A p ( t ) + B p ( t ) F ( t ) ] x p + B p ( t ) K ( t ) r = A s ( t ) x p + B s ( t ) r \begin{array}{c} \dot{x}_p=[A_p(t)+B_p(t)F(t)]x_p+B_p(t)K(t)r \\ =A_s(t)x_p+B_s(t)r \end{array} x˙p=[Ap(t)+Bp(t)F(t)]xp+Bp(t)K(t)r=As(t)xp+Bs(t)r
其中, A s ( t ) = A p ( t ) + B p ( t ) F ( t ) , B s ( t ) = B p ( t ) K ( t ) A_s(t)=A_p(t)+B_p(t)F(t),B_s(t)=B_p(t)K(t) As(t)=Ap(t)+Bp(t)F(t),Bs(t)=Bp(t)K(t)。
定义广义状态误差
e = x m − x p \begin{array}{c} e=x_m-x_p \end{array} e=xm−xp
对其求导可得
e ˙ = x ˙ m − x ˙ p = A m e + [ A m − A s ( t ) ] x p + [ B m − B s ( t ) ] r \begin{array}{c} \dot e=\dot x_m-\dot x_p\\ =A_me+[A_m-A_s(t)]x_p+[B_m-B_s(t)]r \end{array} e˙=x˙m−x˙p=Ame+[Am−As(t)]xp+[Bm−Bs(t)]r
线性前向部分:
e ˙ = A m e + I w 1 \begin{array}{c} \dot e=A_me + Iw_1 \end{array} e˙=Ame+Iw1
非线性反馈部分:
w = − w 1 = [ A s ( t ) − A m ] x p + [ B s ( t ) − B m ] r \begin{array}{c} w=-w_1=[A_s(t)-A_m]x_p+[B_s(t)-B_m]r \end{array} w=−w1=[As(t)−Am]xp+[Bs(t)−Bm]r
一、前向回路部分,引入补偿器 v = D e v=De v=De,可得
前向回路传递函数为
H ( s ) = D ( s I − A m ) − 1 I \begin{array}{c} H(s)=D(sI-A_m)^{-1}I \end{array} H(s)=D(sI−Am)−1I
根据 H ( s ) H(s) H(s)为严格正实函数矩阵的充要条件,可得,当满足
P A m + A m T P = − Q P I = D \begin{array}{c} PA_m+A_m^TP=-Q\\ PI=D\\ \end{array} PAm+AmTP=−QPI=D
假设 Q = E , P = P T Q=E,P=P^T Q=E,P=PT,则
[ p 11 p 12 p 21 p 22 ] [ 0 1 − 10 − 5 ] + [ 0 1 − 10 − 5 ] T [ p 11 p 12 p 21 p 22 ] = − [ 1 0 0 1 ] \begin{array}{c} \begin{bmatrix} p_{11}&p_{12} \\ p_{21}&p_{22} \end{bmatrix}\begin{bmatrix} 0& 1\\ -10&-5 \end{bmatrix} + \begin{bmatrix} 0& 1\\ -10&-5 \end{bmatrix}^T\begin{bmatrix} p_{11}&p_{12} \\ p_{21}&p_{22} \end{bmatrix}=-\begin{bmatrix} 1&0 \\ 0&1 \end{bmatrix} \end{array} [p11p21p12p22][0−101−5]+[0−101−5]T[p11p21p12p22]=−[1001]
求得,
D = P = [ 1.35 0.05 0.05 0.11 ] \begin{array}{c} D=P=\begin{bmatrix} 1.35&0.05 \\ 0.05&0.11 \end{bmatrix} \end{array} D=P=[1.350.050.050.11]
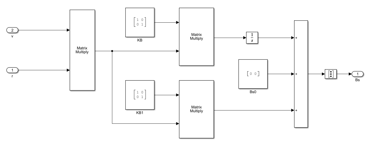
二、非线性反馈部分,采用比例+积分形式
A s ( v , t ) = ∫ 0 t Φ 1 ( v , t , τ ) d τ + Φ 2 ( v , t ) + A s 0 B s ( v , t ) = ∫ 0 t Ψ 1 ( v , t , τ ) d τ + Ψ 2 ( v , t ) + B s 0 \begin{array}{c} A_s(v,t)=\int_{0}^{t}\Phi_1(v,t,\tau)d\tau + \Phi_2(v,t)+A_{s0} \\ B_s(v,t)=\int_{0}^{t}\Psi_1(v,t,\tau)d\tau + \Psi_2(v,t)+B_{s0} \end{array} As(v,t)=∫0tΦ1(v,t,τ)dτ+Φ2(v,t)+As0Bs(v,t)=∫0tΨ1(v,t,τ)dτ+Ψ2(v,t)+Bs0
其中, Φ 1 , Φ 2 \Phi_1,\Phi_2 Φ1,Φ2是 n × n n\times n n×n的矩阵, Ψ 1 , Ψ 2 \Psi_1,\Psi_2 Ψ1,Ψ2是 n × m n\times m n×m的矩阵。可得
w = − w 1 = [ A s ( t ) − A m ] x p − [ B s ( t ) − B m ] r = [ ∫ 0 t Φ 1 ( v , t , τ ) d τ + Φ 2 ( v , t ) + A s 0 − A m ] x p + [ ∫ 0 t Ψ 1 ( v , t , τ ) d τ + Ψ 2 ( v , t ) + B s 0 − B m ] r \begin{array}{c} w=-w_1=[A_s(t)-A_m]x_p-[B_s(t)-B_m]r \\ =[\int_{0}^{t}\Phi_1(v,t,\tau)d\tau + \Phi_2(v,t)+A_{s0}-A_m]x_p \\+[\int_{0}^{t}\Psi_1(v,t,\tau)d\tau + \Psi_2(v,t)+B_{s0}-B_m]r \end{array} w=−w1=[As(t)−Am]xp−[Bs(t)−Bm]r=[∫0tΦ1(v,t,τ)dτ+Φ2(v,t)+As0−Am]xp+[∫0tΨ1(v,t,τ)dτ+Ψ2(v,t)+Bs0−Bm]r
其中,
Φ 1 ( v , t , τ ) = K A ( t − τ ) v ( τ ) x p T ( τ ) Φ 2 ( v , t ) = K A ′ ( t ) v ( t ) x p T ( t ) Ψ 1 ( v , t , τ ) = K B ( t − τ ) v ( τ ) r T ( τ ) Ψ 2 ( v , t ) = K B ′ ( t ) v ( t ) r T ( t ) \begin{array}{c} \Phi_1(v,t,\tau)=K_A(t-\tau)v(\tau)x_p^T(\tau) \\ \Phi_2(v,t)=K_A'(t)v(t)x_p^T(t) \\ \Psi_1(v,t,\tau)=K_B(t-\tau)v(\tau)r^T(\tau) \\ \Psi_2(v,t)=K_B'(t)v(t)r^T(t) \end{array} Φ1(v,t,τ)=KA(t−τ)v(τ)xpT(τ)Φ2(v,t)=KA′(t)v(t)xpT(t)Ψ1(v,t,τ)=KB(t−τ)v(τ)rT(τ)Ψ2(v,t)=KB′(t)v(t)rT(t)
K A ( t − τ ) = K A ( t − τ ) = [ 1 0 0 1 ] K A ′ ( t ) = K B ′ ( t ) = [ 1 0 0 1 ] \begin{array}{c} K_A(t-\tau)=K_A(t-\tau)=\begin{bmatrix} 1&0 \\ 0&1 \end{bmatrix} \\ K_A'(t)=K_B'(t)=\begin{bmatrix} 1&0 \\ 0&1 \end{bmatrix} \end{array} KA(t−τ)=KA(t−τ)=[1001]KA′(t)=KB′(t)=[1001]
A s 0 = [ 0 0 0 0 ] B s 0 = [ 0 0 ] \begin{array}{c} A_{s0}=\begin{bmatrix} 0&0 \\ 0&0 \end{bmatrix} \\ B_{s0}=\begin{bmatrix} 0 \\ 0 \end{bmatrix} \end{array} As0=[0000]Bs0=[00]
根据自适应系统结构框图

搭建simulink仿真为

其中,参考模型子模块为

控制对象子模块为

计算 B s Bs Bs模块

计算 A s A_s As模块

仿真结果如下

可以看到最终误差为0。
通过第二节 e q ( 24 ) eq(24) eq(24)可得,只要满足 K A , K A ′ , K B , K B ′ K_A,K_A',K_B,K_B' KA,KA′,KB,KB′都大于0即可,下面为了验证,做以下配置
K A ( t − τ ) = K B ( t − τ ) = [ 0.1 − 1 1 0 ] K A ′ ( t ) = K B ′ ( t ) = [ 1 − 0.1 0.1 0 ] \begin{array}{c} K_A(t-\tau)=K_B(t-\tau)=\begin{bmatrix} 0.1&-1 \\ 1&0 \end{bmatrix} \\ K_A'(t)=K_B'(t)=\begin{bmatrix} 1&-0.1 \\ 0.1&0 \end{bmatrix} \end{array} KA(t−τ)=KB(t−τ)=[0.11−10]KA′(t)=KB′(t)=[10.1−0.10]
结果如下

可以看到最终误差仍然为0。
4、总结
从上面自适应率推导以及例题验证,可以看出,使用超稳定性理论设计MRACS,可以在系统稳定的前提下,通过选择不同的正定积分核,就可以产生不同的自适应率,与基于李雅普诺夫稳定性设计的MRACS相比,其更灵活。
其次,从上面例题可以看到,尽管给出的被控对象是时变的,但我们在设计自适应率的时候并没有从 A p ( t ) , B p ( t ) A_p(t),B_p(t) Ap(t),Bp(t)入手,而是直接从 A s ( t ) , B s ( t ) A_s(t),B_s(t) As(t),Bs(t)进行设计,利用比例+积分的形式,将 A s ( t ) , B s ( t ) A_s(t),B_s(t) As(t),Bs(t)表示出来,最后代入 e q ( 4 ) eq(4) eq(4)得到 x p x_p xp。如果想要看前馈和反馈的设计,通过等式 A s ( t ) = A p ( t ) + B p ( t ) F ( t ) , B s ( t ) = B p ( t ) K ( t ) A_s(t)=A_p(t)+B_p(t)F(t),B_s(t)=B_p(t)K(t) As(t)=Ap(t)+Bp(t)F(t),Bs(t)=Bp(t)K(t)即可求得。
下一篇将用输入输出形式根据超稳定性理论设计MRACS。
