Matlab/Simulink - BLDC直流无刷电机仿真基础教程(七) - 波形解析专题P2
Matlab/Simulink - BLDC直流无刷电机仿真基础教程(七) - 波形解析专题P2
- 前言
- 一、缺相与相线错接解析
- 二、电源电压波动
- 三、电机感量及磁链变化
- 四、负载突变及堵转
- 五、换相时机不当及换相错误
- 参考链接
前言
本系列文章分享如何使用Matlab的Simulink功能来进行BLDC直流无刷电机的基础仿真;本篇文章将重点讲解模型中各种波形的机理,通过修改模型参数,结合理论与仿真结果,以说明BLDC电机的一些特性,部分专题视情况可能会再出专门文章进行分析。
在此感谢各位读者的支持,并欢迎交流。也希望本篇文章可以抛砖引玉,成为大家发表见解、提出问题的平台。
文章内容主要参考Matlab官网的BLDC仿真视频教程,主要是对官方视频教程的进一步详细说明,以及对BLDC电机控制原理、仿真过程部分问题点的简要讲解,希望大家通过此系列文章可以掌握Matlab电机仿真的基本技术,并在后续能够按照需要搭建更复杂的模型。
官方视频教程地址如下:
https://ww2.mathworks.cn/videos/series/how-to-design-motor-controllers-using-simscape-electrical.html
相关演示操作在Matlab2023b中进行。
一、缺相与相线错接解析
为使得BLDC电机能够正常运行,我们需要正确连接电机的UVW三条相线,不过在有时候可能会出现相线断开或是错误连接的情况。
其中如果运行过程相线断开,在只有一根相线断开的情况下,BLDC电机能够继续旋转,但是电机效率将会下降,需要能够及时发现,若有两根及以上的相线断开,由于不能形成回路,电机很快会停机;对于相线连接,总共有6种情况,除了唯一的正确接线情况外,有3种错误的情况会导致电机无法旋转,还有2种错误情况尽管电机能够旋转,但是波形也会出现异常,效率降低,我们需要能够判断出这样的异常情况。
我们在之前的文章中搭建了如下图所示的BLDC电机速度闭环控制模型,接下来我们将以此为基础来对缺相、相线连接错误的情况进行分析。

在原始的仿真模型基础上,点击运行,我们可以看到电机转子转速波形如下图所示。

PID控制器输出占空比情况如下图所示。

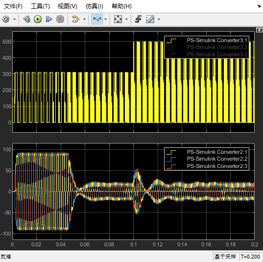
三相电压、电流波形图如下图所示。

接下来,为了模拟缺相,我们需要使特定相线开路,在库浏览器中搜索open circuit模块,即开路模块。

按照如下图所示连接开路模块,模拟相线断开。

重新运行仿真模型,电机转子转速波形如下图所示,可以看到仍然在不断的提高,但是转速上升的速度相比之前大幅降低。

查看PID控制器输出的占空比,可以看到几乎一直以最大的占空比进行输出。

此时三相电压电流波形如下图所示。

放大波形后,可以看到由于黄色波形对应的相线是开路的,因此逆变器侧的该相电压此时完全取决于开关管导通信号,数值只有0、155.5、311V三种情况。相应地,这一相由于开路,不会有电流流过,电流波形始终保持0A。

为了观察电机侧的三相电压波形的情况,我们修改三相电压传感器模块的连接方式如下图所示。

运行完毕后,查看波形如下图所示,这里我们只保留了黄色一相的电压波形,另外两相的电压波形与前面图片中展示的一致。

接下来,我们会按照如下图所示的次序来对逆变器侧、电机侧的波形进行分析,讲解为什么现在的波形是这样的。
如下图所示,是逆变器侧波形。

如下图所示,是电机侧电压波形。

为便于分析,这里我们设定黄色、蓝色、红色分别为U、V、W三相。
对于状态1,此时正常情况下,U相上桥开,V相下桥开,W相处于悬空态;
逆变器侧,U相电压为母线电压,电机侧,U相电压,实际上是电机U相端口对地电压(电源模块负端),中性点电位初始是零电位,由于电机转子旋转导致W相电感上叠加了一个幅值逐渐升高的反电动势,使得电机中性点点位高于零电压,又由于电机旋转在U相上也叠加了一个反电动势,此时对于BLDC电机而言,U相的动生反电动势幅值是恒定的,由于W反电动势幅值逐渐减小,因此测得的U相电压呈现从一个较小的数值慢慢升高到一个稍大的数值的情况;V相此时下桥打开,因此V相电压一直是零电压;由于W相电感需要续流,而现在U相又是开路,结合电机侧的电压波形,可以看到此时W相电感两侧的电压差很小,因此续流时间很长,W相一直是接近零电压。
对于状态2,此时正常情况下,U相上桥开,V相处于悬空态,W相下桥开;
逆变器侧,U相电压为母线电压,电机侧,U相电压同样是U相端口对地电压,在续流时,中性点初始电压是母线电压的一半,由于电机转子旋转导致V相电感上叠加了一个幅值逐渐降低的反电动势,使得中性点电位提高,高于母线电压的一半,再叠加上电机旋转在U相产生的反电动势就是此时的U相电压,在续流完毕后,U相电压为零电压叠加电机旋转产生的反电动势(开路没有电流,但是电位仍然可以叠加);V相续流时由于电流方向是电机侧流向逆变器侧,上桥的体二极管会导通,两侧电压差比较大,因此续流比较快,V相电压短暂提高至接近母线电压后,续流完毕,后续是零电压叠加由于电机旋转而产生的动生反电动势的梯形波形;而W相处于下桥打开状态,保持零电压。
对于状态3,此时正常情况下,U相处于悬空态,V相上桥开,W相下桥开;
逆变器侧,U相电压理个人理解在理论上是浮空的,不过由于上下桥MOSFET开关管参数一致,因此电位是母线电压的一半,电机侧,U相电压由于V相上桥导通,W相下桥导通,中性点电位初始是母线电压的一半,在叠加了电机旋转产生的呈现下降趋势的动生电动势之后,U相电压波形会突变到一个较大的电压后,又逐渐降低,如图所示;V相处于上桥导通状态,因此电压为母线电压;而W相处于下桥打开状态,保持零电压。
对于状态4,此时正常情况下,U相下桥开,V相上桥开,W相处于悬空态;
逆变器侧,U相电压为零电压,电机侧,U相电压,中性点初始是母线电压,由于电机转子旋转导致W相电感上叠加了一个幅值逐渐降低的反电动势,使得电机中性点电位降低,低于母线电压,又由于电机旋转在U相上也叠加了一个反电动势,此时对于BLDC电机而言,U相的动生反电动势幅值是恒定的,由于W相反电动势幅值逐渐升高,因此测得的U相电压呈现从一个较高的数值逐渐降低的情况;V相此时上桥打开,因此V相电压一直是母线电压;由于W相电感需要续流,而现在U相又是开路,结合电机侧的电压波形,可以看到此时W相电感两侧的电压差很小,因此续流时间很长,W相一直是接近母线电压。
对于状态5,此时正常情况下,U相下桥开,V相处于悬空态,W相上桥开;
逆变器侧,U相电压为零电压,电机侧,U相电压,在续流时,中性点初始是母线电压的一半,由于电机转子旋转导致V相电感上叠加了一个幅值逐渐升高的反电动势,使得电机中性点电位降低,低于母线电压的一半,再叠加上电机旋转在U相产生的反电动势就是此时的U相电压,在续流完毕后,U相电压为母线电压叠加电机旋转产生的反电动势;V相续流时由于电流方向是逆变器侧流向电机侧,下桥的体二极管会导通,两侧电压差比较大,因此续流比较快,V相电压短暂降低至接近零电压后,续流完毕,后续是母线电压叠加由于电机旋转而产生的动生反电动势的梯形波形;而W相处于上桥打开状态,保持母线电压。
对于状态6,此时正常情况下,U相处于悬空态,V相下桥开,W相上桥开;
逆变器侧,U相电压理个人理解在理论上是浮空的,不过由于上下桥MOSFET开关管参数一致,因此电位是母线电压的一半,电机侧,U相电压由于V相下桥导通,W相上桥导通,中性点电位初始是母线电压的一半,在叠加了电机旋转产生的呈现上升趋势的动生电动势之后,U相电压波形会突变到一个接近母线电压一半的电压附近后,又逐渐升高,如图所示;V相处于下桥导通状态,因此电压为零电压;而W相处于上桥打开状态,保持母线电压。
接下来放大部分波形的局部图片,可以看到续流时由于体二极管导通压降的存在,处于续流状态的相位的电压会和零电压、母线电压有些微的差别。(上述讲解还存在有纰漏,欢迎指正。)


接下来,我们来分析相线接错对电机运行的影响。
如下图所示,是抽象化的电机转子及三相端子,我们以A、B、C的顺序来定义开关表的顺序,“1”表示上桥导通,“0”表示下桥导通,“-”表示悬空。

我们来定义开关情况与电机定子形成的磁场方向的关系,如下表所示。
| 序号 | 开关情况 | 磁场方向 |
|---|---|---|
| 1 | 1 - 0 | 左下 |
| 2 | - 1 0 | 下方 |
| 3 | 0 1 - | 右下 |
| 4 | 0 - 1 | 右上 |
| 5 | - 0 1 | 上方 |
| 6 | 1 0 - | 左上 |
如下图所示,是每种开关状态对应的磁场方向(绿色箭头表示),以及转子位置对应的范围区间(蓝色线条组成的6个60度范围的区间),各个区间以红色数字表示,我们的霍尔传感器模块的相位检测就是类似的原理。

在三根相线正确连接的情况下,转子位置处于各个不同范围区间时,根据开关情况表来控制逆变器电路各个MOSFET开关管的导通与关断,即可产生相应的磁场来使得电机转子不停旋转。
对于相线连接错误的情况,我们首先跟根据上图来进行简要分析:
若U相线与V相线混接(即A、B相线交换),那么我们可以料想,当转子位置在区间1时,我们本该按照“1 - 0”的顺序,导通U相上桥及W相下桥来形成方向指向左下角的磁场时,由于UV相线交换,实际是按照“- 1 0”的顺序导通了V相上桥及W相下桥,那么就会产生指向正下方的磁场。
在这样的磁场吸引下,电机转子也能够从区间1转动到区间2,到区间2时,“- 1 0”的开关状态表实际变成了“1 - 0”,对照开关状态表我们知道现在是指向左下角的磁场方向;由于惯性存在会使得电机转子转动到区间3,此时对应的“0 1 -”开关状态表变成了“1 0 -”,对应的左上角的方向,又会带动转子回到区间2,最终来回振动,不能正常地连续旋转运行。
仿真方面,我们可以进行一些简单的模拟;如下图所示,交换逆变器模块中U、V两相的接线,之后可以按照自己想法对一些参数进行修改。

这里由于电机模块参数、PID参数等会对具体结果有一定影响,这里不再详细讲述参数设置,仅展示一些示意性仿真结果图片。
如下图所示是电机转子位置,可以看到电机转子来回的震荡,而没有能够平滑的连续旋转。

相对于正确的U、V、W接线方式,错误接线方式一般会使得电机转子无法连续旋转,但有些时候却同样能使电机转子旋转,不过此时电机控制性能会严重下降。
例如现在电机侧的U、V、W分别依次接到了逆变器的V、W、U,刚好错开,如果电机转子位于区间1,当输入“1 - 0”的开关状态时,对于电机来说则是“- 0 1”开关状态对应的上方的磁场,使得电机转子转动到了区间6,依此类推,使得电机发生了反转。

如下图所示,是在这种接线方式情况下电机转子的角度变化情况。

二、电源电压波动
在电机运行过程中,电源电压的稳定也对电机正常运行至关重要,接下来我们来模拟电源电压突降对电机运行的影响。
这里我们使用可控电压源,来实现仿真运行过程中电压电压的改变。

使用可控电压源模块取代之前的电源模块后,我们使用step阶跃模块配合Simulink-PS Converter来控制电源电压。设定电压初始值为311V,在0.1s的时候突变为160V,即模拟电源电压突降。

完成配置后,点击运行;如下图所示是电机转子转速的变化情况,可以看到在0.1s的时候,电机转速突然下降,后续又开始慢慢上升。

我们的PID控制器输出的占空比在0.1s时,由于电机转子转速突降,低于给定的速度参考量,因此此时的PID控制器输出占空比又开始提高,符合预期。

如下图所示是运行过程中电机三相电压、电流的波形情况,在0.1s前,电压最大值为311V,速度基本稳定时,电流也基本稳定;之后0.1s后,电源电压突降至160V,可以看到电压波形最大值也受到影响,变成了160V,此时PID控制器输出的占空比还未及时调整,因此输入给三相逆变器模块的等效电压降低,导致电流迅速跌落,之后占空比又逐渐提高,电流逐渐增加。

如下图所示是放大后的0.1s前的电压电流波形。

接下来是0.1s后的电压电流波形,与上图相比,可以看到电压最大值为160V,且占空比提高了不少。

为了对照验证,我们接下来模拟电源电压突增,修改终值为500V。

点击运行按钮后,观察电机转子转速波形,可以看到在0.1s后,电机转速突然上升,后续又降低下来。

查看此时PID控制器输出占空比波形,可以看到此时占空比在0.1s后出现了下降,与预期一致。

同样打开电压电流波形示波器,与前面电源电压突降的情况形成了对比,这里不再赘述。

一般来说,MCU软件中可以结合相关硬件设计来对母线电压进行检测,当检测到电压突增或突降时,直接根据电压变化来调整占空比的输出,此时可以比较迅速的使被控量达到稳定。
三、电机感量及磁链变化
BLDC电机作为控制对象,其自身的特性将决定我们应该如何配置相关控制参数,并且会对控制效果产生影响,接下来我们来研究BLDC电机参数变化对相关波形的影响。
如下图所示是原始情况对应的电压电流波形,这里我们首先对电机磁链的变化进行研究。
了解BLDC相关公式的同学将会知道,电机磁链大小对电机转矩有直接的影响,而转矩则主要受到电机磁链、三相电流的控制;接下来我们将会修改电机磁链大小,并观察三相电流的变化情况。

放大电压电流波形,可以看到此时三相电流的瞬时最大值达到20A左右。

修改电机磁链参数为0.08Wb,也就是提高为原来的两倍。

点击运行按钮,并观察电压电流波形的变化情况,从下图中我们可以看到在后续速度基本稳定的阶段,现在仅需要最大瞬时电流可能接近15A,就能够对抗负载转矩,印证了磁链和电流大小对转矩的影响。

打开角速度示波器,可以看到此时我们的电机转速在超调后,被控制器的控制下,转速又迅速降低,在0.2s的时候依然没有稳定在目标转速附近,表明我们现在的PID参数已经不太适合参数发生了变化的BLDC电机控制对象。

这里我们结合上一章了解到的PID调参方法,提高了参数I。

修改PID控制器参数后,重新运行仿真模型,可以看到此时电机转子转速最终能够稳定在目标转速附近。

此时电压电流波形如下图所示。

放大波形,可以看到后续转速稳定时,电流不到15A,表明若要输出相同转矩,电机磁链越大,更小的电流就足以产生足够的转矩。

此外,电机磁链大小还会影响反电动势数值,也就是相同转速情况下,电机磁链越大,反电动势幅值越大(相同转速,电机磁链越大,即通过定子线圈的磁通变化越大,因此产生的反电动势越大);接下来我们搭建一个简易的反电动势测量模型来验证这一点。(具体搭建过程略,大家请根据出现的模块自行搭建。)

这里的BLDC电机参数与之前搭建的模型一致,磁链首先设定为0.04,理想角速度源模块设定输入为100(单位为弧度),点击运行后,查看反电动势情况,可以看到当前的反电动势幅值应该是6V左右(3V - (-3)V)。

保持转速不变,修改BLDC电机的磁链参数为0.08。

再次运行,看到这一次的反电动势幅值大概是12V左右,是之前的两倍,与前述一致。
此外,电机转速也会影响反电动势幅值大小,大家可以自行验证。

接下来,我们来分析电机电感大小对电压电流波形的影响。
我们知道,电感是一种流经电流不能发生突变的元件,而电感大小会影响电流的变化速度,电感越大,相同幅值的电流变化所需时间越长,反之越短。如下图所示,是速度稳定阶段六步换相时的续流时间(续流相关分析请阅读前一篇文章),可以看到对于18.4A左右的电流变化,此时需要耗时95us左右。(目前的电机电感是0.001H。)

接下来,我们来观察逆变器正常开关MOSFET时的电流情况,可以看到在某一相上桥导通的相位状态下,对于大概4.7A的电流变化,耗时42.5us。

接下来,我们来修改BLDC电机的电感参数,将其由0.001H改为0.002H;我们这里可以首先预测,对应更大的点击电感,电流的变化速度将会减慢,也就是续流时间会延长,电流波形会更平滑。

修改完电机参数后,点击运行按钮,可以看到此时对应速度稳定阶段,对于大概19.4A左右的电流变化,耗时接近209us,差不多是此前的两倍,符合预期。

而对于处于上桥导通状态的相电压,48us时间,对应的电流变化为2.6A,差不多是之前的一半,符合预期。

四、负载突变及堵转
现在,我们来分析电机输出部分的变化对电机控制的影响。
电机输出轴驱动的负载可能会发生突变,如果负载特别大,甚至会使得电机转子无法旋转,也就是堵转,此时由于电机转子没有旋转,也就不会产生反电动势,相同的电压全部用于产生电流,而且电流只在特定的开关管流过,很容易烧毁电机,这种情况是需要特别注意的。
我们搜索Ideal Torque Sensor模块,即理想转矩传感器模块,并拖动到右侧模型中。

按照下图方式进行连接,相关细节已经在前一篇文章讲解了。

这里,我们修改理想转矩源的输入为一个阶跃模块,并设定初始值为-1,在0.1s的时候突变为-2。

点击运行按钮,运行完成后查看电机转子转速波形,可以看到在0.1s时,电机转子转速突然降低,也就是这个时候根据电流、磁链产生的转矩小于了施加的负载转矩,因此使得电机转子上有一个反向的角加速度,使得转子转速降低,后续我们的PID控制器又根据转速误差调节了占空比输出以提高电流,使得输出转矩与负载转矩又基本平衡。

查看PID控制器输出的占空比波形,与我们前述的分析一致。

查看电压电流波形示波器,看到在0.1s后电流开始增加,如果放大波形,将会看到上方的电压波形的占空比也相应地增加了。

打开我们刚刚为理想转矩传感器模块连接的示波器,可以看到在0.1s的时候,电机输出转矩确实发生了变化,相比之前,为了对抗突然增加的负载转矩而大幅提高。

放大转矩波形,可以看到在后段的时候,转矩在1.8~2.2N*m的范围内波动,平均值接近2N*m,也就是我们人为给定的负载转矩。

接下来,我们继续增大负载转矩,将理想转矩源模块的给定终值改为-50。

点击运行后,查看转速波形,看到此时在0.1s后,电机转速正常迅速下降,表明我们此时即使把占空比加满,产生的电流对应的转矩也无法平衡这样大的负载转矩。

查看PID控制器输出占空比,可以看到0.1s后一直维持在1,也就是说我们的控制器已经最大限度的进行了输出控制。

查看电压电流波形,看到此时电流最大可能有接近90A。

查看转矩波形,看到0.1s后输出转矩最大有28N*m,依然小于设置的50N*m的负载转矩,因此电机转子转速一直降低。

现在我们来模拟一个转速比较小的情况,设定BLDC电机初始转速为4900deg/s,电机转速很快降低到了0以下,而后又被负载转矩带动至反向旋转。

查看此时PID控制器输出占空比,0.1s后同样迅速上升至1。

查看此时的电压电流波形示波器,看到0.1s时电压波形占空比已经完全拉满,我们对照前面正常转矩的电压电流波形,可以看到此时由于转速低,基本没有进行换相的处理,因此一直是特定的上桥、下桥的MOSFET开关管导通、流过电流。
此时将会产生严重的发热,而MOSFET开关管温度上升后,过电流能力也会下降,此时极容易使得逆变器电路发生损坏。

输出转矩波形如下图所示。

注意,大负载乃至堵转情况下,由于需要通过大电流,且开关次序切换周期长,会使得MOSFET开关管、电机温度上升,而这又进一步会使得电机定子电阻提高、转子磁链下降,使得电机转矩输出能力下降,若不能及时检测并进行处理,容易导致逆变器电路、电机本体损坏。
此外,即使在软件中通过电流检测技术来限制了电流的最大输出(例如最大只输出60A),也会由于长时间未换相,特定MOSFET开关管导通时间过长而发生损坏。
五、换相时机不当及换相错误
在正确的时间进行换相对于BLDC电机连续稳定地运行非常重要,如果换相相位错误,或是换相时机不当,一般会导致电流突变,可能会对硬件产生损坏等;接下来我们就对霍尔传感器模块进行修改,以模拟换相相关问题的情况。
如下图所示,我们修改了霍尔传感器模块检测的角度范围,现在都往前提前了10°,也就是现在换相都会超前一段时间。

点击运行后,我们可以看到目前的三相电压、电流还比较正常,不过仔细看可以发现由于换相提前,在相位悬空时,对应的反电动势的出现被推后了10°,如果我们使用的是无传感器的控制方法,这种情况可能会导致后续换相继续发生错误,最终发生过流等问题。

刚刚的波形可能还不够明显,现在我们统一改为再提前10°进行换相(也就是比原始的换相模块提前了20°)。
可以看到此时上升沿的反电动势又被推后了一些,下方的表示上桥未导通时的反电动势对应的小三角区域已经几乎不见了。

现在,我们改回各个换相的角度判断阈值,使用product模块配合阶跃模块,来模拟换相错误或滞后。

这里我们设定阶跃模块的初始值为2,在0.1s的时候变为4,进行仿真。

从仿真结果的电压电流波形来看,可以看到在0.1s的时候发生了换相错误,此时三相电流相比正常换相时大了很多,对于实际的BLDC电机控制系统,此时可能会导致过流,对MOSFET开关管造成损坏,此外,突变的大电流也会使得点击转矩、转速出现波动,对电机的正常运行都会产生影响。

接下来,我们修改阶跃模块在0.1s的时候变为1,也就是说这个时候我们模拟长时间不换相的情况。

点击运行后,观察电压电流波形如下图所示,同样由于换相不当,相电流发生了突增。

恢复电压电流波形缩放,可以看到0.1s后,由于错误的换相控制,此时会频繁的产生电流尖峰,将会对电机的输出转矩、转速产生不利影响。

对于有霍尔传感器的控制方案,霍尔位置信号异常导致换相出错是比较常见的问题,根据个人了解,可以采用一些滤波处理来减轻这种问题,不过实在没有太多的相关经验,不再赘述。
在本篇文章中,我们讨论了一些外部异常对电机控制的影响,并进行了一些初步的分析,想要做好一个电机控制系统,我们需要进行全面的考虑,并熟悉各种可能出现的问题,了解相关的处理方法等。
个人水平有限,相关讲解会有疏漏,欢迎批评指正,也欢迎大家继续提出电机运行过程出现异常的相关问题以进行讨论。
后续对于一些更为深入的问题以及处理策略,可能会再出专题进行讲解分析。
参考链接
电机为什么缺相?怎么处理缺相? - 万泰说电机的文章 - 知乎
电机缺相运行与转速,电机缺相的影响及转速调节方法
无刷直流 (BLDC) 电机的连接
AN186 Brushless DC Motor Connections
硬件学习笔记第三节电感
BLDC驱动基础篇:堵转保护 - 嵌入式BLDC的文章 - 知乎
