当前位置: 首页 > news >正文

27.电源和地的单点串并联接线隐患及对EMC的影响分析

电源和地的单点串并联接线隐患及对EMC的影响分析

  • 1. 单点串联的故障机理与单点并联的优点
  • 2. 电源线单点串联接法的隐患
  • 3. 不同类型电路的单点串并联接地布线问题

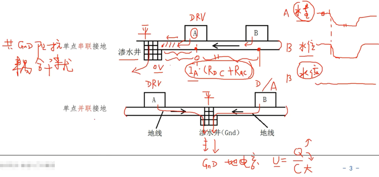
1. 单点串联的故障机理与单点并联的优点

在这里插入图片描述

2. 电源线单点串联接法的隐患

在这里插入图片描述

3. 不同类型电路的单点串并联接地布线问题

在这里插入图片描述

http://www.dtcms.com/a/169178.html

相关文章:

  • 模型上下文协议(MCP)
  • HDLBIT-程序(Procedures)
  • Python爬虫实战:获取易车网最新特定车型销量数据并分析,为消费者购车做参考
  • Java零基础入门Day4:数组与二维数组详解
  • 主机Windows和虚拟机ubuntu和开发板三者互ping学习记录
  • Python高级爬虫之JS逆向+安卓逆向1.7节: 面向对象
  • 裁剪+渲染队列+透明与混合
  • CPU:AMD的线程撕裂者(Threadripper)和霄龙(EPYC)的区别
  • 构建更快,部署更智能:立即优化您的 Docker 设置
  • 每天学一个 Linux 命令(34):wc
  • 组件通信-provide、inject
  • whl文件名后缀
  • 传奇各职业/战士/法师/道士/戒指爆率及出处产出地/圣战/法神/天尊/虹魔/魔血/麻痹/超负载/求婚/隐身/传送/复活/护身/祈祷/火焰
  • PyQt 或 PySide6 进行 GUI 开发文档与教程
  • 电商平台的订单状态设计流程
  • NHANES指标推荐:TyG指数
  • 计算机启动流程中,都干了啥事。比如文件挂在,操作系统加载,中断向量表加载,磁盘初始化在哪阶段。
  • K8S - 深入解析 Service 与 Ingress - 服务暴露与流量管理
  • 在多socket多核计算机上配置MPI和OpenMP
  • Protubuf入门 --- 01基本语法与编译使用
  • C语言数据类型与内存布局
  • 算法竞赛进阶指南.巡逻
  • 13分区排烟 无法远程启动 12-1-4,排烟管道出口未连接室外
  • Linux-07-Shell
  • python常用科学计算库及使用示例
  • 数字智慧方案6185丨智慧银行解决方案(51页PPT)(文末有下载方式)
  • 【免费】2010-2019年上市公司排污费数据
  • 迪米特法则(LoD)
  • Baklib内容中台落地实战指南
  • 传奇各职业/战士/法师/道士/手套/手镯/护腕/神秘腰带爆率及出处产出地/圣战/法神/天尊/祈祷/虹魔/魔血