Narendra自适应控制器设计
上一篇介绍了在系统结构中引入前馈和反馈的结构,然后利用李雅普诺夫稳定性理论设计MRACS,在基于输入输出形式中,利用李雅普诺夫稳定性设计的自适应率中包含了误差的导数,这降低了系统的抗干扰性,为了避免这一缺点,Narendra提出了稳定自适应控制器方案。本文将介绍Narendra自适应控制器设计方案 。
1、系统介绍
设单输入单输出系统的状态方程和输出方程为
x ˙ p = A p x p + b p u y p = h T x p (1) \begin{array} {c}{\dot{x}_{p}=A_{p}x_{p}+b_{p}u} \\ {y_{p}=h^{\mathrm{T}}x_{p}} \tag{1} \end{array} x˙p=Apxp+bpuyp=hTxp(1)
其中, x p x_p xp为 n n n状态向量, A p A_p Ap为 n × n n\times n n×n矩阵, b p b_p bp为 n × 1 n\times 1 n×1矩阵, h T h^T hT为 1 × n 1\times n 1×n矩阵。
控制对象的传递函数为
W p ( s ) = h T ( s I − A p ) − 1 b p = k p Z p ( s ) R p ( s ) (2) \begin{array}{c}W_{p}(s)=h^{\mathrm{T}}(sI-A_{p})^{-1}b_{p}=\frac{k_{p}Z_{p}(s)}{R_{p}(s)} \tag{2} \end{array} Wp(s)=hT(sI−Ap)−1bp=Rp(s)kpZp(s)(2)
其中, Z p ( s ) Z_p(s) Zp(s)为 m m m阶首一古尔维茨多项式, R p ( s ) R_p(s) Rp(s)为 n n n阶首一古尔维茨多项式。
参考模型的状态方程和输出方程为
x ˙ m = A m x m + b m r y m = h T x m (3) \begin{array} {c}{\dot{x}_{m}=A_{m}x_{m}+b_{m}r} \\ {y_{m}=h^{\mathrm{T}}x_{m}} \tag{3} \end{array} x˙m=Amxm+bmrym=hTxm(3)
其中, x m x_m xm为 m m m状态向量, A m A_m Am为 m × m m\times m m×m矩阵, b m b_m bm为 m × 1 m\times 1 m×1矩阵, h T h^T hT为 1 × m 1\times m 1×m矩阵。
对应的传递函数为
W m ( s ) = h T ( s I − A m ) − 1 b m = k m Z m ( s ) R m ( s ) (4) \begin{array} {c}W_{m}(s)=h^{\mathrm{T}}(sI-A_{m})^{-1}b_{m}=\frac{k_{m}Z_{m}(s)}{R_{_m}(s)} \tag{4} \end{array} Wm(s)=hT(sI−Am)−1bm=Rm(s)kmZm(s)(4)
其中, Z m ( s ) Z_m(s) Zm(s)为 m m m阶首一古尔维茨多项式, R m ( s ) R_m(s) Rm(s)为 n n n阶首一古尔维茨多项式。
为了实现可调系统与参考模型的完全匹配,那么自适应控制器需要有足够多的可调参数。在上述系统中,最多有 n + m + 1 n+m+1 n+m+1个可调参数,故自适应机构需要 n + m + 1 n+m+1 n+m+1个可调参数与之对应。下面先讨论 n − m = 1 n-m=1 n−m=1的情况,构建的自适应系统为

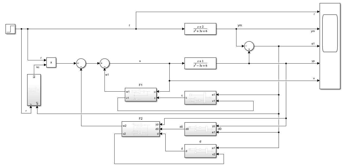
相较于上一篇介绍的自适应系统,本系统在引入可调增益 k c k_c kc和反馈 F 2 F_2 F2的基础上,在输入 u u u上也引入了一个反馈 F 1 F_1 F1,反馈 F 1 , F 2 F_1,F_2 F1,F2称为辅助信号发生器(反馈输出都作用到输入 u u u上)。
下面将对该系统的自适应率进行推导。
2、自适应率设计
辅助信号发生器 F 1 F_1 F1系统的状态方程为:
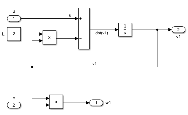
v 1 ˙ = Λ v 1 + b u ω 1 = c T v 1 (5) \begin{array}{c} \dot{v_1}=\Lambda v_1+bu \\ \omega_1=c^Tv_1 \tag{5} \end{array} v1˙=Λv1+buω1=cTv1(5)
对应的传递函数为:
W 1 ( s ) = c T ( s I − Λ ) − 1 b = C ( s ) N ( s ) (6) \begin{array}{c} W_1(s)=c^{\mathrm{T}}(sI-\Lambda)^{-1}b=\frac{C(s)}{N(s)} \tag{6} \end{array} W1(s)=cT(sI−Λ)−1b=N(s)C(s)(6)
辅助信号发生器 F 2 F_2 F2系统的状态方程为:
v 2 ˙ = Λ v 2 + b y p ω 2 = d T v 2 + d 0 y p (7) \begin{array}{c} \dot{v_2}=\Lambda v_2+by_p \\ \omega_2=d^Tv_2+d_0y_p \tag{7} \end{array} v2˙=Λv2+bypω2=dTv2+d0yp(7)
对应的传递函数为:
W 2 ( s ) = d T ( s I − Λ ) − 1 b + d 0 = d 0 + D ( s ) N ( s ) (8) \begin{array}{c} W_2(s)=d^{\mathrm{T}}(sI-\Lambda)^{-1}b+d_0=d_0+\frac{D(s)}{N(s)} \tag{8} \end{array} W2(s)=dT(sI−Λ)−1b+d0=d0+N(s)D(s)(8)
其中,
Λ = [ 0 1 ⋯ 0 ⋯ ⋯ ⋯ ⋯ 0 0 ⋯ 1 − l 1 − l 2 ⋯ − l n − 1 ] , b = [ 0 ⋯ 0 1 ] c T = [ c 1 c 2 ⋯ c n − 1 ] , d T = [ d 1 d 2 ⋯ d n − 1 ] (9) \begin{array}{c} \Lambda = \begin{bmatrix} 0 & 1 & \cdots & 0 \\ \cdots & \cdots & \cdots & \cdots \\ 0 & 0 & \cdots & 1 \\ -l_1 & -l_2 & \cdots &-l_{n-1} \end{bmatrix} ,b= \begin{bmatrix} 0 \\ \cdots \\ 0\\ 1 \end{bmatrix} \\ c^T= \begin{bmatrix} c_1&c_2&\cdots&c_{n-1} \end{bmatrix},d^T= \begin{bmatrix} d_1&d_2&\cdots&d_{n-1} \end{bmatrix} \tag{9} \end{array} Λ= 0⋯0−l11⋯0−l2⋯⋯⋯⋯0⋯1−ln−1 ,b= 0⋯01 cT=[c1c2⋯cn−1],dT=[d1d2⋯dn−1](9)
其中, N ( s ) N(s) N(s)为首一多项式,阶数为 n − 1 n-1 n−1; C ( s ) , D ( s ) C(s),D(s) C(s),D(s)为首一多项式,阶数为 n − 2 n-2 n−2。
可调系统等效结构图为

由此,可以得到可调系统的传递函数为
W ( s ) = y p ( s ) r ( s ) = k c W p ( s ) 1 + W 1 ( s ) + W 2 ( s ) W p ( s ) = k c k p Z p ( s ) R p ( s ) 1 + C ( s ) N ( s ) + [ d 0 + D ( s ) N ( s ) ] [ k p Z p ( s ) R p ( s ) ] = k c k p Z p ( s ) N ( s ) [ N ( s ) + C ( s ) ] R p ( s ) + k p Z p ( s ) [ d 0 N ( s ) + D ( s ) ] (10) \begin{array}{c} W(s)=\frac{y_p(s)}{r(s)}=\frac{k_cW_p(s)}{1+W_1(s)+W_2(s)W_p(s)}\\=\frac{k_c\frac{k_{p}Z_{p}(s)}{R_{_p}(s)}}{1+\frac{C(s)}{N(s)}+\left[ d_0+\frac{D(s)}{N(s)} \right] \left[\frac{k_{p}Z_{p}(s)}{R_{_p}(s)} \right]}\\=\frac{k_ck_pZ_p(s)N(s)}{\left[N(s)+C(s) \right]R_p(s)+k_pZ_p(s)[d_0N(s)+D(s)]} \tag{10} \end{array} W(s)=r(s)yp(s)=1+W1(s)+W2(s)Wp(s)kcWp(s)=1+N(s)C(s)+[d0+N(s)D(s)][Rp(s)kpZp(s)]kcRp(s)kpZp(s)=[N(s)+C(s)]Rp(s)+kpZp(s)[d0N(s)+D(s)]kckpZp(s)N(s)(10)
当可调系统与参考模型完全匹配时,满足
k m Z m ( s ) R m ( s ) = k ~ c k p Z p ( s ) N ( s ) [ N ( s ) + C ~ ( s ) ] R p ( s ) + k p Z p ( s ) [ d 0 ~ N ( s ) + D ~ ( s ) ] (11) \begin{array}{c} \frac{k_{m}Z_{m}(s)}{R_{_m}(s)} = \frac{\widetilde{k}_c k_pZ_p(s)N(s)}{\left[N(s)+\widetilde{C}(s) \right]R_p(s)+k_pZ_p(s)[\widetilde{d_0}N(s)+\widetilde{D}(s)]} \tag{11} \end{array} Rm(s)kmZm(s)=[N(s)+C (s)]Rp(s)+kpZp(s)[d0 N(s)+D (s)]k ckpZp(s)N(s)(11)
即
k ~ c k p = k m N ( s ) = Z m ( s ) [ N ( s ) + C ~ ( s ) ] R p ( s ) + k p Z p ( s ) [ d 0 ~ N ( s ) + D ~ ( s ) ] = R m ( s ) Z p ( s ) (12) \begin{array}{c} \widetilde{k}_ck_p=k_m \\ N(s)=Z_m(s) \\ \left[N(s)+\widetilde{C}(s) \right]R_p(s)+k_pZ_p(s)[\widetilde{d_0}N(s)+\widetilde{D}(s)] = R_m(s)Z_p(s) \tag{12} \end{array} k ckp=kmN(s)=Zm(s)[N(s)+C (s)]Rp(s)+kpZp(s)[d0 N(s)+D (s)]=Rm(s)Zp(s)(12)
对于前面 e q ( 12 ) eq(12) eq(12)前两个等式容易实现,关键在于第三个等式。
注意到参考模型传递函数 W m ( s ) = k m Z m ( s ) R m ( s ) W_{m}(s)=\frac{k_{m}Z_{m}(s)}{R_{_m}(s)} Wm(s)=Rm(s)kmZm(s), Z m ( s ) Z_m(s) Zm(s)为 m m m阶首一古尔维茨多项式, R m ( s ) R_m(s) Rm(s)为 n n n阶首一古尔维茨多项式,其有 m m m个零点, n n n个极点;
再从 e q ( 11 ) eq(11) eq(11)来看,等式右边分子为 Z p ( s ) N ( s ) Z_p(s)N(s) Zp(s)N(s)有 m + n − 1 m+n-1 m+n−1个零点,分母为 [ N ( s ) + C ~ ( s ) ] R p ( s ) + k p Z p ( s ) [ d 0 ~ N ( s ) + D ~ ( s ) ] {\left[N(s)+\widetilde{C}(s) \right]R_p(s)+k_pZ_p(s)[\widetilde{d_0}N(s)+\widetilde{D}(s)]} [N(s)+C (s)]Rp(s)+kpZp(s)[d0 N(s)+D (s)]有 2 n − 1 2n-1 2n−1个零点(零点判断方法为:判断是几次多项式)。可以得到,等式右边有 m + n − 1 m+n-1 m+n−1个零点, 2 n − 1 2n-1 2n−1个极点。
现在 e q ( 11 ) eq(11) eq(11)左右两边要相等,那么等式两边多项式次数需要相同,即等式右边要有 n − 1 n-1 n−1个零点和极点相消。
接下来使用李雅普诺夫函数设计自适应规律:
设 ω \omega ω为可调系统的信号向量,维数为 2 n 2n 2n维,即
ω T = [ r − v 1 T y p − v 2 T ] \omega^T=\begin{matrix}[r&-v_1^T&y_p&-v_2^T] \end{matrix} ωT=[r−v1Typ−v2T]
(这里解释一下为什么使 v 1 v1 v1和 v 2 v2 v2前面带负号:从前面结构图可以看到,系统是负反馈,故需要带负号)
设 θ \theta θ为可调系统中的可调参数向量,维数 2 n 2n 2n,即
θ T = [ k c c T d 0 d T ] \theta^T=\begin{matrix}[k_c&c^T&d_0&d^T]\end{matrix} θT=[kccTd0dT]
根据结构框图,可以得到被控对象的输入信号为
u = θ T ω (13) \begin{array}{c} u=\theta^T\omega \tag{13} \end{array} u=θTω(13)
将 e q ( 13 ) eq(13) eq(13)带入前面辅助信号和被控对象的状态方程,可得
x ˙ p = A p x p + b p θ T ω v ˙ 1 = Λ v 1 + b θ T ω v ˙ 2 = Λ v 2 + b h T x p y p = h T x p (14) \begin{array}{c} \dot{x}_p=A_px_p+b_p\theta^T\omega \\ \dot{v}_1=\Lambda v_1+b\theta^T\omega \\ \dot{v}_2=\Lambda v_2 + bh^Tx_p \\ y_p = h^Tx_p \tag{14} \end{array} x˙p=Apxp+bpθTωv˙1=Λv1+bθTωv˙2=Λv2+bhTxpyp=hTxp(14)
将其转为
[ x ˙ p v ˙ 1 v ˙ 2 ] = [ A p 0 0 0 Λ 0 b h T 0 Λ ] [ x p v 1 v 2 ] + [ b p b 0 ] θ T ω y p = h T x p (15) \begin{array}{c} \begin{bmatrix} \dot{x}_p \\ \dot{v}_1 \\ \dot{v}_2 \end{bmatrix} = \begin{bmatrix} A_p&0&0 \\ 0&\Lambda&0\\ bh^T & 0& \Lambda \end{bmatrix} \begin{bmatrix} x_p \\v_1\\v_2 \end{bmatrix} + \begin{bmatrix} b_p \\b\\0 \end{bmatrix} \theta^T\omega \\ y_p = h^Tx_p \tag{15} \end{array} x˙pv˙1v˙2 = Ap0bhT0Λ000Λ xpv1v2 + bpb0 θTωyp=hTxp(15)
设 Ψ = θ − θ ˉ \Psi=\theta - \bar{\theta} Ψ=θ−θˉ,其中 θ ˉ \bar \theta θˉ为 θ \theta θ的理想值,当 Ψ = 0 \Psi=0 Ψ=0时, k c = k ˉ c , c = c ˉ , d 0 = d ˉ 0 , d = d ˉ k_c=\bar{k}_c,c=\bar{c},d_0=\bar{d}_0,d=\bar{d} kc=kˉc,c=cˉ,d0=dˉ0,d=dˉ,此时对应的输入为:
u = θ T ω = [ θ ˉ + Ψ ] T ω = k ˉ c r − c ˉ T v 1 + d ˉ 0 h T x p − d ˉ T v 2 + Ψ T ω (16) \begin{array}{c} u=\theta^T\omega = [ \bar{\theta}+\Psi]^T\omega \\ =\bar{k}_cr-\bar c^Tv_1+\bar{d}_0h^Tx_p-\bar{d}^Tv_2+\Psi^T\omega \tag{16} \end{array} u=θTω=[θˉ+Ψ]Tω=kˉcr−cˉTv1+dˉ0hTxp−dˉTv2+ΨTω(16)
将 e q ( 16 ) eq(16) eq(16)代入 e q ( 15 ) eq(15) eq(15)整理可得增广状态方程为
x ˙ = A c x + b c [ k ˉ c r + Ψ T ω ] y p = h T x p (17) \begin{array}{c} \dot{x}=A_cx+b_c[\bar{k}_cr+\Psi^T\omega ] \\ y_p = h^Tx_p \tag{17} \end{array} x˙=Acx+bc[kˉcr+ΨTω]yp=hTxp(17)
其中,
A c = [ A p + b p d ˉ 0 h T − b p c ˉ T − b p d ˉ T b d ˉ 0 h T Λ − b c ˉ T − b d ˉ T b h T 0 Λ ] x T = [ x p T v 1 T v 2 T ] , b c T = [ b p T b T 0 ] A_c=\begin{bmatrix} A_p+b_p\bar{d}_0h^T&-b_p \bar c^T&-b_p\bar{d}^T \\ b\bar{d}_0h^T&\Lambda-b \bar c^T&-b\bar{d}^T\\ bh^T & 0& \Lambda \end{bmatrix} \\ x^T=\begin{matrix}[x_p^T & v_1^T&v_2^T]\end{matrix},b_c^T=\begin{matrix}[b_p^T&b^T&0 ]\end{matrix} Ac= Ap+bpdˉ0hTbdˉ0hTbhT−bpcˉTΛ−bcˉT0−bpdˉT−bdˉTΛ xT=[xpTv1Tv2T],bcT=[bpTbT0]
当 Ψ = 0 \Psi=0 Ψ=0时,可调系统于参考模型输出相同,令 e q ( 17 ) eq(17) eq(17)中的 Ψ = 0 \Psi=0 Ψ=0,可得参考模型的增广状态方程为
x ˙ m c = A c x m c + b c k ˉ c r y m = h c T x m c = h T x m (18) \begin{array}{c} \dot{x}_{mc}=A_{c}x_{mc}+b_c\bar{k}_cr \\ y_m=h_c^Tx_{mc}=h^Tx_m \tag{18} \end{array} x˙mc=Acxmc+bckˉcrym=hcTxmc=hTxm(18)
其中,
x m c T = [ x m T v m 1 T v m 2 T ] , h c T = [ h T 0 0 ] x_{mc}^T=\begin{matrix}[x_m^T & v_{m1}^T&v_{m2}^T]\end{matrix},h_c^T=\begin{matrix}[h^T&0&0 ]\end{matrix} xmcT=[xmTvm1Tvm2T],hcT=[hT00]
可得,参考模型的传递函数为
W m ( s ) = h c T ( s I − A c ) − 1 b c k ˉ c W_m(s)=h_c^T(sI-A_c)^{-1}b_c\bar{k}_c Wm(s)=hcT(sI−Ac)−1bckˉc
定义广义状态误差
e = x − x m c = [ x p − x m v 1 − v m 1 v 2 − v m 2 ] e=x-x_{mc}=\begin{bmatrix}x_p-x_m\\v_1-v_{m1}\\v_2-v_{m2}\end{bmatrix} e=x−xmc= xp−xmv1−vm1v2−vm2
由可调对象增广状态方程 e q ( 17 ) eq(17) eq(17)和参考对象增广状态方程 e q ( 18 ) eq(18) eq(18),可得增广状态误差方程为
e ˙ = x ˙ − x ˙ m c = A c e + b c Ψ T ω (19) \begin{array}{c} \dot{e}=\dot{x}-\dot{x}_{mc}=A_ce+b_c\Psi ^T\omega \tag{19} \end{array} e˙=x˙−x˙mc=Ace+bcΨTω(19)
增广输出误差方程为
e 1 = y p − y m = h T ( x p − x m ) = h c T e (20) \begin{array}{c}e_1=y_p-y_m=h^T(x_p-x_m)=h_c^Te\tag{20} \end{array} e1=yp−ym=hT(xp−xm)=hcTe(20)
和前面几篇文章介绍的一样,我们需要增广状态误差 e e e和 Ψ \Psi Ψ趋于0,因此,设计李雅普诺夫函数为
V = 1 2 ( e T P e + Ψ T Γ − 1 Ψ ) (21) \begin{array}{c} V=\frac{1}{2}(e^TPe+\Psi^T\Gamma^{-1}\Psi)\tag{21} \end{array} V=21(eTPe+ΨTΓ−1Ψ)(21)
对齐求导可得
V ˙ = 1 2 e T ( P A c + A c T P ) e + Ψ T ω b c T P e + Ψ T Γ − 1 Ψ ˙ = 1 2 e T ( P A c + A c T P ) e + Ψ T ( ω b c T P e + Γ − 1 Ψ ˙ ) \dot{V}=\frac{1}{2}e^T(PA_c+A_c^TP)e+\Psi^T\omega b_c^TPe+\Psi^T\Gamma^{-1}\dot{\Psi}\\ = \frac{1}{2}e^T(PA_c+A_c^TP)e+\Psi^T(\omega b_c^TPe+\Gamma^{-1}\dot{\Psi}) V˙=21eT(PAc+AcTP)e+ΨTωbcTPe+ΨTΓ−1Ψ˙=21eT(PAc+AcTP)e+ΨT(ωbcTPe+Γ−1Ψ˙)
令
P A c + A c T P = − Q ω b c T P e + Γ − 1 Ψ ˙ = 0 PA_c+A_c^TP=-Q\\ \omega b_c^TPe+\Gamma^{-1}\dot{\Psi} = 0 PAc+AcTP=−QωbcTPe+Γ−1Ψ˙=0
可得
Ψ ˙ = − Γ ω b c T P e (22) \begin{array}{c}\dot{\Psi}=-\Gamma \omega b_c^TPe\tag{22} \end{array} Ψ˙=−ΓωbcTPe(22)
从 e q ( 22 ) eq(22) eq(22)可以看出,自适应率与 b c b_c bc和 e e e有关,而 b c b_c bc是未知的, e e e是不容易获得的,考虑到 e 1 e_1 e1我们能直接获取,如果能设计 b c T P = h c T b_c^TP=h_c^T bcTP=hcT,那么就可以将 e q ( 22 ) eq(22) eq(22)转换为
Ψ ˙ = − Γ ω b c T P e = − Γ ω e 1 (23) \begin{array}{c} \dot{\Psi}=-\Gamma \omega b_c^TPe=-\Gamma \omega e_1 \tag{23} \end{array} Ψ˙=−ΓωbcTPe=−Γωe1(23)
由 Ψ = θ − θ ˉ \Psi=\theta - \bar{\theta} Ψ=θ−θˉ可得
θ ˙ = Ψ ˙ + θ ˉ ˙ = − Γ ω e 1 (24) \begin{array}{c} \dot{\theta}=\dot{\Psi} + \dot{\bar{\theta}}=-\Gamma \omega e_1 \tag{24} \end{array} θ˙=Ψ˙+θˉ˙=−Γωe1(24)
可得自适应律为
θ = − ∫ 0 t Γ ω e 1 d τ + θ ( 0 ) (25) \begin{array}{c} \theta=-\int_{0}^{t}\Gamma \omega e_1d\tau + \theta(0) \tag{25} \end{array} θ=−∫0tΓωe1dτ+θ(0)(25)
3、例题

设
y p = W p ( s ) u = k p Z p ( s ) R p ( s ) u , y m = W m ( s ) r = k m Z m ( s ) R m ( s ) r y_{p}=W_{p}(s)u=\frac{k_{p}Z_{p}(s)}{R_{p}(s)}u,\quad y_{m}=W_{m}(s)r=\frac{k_{m}Z_{m}(s)}{R_{m}(s)}r yp=Wp(s)u=Rp(s)kpZp(s)u,ym=Wm(s)r=Rm(s)kmZm(s)r
则有
R p ( s ) = s 2 − 5 s + 6 , Z p ( s ) = s + 1 , k p = 1 R m ( s ) = s 2 + 3 s + 6 , Z m ( s ) = s + 2 , k m = 1 R_{_p}(s)=s^{2}-5s+6,\quad Z_{_p}(s)=s+1,\quad k_{_p}=1 \\R_{m}(s)=s^{2}+3s+6,\quad Z_{m}(s)=s+2,\quad k_{m}=1 Rp(s)=s2−5s+6,Zp(s)=s+1,kp=1Rm(s)=s2+3s+6,Zm(s)=s+2,km=1
引入两个辅助信号发生器 F 1 , F 2 F_1,F_2 F1,F2 (1阶系统),分别为
v ˙ 1 = − l v 1 + u , ω 1 = c v 1 W 1 ( s ) = C ( s ) N ( s ) = c s + l v ˙ 2 = − l v 2 + y p , ω 2 = d 0 y p + d v 2 W 2 = d 0 + D ( s ) N ( s ) = d 0 + d s + l \dot{v}_{1}=-lv_{1}+u,\quad\omega_{1}=cv_{1}\\ W_{1}(s)=\frac{C(s)}{N(s)}=\frac{c}{s+l}\\ \dot{v}_{2}=-lv_{2}+y_{p},\quad \omega_{2}=d_{0}y_{p}+dv_{2}\\W_{2}=d_{0}+\frac{D(s)}{N(s)}=d_{0}+\frac{d}{s+l} v˙1=−lv1+u,ω1=cv1W1(s)=N(s)C(s)=s+lcv˙2=−lv2+yp,ω2=d0yp+dv2W2=d0+N(s)D(s)=d0+s+ld
设输出误差 e 1 e_1 e1,可调参数向量 θ \theta θ,信号向量 ω \omega ω分别为
e 1 = y p − y m θ T = [ k c c d 0 d ] ω T = [ r − v 1 y p − v 2 ] \begin{array} {c}{e_{1}=y_{\mathrm{p}}-y_{\mathrm{m}}} \\\\ {\boldsymbol{\theta}^{\mathrm{T}}= \begin{bmatrix} k_{c} & c & d_{0} & d \end{bmatrix}} \\\\ \omega^T= \begin{bmatrix} r & -v_1 & y_p & -v_2 \end{bmatrix} \end{array} e1=yp−ymθT=[kccd0d]ωT=[r−v1yp−v2]
将上述等式带入 e q ( 10 ) eq(10) eq(10)可得
W ( s ) = k c k p Z p ( s ) N ( s ) [ N ( s ) + C ( s ) ] R p ( s ) + k p Z p ( s ) [ d 0 N ( s ) + D ( s ) ] = k c ( s + 1 ) ( s + l ) [ s + l + c ] ( s 2 − 5 s + 6 ) + ( s + 1 ) [ d 0 ( s + l ) + d ] = k m Z m ( s ) R m ( s ) = s + 2 s 2 + 3 s + 6 (26) \begin{array}{c} W(s)=\frac{k_ck_pZ_p(s)N(s)}{\left[N(s)+C(s) \right]R_p(s)+k_pZ_p(s)[d_0N(s)+D(s)]} \\\\ =\frac{k_c(s+1)(s+l)}{[s+l+c](s^{2}-5s+6)+(s+1)[d_0(s+l)+d]}\\\\ =\frac{k_mZ_m(s)}{R_m(s)}=\frac{s+2}{s^2+3s+6} \tag{26} \end{array} W(s)=[N(s)+C(s)]Rp(s)+kpZp(s)[d0N(s)+D(s)]kckpZp(s)N(s)=[s+l+c](s2−5s+6)+(s+1)[d0(s+l)+d]kc(s+1)(s+l)=Rm(s)kmZm(s)=s2+3s+6s+2(26)
根据第二节 e q ( 12 ) eq(12) eq(12)分析,要求
N ( s ) = Z m ( s ) ⇒ s + l = s + 2 ⇒ l = 2 N(s)=Z_m(s) \Rightarrow s+l=s+2 \Rightarrow l=2 N(s)=Zm(s)⇒s+l=s+2⇒l=2
再根据等式两边分子分母多项式阶次相同(前面提到的有 n − 1 n-1 n−1的相同的零极点相消)可得,分母应该存在因式 ( s + 1 ) (s+1) (s+1)。
因此,
s + l + c ˉ = s + 1 ⇒ c ˉ = − 1 s+l+\bar c = s+1 \Rightarrow \bar c=-1 s+l+cˉ=s+1⇒cˉ=−1
e q ( 26 ) eq(26) eq(26)分子分母同时消去 ( s + 1 ) (s+1) (s+1)可得
W ( s ) = k c ( s + 1 ) ( s + 2 ) [ s + 1 ] ( s 2 − 5 s + 6 ) + ( s + 1 ) [ d 0 ( s + 2 ) + d ] = k c ( s + 2 ) s 2 − 5 s + 6 + d 0 ( s + 2 ) + d = s + 2 s 2 + 3 s + 6 \begin{array}{c} W(s) =\frac{k_c(s+1)(s+2)}{[s+1](s^{2}-5s+6)+(s+1)[d_0(s+2)+d]}\\= \frac{k_c(s+2)}{s^{2}-5s+6+d_0(s+2)+d} =\frac{s+2}{s^2+3s+6} \end{array} W(s)=[s+1](s2−5s+6)+(s+1)[d0(s+2)+d]kc(s+1)(s+2)=s2−5s+6+d0(s+2)+dkc(s+2)=s2+3s+6s+2
可得
k c ˉ = 1 , d ˉ 0 = 8 , d = − 16 \bar{k_c}=1, \quad \bar{d}_0=8, \quad d=-16 kcˉ=1,dˉ0=8,d=−16
由 e q ( 24 ) : θ ˙ = Ψ ˙ + θ ˉ ˙ = − Γ ω e 1 eq(24):\dot{\theta}=\dot{\Psi} + \dot{\bar{\theta}}=-\Gamma \omega e_1 eq(24):θ˙=Ψ˙+θˉ˙=−Γωe1可得,取 Γ = E \Gamma =E Γ=E,
k ˙ c = − r e 1 , c ˙ = v 1 e 1 , d ˙ 0 = − y p e 1 , d ˙ = v 2 e 1 \dot{k}_c=-re_1, \quad \dot{c}=v_1e_1, \quad \dot{d}_0=-y_pe_1, \quad \dot{d}=v_2e_1 k˙c=−re1,c˙=v1e1,d˙0=−ype1,d˙=v2e1
及
k c ( t ) = − ∫ 0 t r ( τ ) e 1 ( τ ) d τ + 1 , c ( t ) = ∫ 0 t v 1 ( τ ) e 1 ( τ ) d τ − 1 d 0 ( t ) = − ∫ 0 t y p ( τ ) e 1 ( τ ) d τ + 8 , d ( t ) = ∫ 0 t v 2 ( τ ) e 1 ( τ ) d τ − 16 k_{c}(t)=-\int_{0}^{t}r(\tau)e_{1}(\tau)\mathrm{d}\tau+1,\quad c(t)=\int_{0}^{t}v_{1}(\tau)e_{1}(\tau) \mathrm{d}\tau-1\\\\ d_{0}(t)=-\int_{0}^{t}y_{p}(\tau)e_{1}(\tau)\mathrm{d}\tau+8,\quad d(t)=\int_{0}^{t}v_{2}(\tau)e_{1}(\tau)\mathrm{d}\tau-16 kc(t)=−∫0tr(τ)e1(τ)dτ+1,c(t)=∫0tv1(τ)e1(τ)dτ−1d0(t)=−∫0typ(τ)e1(τ)dτ+8,d(t)=∫0tv2(τ)e1(τ)dτ−16
simulink搭建仿真为

其中 F 1 F1 F1模块为

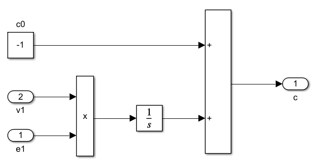
C C C模块为

其他几个模块依次类推。
仿真结果如下

四个可调整参数变化情况为

4、总结
为了避免自适应率中出现误差的导数,Narendra自适应控制方案通过引入两个辅助信号 F 1 , F 2 F_1,F_2 F1,F2,实现自适应率设计,但通过第二节推导可以看出,比单纯从李雅普诺夫稳定性推导要复杂。
至此,基于李雅普诺夫稳定性理论设计MRACS就到这了,下一篇将从超稳定性理论来设计MRACS。
