硬件基本概念
目录
基本概念
电压
电流
串联、并联
欧姆定律
电路仿真网址:
功率
焦耳定律
AC220V 转 DC5V
基本电子元器件了解
电阻:(电阻器)
电容
电感
继电器
二极管
三极管
晶振(晶体振荡器)
光耦
看手册
常用调试工具
万用表
示波器
典型电路
单片机最小系统
以 STM32F103RCT6 芯片为例
基本概念
电压
从某一点到另外一点的电势差
分类:直流电压、交流电压
1)直流电压:DC

2)纹波:直流电压里面存在的杂波
实际生活中没有不存在纹波的直流电
不存在纹波,可以实现,实验室中超导体材料
纹波干扰、噪声干扰、信号干扰....
EMC 、EMI——> 电磁兼容设计
3)交流电压:AC
大小方向按照周期规律变化

家用电:AC220V ,50HZ
三相电:380V
国外的:AC110V 、AC240V
电流
单位时间内,电荷通过
有电压是否一定有电流——>不一定
有电流是否一定有电压——>一定
分类:直流、交流
电压源、电流源在电路中的表示符号:4 个
串联、并联
串联电路:
I 总=I1=I2=...In(串联电路电流处处相等) U 总=U1+U2+...Un
R 总=R1+R2+...R n
并联电路:
U 总=U1=U2=...U总
I 总=I1+I2+....+In
R 总:导数分之1相加分之1
欧姆定律
I=U/R 、R=U/I 、U=I*R
电路仿真网址:
https://www.falstad.com/circuit/circuitjs.html
功率
定义:单位时间内,电流所做的功
表示符号:P
单位:瓦特,W
P=U*I
焦耳定律
定义:电能——>热能(内能)
Q=I^2*R*T(T 指的是时间)
单位:焦耳
AC220V 转 DC5V
降压:变压器(线圈比)
整流:半波整流、全波整流、桥式整流
滤波:滤波器
稳压:稳压二极管
滤波
基本电子元器件了解
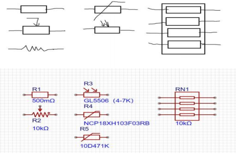
电阻:(电阻器)
1 、定义:阻碍电流
2 、常见的表示符号:R,一般也用来表示电路原理图的位 号,例如:R1 、R2....
3 、常见的符号形状:

4 、分类:
光敏、热敏、压敏、湿敏、气敏.... 定值电阻、可调电阻
插件电阻、贴片电阻
色环电阻
厚膜电阻、薄膜电阻、水泥电阻、陶瓷电阻....
5 、实物图片

6 、电阻的参数
1)考虑的参数:阻值、材料、体积、精度、功率
2)阻值:基本单位——>欧姆 Ω
K 、M 、KM 、吉欧 G、太欧 T
单位换算:10^3
3)精度/误差:1% 、2% 、5% 、10%....
4)功率:1/8W 、1/4W...
7 、电阻的作用:
1)限流
2)分压
3)转化能量
4)上拉电阻、下拉电阻
5)阻抗
电阻是否有方向?一般情况下是没有的,个别电阻有方向,例如:排阻
8 、电阻的示数读取
1)色环电阻:色码表


贴片的电阻如何读数:数码法
103=10*10^3=10K
前面的数字*10^最后一个数字的次方
104=100K 105=1M 1002=10K 5R6=5.6R
01C=10K 01B=1K 470=47R R004=4m Ω
电容
1、定义:由两个导体中间夹着绝缘介质,可以存储电荷
常见的表示符号:C
常见的形状:

基本单位:F 法拉、mf、uf、nf、pf
单位换算:10^3
100nf=0.1uf
电容是否有方向?电容分类(极性电容有方向、非极性电容没有方向)
2、分类:(极性电容、非极性电容)
瓷片电容、独石电容、电解电容、云母电容.... 插件、贴片
读数:同电阻贴片读书方法一致,注意单位
Pf
104——>100000pf——>100nf——>0.1uf 106——>10uf
3、电容的作用
1)存储电荷
2)隔直流通交流
3)稳压
4)滤波(旁路电容)
5)耦合
6)谐振
4、方向的区分

5、电容的参数
容值、耐压值 220uf/16V
一般选型建议:选择该路电压的 3 倍或者以上 DC5V——>16V
电感
1 、构成:内部由线圈构成
2 、表示符号:L
3 、常见的形状:

4 、基本单位:亨利 H 、uh 、mh
5 、读数:同贴片阻容 3R3=3.3uh
6 、分类:
贴片电感、功率电感、铁芯电感、共模电感...
7 、作用:
储能、 自感、互感
电感没有方向
磁珠:(通常用来做电磁兼容设计)
继电器
1、构成:内部一个线圈,一个磁吸开关
2、作用:用来做控制使用
常见的继电器引脚数量:5 、6 、4
3、关注参数:工作电压(指的是继电器的工作电压) DC24V
4、如何使用 引脚功能:
DC+: 电源正极
DC-:电源负极
IN:控制输入端,通常接 IO 引脚
COM:公共端
NC:常闭端
NO:常开端
二极管
1 、构成:PN 结
2 、特点:单向导通
3 、表示符号:D 、LED
4 、种类:
普通二极管、发光二极管、稳压二极管、TVS 瞬态抑 制二极管、光电二极管、 肖特基二极管、开关二极管....
5 、常见的形状:

6 、二极管有方向,正负极区分

三极管
1 、定义:由两个 PN 结或者是 NP 结构成
2 、类型:NPN 、PNP
3 、表示符号:Q
4 、形状

三个极:
B(基极) E(发射极) C(集电极)
引脚对应关系:1——>B 、2——>E 、3——>C
作用:
1)开关
2)放大电路
3)电平转换

晶振(晶体振荡器)
1、分类:有源晶振、无源晶振
2、作用:提供时钟源
外接起振电容
12MHZ 、8MHZ 、25MHZ 、32.768KHZ 、11.0592....
光耦
电——>光——>电
作用:电气隔离,内部不存在实际的物理性连接
看手册
学会看手册你需要什么看什么
1、看参数
参数:工作电压、电流、功率、尺寸... 引脚功能
2、参考电路
常用调试工具
万用表、示波器、直流稳压电源、交流稳压电源、信号发生器、 逻辑分析仪.....
万用表
类型:指针型、数字型

如何使用:
红黑两根表笔:通常黑表笔接 COM 端(公共端),通俗认为 负极,红色表笔根据需求接不同的孔位
万用表不使用的时候:放置再 OFF 挡位或者是交流电压最高档
蜂鸣器挡位如何使用:
拨到该挡位,红黑表笔短接,蜂鸣器报警,此时证明该路导通 可以使用该挡位测量电路是否导通,是否短路,区分正负极
例如发光二极管,红表笔接正极,黑表笔接负极,灯亮

示波器

典型电路
1.DC5V 转 DC3.3V 电路(两大类:LDO 类型、DC-DC 类型)
1)AMS1117——>LDO 类型
2)MP1584EN/LM 2596——>DC 转 DC 类型
2 、通信电路
1)串口通信电路——>ESP8266(WIFI 模块)
2)单总线通信电路——>温湿度传感器(DHT11)
3)SPI 通信——>SPI 类型的 LCD 屏幕
4)IIC 通信——>MAX30102 模块
5)485 通信电路——>SP3485
6)CAN 总线电路——>TJA1050T
单片机最小系统
电源、复位电路、时钟电路、下载电路、单片机
国内、国外
STM32——>意法半导体
GD32——>北京兆易
CH592X——>南京沁恒
APM32
STC51——>宏晶科技
单片机最小系统包括那些东西?
以 STM32F103RCT6 芯片为例
电源如何设计?
1 、供电方式、电压....
数据线、电池、电源适配器、
2 、电压都有哪些?
芯片电压 DC3.3V 、DC5V ,电压转换
3 、需不需要外设
需不需要用户灯、用户按键...
4 、需不需要留预留接口(电源口、IO 口....)
5 、IO口如果不够需不需要做扩展
