基于cubeMX的hal库STM32实现MQ2烟雾浓度检测
一、任务目标
使用STM32F103C8T6单片机,使用单片机AD模块采集MQ2烟雾传感器的数据,在OLED屏显示检测到的AD值、电压值和浓度值(ppm单位)。
二、实现过程
1、MQ2烟雾传感器的浓度转化方法
(1)实验所用的MQ2的链接
商品详情
(2)MQ2的技术参数
1、具有信号输出指示。
2、双路信号输出(模拟量输出及TTL电平输出)
3、TTL输出有效信号为低电平。(当输出低电平时信号灯亮,可直接接单片机)
4、模拟量输出0~5V电压,浓度越高电压越高。
5、对液化气,天然气,城市煤气有较好的灵敏度。
6、具有长期的使用寿命和可靠的稳定性
7、快速的响应恢复特性
传感器模块的原理图为:

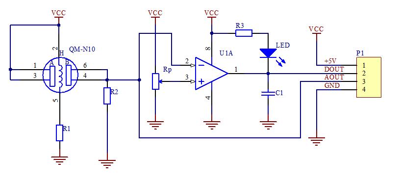
由技术参数可知,MQ2模块输出0-5V的模拟量电压,而STM32单片机的AD电压采集范围为0-3.3V,所以需要使用分压电路将0-5V转化为0-3.3V的范围,以下为参考电路

其中,MQ2_AD连接到单片机AD采集引脚。
(3)浓度转化推算



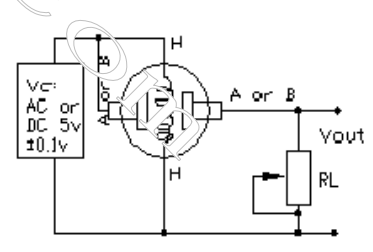
由传感器的灵敏度曲线可知,不同浓度的ppm对应不同的RS/R0值,其中RS为元件在不同气体不同浓度下传感器的电阻值,R0为元件在洁净空气中电阻值。
又由电路可知,Vrl/Rl = (Vc - Vrl)/Rs;
Vrl:即AO口输出电压
Vc:回路电压5V
Rl:Rl为可调电阻,这里电路里面Rl为第一张电路里面的R2为1K欧姆固定值。
从而,已知Vrl、Vc、Rl可以算出RS,已知RS和R0就可以得出不同浓度的ppm值。
根据灵敏度特性曲线,可进一步得出RS/R0与ppm的方程:
选择丙烷(propane)使用matlab进行提取曲线,
ppm=[200 500 800 1000 1562 2000 3000 5000 10000];
Rs/R0=[1.74 1.22 0.90 0.80 0.63 0.60 0.50 0.38 0.27];
根据Rs/R0=a*(ppm)^b,得到
Rs/R0=21.72×(ppm)^(-0.4739)
也即
ppm=(21.72×R0/RS)^(2.1101)
最后,我们将单片机AD引脚采集到的在洁净空气中的电压为0.71V,算出R0=(Vc-Vrl)*Rl/vrl=(5-0.78)*1/0.78=5.41(正常空气情况下的Vrl值)。(由于R0和RS电阻值单位为千欧,这里都约掉千欧单位)
由RS=(Vc-Vrl)*Rl/vrl=(5-Vrl)*1/vrl,ppm=pow(21.72*R0/Rs,2.1101);即可得出浓度值。
2、STM32单片机的实现过程
(1)建立cubemx工程,并添加ADC设置和IIC驱动的OLED屏设置,即ADC检测接PA1引脚,OLED的IIC接PB6---SCL,PB7---SDA。


(2)添加程序实现代码
int main(void)
{/* USER CODE BEGIN 1 *//* USER CODE END 1 *//* MCU Configuration--------------------------------------------------------*//* Reset of all peripherals, Initializes the Flash interface and the Systick. */HAL_Init();/* USER CODE BEGIN Init *//* USER CODE END Init *//* Configure the system clock */SystemClock_Config();/* USER CODE BEGIN SysInit *//* USER CODE END SysInit *//* Initialize all configured peripherals */MX_GPIO_Init();MX_ADC1_Init();MX_I2C1_Init();/* USER CODE BEGIN 2 */OLED_Init();OLED_Clear();// htim2.Instance->CNT=0; /* USER CODE END 2 *//* Infinite loop *//* USER CODE BEGIN WHILE */while (1){/* USER CODE END WHILE *//* USER CODE BEGIN 3 */Get_Smoke_ADC_Value();//获取MQ2烟雾模块的ADC值
// key=KEY_Scan(0); //获取按键值OLED_ShowString(8, 1, "Smoke Detect", 12);//OLED屏第一行显示烟雾检测字符串OLED_ShowString(0, 3, "ADC_Value:", 12);//OLED屏第三行显示MQ2的ADC_Value采样值字符串OLED_ShowNum(80, 3, MQ2_ADC_Value, 4, 12); //OLED屏第三行显示ADC采集值OLED_ShowString(0, 4, "ADC_Volt:", 12);//OLED屏第四行显示MQ2的ADC_Volt采样电压字符串MQ2_ADC_Volt100=MQ2_ADC_Volt*100;//将采样电压扩大100倍 sprintf((char*)str_buff, "%d.%d%dV", MQ2_ADC_Volt100/100, (MQ2_ADC_Volt100%100/10), MQ2_ADC_Volt100%10);//格式化输出扩大100倍的采样电压OLED_ShowString(72, 4,(uint8_t *)str_buff,12);//OLED屏第四行显示采集的电压值RS=(5-MQ2_ADC_Volt)*1/MQ2_ADC_Volt; //浓度转化算法R0=5.41;//R0为在洁净空气中的RS值Concent_Value=pow(21.72*R0/RS,2.1101); //利用浓度拟合曲线公式和指数运算函数,计算出来ppm单位的烟雾含量值Concent_Value100=Concent_Value*100; //将烟雾含量值扩大100倍 OLED_ShowString(0, 5, "smoke:", 12);//OLED屏第五行显示烟雾字符串sprintf((char*)str_buff, "%d%d%d%d.%d%dppm", (Concent_Value100/100000), (Concent_Value100%100000/10000),(Concent_Value100%10000/1000),(Concent_Value100%1000/100),(Concent_Value100%100/10), (Concent_Value100%10));//格式化输出扩大100倍的烟雾浓度OLED_ShowString(48, 5,(uint8_t *)str_buff,12);//OLED屏第五行显示显示烟雾ppm浓度值HAL_Delay(500);//每隔500ms刷新一次数据显示}/* USER CODE END 3 */
}
3、成果展示
(1)洁净空气中的烟雾浓度值为513.79ppm

(2)点燃牙签后MQ2探测到的烟雾浓度值,达到1401.13ppm

三、程序源码下载链接
https://download.csdn.net/download/jacklood/90675879
四、参考文献
1、MQ-2烟雾传感器的电压与浓度转换_mq2烟雾浓度转换公式-CSDN博客
2、关于MQ2烟雾模块换算出的ppm太小的解决办法_mq2烟雾浓度转换公式-CSDN博客
