当前位置: 首页 > news >正文

Logisim数字逻辑实训——计数器设计与应用

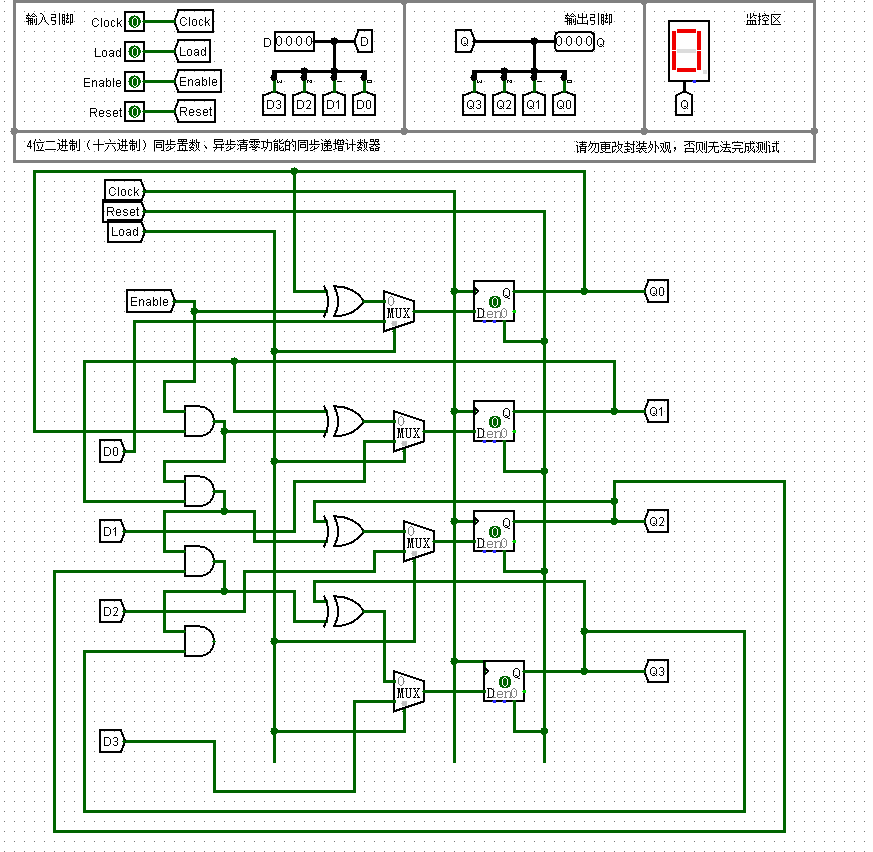
4位递增计数器

六进制计数器

十进制计数器

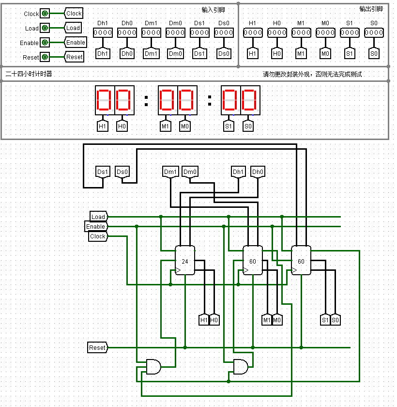
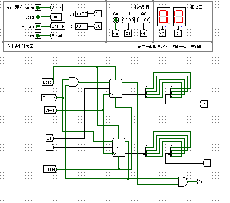
六十进制计数器

二十四进制计数器

计时器

http://www.dtcms.com/a/141310.html

相关文章:

  • Node.js 异步调用淘宝API实战:构建高吞吐商品详情数据采集方案
  • Spring 生命周期回调全解:从 @PostConstruct 到 SmartLifecycle 的深度探索
  • 如何批量在多个 Word 文档末尾添加广告页面
  • 【java 13天进阶Day05】数据结构,List,Set ,TreeSet集合,Collections工具类
  • centos下openjdk报:getVersion(FontConfiguration.java)异常,安装fontconfig无效问题的处理
  • day2-小白学习JAVA---java第一个程序
  • 问题:el-tree点击某节点的复选框由半选状态更改为全选状态以后,点击该节点展开,懒加载出来子节点数据以后,该节点又变为半选状态
  • Android 12系统静态壁纸深度定制指南
  • tailwincss
  • ​​从Shell到域控:内网渗透中定位域控制器的8种核心方法​
  • ceph weight 和 reweight 的区别
  • Python语言基础教程(上)4.0
  • 2、SpringAI接入ChatGPT与微服务整合
  • SAP案例:珠海汉胜科技SAP S/4 HANA智能制造实践与价值实现
  • 2364. 统计坏数对的数目 之 灵活思想、学会变形
  • PDK中technology file从tf格式转换为lef格式
  • 【python报错解决训练】
  • RESTful API工具和框架详解
  • 深入理解 Android Handler
  • 54常用控件_QLCDNumber的属性
  • C# 单例模式
  • 甘果桌面tv版下载-甘果桌面安卓电视版使用教程
  • Vmware esxi 查看硬盘健康状况
  • 蓝桥杯之差分题型
  • 电脑开机启动慢的原因
  • 数据结构初阶:二叉树(二)
  • zemax非序列棱镜面元理解
  • 4.18---缓存相关问题(操作原子性,击穿,穿透,雪崩,redis优势)
  • 电子电器架构 --- EOL 工厂刷写(产线)
  • 通信算法之267 : DJI无人机 云哨 DroneID 640ms