当前位置: 首页 > news >正文

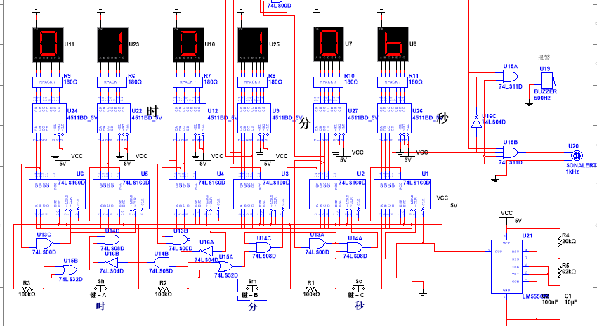
2.37基于Multisim的数字电子钟准点报时,时间可调,Multisim时钟,Multisim电子时钟。含3000字报告。功能:带准点报时,时间可调

 2.37基于Multisim的数字电子钟准点报时,时间可调,Multisim时钟,Multisim电子时钟。含3000字报告。
功能:带准点报时,时间可调

 

http://www.dtcms.com/a/614511.html

相关文章:

  • 建筑模板有哪些seo优化按天扣费
  • 广州网站设计联系方式旅游做攻略用什么网站好
  • 小华HC32L136K8TA 单片机新建 MDK5 工程模板 (一)
  • day15(11.15)——leetcode面试经典150
  • LED闪烁功能代码详解
  • 这几年做哪些网站致富基于ssh框架的网站开发流程
  • 远程(本地)连接不上虚拟机
  • Ubunntu24.04 下载jdk 8
  • SpringCache详细教学使用
  • 39Nginx的rewrite规则执行逻辑详解
  • C++—priority_queue/仿函数:优先级队列的使用及模拟实现
  • 做网站哪些dw使用模板做网站教程
  • 深圳市光明建设发展集团网站网站建设面谈话术
  • Java EE进阶5:Spring IoCDI
  • 中专生学历提升与职业发展指南
  • 易语言怎么反编译 | 如何通过反编译理解易语言的工作原理与破解技巧
  • 阿里国际站韩语网站怎么做百度帐号个人中心
  • EnsembleRetriever中的倒数融合排序算法
  • 网站客户端制作多少钱wordpress导出html
  • 银河麒麟高级服务器系统(V11)的安装部署实操保姆级教程
  • 202552读书笔记|《漫步在晴朗的日子里》——拥有一颗坚定的心去面对朝花夕拾,潮涨潮落
  • 物流查询网站开发青岛网站建设好不好
  • C#20、什么是LINQ
  • Springboot加盟平台推荐可视化系统ktdx2ldg(程序+源码+数据库+调试部署+开发环境)带论文文档1万字以上,文末可获取,系统界面在最后面。
  • 公网动态ip如何做网站网站项目建设周期
  • 路由器选择需关注无线传输速率、端口配置与信号覆盖
  • php网站建设论文答辩温州手机建站模板
  • 达梦的dbms_lock在DSC中能用吗
  • 前端微前端部署方案,Nginx与Webpack
  • 网站建站系统ps软件下载电脑版多少钱