逆变器之SPWM调制
一、前言
必须先明白正弦脉宽调制(SPWM) 的基本思想:用一组幅值相等、宽度不等的脉冲来等效一个正弦波。 通过改变脉冲的宽度,可以控制输出基波电压的幅值;通过改变脉冲的频率,可以控制输出基波电压的频率。
二、单极性SPWM
单极性调制是全桥逆变电路中最基础的调制方式之一。
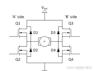
电路拓扑:通常采用全桥电路(H桥),由四个开关管(Q1, Q2, Q3, Q4)组成。
调制方法:
-
载波:采用单极性的等腰三角波。
-
调制波:正弦波。
单极性SPWM对应的4个管子的开关状态是怎样的呢?我们能看出来,在调制波的正半周期输出是+Udc,在调制波的负半周期输出的是-Udc,H桥输出端的电压变化是从+Udc到0,再从0到-Udc,变化幅度相对于双极性来说缩小了一半。
调制波的正半周期:
G3关断,G4导通,此时给G1和G2输入互补的SPWM,输出0~+Udc
调制波的负半周期:
G1关断,G2导通,此时给G3和G4输入互补的SPWM,输出-Udc~0
因此在整个调制波的周期内总有一对管子是不做高频切换的,以调制波的频率切换的,所以开关损耗降低了,进而MOS的发热也会降低。
优点:
1、开关管的开关频率降低了,开关损耗也会降低
2、相比于双极性SPWM,H桥的输出电压变化范围缩小一半
三、双极性SPWM
上文我们说到了H桥电路,我们再来看下双极性SPWM下对应的四个管子分别是什么状态。
H-桥电路
https://blog.csdn.net/qq_39543984/article/details/154457627?spm=1001.2014.3001.5502

双极性调制是另一种全桥逆变电路的调制方式,其控制逻辑更为简单。
电路拓扑:同样是全桥电路。
调制方法:
载波:同样采用双极性的等腰三角波(其值在 +Vc 和 -Vc 之间变化)。
调制波:正弦波。
控制逻辑:非常简洁。将同一对开关管(Q1和Q4)作为一组,(Q2和Q3)作为另一组,进行互补导通。
-
当正弦波值 > 三角波值时,开通 Q1 和 Q4,关断 Q2 和 Q3。输出端电压为
+Vdc。 -
当正弦波值 < 三角波值时,关断 Q1 和 Q4,开通 Q2 和 Q3。输出端电压为
-Vdc。
输出波形特点:
-
输出电压(U_AB)在 +Vdc 和 -Vdc 两个电平之间反复跳变,因此称为“双极性”。
-
输出的脉冲电压只有两种电平:
+Vdc和-Vdc。
优点:
-
控制算法极其简单,易于实现。
-
四只开关管都工作于高频开关状态,动态响应好。
缺点:
-
开关损耗大:所有开关管都在高频下工作,损耗是单极性调制的两倍。
-
输出电压谐波含量较高,主要集中在开关频率及其倍频附近,且幅值较大。
-
电流纹波较大,对滤波器的要求更高。
四、单极性倍频SPWM
单极性倍频调制是对传统单极性调制的一种优化,它结合了前两者的优点。
电路拓扑:全桥电路。
调制方法:
它使用两个相位相反的三角载波(一个正极性,一个负极性)与同一个正弦调制波进行比较。
控制逻辑:
-
用正极性的三角波与正弦波比较,产生桥臂A(Q1, Q2)的驱动信号。
-
用负极性的三角波与正弦波比较,产生桥臂B(Q3, Q4)的驱动信号。
输出波形特点:
-
“倍频”效应的由来:观察输出端电压 U_AB,它的电平跳变时刻是桥臂A和桥臂B开关状态变化的“叠加”。由于两个桥臂的载波相位相反,它们在每个载波周期内会各自动作一次,导致 U_AB 在一个载波周期内发生两次电平跳变。从效果上看,输出电压的等效开关频率是实际器件开关频率的两倍。
-
输出电压波形与单极性类似,在
+Vdc、0、-Vdc之间变化。
优点:
-
在相同的器件开关频率下,可以获得双倍于开关频率的谐波性能。这意味着输出电压的谐波主要集中在
2f_sw(两倍开关频率)附近,更容易被滤除。 -
谐波特性远优于双极性,略优于或等同于传统单极性。
-
开关损耗与传统单极性相同。
缺点:
-
控制逻辑比双极性复杂,需要生成两路反相的载波。
五、总结对比
| 特性 | 单极性SPWM | 双极性SPWM | 单极性倍频SPWM |
|---|---|---|---|
| 输出电压电平 | +Vdc, 0, -Vdc | +Vdc, -Vdc | +Vdc, 0, -Vdc |
| 控制复杂度 | 中等 | 简单 | 较复杂 |
| 开关损耗 | 小(一半开关管高频) | 大(全部开关管高频) | 小(与传统单极性相同) |
| 等效开关频率 | fsw | fsw | 2×fsw |
| 谐波性能 | 好 | 差 | 最好 |
| 输出滤波器 | 较小 | 较大 | 最小 |
| EMI | 较好 | 较差 | 最好 |
| 主要应用 | 对效率和性能要求较高的场合 | 低成本、控制简单的场合 | 对谐波和滤波器体积有严格要求的场合 |
