电力电子技术 第十四章——AC/AC转换器
参考教程:https://www.bilibili.com/video/BV1pS4y1g7D9?spm_id_from=333.788.videopod.episodes&vd_source=8f8a7bd7765d52551c498d7eaed8acd5
一、交流电压控制器
1、单相交流电压控制器
(1)下图所示的是阻性负载的单相交流电压控制器原理图及输入输出波形,其中晶闸管开通时机的相位偏移范围(相位延迟角的操作范围)需满足,对输出波形做傅里叶级数展开即可得到基波分量。

(2)下图所示的是感性负载的单相交流电压控制器原理图及输入输出波形,其中晶闸管开通时机的相位偏移范围(相位延迟角的操作范围)需满足,
段下电路处于“换流”状态,对输出波形做傅里叶级数展开即可得到基波分量。

当时,电路仍可工作,只是负载电流将保持连续变化(不会出现停顿不变的情况),晶闸管无法控制输出电压的大小
2、三相交流电压控制器
下图所示的是几种三相交流电压控制器原理图,其工作原理和单相交流电压控制器相似,此处不再赘述

二、其它交流控制器
1、交流电源控制器
交流电源控制器的电路拓扑结构与交流电压控制器相同,仅仅是控制方法不同,当控制两个晶闸管不导通时,输出电压将被控制为0,否则负载电压和电流均为正弦波

2、交流电力电子交流开关
交流电力电子交流开关的电路拓扑结构与交流电压控制器相同,但并联的晶闸管仅用作开关来控制设备的开启或关闭,设备往往是容性或感性的,它们可以对输入的交流电做相位补偿
交流电力电子交流开关的其中一种应用为晶闸管开关电容器,如下图所示,在电容接入电路时,晶闸管两端的电压必须接近零,在电容断开时,晶闸管上的电流也必须为零,这里说的接入和断开是相对于开关导通和截止而言的

3、交流斩波器
斩波控制原理:一个开关周期内的平均输出电压与该期间的占空比成正比,这也被称为脉宽调制,即上一章中介绍的PWM调制
借助斩波控制原理转换出的输出波形质量更好,谐波分量会更少,如果负载是阻性的,那么转换器的位移因子始终为1

下图所示的是负载为感性的交流斩波器原理图,两个二极管和两个IGBT可构成一个四象限开关,通过对四象限开关的控制,可以实现对输入波形的“切割”

三、晶闸管换流器
1、单相晶闸管换流器
在三相可控整流电路中,晶闸管开通滞后的相位决定了输出电压的大小,
确定,那么电压大小也将确定,但如果
是一个变化的值,那么输出电压的大小也会是变化的,这就是单相晶闸管换流器的工作原理
下图所示的是单相晶闸管换流器原理图,其中P、N各代表一个三相可控整流电路的电路拓扑(仅电路拓扑相同,工作原理是不同的)

下图所示为单相晶闸管换流器的输出波形,不难发现,输出波形相较于输入电压的频率下降了很多,所以单相晶闸管换流器具有降频(或者说分频)的作用

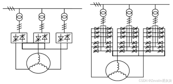
2、三相晶闸管换流器
下图所示的是几种三相晶闸管换流器原理图,其工作原理和单相晶闸管换流器相似,此处不再赘述

四、矩阵变换器
下图所示的是矩阵变换器的原理图,其中三条输入线和三条输出线不直接相连,它们的每个交叉节点都通过一个四象限开关连接

矩阵变换器的输入电压可有如下几种,通过对开关控制逻辑的设计,可以实现不同的转换效果,不局限于AC/AC转换

