FOC采样相电流随电流变大而整体发生偏移原因
最近在使用一款电机开发板时遇到了几个很奇怪的问题:
1、相电流采样范围和理论采样范围不符,芯片是Stm32F103C8T6,电机为12V 2804云台电机,相电流偏置电压1.65V,无电流时ADC值在2000左右,但是增大电流后发现ADC最高只有2700左右,顶峰像被“削平”了一样,且小电流的时候相电流之间的相位差只有不到30度,而不是常规的120度,换了一个电机仍存在上述现象。用示波器观察电压如下图(示波器加了滤波):
采样电阻和PGND: UV两相

单片机ADC输入端和GND: UV两相

后来发现电流采样电路用的是LM358运放,不是轨到轨的,而运放供电又是3.3V,因此ADC采集不到大电流的原因就是因为LM358运放输出电压被“限制”住了,至于小电流两相电流相位差很小的问题可能也和运放有关,后面更换运放为轨到轨LMV358问题解决。程序变量调试 UV两相波形如下:
LM358运放:


BY57BL55S06 BLDC电机:

2、将运放换为轨到轨LMV358又出现了新问题,那就是随着相电流的增大,采集到的相电流整体都会往下偏移,使用VF开环斜坡强拖后采集到的相电流如下图
运放换为轨到轨LMV358:
开环强拖0.5V

开环强拖1.0V

开环强拖2.0V

将母线电阻去掉用焊锡替代后有所好转,但相电流仍存在明显偏移:


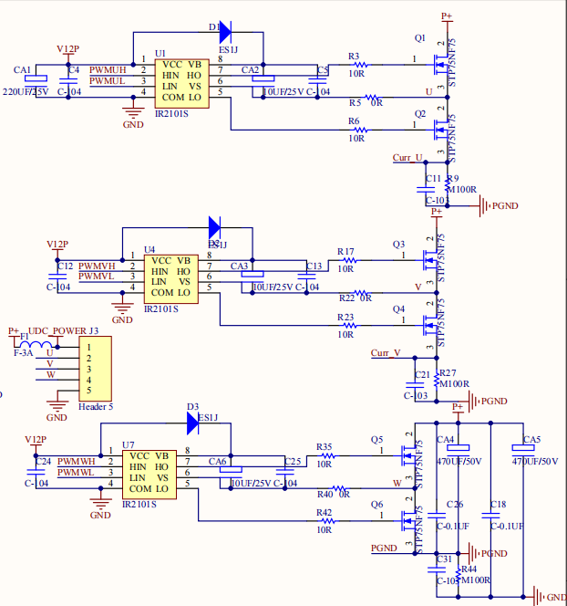
使用的电机开发板采样电路原理图如下:



至于为什么出现相电流偏移的问题我是百思不得其解,最后换了另一块电机驱动板后,还是12V 2804云台电机,VF开环强拖后相电流大致正常,如下:

应该是那块电机开发板硬件电路有问题,具体是什么问题没有深究,在这里做一个记录,以后再遇到这种奇怪的问题可以换一块验证过的电机开发板试试;
