3.3V系统电源自动切换方案全解析:从二极管到三电源无缝切换
3.3V系统电源自动切换方案全解析:从二极管到三电源无缝切换🔌
今天来聊一个嵌入式系统中超实用的话题——电源自动切换。
想象一下:你的设备需要同时支持USB供电、外接适配器和电池,怎么让它智能选择最优电源,还不出现供电中断?这篇文章就带你从基础到进阶,吃透4种电源切换方案,看完就能上手设计!
为什么需要电源自动切换?
在3.3V系统中(比如单片机、传感器模块),我们常遇到多电源场景:
- 插着USB时用USB供电,拔了自动切电池
- 外接适配器优先,没电了无缝切备用电池
- 甚至需要三路电源(主电+备用电池+应急电池)优先级管理
如果切换不及时,轻则系统复位,重则硬件损坏。接下来的方案,从低成本到高可靠性,总有一款适合你!
方案一:二极管切换——性价比之王💰
适用场景:多5V电源(如USB+适配器)
原理超简单:利用二极管的单向导电性,让电压更高的电源“自动胜出”。
电路结构(图1)
+5V_USB +5V_ADAPTER │ │ ▼ ▼ ┌───┐ ┌───┐ │D1 │ │D2 │ (肖特基二极管,压降0.3V) └───┘ └───┘ │ │ └──────┬───────┘ ▼ +3.3V (负载)
图1:二极管并联电源切换电路
(二极管可选普通二极管(压降0.7V)或肖特基二极管(压降0.3V),后者更适合对电压敏感的场景)
优点:
- 零成本!两个二极管就能搞定
- 支持多路扩展(3路、4路电源并联都可以)
缺点:
- 有固定压降(0.3~0.7V),不适合电池供电(会浪费电量)
- 无法设置优先级(只能按电压高低切换)
💡 小提示:如果电源电压接近(比如USB 5V和适配器5.1V),建议用肖特基二极管,减少因压降导致的误切换。
方案二:MOS管切换电路——无缝切换的核心🔧
二极管虽便宜,但压降和优先级问题让人头疼。这时候,MOS管切换电路登场!它能做到“零压降”(接近)和灵活的优先级控制,是电池+外部电源场景的首选。
2.1 经典电路:USB与电池无缝切换
适用场景:5V USB和3.7V锂电池(需升压到5V)的双电源系统
电路结构(图2)

图2:经典PMOS电源切换电路
工作原理:
当VBUS有电,Vgs>0,PMOS管截止,而且VBUS>VBAT,PMOS体二极管反接,故VBAT和VCC断开,负载由 VBUS 供电;
当VBUS没电,VBAT先通过PMOS的体二极管或D2导通,S极电压为VBAT-二极管压降,Vgs<0,PMOS导通,负载由 VBAT供电;
此外D2为肖特基二极管,可以在VBUS断电的时候,VBAT迅速供电,做到无缝切换,一般在使用的时候都是根据自己的情况调整一些元器件使得能够实现无缝自动切换
- BUS供电时:+5V_BUS电压 > +5V_BAT,PMOS的G极接BUS,Vgs>0(PMOS截止条件),电池被断开,负载由BUS供电。
- BUS断电时:PMOS的G极电压下降,Vgs<0(PMOS导通条件),电池通过PMOS给负载供电,D2确保切换瞬间无断电(无缝!)。
无缝切换的5个关键参数⚠️
- MOS管阈值电压:选Vth绝对值小的(如-1V),更容易导通
- 下拉电阻R1:10kΩ最佳!太小耗电,太大导通慢
- 负载端滤波电容:至少100uF!断电瞬间靠电容放电维持供电
- USB端不加电容:避免USB断电后电压下降慢,导致切换延迟
- 负载功耗:功耗越大,电容要越大(比如2A负载建议470uF以上)
2.2 经典升级:放宽电源压差限制
如果BUS和电池电压接近(比如都是5V),经典电路可能失效。升级方案用两个MOS管(Q1+Q2),让压差0.5V内也能切换(图3)。
核心逻辑:
- BUS有电时,Q1截止、Q2截止,BUS直接供电
- BUS断电时,Q1导通、Q2导通,电池供电
图3:压差优化型MOS管切换电路
(电路中Q1为PMOS,Q2为NMOS,通过电压比较控制导通)

2.3 再升级:主备电源优先级控制
需要明确“主电源优先”时(比如Vin1为主电,Vin2为备用),可以用三MOS管电路(图4)。
核心逻辑:
- Vin1有电时,Q1导通→Q2导通→Q3截止,负载用Vin1
- Vin1断电时,Q1截止→Q2截止→Q3导通,负载切到Vin2
当 Vin1 和 Vin2 都有电的时候会使用Vin1,只要有 Vin1 ,Q1导通使得 Q2 的 G 极接地,然后Q2也导通,Q3的 G极连接 VIn1,S极基本也是Vin1(比Vin1小一点点,几十mV),所以Q3截止,Vout 来自 Vin1。
图4:主备电源优先级切换电路

方案三:电源切换芯片——省心但费钱💸
如果追求极致性能(比如医疗设备、工业控制),可以直接上电源切换芯片。
优点:
- 几乎零压降(<10mV)
- 切换时间快(<100ns)
- 自带过流保护
经典型号:LTC441x系列(如LTC4412)
典型应用电路(图5):
VCC1 (主电) ───┐ ├─ LTC4412 ─── VOUT (负载) VCC2 (备电) ───┘
图5:LTC4412双电源切换电路
缺点:
- 成本高(单芯片¥10+,比MOS管贵10倍)
- 外围需配电容、电阻,不如二极管简单
扩展:三电源切换——复杂场景全搞定🔋
当你需要“外部电源 > 大容量电池 > 小容量电池”的优先级时,三电源切换电路就能派上用场!
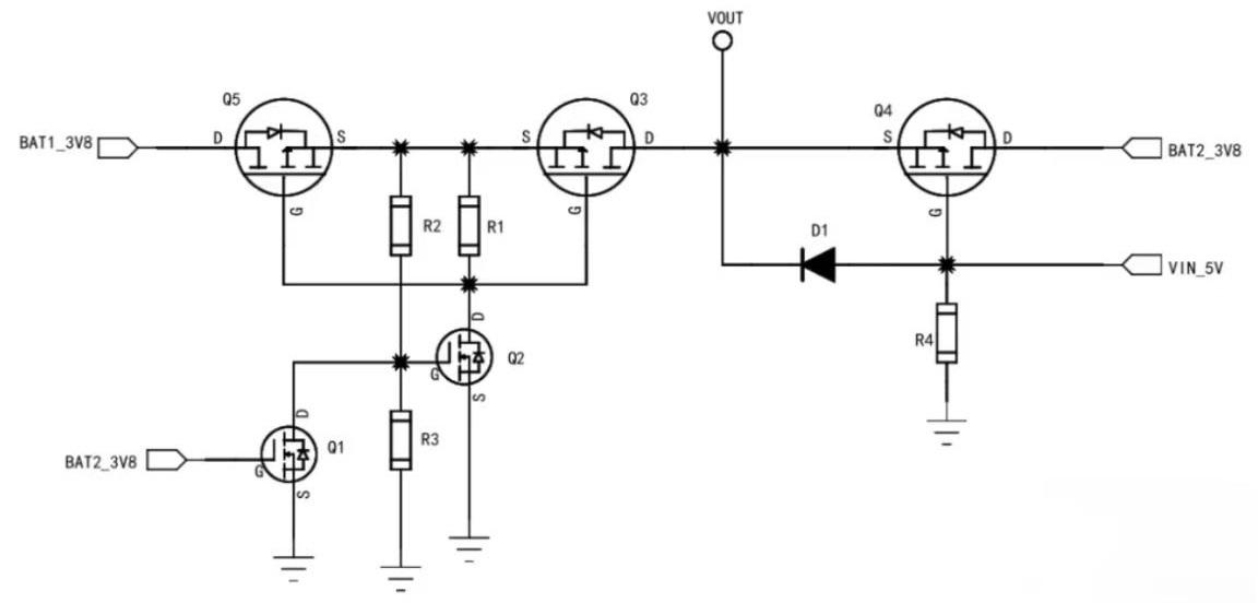
电路结构(图6)

图6:三电源优先级切换电路(含5个MOS管和1个二极管)
电路描述
1、Q1、Q2为NMOS,Q3、Q4和Q5为PMOS管,D1为二极管。
2、BAT1和BAT2为电池,BAT2的容量比BAT1大,VIN_5V为外部电源,VOUT为输出,给系统供电。
3、VOUT会从优先级高的电源取电,优先用外部电源,其次容量大的电池,最后才是容量较小的电池,优先级排序:VIN_5V > BAT2 > BAT1。
工作原理
1、当只有BAT1时,Q2、Q3和Q5导通,VOUT从BAT1取电。
2、当只有BAT2时,Q1导通,Q2、Q3和Q5截止,Q4导通,VOUT从BAT2取电。
3、当只有VIN_5V时,VIN_5V通过二极管D1到VOUT,VOUT从VIN_5V取电。
4、当BAT2和BAT1同时存在,Q1导通,Q2、Q3和Q5截止,Q4导通,VOUT从BAT2取电。
5、当VIN_5V和BAT2同时存在,Q1导通,Q2、Q3和Q5截止;VIN_5V通过D1到VOUT,BAT2通过Q4的体二极管到VOUT,因为VIN_5V较大,VOUT从VIN_5V取电。
6、当VIN_5V和BAT1同时存在,Q2、Q3和Q5导通,BAT1到VOUT,VIN_5V通过二极管D1到VOUT,因为VIN_5V较大,VOUT从VIN_5V取电。
7、当BAT1、BAT2和VIN_5V同时存在,参考4&5,VOUT从VIN_5V取电。
核心优先级:VIN_5V > BAT2 > BAT1
7种工作状态全解析(以“谁供电”为核心):
- 只有BAT1:Q2/Q3/Q5导通,BAT1供电
- 只有BAT2:Q1导通/Q4导通,BAT2供电
- 只有VIN_5V:通过D1直接供电
- BAT1+BAT2:BAT2优先(节省小电池电量)
- VIN_5V+BAT2:VIN_5V优先(BAT2待命)
- VIN_5V+BAT1:VIN_5V优先(BAT1待命)
- 三路都有:VIN_5V供电,BAT1/BAT2都不耗电
这个电路可以做到:三电源中任一电源存在,电路即可工作;两两电源存在,优先级高电源给系统供电,节省优先级低电源的电量;三电源同时存在,同时节省两路电池电量;两两电源或者三电源同时存在时,优先级高的电源断电,优先级低的电源会续上。
总结:怎么选方案?一张表搞定📊
| 方案 | 成本 | 压降 | 复杂度 | 适用场景 |
|---|---|---|---|---|
| 二极管切换 | ¥0.1 | 0.3~0.7V | 简单 | 多5V电源,允许压降 |
| MOS管经典电路 | ¥1~3 | <0.1V | 中等 | USB+电池,无缝切换 |
| 电源切换芯片 | ¥10+ | <0.01V | 简单 | 医疗/工业,零压降需求 |
| 三电源切换 | ¥5~8 | <0.1V | 复杂 | 多电池优先级管理(如户外设备) |
动手试试吧!
电源切换是硬件设计的“基本功”,建议从经典MOS管电路开始实践:
- 用AO3401 PMOS管搭电路
- 测USB拔插时的输出电压(用示波器看是否有跌落)
- 调整滤波电容大小,观察切换稳定性
如果遇到问题,欢迎在评论区留言,我们一起debug!
