MC SDK V6.x 软件HSO功能ADC采样设计说明 LAT1560
关键字:马达控制,HSO,采样硬件
1. 前言
在最新的马达控制软件MC SDK V6.x中集成了新的无传感观测器算法HSO(High Sensitivity Observer),这种观测器兼顾了马达高速,低速运行过程中的观测速度以及电机角度 的准确输出,具有高灵敏度,是ST在无传感电机控制领域的又一项突破,最新的HSO观测器对 电机控制的硬件有更多的要求,本文就HSO的硬件设计做必要说明。
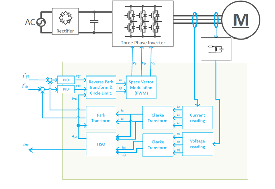
2. HSO控制框图
从下面框图上可以看到HSO算法基于电流以及端电压的输入,因此对于电流以及电压 的采样对整个观测器输入尤为关键。

3. 电流采样硬件
三电阻或者单电阻的Shunt电流采样,需要采用开尔文连接方式,实际是个四线连接, 主电流通过Shunt电阻,而辅助电流经过旁路进入运放,辅助电流可以忽略,这样主电流 在shunt电阻上形成的电压真实反应到了测试端。
图1. 开尔文电流采样电路

这个电路前端有滤波电路,滤波参数推荐为300KHz,后面接入ADC部分可以适当滤 波,当然需要注意滤波参数以及ADC RAIN的选择,后级滤波电容要靠近MCU管脚放 置。参考电路如B-G473E-ZEST1S中所示的电流采样电路(截止频率159KHz,15倍放 大,偏移电平1.65V)连接。
图2. B-G473E-ZEST1S 电流采样电路

4. 端电压采样硬件
端电压的采样是HSO算法需要的电路,要考虑对端电压的分压以及滤波电路,滤波截 止频率推荐为500Hz,参考电路如STEVAL-LVLP01中的端电压采样电路(最大端电压 83.7V,截止频率518Hz)。
图3. 端电压采样参考电路

5. 关于HSO采样MCU的ADC分配原则
因为要同时采样电流和端电压信号,强烈建议使用2个以上独立ADC模块进行采样,最好是 有3个独立ADC模块,STM32G431有两个独立ADC模块,STM32G491有三个独立ADC模 块,STM32G473有五个独立ADC模块,这几个STM32G4芯片都可以符合采样要求。
5.1. 电流电压采样机制
一个PWM周波内需要有只是两个有效电流信号以及三相端电压信号,因此在一个PWM周波 内会触发四次ADC采样,对于每个独立的ADC模块,取一个有效的电流值,取四个端电压值做 平均。注意ADC端口的分配。这边会用到辅助TIMER做为ADC触发信号,辅助TIMER同步于 PWM信号,频率为PWM波的4倍,ADC触发配置CCR1进行触发。
5.2. 三个独立ADC模块采样
分配给每个ADC模块都是一个电流信号,一个电压信号。
图4. 三个独立ADC模块采样机制

5.3. 两个独立ADC模块采样
两个独立ADC模块,一个ADC模块上分配2个电流信号,1个电压信号;另外一个 ADC模块分配1个电流信号,2个电压信号。
图5. 两个独立ADC模块采样机制

6. 总结
在使用MC SDK V6.x的HSO功能时候,因相电流和端电压都需要进行采样,对于 ADC采样硬件以及MCU管脚分配有一定要求,可以参考本文进行配置。
意法半导体公司及其子公司 (“ST”)保留随时对 ST 产品和 / 或本文档进行变更的权利,恕不另行通知。买方在订货之前应获取关于 ST 产品 的最新信息。 ST 产品的销售依照订单确认时的相关 ST 销售条款。 买方自行负责对 ST 产品的选择和使用, ST 概不承担与应用协助或买方产品设计相关的任何责任。 ST 不对任何知识产权进行任何明示或默示的授权或许可。 转售的 ST 产品如有不同于此处提供的信息的规定,将导致 ST 针对该产品授予的任何保证失效。 ST 和 ST 徽标是 ST 的商标。若需 ST 商标的更多信息,请参考 www.st.com/trademarks。所有其他产品或服务名称均为其 各自所有者的财 产。 本文档是ST中国本地团队的技术性文章,旨在交流与分享,并期望借此给予客户产品应用上足够的帮助或提醒。若文中内容存有局限或与ST 官网资料不一致,请以实际应用验证结果和ST官网最新发布的内容为准。您拥有完全自主权是否采纳本文档(包括代码,电路图等)信息,我 们也不承担因使用或采纳本文档内容而导致的任何风险。 本文档中的信息取代本文档所有早期版本中提供的信息。 © 2020 STMicroelectronics - 保留所有权利
