c++中list详解
C++中list详解
文章目录
- C++中list详解
- 1、list的介绍和使用
- 1.1 list的介绍
- 1.2 list的使用
- 1.2.1 list的构造
- 1.2.2 list iterator
- 1.2.3 list capacity
- 1.2.4 list element access
- 1.2.5 list modifiers
- 1.2.6 list迭代器失效
- 2、list的模拟实现
- 2.1 模拟实现list
- 2.2 list的反向迭代器
- 3.list与vector的对比
1、list的介绍和使用
1.1 list的介绍
list的文档介绍

1.2 list的使用
list中的接口比较多,此处类似,只需要掌握如何正确的使用,然后再去深入研究背后的原理,已达到可扩展的能力。以下为list中一些常见的重要接口。
1.2.1 list的构造
| 构造函数 | 接口说明 |
|---|---|
| lsit(size_type n, const value_type& val = value_type()) | 构造的list中包含n个值得为val的元素 |
| list() | 构造空的list |
| list(const list& x) | 拷贝构造函数 |
| list(inputlterator first, inputlterator last) | 用[list,last]区间中的元素构造list |
list的构造使用代码演示
1、list(size_type n, const value_type& val = value_type())
可以使用此构造函数来创建一个有 n 个元素的链表,并初始化每个元素的值为 val。如果没有提供 val,则使用 value_type() 进行默认初始化。
#include <iostream>
#include <list>
using namespace std;int main() {// 创建一个包含 5 个元素,每个元素初始化为 10 的 listlist<int> l1(5, 10); // 初始化为 10cout << "l1: ";for (int x : l1) cout << x << " "; // 输出:10 10 10 10 10cout << endl;// 创建一个包含 3 个默认初始化的元素(值为 0)的 listlist<int> l2(3); // 默认初始化,元素值为 0cout << "l2: ";for (int x : l2) cout << x << " "; // 输出:0 0 0cout << endl;return 0;
}

2、list()
该构造函数创建一个没有任何元素的空链表。
#include <iostream>
#include <list>
using namespace std;int main() {// 创建一个空的 listlist<int> l3;cout << "l3 (empty list): ";if (l3.empty()) cout << "empty"; // 输出:emptycout << endl;return 0;
}

3、list(const list& x)
通过拷贝一个已有的 std::list 来创建一个新的链表,它会复制源链表中的所有元素。
#include <iostream>
#include <list>
using namespace std;int main() {// 创建一个包含 3 个元素的 listlist<int> l4(3, 5); // {5, 5, 5}// 使用拷贝构造函数创建一个新的 listlist<int> l5 = l4; // 拷贝 l4 到 l5cout << "l4: ";for (int x : l4) cout << x << " "; // 输出:5 5 5cout << endl;cout << "l5 (copied from l4): ";for (int x : l5) cout << x << " "; // 输出:5 5 5cout << endl;return 0;
}

4、list(input_iterator first, input_iterator last)
通过输入迭代器定义一个区间,将该区间的所有元素添加到新的 std::list 中。可以通过迭代器来指定要从哪开始,哪里结束。
#include <iostream>
#include <list>
#include <vector>
using namespace std;int main() {// 使用 vector 构造 listvector<int> v = { 1, 2, 3, 4, 5 };// 使用 input_iterator 构造 listlist<int> l6(v.begin(), v.end()); // 通过 vector 的迭代器初始化 listcout << "l6: ";for (int x : l6) cout << x << " "; // 输出:1 2 3 4 5cout << endl;return 0;
}

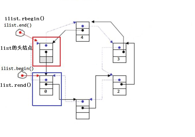
1.2.2 list iterator
此处,大家可暂时将迭代器理解成一个指针,该指针指向list中的某一个节点
| 函数声明 | 接口说明 |
|---|---|
| begin + end | 返回第一个元素的迭代器+返回最后一个元素下一个位置的迭代器 |
| rebegin + rend | 返回第一个元素的reverse_iterator,即end位置,返回最后一个元素下一个位置的reverse_iterator |

[!CAUTION]
- begin与end为正向迭代器,对迭代器执行++操作,迭代器向后移动
- rbegin(end)与rend(begin)为反向迭代器,对迭代器执行++操作,迭代器向前移动
#include <iostream>
#include <list>
#include <algorithm> // find, for_each
#include <iterator> // next, prev, advance
using namespace std;int main() {// 1) 基本:获取迭代器并遍历(可修改)list<int> a{ 1,2,3,4,5 };cout << "[1] 原始 a: ";for (auto x : a) cout << x << ' '; cout << '\n';// begin()/end() 返回 iterator,可修改元素for (auto it = a.begin(); it != a.end(); ++it) {*it *= 10; // 修改元素}cout << "[1] 修改后 a: ";for (auto x : a) cout << x << ' '; cout << '\n';// 2) 只读遍历:const_iterator / cbegin()/cend()const list<int>& ca = a; // 引用成 const,或使用 cbegin()/cend()cout << "[2] 只读遍历 ca: ";for (list<int>::const_iterator it = ca.cbegin(); it != ca.cend(); ++it) {// *it = 0; // ❌ 编译错误:const_iterator 不能修改cout << *it << ' ';}cout << '\n';// 3) 反向遍历:reverse_iterator / rbegin()/rend()cout << "[3] 反向遍历 a: ";for (auto rit = a.rbegin(); rit != a.rend(); ++rit) {cout << *rit << ' ';}cout << '\n';// 4) 借助迭代器插入:insert 在 it 前插入;使用 std::find 定位 it// 注意:list 的插入不会使其他迭代器失效(除了指向被擦除的那个)auto it3 = find(a.begin(), a.end(), 30);if (it3 != a.end()) {// 在 30 前面插入 25、26a.insert(it3, { 25, 26 });}cout << "[4] insert 前置插入: ";for (auto x : a) cout << x << ' '; cout << '\n';// 5) 借助迭代器删除:erase(it) 返回删除元素后的“下一个”迭代器// 安全的“边遍历边删除”写法// 目标:删除能被 20 整除的元素for (auto it = a.begin(); it != a.end(); /* no ++ here */) {if (*it % 20 == 0) {it = a.erase(it); // 使用返回值接住下一个位置}else {++it;}}cout << "[5] 边遍历边删除(删%20==0): ";for (auto x : a) cout << x << ' '; cout << '\n';// 6) 使用 std::next / std::prev / advance 移动迭代器// next(it, n) 返回新迭代器,不改原 it;advance 会原地移动 itauto itBegin = a.begin();auto itAfter1 = next(itBegin, 1); // 向后移动 1// prev 需要确保不越过 begin()auto itLast = a.empty() ? a.end() : prev(a.end(), 1);cout << "[6] next/prev 示例: \n";if (itAfter1 != a.end()) cout << " next(begin,1): " << *itAfter1 << '\n';if (itLast != a.end()) cout << " prev(end,1): " << *itLast << '\n';// advance 原地移动auto itAdv = a.begin();if (!a.empty()) {advance(itAdv, min<size_t>(2, a.size() - 1)); // 最多前进到倒数第二cout << " advance 到位置值: " << *itAdv << '\n';}// 7) 结合算法 + 迭代器:for_each 只读/可改都行(这里演示输出)cout << "[7] for_each 输出: ";for_each(a.begin(), a.end(), [](int v) { cout << v << ' '; });cout << '\n';// 8) 与 insert/erase 组合:在指定位置批量插入与删除// 在表头后插入两个元素 111, 222,然后删除表头后的那个元素if (!a.empty()) {auto pos = next(a.begin()); // 表头的后一个位置a.insert(pos, { 111, 222 }); // 在 pos 前插入 -> 插到第2个位置cout << "[8] 批量插入结果: ";for (auto x : a) cout << x << ' '; cout << '\n';pos = next(a.begin()); // 重新获取第二个位置pos = a.erase(pos); // 删除第二个元素,pos 现在指向“新”第二个cout << " 删除后指向的值(若存在): ";if (pos != a.end()) cout << *pos << '\n'; else cout << "(end)\n";cout << " 删除后列表: ";for (auto x : a) cout << x << ' '; cout << '\n';}// 9) const_reverse_iterator:只读的反向迭代器const list<int>& ca2 = a;cout << "[9] const reverse 遍历: ";for (list<int>::const_reverse_iterator crit = ca2.crbegin();crit != ca2.crend(); ++crit) {cout << *crit << ' ';}cout << '\n';// 10) 与字符串 list 简单演示(结合 find/insert/erase)list<string> names{ "Bob","Alice","Tom" };auto itAlice = find(names.begin(), names.end(), "Alice");if (itAlice != names.end()) {names.insert(itAlice, "Zoe"); // 在 Alice 前}// 删除 "Tom"auto itTom = find(names.begin(), names.end(), "Tom");if (itTom != names.end()) names.erase(itTom);cout << "[10] names: ";for (const auto& s : names) cout << s << ' '; cout << '\n';// 小贴士:不要解引用 end();不要在 erase 之后继续使用被删迭代器;// list 的插入/拼接(splice)不会使其他迭代器失效(被删元素的迭代器除外)。return 0;
}

1.2.3 list capacity
| 函数声明 | 接口说明 |
|---|---|
| empty | 检测list是否为空,返回true,否则返回false |
| size | 返回list中有效节点的个数 |
1.2.4 list element access
| 函数声明 | 接口说明 |
|---|---|
| front | 返回list的第一个节点中引用值的引用 |
| back | 返回list的最后一个节点中值的引用 |
1.2.5 list modifiers
| 函数声明 | 接口说明 |
|---|---|
| push front | 在list首元素前插入值为val的元素 |
| pop front | 删除list中第一个元素 |
| push back | 在list尾部插入值为val的元素 |
| pop back | 删除list中最后一个元素 |
| insert | 在list position 位置中插入值为val的元素 |
| erase | 删除list position位置的元素 |
| swap | 交换两个list中的元素 |
| clear | 清空list中的有效元素 |
list的插入和删除代码演示
#include <iostream>
#include <list>
using namespace std;int main() {// 创建一个空链表list<int> myList;// 在链表尾部插入元素myList.push_back(10);myList.push_back(20);myList.push_back(30);// 在链表头部插入元素myList.push_front(5);// 打印链表cout << "After push_back and push_front operations: ";for (int val : myList) {cout << val << " ";}cout << endl;// 删除链表头部的元素myList.pop_front();cout << "After pop_front operation: ";for (int val : myList) {cout << val << " ";}cout << endl;// 删除链表尾部的元素myList.pop_back();cout << "After pop_back operation: ";for (int val : myList) {cout << val << " ";}cout << endl;// 使用 insert 在链表中间插入元素auto it = myList.begin();advance(it, 1); // 移动到链表的第二个位置myList.insert(it, 15); // 在第二个位置插入 15cout << "After insert operation: ";for (int val : myList) {cout << val << " ";}cout << endl;// 使用 erase 删除链表中的第二个元素it = myList.begin();advance(it, 1); // 移动到链表的第二个位置myList.erase(it); // 删除第二个元素cout << "After erase operation: ";for (int val : myList) {cout << val << " ";}cout << endl;// 清空链表myList.clear();cout << "After clear operation, size of list: " << myList.size() << endl;return 0;
}

1.2.6 list迭代器失效
前面说过,此处大家可将迭代器暂时理解成类似于指针,迭代器失效即迭代器所指向的节点的无效,即该节点被删除了。因为list的底层结构为带头结点的双向循环链表,因此在list中进行插入时是不会导致list的迭代器失效的,只有在删除时才会失效,并且失效的只是指向被删除节点的迭代器,其他迭代器不会受到影响。
void TestListIterator1()
{int array[] = { 1, 2, 3, 4, 5, 6, 7, 8, 9, 0 };list<int> l(array, array + sizeof(array) / sizeof(array[0]));auto it = l.begin();while (it != l.end()){// erase()函数执行后,it所指向的节点已被删除,因此it无效,在下一次使用it时,必须先给其赋值l.erase(it);++it;}
}
// 改正
void TestListIterator()
{int array[] = { 1, 2, 3, 4, 5, 6, 7, 8, 9, 0 };list<int> l(array, array + sizeof(array) / sizeof(array[0]));auto it = l.begin();while (it != l.end()){l.erase(it++); // it = l.erase(it);}
}
2、list的模拟实现
2.1 模拟实现list
要模拟实现list,必须要熟悉list的底层结构以及其接口的含义,通过上面的学习,这些内容已基本掌握,现在我们来模拟实现list。
#include <iostream>
using namespace std;// 节点结构体
template <typename T>
struct Node {T data; // 节点存储的数据Node* next; // 指向下一个节点的指针Node* prev; // 指向前一个节点的指针Node(T val) : data(val), next(nullptr), prev(nullptr) {}
};// 双向链表类
template <typename T>
class MyList {
private:Node<T>* head; // 链表的头指针Node<T>* tail; // 链表的尾指针int size; // 链表的大小public:// 构造函数MyList() : head(nullptr), tail(nullptr), size(0) {}// 析构函数~MyList() {clear();}// 插入元素到链表末尾void push_back(T val) {Node<T>* newNode = new Node<T>(val);if (tail == nullptr) {head = tail = newNode; // 如果链表为空} else {tail->next = newNode;newNode->prev = tail;tail = newNode;}size++;}// 插入元素到链表头部void push_front(T val) {Node<T>* newNode = new Node<T>(val);if (head == nullptr) {head = tail = newNode; // 如果链表为空} else {newNode->next = head;head->prev = newNode;head = newNode;}size++;}// 删除链表末尾的元素void pop_back() {if (tail == nullptr) return; // 空链表Node<T>* temp = tail;tail = tail->prev;if (tail) {tail->next = nullptr;} else {head = nullptr; // 如果链表只有一个元素}delete temp;size--;}// 删除链表头部的元素void pop_front() {if (head == nullptr) return; // 空链表Node<T>* temp = head;head = head->next;if (head) {head->prev = nullptr;} else {tail = nullptr; // 如果链表只有一个元素}delete temp;size--;}// 遍历并打印链表元素void print() {Node<T>* current = head;while (current != nullptr) {cout << current->data << " ";current = current->next;}cout << endl;}// 获取链表的大小int get_size() const {return size;}// 清空链表void clear() {while (head != nullptr) {pop_front();}}// 获取链表的头节点Node<T>* get_head() const {return head;}// 获取链表的尾节点Node<T>* get_tail() const {return tail;}
};int main() {MyList<int> list;// 插入元素list.push_back(10);list.push_back(20);list.push_front(5);list.push_back(30);// 打印链表cout << "List elements: ";list.print();// 删除元素list.pop_front(); // 删除头部元素list.pop_back(); // 删除尾部元素cout << "After pop operations, list elements: ";list.print();// 输出链表大小cout << "Size of list: " << list.get_size() << endl;// 清空链表list.clear();cout << "After clearing, size of list: " << list.get_size() << endl;return 0;
}

2.2 list的反向迭代器
通过前面例子知道,反向迭代器的++就是正向迭代器的–,反向迭代器的–就是正向迭代器的++,因此反向迭代器的实现可以借助正向迭代器,即:反向迭代器内部可以包含一个正向迭代器,对正向迭代器的接口进行包装即可。
template<class Iterator>
class ReverseListIterator
{// 注意:此处typename的作用是明确告诉编译器,Ref是Iterator类中的类型,而不是静态成员变量// 否则编译器编译时就不知道Ref是Iterator中的类型还是静态成员变量// 因为静态成员变量也是按照 类名::静态成员变量名 的方式访问的
public:typedef typename Iterator::Ref Ref;typedef typename Iterator::Ptr Ptr;typedef ReverseListIterator<Iterator> Self;
public://////////////////////////////////////////////// 构造ReverseListIterator(Iterator it) : _it(it) {}//////////////////////////////////////////////// 具有指针类似行为Ref operator*() {Iterator temp(_it);--temp;return *temp;}Ptr operator->() { return &(operator*()); }//////////////////////////////////////////////// 迭代器支持移动Self& operator++() {--_it;return *this;}Self operator++(int) {Self temp(*this);--_it;return temp;}Self& operator--() {++_it;return *this;}Self operator--(int){Self temp(*this);++_it;return temp;}//////////////////////////////////////////////// 迭代器支持比较bool operator!=(const Self& l)const { return _it != l._it; }bool operator==(const Self& l)const { return _it != l._it; }Iterator _it;
};
3.list与vector的对比
vector与list都是STL中非常重要的序列式容器,由于两个容器的底层结构不同,导致其特性以及应用场景不同,其主要不同如下:
| vector | list | |
|---|---|---|
| 底 层 结 构 | 动态顺序表,一段连续空 | 带头结点的双向循环链表 |
| 随 机 访 问 | 支持随机访问,访问某个元素效率O(1) | 不支持随机访问,访问某个元 素效率O(N) |
| 插 入 和 删 除 | 任意位置插入和删除效率低,需要搬移元素,时间 复杂度为O(N),插入时有可能需要增容,增容: 开辟新空间,拷贝元素,释放旧空间,导致效率更 低 | 任意位置插入和删除效率高, 不需要搬移元素,时间复杂度 为O(1) |
| 空 间 利 用 率 | 底层为连续空间,不容易造成内存碎片,空间利用 率高,缓存利用率高 | 底层节点动态开辟,小节点容 易造成内存碎片,空间利用率 低,缓存利用率低 |
| 迭 代 器 | 原生态指针 | 对原生态指针(节点指针)进行 封装 |
| 迭 代 器 失 效 | 在插入元素时,要给所有的迭代器重新赋值,因为 插入元素有可能会导致重新扩容,致使原来迭代器 失效,删除时,当前迭代器需要重新赋值否则会失 效 | 插入元素不会导致迭代器失 效,删除元素时,只会导致当 前迭代器失效,其他迭代器不 受影响 |
| 使 用 场 景 | 需要高效存储,支持随机访问,不关心插入删除效 率 | 大量插入和删除操作,不关心 随机访问 |
|
