当前位置: 首页 > news >正文

基于单片机智能水产养殖系统设计(论文+源码)

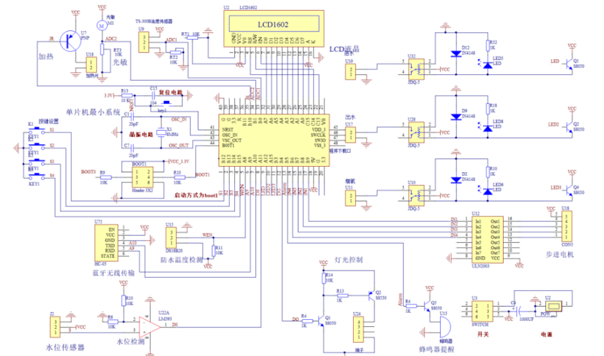
1 系统方案设计
根据系统设计需求,对智能水产养殖系统总体方案展开详细设计。如图所示为系统设计总框架,系统以STM32单片机作为主控制器,通过DS18B20温度传感器、水位传感器、TSW-30浊度传感器、光照传感器实现水产养殖环境中水温、水位、水浊度、光照的数据检测,通过DHT11温湿度传感器、光敏电阻实现养殖环境温湿度和光照强度检测。系统检测到的实时数据不仅可以通过LCD液晶实时显示,还可以通过蓝牙无线通信模块传输至手机APP端,实现养殖环境的远程监控和管理。用户可在软件端设定检测数据的阈值范围,当检测到水质异常时自动进行增氧换水,当水位太低时自动进行加水,当光照不足时进行照明补光,并且通过步进电机实现喂食功能。

2.电路图

http://www.dtcms.com/a/478781.html

相关文章:

  • 关于STM32L051单片机(Stop)休眠唤醒后初始化USART2,单片机死机问题
  • 做网站的一些好处科技类网站简介怎么做
  • xgboost参数含义以及应付金融数据中的类别不平衡的套路
  • 养殖类网站模板建筑设计网站排行榜
  • Cursor 对话技巧 【Prompt 模板与全局通用规则】
  • 按键控制LED灯
  • 打工人日报#202510012
  • 网站备案 做网站东莞有互联网企业吗
  • 涪城移动网站建设如何自己学建设网站
  • codeforces round1057(div2)AB题解
  • 【ADS】【python基础】jupyter notebook环境极简搭建
  • 【办公类-115-05】20250920职称资料上传04——PDF和PDF合并PDF、图片和PDF合并PDF(十三五PDF+十四五图片)
  • MySQL分库分表方案及优缺点分析
  • 存储引擎(MySQL体系结构、InnoDB、MyISAM、Memory区别及特点、存储引擎的选择方案)
  • 星外网站开发苏州网络推广
  • 怎么做网站横幅建设工程协会网站查询系统
  • 1NumPy 常用代码示例
  • 【工业场景】用YOLOv8实现行人识别
  • 新手玩Go协程的一些小坑
  • STM32的VDD和VSS,VDDA和VSSA,REF+与REF-。
  • 基于STM32的智能门禁系统(论文+源码)
  • 新乡网站建设价格怎么做网站模块
  • 中小企业建设网站补贴企业网站推广的重要性
  • 信息比率诊断工具开发量化评估ETF网格择时能力有效性
  • 栏位索引超过许可范围:4,栏位数:3。; nested exception is org.postgresql.util.PSQLException
  • 厦门网站建设哪家强徐州58同城网
  • 如何进行新产品的推广网站seo技术
  • Dioxus状态管理
  • 微调高级推理大模型(COT)的综合指南:从理论到实践
  • 做美食分享网站源码wordpress网址一大串