当前位置: 首页 > news >正文

auracast音箱-新标准新体验

 蓝牙技术自问世以来,不断演进,持续为我们的生活带来便利与创新。蓝牙 LE Audio(低功耗蓝牙音频)作为蓝牙音频技术的重要发展阶段,引入了一系列令人瞩目的新特性,其中 Auracast 广播音频技术更是备受关注。Auracast 是蓝牙特别兴趣小组(SIG)基于蓝牙 LE Audio 开发的一项突破性技术,它彻底改变了传统蓝牙一对一或有限多连接的音频传输模式,构建了全新的一对多蓝牙音频广播体系,为用户带来前所未有的音频体验。

Auracast 的核心在于其独特的广播模式。在传统蓝牙音频传输中,设备之间需要进行一对一的配对连接,这极大地限制了音频分享的范围和效率。而 Auracast 允许单个音频源设备,如电视、智能手机、公共广播系统或电脑等,同时向周围范围内数量不限的兼容接收设备广播音频流。这些接收设备涵盖了各类支持蓝牙 LE Audio 的耳机、耳塞、助听器以及其他音频接收装置。​

具体运行时,Auracast 基于蓝牙 LE Audio 的公共广播配置文件(PBP)规范展开工作。音频发射端会发出携带音频流以及相关元数据的广播通告。附近配备 Auracast 辅助功能的设备,如某些智能手机应用,能够探测到这些通告信息。用户通过该应用,可以获取到当前周边可用的音频流列表,在选定感兴趣的音频流后,接收设备无需像传统蓝牙连接那样进行繁琐的配对流程,就能立即接入广播音频,整个过程如同连接 Wi-Fi 网络一般便捷。此外,用户还可以通过扫描二维码、轻触设备等简单操作方式,快速加入广播,进一步简化了使用步骤,提升了用户体验的便捷性。​

要使用 Auracast 技术,设备需满足一定条件,即支持蓝牙 5.2 及以上版本,并且符合 LE Audio 规范。随着蓝牙技术的广泛普及和不断发展,越来越多的设备正逐步满足这些要求,为 Auracast 的大规模应用奠定了坚实基础。

Auracast 优势:

1.    提升音频可及性:助力听力障碍者通过助听器等设备,在嘈杂场所清晰接收音频,减少信息获取障碍与使用污名化。​

2.    支持多语言与多内容:可同时广播多语言音频流,同一空间不同区域也能传输不同内容,适配多样化需求。​

3.    个性化聆听体验:用户能自主调节音量、切换音频流,在共享场景中兼顾个人需求与他人感受。​

4.    低成本高效部署:基于标准蓝牙协议,无需大规模改造现有设备,通过软件升级即可支持,降低应用门槛。​

5.    优化音质与低延迟:依托 LC3 编解码器,低比特率下保持好音质,且传输延迟低,适配高清视频、实时互动等场景

QCC3095方案实现auracast音箱:

1. 首先需要准备代码环境,在高通官网上,下载QMDE、Toolkit、Source code等。安装完之后启动QMDE,选择加载工程,并选择对应的toolkit

2. 默认工程是默认打开auracast功能,可以在配置中再确认有没有宏定义

想要APTX等高品质编码在正常模式下正常使用,可参考:蓝牙 | 软件:不被定义的传统蓝牙转auracast

3. 进行rebuild

4. 此时,将TRB或USB连接到板子上,等build之后就可以烧录了

测试验证:

1. QCC3095长按sys_ctl(pio0) 6s秒释放,开机看到指示灯快闪

2. 用支持发现auracast源的手机连接,等待连接完成

3. 连接完成后,用手机去发现附近的auracast源,选择想要的源

4. 音箱接受到选择之后,就会自动去连接auracast源播放声音

别的连接测试方法,可以参考下面的博文去实现:

a. 手机app选择音源:蓝牙 | 软件:Qualcomm AuracastApp配套LE Audio Auracast使用体验 

b. 固定广播ID,定向连接:蓝牙|软件 QCC51xx系列开发之LE AUDIO Auracast进阶使用 

c. 循环选择周围广播源:蓝牙 | 软件:auracast 盲切广播源逻辑 

d. 用dongle测试:蓝牙|软件 QCC51xx系列开发之LE AUDIO Auracast使用指导 

硬件设计:

Flash和IO电路:

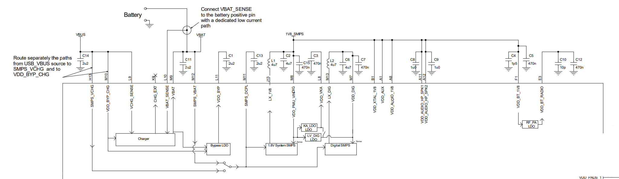
供电系统设计:

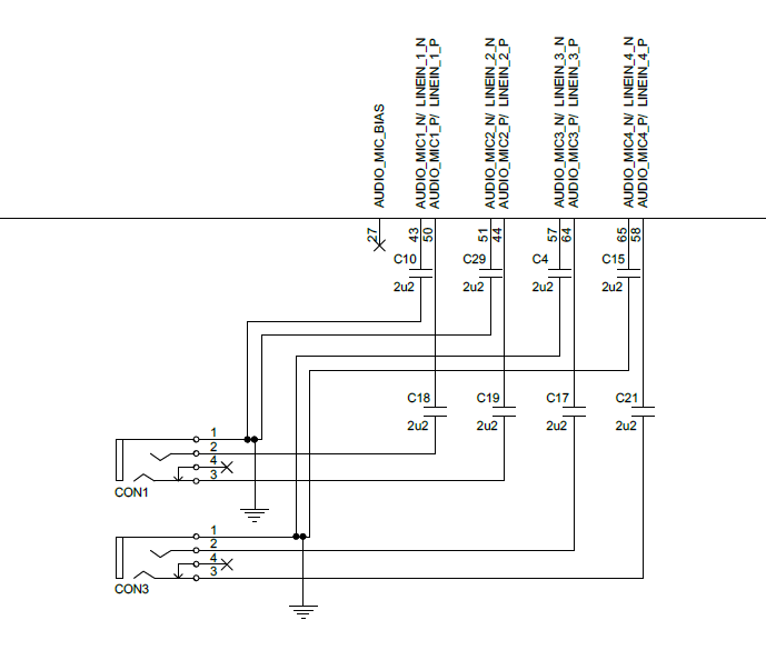
Line in设计:

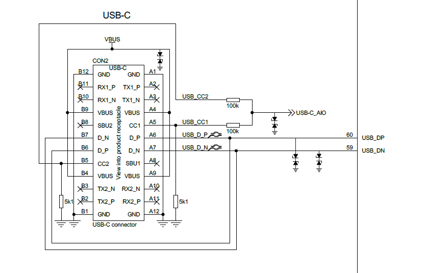
Type C USB设计:

Q1: 使用 Auracast 技术需要哪些硬件条件?

A1:设备需支持蓝牙 5.2 或更高版本,并符合 LE Audio 规范。

Q2:Auracast 技术是否支持多语言音频流?

A2:是的,Auracast 可同时广播多语言音频流,满足多样化需求。

Q3: Auracast 技术是否适用于助听器?

A3:是的,Auracast 可显著提升助听器用户的音频接入体验。

Q4: Auracast 的音质表现如何?

A4:依托 LC3 编解码器,Auracast 在低比特率下仍能保持高音质。

Q5: Auracast 技术未来的发展方向是什么?

A5:随着蓝牙技术的普及,Auracast 将在更多领域实现广泛应用,如智能家居、公共服务和医疗辅助等。

Q6: Auracast 的延迟表现如何?

A6:它具有低延迟特性,适合高清视频和实时互动场景。

Q7:Auracast 的广播范围有多大?

A7:广播范围取决于设备的蓝牙信号强度,通常可覆盖数十米。

Q8:Auracast 是否支持多设备同时连接?

A8:是的,它允许多个接收设备同时连接同一音频源。

Q9:如何调节 Auracast 的音量?

A9:用户可通过接收设备或手机应用自主调节音量。

►场景应用图

►展示板照片

►方案方块图

►核心技术优势

蓝牙5.4规范

• Bluetooth LE Audio Unicast Music with media control (MCP)

• Bluetooth LE Audio Unicast Voice with call control (CCP)

• Volume control using VCP

• Qualcomm Bluetooth High Speed Link

• Bluetooth LE Audio Gaming mode with Voice back channel for ultra-low latency

►方案规格

134-ball 6.7 mm x 7.4 mm x 1.0 mm, 0.5 mm pitch VFBGA

• CPU: 32bit 双核RISC MCU最高频率80MHz

• DSP: 240 MHz,384KB Program RAM,1408KB Data RAM

外围接口:

• I2C(最高400Kbps)

• SPI(最高8MHz)

• UART(最高4MBd)

• USB2.0(最高12Mbps)

• 6x PWM LED

• 53x PIO(电压支持1.7 V to 3.6 V.)

音频接口:

• SPDIF • USB2.0(最高12Mbps)

• I2S(24bit 最高384kHz,1输入3输出)

• 2x ADC(24bit,最高96kHz)

• 10x 数字mic(最高支持4MHz)

本篇作者-诠鼎集团-Biu~

http://www.dtcms.com/a/461291.html

相关文章:

  • 网站建设素材网页常州市钟楼区建设局网站
  • 网站付费怎么做海南学校网站建设
  • 前端学习 JavaScript(2)
  • Zookeeper删除提供者服务中的指定IP节点
  • 浦东建设网站制作来宾网站建设
  • 网站模板用什么打开wordpress移动广告不显示不出来
  • ArrayList和LinkedList的区别是什么?
  • 有没有做底单的网站做网站优化选阿里巴巴还是百度
  • 读写分离中间件简介
  • MR(混合现实)与AI(人工智能)结合的自主飞行技术
  • 鸿蒙:WaterFlow瀑布流组件的使用
  • Git高级操作:提升开发效率的实用别名设置
  • C++分布式语音识别服务实践——架构设计与关键技术
  • Hadoop YARN 与 MapReduce 基础关系及 YARN 核心架构细化解析
  • 网站续费模版秦皇岛网站建设价格
  • 16.链路聚合手动配置(2025年10月9日)
  • 做网站的技术门槛高吗做营销型网站费用
  • 做网站的网页图片素材怎么找海南省人才在线
  • opencv中旋转角度使用atan函数或atan2函数计算角度
  • 做详情页到那个网站找模特素材《高性能网站建设指南
  • 【蓝牙协议栈】蓝牙核心规范6.0新特性学习
  • vue中的 watchEffect、watchAsyncEffect、watchPostEffect的区别
  • Python从入门到实战:全面学习指南2
  • 今天我们开始学习python3编程之python基础
  • jenkins更新了gitlab后出现报错
  • 【OS笔记06】:进程和线程4-进程调度的核心算法
  • 自助建网站工具网站建设与推广
  • 操作系统第二章(下)
  • UNIX下C语言编程与实践49-UNIX 信号量创建与控制:semget 与 semctl 函数的使用
  • 探索Playwright MCP和Claude的协作:智能网页操作新境界