当前位置: 首页 > news >正文

嵌入式开发学习日志37——stm32之USART

        所谓串口通信,就是在外设与计算机之间通过数据线等设备,按位进行数据传输的一种通信方式。串口,属于一种接口标准,用于规定接口的电气标准。

        这里常用的接口标准是RS-232,它是通过正负电压来表示不同的逻辑状态,而stm32单片机是使用高低电平来显示逻辑,所以两者间需要有能够进行转换的物件,也就是电平转换芯片。

        而且说到通信,那么必然会涉及到一定的通信协议,RS-232的通信协议十分简单,它遵循96-N-8-1格式的协议。

        96意思为通信波特率为9600,由于串口通信中一般使用异步通信,所以要通信的两个设备间需要保持波特率一致。

        N表示没有校验位,串口通信抗干扰能力还是比较差的,容易因为外界干扰导致数据偏差,所以可以在传输过程中加上校验位(有种又菜又爱玩的感觉)。

        8表示数据位总共有8位,上章有配上异步通信时的数据格式的图,所以这里就不多赘述。

        最后的1表示停止位,这里没什么可说的。

        stm32上总共有3个USART,中文名称为同步异步收发器,正是由它们来实现单片机的串口通信功能,而且值得一提的是,按照数据传输方向,这几个收发器都可以实现全双工通信,十分的高级。

        欸,这时候有人问了,stm32上装这么几个USART有什么具体作用呢?

        实际上,我们在工程项目里如果遇到了代码没错,但是装置怎么都运行不起来的情况,就可以用到USART的串口通信能力了。USART在stm32中应用最多的莫过于它的printf输出功能(学过C的小伙伴狂喜),你可以在特定位置加上printf语句对代码进行调试,一般情况下,串口都会正常将你想要输出的语句打印到串口助手上,但是,如果代码里有隐含的逻辑错误,那么很可能你没法看到语句的输出打印,那么这个时候,你就可以锁定问题所在了。

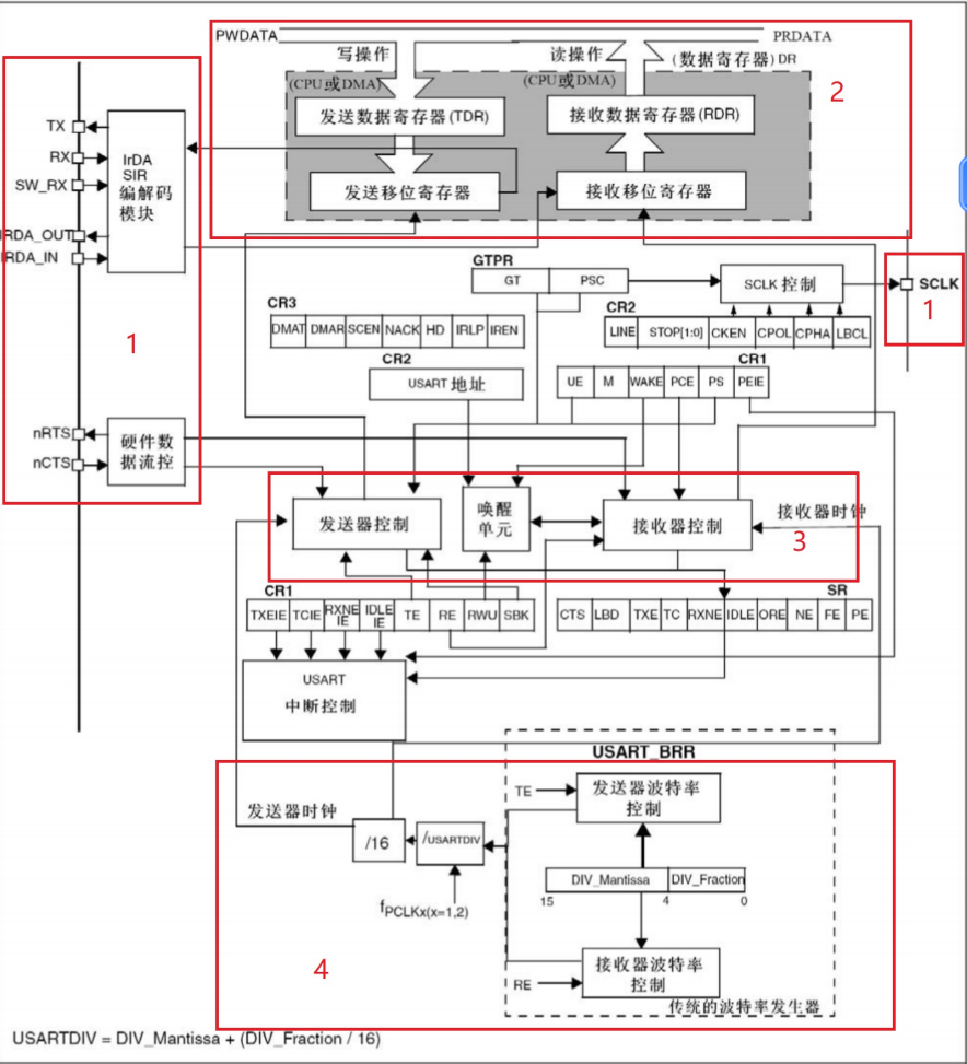
        下面我们来简短看一下UASRT的内部结构。

        十分复杂,对不对?其实真正要注意的地方并不多,一些引脚及其功能可以查阅手册来了解,毕竟咱们是人,真要一口气全部记下来很不现实。

        

        首先,根据之前提到的时钟树的相关内容,以及图上的信息,我们在编写代码时得注意,只有USART1是挂载在APB2上面的,另外两个2和3挂载在APB1上。

        其次是数据寄存器部分,它是低9位有效,但实际用起来却并非如此,USART控制寄存器中有M位,这个标志位决定了数据第9位是否有效,M位为0时,数据字长为8位,而当M位为1时,数据字长为9位。

        然后?当然是最重要的配置环节。

        (1)使能串口以及GPIO时钟

        (2)设置串口对应引脚为复用功能

        (3)初始化串口参数,即波特率、字长、停止位

        (4)使能串口

        (5)设置串口中断类型并且使能

        (6)设置中断优先级,并且使能中断通道

        (7)编写中断服务函数

http://www.dtcms.com/a/454991.html

相关文章:

  • 网站开发流程框架区块链开发与应用专业
  • 设计师找素材的网站自适应网站dedecms代码
  • 示范校建设验收网站做网站登录
  • Verilog和FPGA的自学笔记1——FPGA
  • 长城集团建设有限公司网站临海房产中介网站如何制作
  • 前端-APIs-day1
  • 读凸优化文章1
  • 网站开发处理大量用户请求网站用什么软件seo排名优化
  • 西安摩高网站建设wordpress插件制作
  • 如何推广自己的外贸网站手机网站模板 html5 下载工具
  • 网站优化要用什么软件百度关键词seo
  • 房屋中介网站模板公众号软文范例100
  • 三亚市建设局官方网站深圳平面设计公司排名榜
  • 网站开发广告宣传要多少钱
  • 加强网站内容保密建设抖音里做我女朋友网站
  • 公司建设电子商务网站的目的公司官网制作需要多少钱一个
  • 益阳网站建设企业山东网站推广营销设计
  • 甘肃建设投资集团控股有限网站简单网站建设视频教程
  • 网站建设文编响应式网站设计的优点
  • 三网合一网站优秀的设计网站有哪些
  • 定制版网站建设详细报价专业的网站建设公司
  • 做中东市场哪个网站合适网站app制作
  • 网站建设钅金手指排名十五wordpress 图片等比缩放
  • 做网赌网站扫二维码直接进入网站 怎么做
  • 网站必须要备案吗html5手机网站特效
  • 促销推广方式有哪些漳州网站优化
  • 网站建设的具体布局建设网站需要什么步骤
  • 淘宝客网站推广工具上海国际进出口贸易博览会
  • 哪个网站是专门做兼职的两个域名指向同一个网站怎么做
  • 1688 商品详情接口深度开发:从供应链数据解析到批量采购决策支持