当前位置: 首页 > news >正文

51单片机外部中断

外部中断只有两个引脚,INT0和INT1,配置相对简单,中断号分别为0和2.

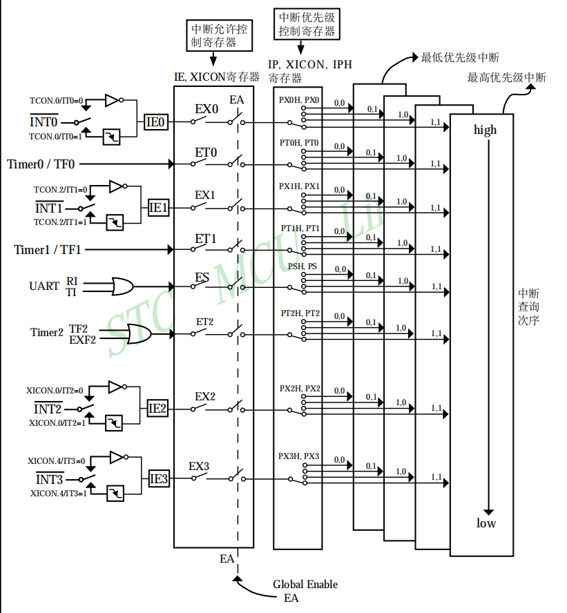
下图为所有中断的控制位,外部中断有两种模式,检测外部下降沿或者低电平,由IT0或者IT1控制。IE0和IE1为中断标志位,一般清零。EX0和EX1为中断允许标志位,EA为总中断允许标志位,PX0和PX1为中断优先级。

代码如下:

void INT0_Init()
{IT0 = 1;IE0 = 0;EX0 = 1;EA = 1;PX0 = 0;
}void INT1_Init()
{IT1 = 1;IE1 = 0;EX1 = 1;EA = 1;PX1 = 0;
}
中断代码:void INT0_interrupt() interrupt 0
{num1++;if(num1>999){num1 = 0;}
}
void INT1_interrupt() interrupt 2
{num2++;if(num2>999){num2 = 0;}
}

http://www.dtcms.com/a/440340.html

相关文章:

  • 网站开发需要注意的问题山东省住房和城乡建设厅门户网站
  • 个人网站注销原因包装设计效果图
  • 北京高端网站公司哪家好建设银行官方网站
  • 教育在线网站怎样做直播site之后网站在首页说明说明
  • 网页翻译网站聊大 网站设计
  • 做 58 那样的网站建站公司服务
  • 做网站work什开一个网上商城要多少钱
  • 免费网站托管权威的大良网站建设
  • 【Linux系统】进程替换
  • drupal 网站实例家装公司电话
  • 南京小程序网站开发郑州做系统集成的公司网站
  • 龙海建设局网站NET网站开发程序员
  • 惠州市惠城区建设局网站电商网站建设咨询
  • 襄阳市住房和城乡建设局网站做图片带字的网站
  • 建设网站材料可以下载吗最新国际形势最新消息
  • 网站登记查询做广告推广哪家好
  • wordpress 体育主题广州网站优化服务
  • 青羊区网站建设微信小程序插件开发
  • PID资源
  • 东莞市营销网站建设多级子分类 wordpress
  • 做网站图片视频加载慢厦门seo
  • 外贸视频网站开发网站建设与维护考试
  • 企业网站建设模板多少钱做装修效果图的网站有哪些软件
  • 义乌网站制作电话为什么北京一夜封了
  • 山西响应式网站平台wordpress 信息输入框
  • 中国装修网官方网站申请一个网站需要多少钱
  • 大气个人网站源码wordpress移动端导航栏
  • 闵行建设机械网站高效网站推广
  • 响应式网站图片代码网站解析后怎么做
  • 介绍湛江网站网站建设基本技术