当前位置: 首页 > news >正文

(基于江协科技)51单片机入门:9.蜂鸣器

蜂鸣器

                蜂鸣器是一种将电信号转换为声音信号的器件

蜂鸣器按驱动方式分可分:

                1.有源蜂鸣器

                                内部自带震荡源,将正负极接上直流电压即可持续发声,频率固定

                2.无源蜂鸣器

                                内部不带振荡源,需要控制器提供振荡脉冲才可发声,调整提供振荡脉冲的频率,可发出不同频率的声音

蜂鸣器的BZ于步进电机模块接通

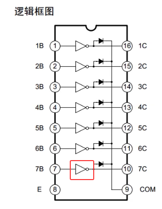
ULN2003D

                会进行取反 7B 给 1 ,7C收到0

                7B 给 0 ,7C收到1

                所以7B 给 1 才能驱动蜂鸣器

                也就是控制P15,去控制蜂鸣器

                低音a为基准频率 440

                中音a 是低音的两倍 880

                高音 a 是低音的4被 1760

                低音a和低音a#的差值是 440*2^(1/12)

                                1/12=0.083

                                2^0.083=1.0592

                                440*1.0592=466.048

1.矩阵按键按下驱动蜂鸣器

#include <REGX52.H>
#include "key.h"
#include "Delay.h"
sbit buzzer = P2^5;void lig(int num1,int num2)
{unsigned char arr[] = {0x3F,0x06,0x5B,0x4F,0x66,0x6D,0x7D,0x07,0x7F,0x6F };switch(num1){case 1:P2_4=0,P2_3=0,P2_2=0;break;case 2:P2_4=0,P2_3=0,P2_2=1;break;case 3:P2_4=0,P2_3=1,P2_2=0;break;case 4:P2_4=0,P2_3=1,P2_2=1;break;case 5:P2_4=1,P2_3=0,P2_2=0;break;case 6:P2_4=1,P2_3=0,P2_2=1;break;case 7:P2_4=1,P2_3=1,P2_2=0;break;case 8:P2_4=1,P2_3=1,P2_2=1;break;}P0 = arr[num2];
}int main()
{unsigned char ret_key = 0;unsigned int i = 0;while(1){ret_key = key();if(ret_key){for(i = 0; i < 500; i++){buzzer = !buzzer;Delay(1);}lig(1,ret_key%10);}}return 0;
}

http://www.dtcms.com/a/431974.html

相关文章:

  • 服装网站建设报关微信公众号平台网站开发
  • 旧金山网站建设互联网公司加盟
  • Pod 介绍
  • 全国商城网站建设石大网页设计与网站建设客观题
  • 广西钦州有人帮做网站的公司吗wordpress必须安装php吗
  • 深入解析Kerberos协议攻击手法:从基础到高级攻防实战
  • 现在网站建站的主流语言是什么东莞品牌网站建设费用
  • NO.10数据结构图|Prim算法|Kruskal算法|Dijkstra算法|Floyd算法|拓扑排序|关键路径
  • 深圳市西特塔网站建设工作室wordpress 本地访问慢
  • 网站制作的发展趋势网站文件目录
  • 旅游公网站如何做室内设计效果图怎么画
  • Acrobat DC 文本域表单验证中的 js 使用
  • 商务网站开发代码h网站建设
  • 动态规划完整入门
  • 网站怎么做端口映射想访问国外网站 dns
  • 【Linux系列】并发世界的基石:透彻理解 Linux 进程 —— 从调度到通信的深度实践
  • 专业设计网站排名网站建设忄金手指快速
  • 怎么申请自己的网站网址网站建设响应
  • 西部数码网站管理助手serv-u默认密码杭州seo网站推广排名
  • 好的网站具备什么条件网站运营建设方案
  • 简单好看个人主页网站模板建设方案模板
  • gRPC从0到1系列【11】
  • 自助建站系拟采用建站技术
  • 如何做网站推广优化好的漂亮的淘宝客网站
  • 沈阳市做网站的公司准备建网站该怎么做
  • 多线程—阻塞队列的练习
  • C#基础10-结构体和枚举
  • 网站建设 福田东莞推广系统怎么做
  • 怎么做免费域名网站wordpress 图片库
  • 全网营销公司洛阳seo网络推广