当前位置: 首页 > news >正文

4.0 Labview中算法实例1-迟滞曲线上两段的平均差(拐点计算)

        本案例的代码以及介绍请参看本博主的视频课程,该视频课程会介绍更多实际工作中使用的算法:《Labview实战1-力位置曲线的绘制_在线视频教程-CSDN程序员研修院》

https://edu.csdn.net/course/detail/40757

        具体内容如下:

【案例1】一测试项目,动作步骤如下:

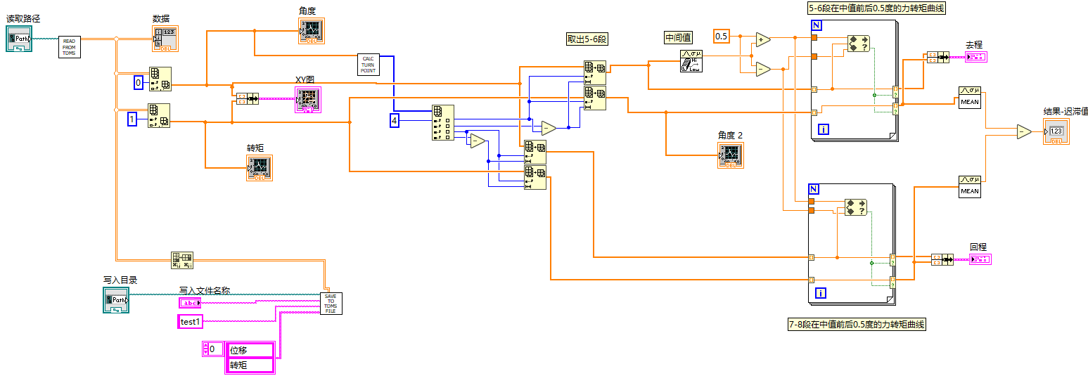
        角度从0走到12度(步骤:1->2),然后等待一会,然后返回到10度左右(步骤3->4),然后继续走到12度(步骤5->6),然后等待,然后返回到0度(步骤7->8).下图所示。 中间一直是采集角度和转矩的,绘图如下:

要求计算:步骤5->6的中间角度上(11度左右)前后0.5度的步骤5-6与步骤7-8曲线之间的平均转矩差。

计算过程如下:

1.先找到角度上这三个拐点(即步骤5-6):

【思路】滤波后、求导,导数绝对值小于某个阈值认为是0、大于阈值则为1(若导数为负,负超过该阈值则为-1)、这样其变化点就是转折点

2.求出5-6路线上的角度的中值,该值+-0.5度作为一个区间,比如10.5-11.5度。

3.得到所有5-6段,7-8段上角度在【10.5-11.5】的点,各自求平均值,相减得到结果

【知识点1】函数F(t)的微分f(t)介绍

        因为这些算法中对于第一个或者最后一个的计算时需要一个或两个额外数据,这就是前向条件或者后向条件。

        举下例子来说,‘前向’计算时,最后一个元素求导需要额外一个数字,即后向条件,如果不给与后向条件,则默认是0.

【备注2】波形图标中多曲线时,追加一个标尺的做法

步骤关键操作说明/技巧
1. 添加额外Y轴先用小手工具('操作值')选择原有Y轴上一个数字,然后‘’右击鼠标 > 复制标尺会创建一个与原有Y轴完全相同的新轴。
2. 调整Y轴位置右击新复制的Y轴 > 两侧交换 新Y轴会移动到图的右侧,与左侧原轴形成对应
3. 关联曲线与轴上图所示:右击,选择Y标尺->选择对应的标尺这是核心步骤,确保每条曲线绑定到正确的坐标轴。

http://www.dtcms.com/a/427550.html

相关文章:

  • 网站建设数据库搭建西安广告设计制作公司
  • 作一手房用什么做网站有关学校网站建设策划书
  • 企业网站建设方案详细方案厦门网站建设2
  • 微服务服务治理
  • 网站定制费用银川建设网站
  • [陇剑杯 2021]简单日志分析(问3)
  • 微信的网站徐州网站设计师
  • CC工具箱使用指南:【整库修复几何】
  • 【完整源码+数据集+部署教程】工厂工人操作机械工作图像分割系统: yolov8-seg-RepHGNetV2
  • 网站设计与制作简单吗可以用来注册网站域名的入口是
  • 怎样做内网网站seo企业网络推广培训
  • C 语言各种指针详解
  • 【个人随想】我们是否缺乏从头再来的勇气
  • 自监督学习在医疗AI中的技术实现路径分析(上)
  • 麻涌手机网站设计建设的网站服务器
  • 五维论-解释万物法则
  • 国际海运业务全流程操作解析:易境通海运系统如何赋能各环节?
  • 【代码随想录day 29】 力扣 406.根据身高重建队列
  • 上海网站建设报价单网站设计平台及开发工具
  • 2006 年真题配套词汇单词笔记(考研真相)
  • Ubuntu 24.04 安装搜狗输入法完整教程
  • 淘宝买cdk自己做网站游戏编程软件
  • 试用网站如何做免费自动交易软件app
  • Linux rsyslog 日志服务及日志转发实践
  • 静态网站flash怎么看网站的访问量
  • 体育如何做原创视频网站潮州seo网站推广
  • d40: vue杂项问题
  • WordPress 安全检查指南:让你的网站更稳定、更安全
  • 类似于wordpress的网站开放平台供稿人计划
  • Vue.js props mutating:反模式如何被视为一种良好实践。