二极管的等效电路
文章目录
- 由伏安特性折线化得到的等效电路
- 二极管的微变等效电路
一个元器件的等效电路就是吧非线性元件用线性元件表述出来
二极管的伏安特性具有非线性,这给二极管应用电路的分析带来一定的困难
为了便于分析,常在一定的条件下用线性元件所构成的电路来近似模拟二极管的特性,并用之取代电路中的二极管
能够模拟二极管特性的电路称为二极管的等效电路
建立等效模型的方法一般有两种:
- 物理原理等效:根据器件物理原理建立等效电路,由于其电路参数与物理机理密切相关,因而适用范围大,但模型较复杂,适于计算机辅助分析
- 外特性等效:根据器件的外特性来构造等效电路(电压和电流的输出关系近似于等效),因而模型较简单,适于近似分析(我们现在学习的基本都是外特性等效模型)
由伏安特性折线化得到的等效电路
由伏安特性折线化得到的等效电路如下图所示,图中粗实线为折线化的伏安特性,虚线表示实际伏安特性,下边为等效电路

- 图 (a) 所示的折线伏安特性表明二极管导通时正向压降为零,截止时反向电流为零,称为理想二极管,相当于理想开关,用空心的二极管符号来表示
- 图 (b) 所示的折线化伏安特性表明二极管导通时正向压降为一个常量,截止时反向电流为零
等效电路是理想二极管串联电压源 U o n U_{on} Uon - 图 © 所示的折线化伏安特性表明当二极管正向电压 U U U 大于 U o n U_{on} Uon 后其电流 I I I 与 U U U 成线性关系,直线斜率为 1 / r D 1/r_D 1/rD ,二极管截止时反向电流为零
等效电路是理想二极管串联电压源 U o n U_{on} Uon 和电阻 r D r_D rD,且 r D = Δ U / Δ I r_D=ΔU/ΔI rD=ΔU/ΔI
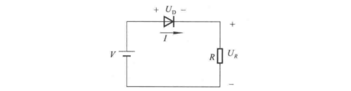
【例1】在下图所示电路中,已知二极管为硅管,电阻 R= 10 kΩ,试分析电压源 V 分别为30V、6V 和 1.5V 时的回路电流

二极管为硅管,导通电压为0.6~0.8V
-
当 V=30V 时,电源电压几十倍于 U n U_n Un,可认为电阻 R R R 上电压 U R U_R UR 约等于电压源电压 V V V ,即认为二极管具有图 (a) 理想二极管所示特性,回路电流 I ≈ V / R = 3 m A I≈V/R=3 mA I≈V/R=3mA
-
当 V=6V 时,电源电压几倍于 U n U_n Un,则可选二极管具有图 (b) 所示特性
硅管: U D = U o n = 0.7 V U_D = U_{on} = 0.7V UD=Uon=0.7V;锗管: U D = U o n = 0.2 V U_D=U_{on} = 0.2V UD=Uon=0.2V
回路电流 I ≈ ( V − U o n ) / R = 0.53 m A I≈(V-U_{on})/R=0.53mA I≈(V−Uon)/R=0.53mA
-
当 V=1.5V 时,接近于 U n U_n Un,二极管具有图 © 所示特性,此时需实测二极管的伏安特性,以确定和,然后求解电流
设 U o n = 0.55 V U_{on} = 0.55 V Uon=0.55V, r = 200 Ω r = 200Ω r=200Ω ,则回路电流:
I = V − U o n r D + R = ( 1.5 − 0.55 ) V ( 0.2 + 10 ) k Ω ≈ 0.093 m A I=\frac{V-U_{on}}{r_D+R}=\frac{(1.5-0.55)V}{(0.2+10)kΩ}≈0.093mA I=rD+RV−Uon=(0.2+10)kΩ(1.5−0.55)V≈0.093mA
【例2】电路如下图所示,二极管导通电压 U D U_D UD 约为 0.7V,试分别估算开关断开和闭合时输出电压的数值

- 当开关断开时,二极管因加正向电压而导通,故输出电压: U o = V 1 − U D ≈ ( 6 − 0.7 ) V = 5.3 V U_o=V_1-U_D≈(6-0.7)V=5.3V Uo=V1−UD≈(6−0.7)V=5.3V
- 当开关闭合时,二极管因外加反向电压而截止,故输出电压: U o = V 2 = 12 V U_o=V_2=12V Uo=V2=12V
【拓展例题1】

由结果电压波形图可以看出,这种电路可以作为限幅电路,用于保护电路
【拓展例题2】

二极管的微变等效电路
当二极管外加直流正向电压时,将有一直流电流,曲线上反映该电压和电流的点为 Q Q Q 点,称为静态工作点,图 (a) 中所标注
若在点 Q Q Q 基础上外加微小的变化量,则可以用以 Q Q Q 点为切点的直线来近似微小变化时的曲线;即将二极管等效成一个动态电阻 r d r_d rd,且 r d = Δ u D / Δ i D r_d = Δu_D/Δi_D rd=ΔuD/ΔiD
如图 (b) 所示,称之为二极管的微变等效电路,或称之为交流等效模型。利用二极管的电流方程可以求出 r d r_d rd

r d ≈ U T I D r_d≈\frac{U_T}{I_D} rd≈IDUT
I D I_D ID 是 Q Q Q 点的电流,由于二极管正向特性为指数曲线,所以 Q Q Q 点愈高, r d r_d rd 的数值越小
对于下左图所示电路,在交流信号,幅值较小且频率较低的情况下, u R u_R uR 的波形如下右图所示,它是在一定的直流电压的基础上叠加上一个与 u i u_i ui 一样的正弦波,该正弦波的幅值决定于 r d r_d rd 与 R R R 的分压。图中标注的 U D U_D UD 是直流电压源 V V V 单独作用时二极管的正向压降,即点 Q Q Q 电压

【参考】
教材 《模拟电子技术基础(第5版)》清华大学电子学教研组编
视频教程 模拟电子技术基础 上交大 郑益慧主讲
