【数字电路】第七章 脉冲波形的产生与整形电路
一、脉冲波形的产生与整形电路概述
1.矩形脉冲的获得方法

2.矩形脉冲的主要参数



3.本章所涉及的电路

4.稳态与暂稳态

电路的暂稳态实际上是通过RC电路的充放电来实现的。
5.TTL电路输入等效电路

6.TTL电路的输出等效电路

7.CMOS电路的输入等效电路

8.CMOS电路的输出等效电路

二、施密特触发电路
1.施密特触发电路的特点

2.施密特触发电路的典型结构

3.施密特触发电路的工作原理





4.TTL电路集成施密特触发电路7413




三、用门电路组成的施密特触发电路
1.电路结构


2.工作原理






3.施密特触发电路的应用



四、施密特触发电路的分析方法






叠加定理。

五、微分型单稳态电路
1.单稳态电路的特点

2.单稳态电路的分类

3.微分型单稳态电路的电路结构与工作原理







想要计算输出的高电平持续时间(或暂稳态持续时间)就需要对电容器的充电时间进行计算。
4.微分型单稳态电路的充放电等效电路



六、积分型单稳态电路
1.积分型单稳态电路的电路结构与工作原理







2.积分型单稳态电路的充放电等效电路

在一般情况下,TTL电路的输出电阻可忽略不计。


3.微分型与积分型单稳态电路对比

4.单稳态电路的分析方法

七、TTL集成单稳态电路74121
1.电路结构

2.图形符号及功能表

3.控制端的接线方法

4.电容电阻的接线方法

5.集成单稳态电路的触发类型

八、对称式多谐振荡电路
1.多谐振荡电路的概念及分类

2.对称式多谐振荡电路的电路结构

3.TTL反相器静态工作点的选择

可以称线性区和转折区是放大区。



4.对称式多谐振荡电路的工作原理

不仅是在对称式多谐振荡电路上需要考虑最低电压,其他的电路只要发生负向跳变,都需要考虑是不是超过了VIK,一旦低于VIK,就直接令它等于VIK即可。

电容两端电压差不能跳变,因此一边发生改变,另一边也要相应改变,才能维持稳定的电压差。





5.充放电等效电路



6.电压波形图

九、非对称式多谐振荡电路
1.电路结构

2.CMOS反相器静态工作点选择

3.工作原理






3.充放电等效电路




4.电压波形图

十、环形振荡电路
1.环形振荡电路的实现原理

2.环形振荡电路的静态工作点

3.环形振荡电路的工作原理


4.带RC延迟电路的环形振荡电路

5.带RC延迟的环形振荡电路的工作原理






6.带RC延迟的环形振荡电路的充放电等效电路





7.带RC延迟的环形振荡电路的电压波形图

十一、用施密特触发电路构成多谐振荡电路
1.多谐振荡电路的构成方法

所谓积分电路指的是电压值来自于电容两端。
2.工作原理






3.充放电时间


4.占空比可调的多谐振荡电路

十二、石英晶体多谐振荡电路
1.振荡频率的稳定性

2.石英晶体振荡电路

3.石英晶体的稳频原理

十三、555定时器
1.555定时器的简介

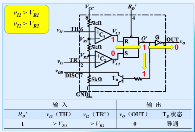
2.555定时器的电路结构

3.555定时器的引脚功能





4.555定时器的参考电压计算

Vco悬空时,为了避免引入噪声干扰,从5引脚接入一个0.01uF的电容。

5.555定时器的工作原理



R是复位端 S是置1端,然后哪端为1就执行那端,然后取个反就是输出。



十四、555定时器接成施密特触发电路
1.构成原理

2.工作原理






十五、555定时器接成单稳态电路
1.构成原理

2.工作原理

因为不知道到底是低电平稳定还是高电平稳定,所以需要一步步的分析。




低电平的优先级更高。
如果在回到稳态之前,又来了个负脉冲或一直存在个负信号,那么这个电路又回到了暂态,电路没法正常工作了。


该单稳态电路的电压波形图。我们主要关心的是电容从0开始充电,一直到2/3Vcc这段时间,也就是暂稳态的持续时间,由于放电的时候对应的电阻是非常小的,所以放电非常快,斜率非常陡,持续时间非常短,所以在分析该电路的电压波形图时,主要考虑的是电容充电的时间,也就是暂稳态的持续时间,不需要去详细的计算恢复时间。
3.输出脉冲宽度(暂态持续时间)

十六、用555定时器接成多谐振荡电路
1.构成原理

2.工作原理

Vc=0代表电容C两端没有压差。


因为7是Td导通了,输出端是低电平,内部有电阻,放电。总结来说就是导通了就开始放电,截止了就开始充电,中间有个不变状态做缓冲。



该电路的电压波形图。对于电容来说是持续充放电的过程,对应的充电时间和放电时间就是输出的高电平和低电平的持续时间,两者加起来就是输出脉冲的一个周期。
3.充放电时间



4.占空比可调的多谐振荡电路

注:本文出自对bilibili 王文俊讲电气数字电子技术基础 内容的学习笔记。
