当前位置: 首页 > news >正文

实物工厂零件画图案例(中)

文章目录

  • 散热块
  • V形导向块
  • 气缸连接板
  • 定位调节块
  • 定位块
  • 直线轴承座
  • 齿轮箱

案例模型点击这里进行下载

散热块

在这里插入图片描述

实物

在这里插入图片描述

前视基准面画草图,给定深度拉伸53

在这里插入图片描述

前视基准面画草图,做阵列,拉伸切除

在这里插入图片描述

柱形槽口的定位

在这里插入图片描述

柱形槽口的大小

在这里插入图片描述

做拉伸切除

在这里插入图片描述

倒四个角

在这里插入图片描述

最终模型

在这里插入图片描述

V形导向块

在这里插入图片描述

实物

在这里插入图片描述

前视基准面画草图,给定深度拉伸18

在这里插入图片描述

打两个沉头孔

在这里插入图片描述

做倒角

在这里插入图片描述

最终模型

在这里插入图片描述

气缸连接板

在这里插入图片描述

实物(上面那个长方体定位尺寸的宽图中没有标出来,可以给个30

在这里插入图片描述

前视基准面画草图给定深度(50)拉伸

在这里插入图片描述

四个(正面)沉孔的定位尺寸

在这里插入图片描述

打背面的四个沉孔

在这里插入图片描述

倒两次角一个是R5,一个是未注倒角0.5R

在这里插入图片描述

打三个暗销孔

在这里插入图片描述

最终模型

在这里插入图片描述

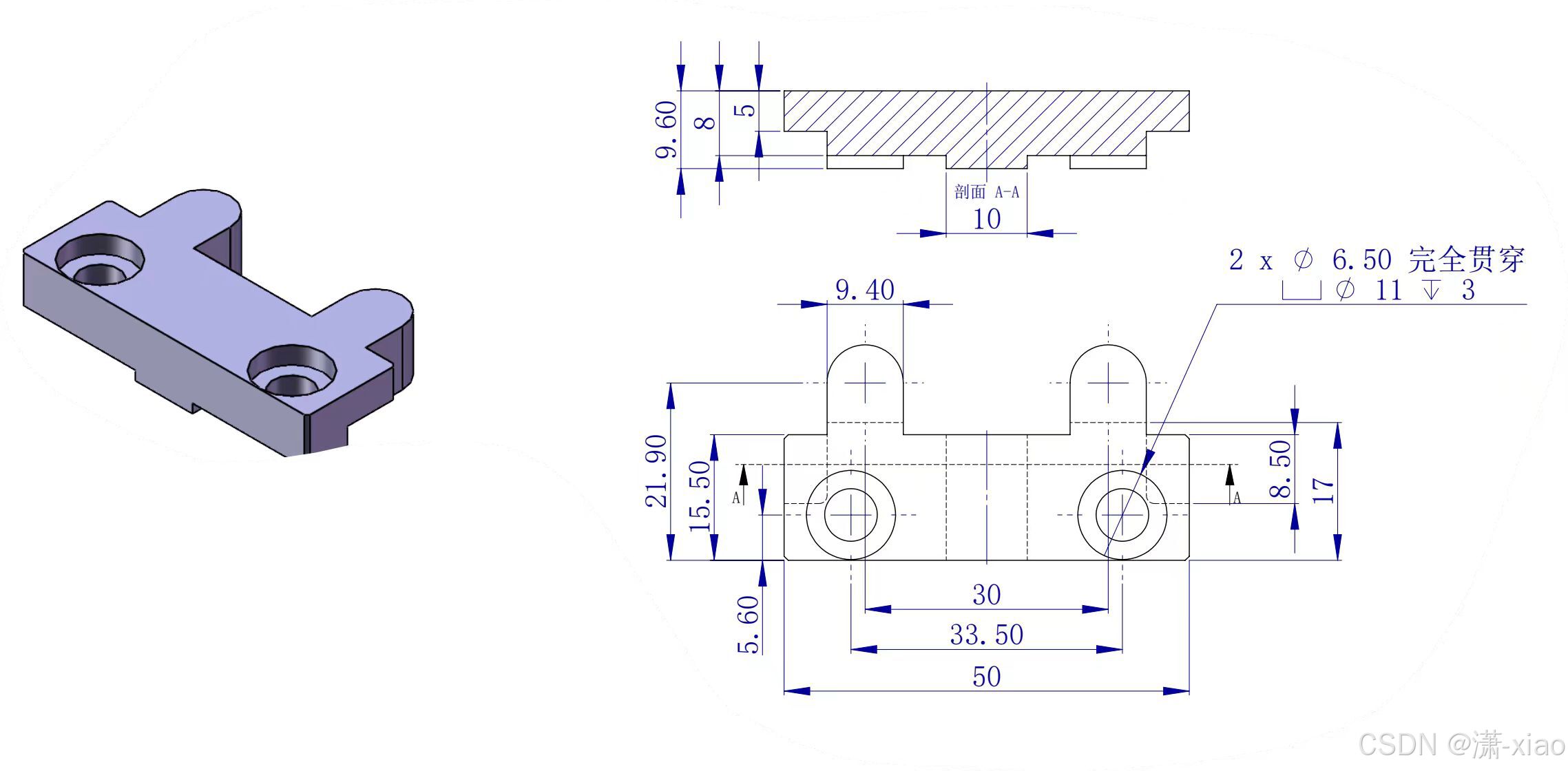
定位调节块

在这里插入图片描述

实物

在这里插入图片描述

上视基准面画草图给定深度(9.60)进行拉伸

在这里插入图片描述

打两个沉孔

在这里插入图片描述

背面进行给定深度(17)进行拉伸切除

在这里插入图片描述

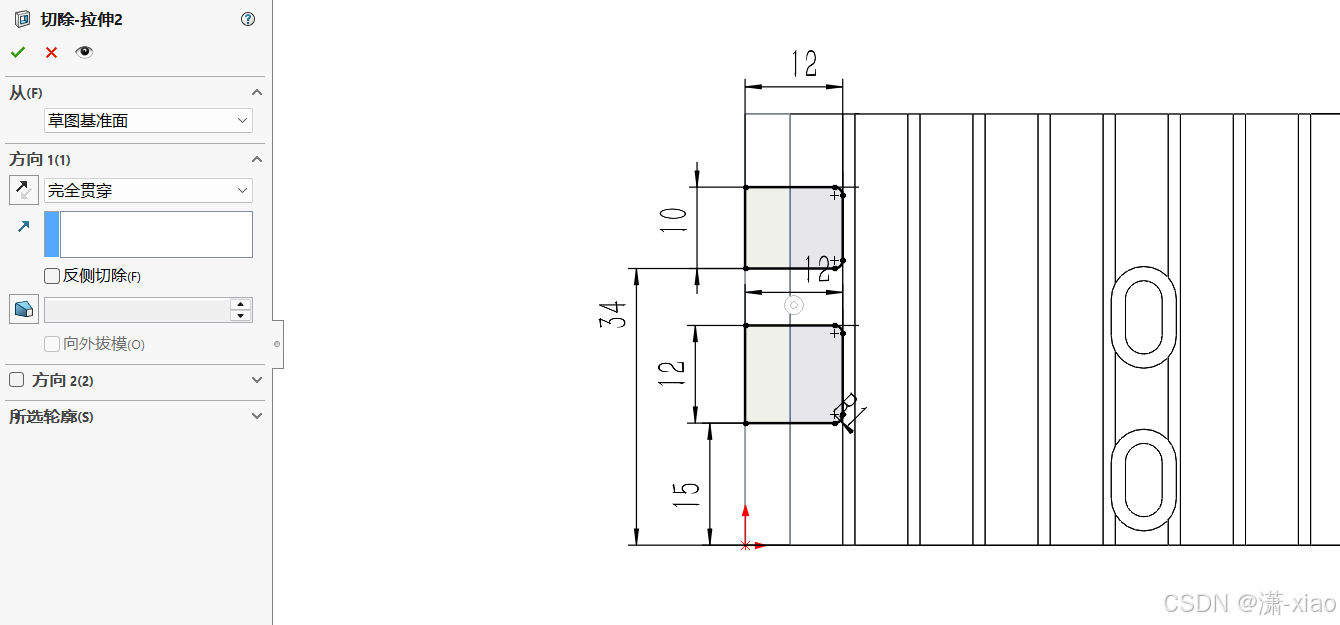
等距7进行拉伸切除

在这里插入图片描述

倒角0.5

在这里插入图片描述

倒角给个1

在这里插入图片描述

最终模型

在这里插入图片描述

定位块

在这里插入图片描述

实物(图上并没有该实体的长,就给个35

在这里插入图片描述

上视基准面画草图,拉伸15(倒角可以在草图中做,也可以拉伸完成后再单独倒角)

在这里插入图片描述

打两个沉孔

在这里插入图片描述

打三个螺纹孔

在这里插入图片描述

拉伸切除底部的槽

在这里插入图片描述

最终模型

在这里插入图片描述

直线轴承座

在这里插入图片描述

实物

在这里插入图片描述

前视基准面画草图,给定深度拉伸24

在这里插入图片描述

拉伸切除孔

在这里插入图片描述

打四个螺纹孔

在这里插入图片描述

对这四个孔做拉伸切除

在这里插入图片描述

做倒角

在这里插入图片描述

最终模型

在这里插入图片描述

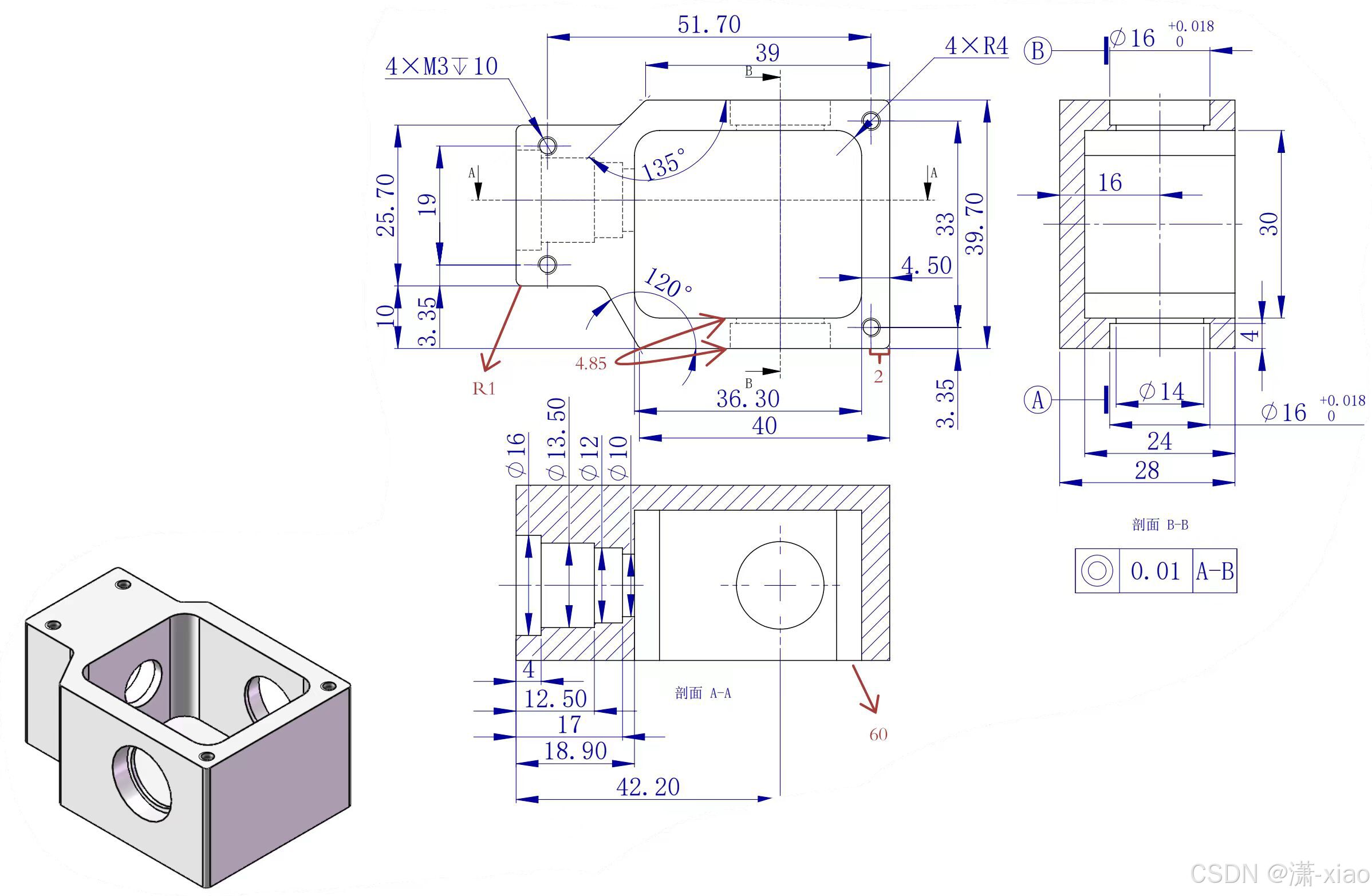
齿轮箱

在这里插入图片描述

实物(上面的那个60给的不准确,其实这个长是能计算出来的,40-(42.2-18.9) + 42.2 = 58.9

在这里插入图片描述

前视基准面画草图,给定深度拉伸28

在这里插入图片描述

前视基准面画草图,拉伸切除给定深度24

在这里插入图片描述

中点 + 边线去创建基准面,为旋转切除做铺垫

在这里插入图片描述

以创建的基准面做草图,进行旋转切除

在这里插入图片描述

拉伸切除16的这个孔,给定深度4

在这里插入图片描述

拉伸切除14这个孔,成形到面

在这里插入图片描述

老方法创建基准面,镜像这两个孔到另外一边

在这里插入图片描述

螺纹孔的定位尺寸

在这里插入图片描述

可以通过剖视图去观察该螺纹孔

在这里插入图片描述

螺纹孔的参数

在这里插入图片描述

圆角R1

在这里插入图片描述

最终模型

在这里插入图片描述

http://www.dtcms.com/a/197299.html

相关文章:

  • 56.合并区间(java)
  • 【言语理解】逻辑填空之词义辨析(10)
  • 力扣HOT100之二叉树:108. 将有序数组转换为二叉搜索树
  • 45 python csv(存储表格数据)
  • No More Adam: 新型优化器SGD_SaI
  • 前端二进制数据指南:从 ArrayBuffer 到高级流处理
  • 【鸿蒙开发避坑】使用全局状态变量控制动画时,动画异常甚至动画方向与预期相反的原因分析以及解决方案
  • C语言_动态内存管理
  • vue引用cesium,解决“Not allowed to load local resource”报错
  • ProfibusDP主站转modbusTCP网关与ABB电机保护器数据交互
  • 典籍知识问答模块AI问答bug修改
  • 信息与信息化
  • LeetCode 第 45 题“跳跃游戏 II”
  • BBR 的 buffer 动力学观感
  • 【ant design】ant-design-vue 4.0实现主题色切换
  • C语言中字符串函数的详细讲解
  • 【软考 程序流程图的测试方法】McCabe度量法计算环路复杂度
  • 无线信道的噪声与干扰
  • 恢复因 oh-my-zsh 安装导致丢失的 zsh 环境变量
  • Python自学笔记3 常见运算符
  • C语言:在 Win 10 上,gcc 如何编译 gtk 应用程序
  • 【VSCode】快捷键合集(持续更新~)
  • python3GUI--多功能WiFi网络工具箱 By:PyQt5(详细分享)
  • 如何根据竞价数据判断竞价强度,是否抢筹等
  • LLM-Based Agent综述及其框架学习(五)
  • FreeCAD源码分析: Transaction实现原理
  • 安全性(一):加密算法总结
  • 技术测评:小型单文件加密工具的功能解析
  • 第五项修炼:打造学习型组织
  • 深度学习中ONNX格式的模型文件