当前位置: 首页 > news >正文

LED点阵屏模块

目录

1.LED点阵屏介绍

2.显示原理

3.74HC595

4.C51的sfr、sbit

5.LED点阵屏显示图形代码

第一步:

第二步:

第三步:

第四步:

第五步:

第六步:

最终代码:

模块:

main.c

6.LED点阵屏显示动画代码

51单片机LED点阵屏使用

第一步:

.c

.h

模块

第二步:

第三步:

第四步:

第五步:

第六步:

第七步:

第八步:

第九步:

第十步:

最终代码:

模块:

MatrixLED.c

MatrixLED.h

main.c


1.LED点阵屏介绍

LED点阵屏由若干个独立的LED组成,LED以矩阵的形式排列,以灯珠亮灭来显示文字、图片、视频等。LED点阵屏广泛应用于各种公共场合,如汽车报站器、广告屏以及公告牌等

LED点阵屏分类     

按颜色:单色、双色、全彩     

按像素:8*8、16*16等(大规模的LED点阵通常由很多个小点阵拼接而成)

2.显示原理

LED点阵屏的结构类似于数码管,只不过是数码管把每一列的像素以“8”字型排列而已

LED点阵屏与数码管一样,有共阴和共阳两种接法,不同的接法对应的电路结构不同

LED点阵屏需要进行逐行或逐列扫描,才能使所有LED同时显示

行给0就亮,列给1就亮。要怎么控制LED点阵屏的图形变换呢,就要用到逐行扫描(或逐列扫描),例如:要对角线亮,使用逐行扫描,D7给1其他给0,P07给0其他给1,这是第一行。D6给1其他给0,P06给0其他给1,这是第二行。以此类推就形成了对角线

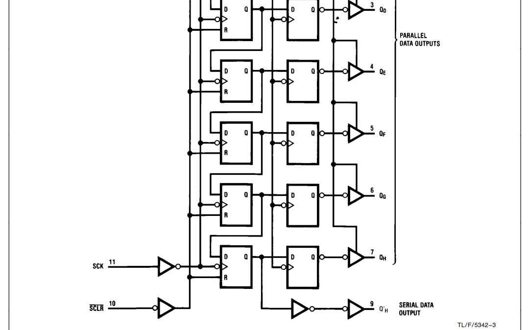
3.74HC595

OE上面加一根横行说明低电频有效,也就要在JOE里面将OE和GND短接才有效。SRCLR叫串行清零端,会把里面的数据清零,如果直接接VCC就代表不清零。SRCLK叫串行始终。SER叫串行数据。就是通过SRCLR、SRCLK、SER三根串行数据控制QA~QH这八根输出并行数据,多片级联后,可输出16位、24位、32位等

SER串行输入,SERCLK会清零第一个格的数字,往下一格移动一位,循环8次,够8位后给RCLK高电频通过RCLK复制到右边,右边1高电频、0低电频。QH一撇连接到下一片(记为2),如果右边的(记为1)的满了,那么左边的(记为0)最后一位就通过QH一撇传到2的第一位上,然后,0倒数第二位会补上去,进入2的第一位,原来2的第一位就会往下到第二位,周而复始,装满2。2里面的QH一撇又连接到下一片,这样往复下去就形成了多片级联。然后,QA~QH输出后,就没了,其他的片装满后就将里面的数据传回1中(想成换弹),就实现了IO口扩展。

4.C51的sfr、sbit

5.LED点阵屏显示图形代码

第一步:

重命名,按照这个表格来,P0口也重命名了

第二步:

写一个子函数,实现3.74HC595所述功能

第三步:

复制Delay函数,进入工程

第四步:

模仿数码管Nixie函数,写一个MatrixLED_showColumn函数

第五步:

跟数码管一样,要消影

第六步:

把MatrixLED_showColumn函数放入主函数while循环里面,就可显示多位了

最终代码:

模块:

main.c

#include <REGX52.H>
#include "Delay.h"sbit RCK = P3^5;//对P35重新命名,对应原理图RCLK
sbit SCK = P3^6;//对P36重命名重新命名,对应原理图SRCLK
sbit SER = P3^4;//对P34重新命名,对应原理图SER#define MATRIX_LED_PORT		P0
/***@brief	74HC595写入一个字节*@param	Byte 要写入的字节*@retval	无*/
void _74HC595_WriteByte(unsigned char Byte)
{unsigned char i;for(i=0;i<8;i++){SER = Byte&(0x80>>i);SCK = 1;SCK = 0;}RCK = 1;RCK = 0;
//	SER = Byte&0x80;//最高位为1&0x80=0x80;最高位为0&0x80=0
//	SCK = 1;
//	SCK = 0;//以上移动第一位
//	SER = Byte&0x40;//最高位为1&0x40=0x40;最高位为0&0x40=0
//	SCK = 1;
//	SCK = 0;//以上移动第二位
//	SER = Byte&0x20;//最高位为1&0x20=0x20;最高位为0&0x20=0
//	SCK = 1;
//	SCK = 0;//以上移动第三位
//	...如此循环八次}
/***@brief	LED点阵屏显示一列数据*@param	Column 要选择的列,范围:0~7,0在最左边*@param	Data 选择显示的数据,高位在上,1为亮,0为灭*@retval 无*/
void MatrixLED_showColumn(unsigned char Column,Data)
{_74HC595_WriteByte(Data);MATRIX_LED_PORT = ~(0x80>>Column);Delay(1);MATRIX_LED_PORT = 0xFF;
}void main()
{SCK = 0;RCK = 0;while(1){//使用逐列扫描MatrixLED_showColumn(0,0x3C);MatrixLED_showColumn(1,0x42);MatrixLED_showColumn(2,0xA9);MatrixLED_showColumn(3,0x85);MatrixLED_showColumn(4,0x85);MatrixLED_showColumn(5,0xA9);MatrixLED_showColumn(6,0x42);MatrixLED_showColumn(7,0x3C);}
}

6.LED点阵屏显示动画代码

51单片机LED点阵屏使用

第一步:

先把LED点阵屏模块化

主函数

.c

.h

模块

第二步:

怎么显示动画呢,我们就要让他一帧一帧的切换,首先定义一个数组

第三步:

使用文字取模软件

第四步:

复制到数组里面

第五步:

修改主函数

第六步:

让字幕流动

第七步:

Offset会溢出,所以我们要给他一个限定条件

第八步:

对数组再修改,为了让字母溢出后归0,能看的顺畅

第九步:

因为修改了数组Offset就不是24了,是40

第十步:

如果想像动画一样就Offset+=8。把数组放入code里面,可以定义更多的动画,但是数组不能修改了

最终代码:

模块:

MatrixLED.c

#include <REGX52.H>
#include "Delay.h"sbit RCK = P3^5;//对P35重新命名,对应原理图RCLK
sbit SCK = P3^6;//对P36重命名重新命名,对应原理图SRCLK
sbit SER = P3^4;//对P34重新命名,对应原理图SER#define MATRIX_LED_PORT		P0
/***@brief	74HC595写入一个字节*@param	Byte 要写入的字节*@retval	无*/
void _74HC595_WriteByte(unsigned char Byte)
{unsigned char i;for(i=0;i<8;i++){SER = Byte&(0x80>>i);SCK = 1;SCK = 0;}RCK = 1;RCK = 0;
//	SER = Byte&0x80;//最高位为1&0x80=0x80;最高位为0&0x80=0
//	SCK = 1;
//	SCK = 0;//以上移动第一位
//	SER = Byte&0x40;//最高位为1&0x40=0x40;最高位为0&0x40=0
//	SCK = 1;
//	SCK = 0;//以上移动第二位
//	SER = Byte&0x20;//最高位为1&0x20=0x20;最高位为0&0x20=0
//	SCK = 1;
//	SCK = 0;//以上移动第三位
//	...如此循环八次}/***@brief	点阵屏初始化*@param	无*@retval	无*/
void MatrixLED_Init()
{SCK = 0;RCK = 0;
}/***@brief	LED点阵屏显示一列数据*@param	Column 要选择的列,范围:0~7,0在最左边*@param	Data 选择显示的数据,高位在上,1为亮,0为灭*@retval 无*/
void MatrixLED_showColumn(unsigned char Column,Data)
{_74HC595_WriteByte(Data);MATRIX_LED_PORT = ~(0x80>>Column);Delay(1);MATRIX_LED_PORT = 0xFF;
}

MatrixLED.h

#ifndef __MATRIX_LED_H__
#define __MATRIX_LED_H__void MatrixLED_Init();
void MatrixLED_showColumn(unsigned char Column,Data);#endif

main.c

#include <REGX52.H>
#include "Delay.h"
#include "MatrixLED.h"unsigned char Animation[]={0x00,0x00,0x00,0x00,0x00,0x00,0x00,0x00,0xFF,0x08,0x08,0x08,0xFF,0x00,0x0E,0x15,0x15,0x15,0x08,0x00,0x7E,0x01,0x02,0x00,0x7E,0x01,0x02,0x0E,0x11,0x11,0x11,0x0E,0x00,0x7D,0x00,0x00,0x00,0x00,0x00,0x00,0x00,0x00,0x00,0x00,0x00,0x00,0x00,0x00,
};void main()
{unsigned char i;unsigned char Offset;unsigned char Count = 0;MatrixLED_Init();while(1){for(i=0;i<8;i++){MatrixLED_showColumn(i,Animation[i+Offset]);}Count++;if(Count>10){Count = 0;Offset++;if(Offset>40){Offset = 0;}}}
}
http://www.dtcms.com/a/194286.html

相关文章:

  • WebSocket 客户端 DLL 模块设计说明(基于 WebSocket++ + Boost.Asio)
  • 【前端优化】vue2 webpack4项目升级webpack5,大大提升运行速度
  • Linux信号的保存
  • 裸金属服务器和云服务器之间的差别
  • Dify中使用插件LocalAI配置模型供应商报错
  • [Java][Leetcode middle] 238. 除自身以外数组的乘积
  • 挖o心得(1)
  • BUFDS_GTE2,IBUFDS,BUFG缓冲的区别
  • 技术解码 | 腾讯云SRT弱网优化
  • Vue3 加快页面加载速度 使用CDN外部库的加载 提升页面打开速度 服务器分发
  • sqli-labs靶场23-28a关(过滤)
  • WHAT - 缓存命中 Cache Hit 和缓存未命中 Cache Miss
  • 掌握HTML文件上传:从基础到高级技巧
  • 我设计的一个安全的 web 系统用户密码管理流程
  • 国芯思辰| 轮速传感器AH741对标TLE7471应用于汽车车轮速度感应
  • 【Python-Day 14】玩转Python字典(上篇):从零开始学习创建、访问与操作
  • 【CPT】可重复性
  • C++(15):默认值(default)
  • UI自动化测试详解
  • 开源鸿蒙北向源码开发: 5.0kit化相关sdk编译
  • 【Win32 API】 lstrcpyA()
  • 中国 MRO 的市场概况及发展趋势
  • vscode debug node + 前端
  • Wise Disk Cleaner:免费系统清理工具,释放空间,提升性能
  • matlab建立整车模型,求汽车的平顺性
  • 【PmHub后端篇】PmHub 中缓存与数据库一致性的实现方案及分析
  • llamafactory SFT 从断点恢复训练
  • 联合查询
  • 华为网路设备学习-22(路由器OSPF-LSA及特殊详解)
  • 硬件中的OID是什么?SNMP如何通过OID获取信息?——用“图书馆”比喻彻底讲清底层原理-优雅草卓伊凡|小无