Matlab 单机无穷大系统故障
1、内容简介
Matlab 236-单机无穷大系统故障
可以交流、咨询、答疑
2、内容说明
略
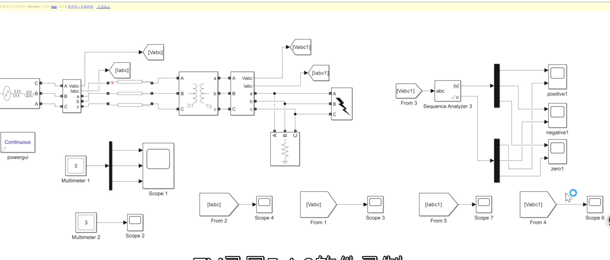
摘要:短路是电力系统中最容易发生的故障,每年因短路而引发的电气事故不计其数。本文详细介绍了短路故障产生的原因以及危害等,并重点介绍了Simulink仿真工具在电力系统中的应用。利用电力系统工具箱SPS和Simulink模块可以对电力系统故障进行仿真。在仿真平台上,以无限大电源系统为建模对象,经过模块选择,连线,参数设置等步骤,对电力系统可能出现的三相短路、单相短路、两相短路以及两相接地短路几种故障进行仿真。仿真结果表明,波形与理论分析基本一致,由此说明MATLAB在电力系统仿真研究中具有重要的实用价值[1]。
关键词:短路 电力系统 MATLAB 故障 仿真

3、仿真分析
略

4、参考论文
略基于MATLAB的电力系统短路故障分析与仿真
