Matlab 列车纵向滑模二阶自抗扰算法和PID对比
1、内容简介
Matlab 223-列车纵向滑模二阶自抗扰算法和PID对比
可以交流、咨询、答疑
2、内容说明
略
列车模型
在运行过程中,已知列车受到牵引力或者制动力,基本阻力和附加阻力的作用,规定与列车运行方向相同的力为正,与运行方向相反的力为负,则可写出列车的运动学方程如下所示:


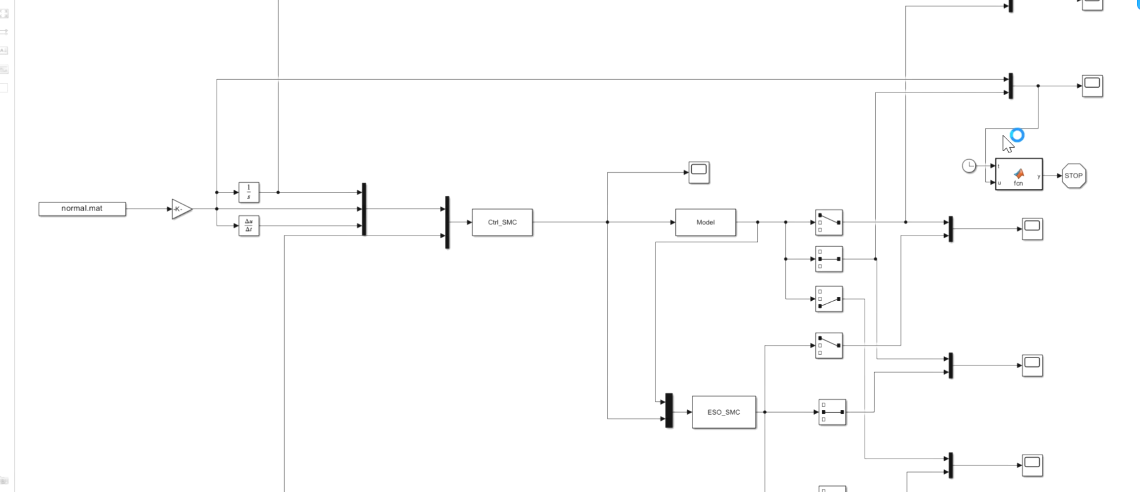
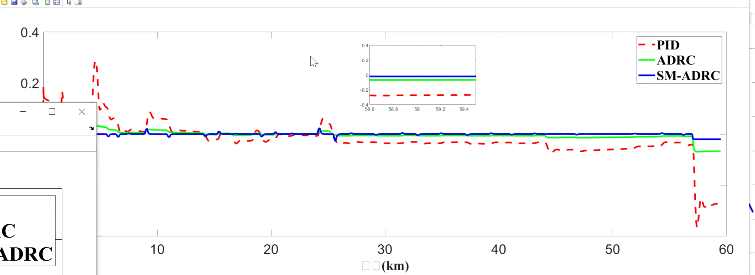
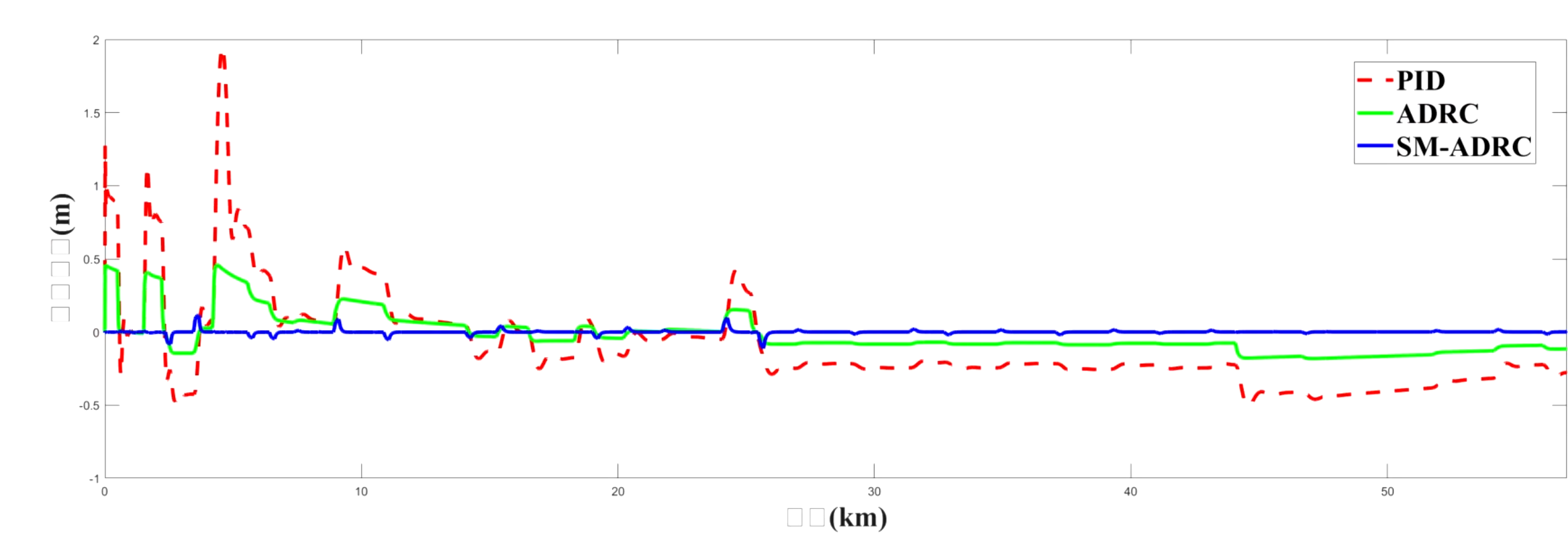
3、仿真分析
略



4、参考论文
略
1、内容简介
Matlab 223-列车纵向滑模二阶自抗扰算法和PID对比
可以交流、咨询、答疑
2、内容说明
略
在运行过程中,已知列车受到牵引力或者制动力,基本阻力和附加阻力的作用,规定与列车运行方向相同的力为正,与运行方向相反的力为负,则可写出列车的运动学方程如下所示:


3、仿真分析
略



4、参考论文
略