ZYNQ笔记(二十一): VDMA HDMI 彩条显示
版本:Vivado2020.2(Vitis)
任务:实现驱动 HDMI 显示彩条图像,同时支持输出给 HDMI 的图像分辨率可调。
目录
一、介绍
二、硬件设计
(1)DVI_Transmitter
(2)Clocking Wizard
(3)整体 BD 设计
三、软件设计
四、效果
一、介绍
原谅这次的笔记没有之前其他的笔记写的那么详细(东拼西凑写出来的,有点潦草),其实也是主要是将前面笔记中知识加以运用。
二、硬件设计
硬件设计和之前 VGA 彩条显示几乎一样,区别在于是将最后的 RGB888_to_444 模块转为了可以产生 HDMI 视频信号时序的 DVI_Transmitter 模块、同时 Clocking Wizard 多添加了一个时钟输出用于驱动 DVI_Transmitter 模块。
之前的系统搭建和软件部分设计可参考:ZYNQ笔记(十九):VDMA VGA 输出分辨率可调、ZYNQ笔记(十八):VDMA VGA彩条显示
(1)DVI_Transmitter
这个是用的正点原子的模块,内容很多实在懒得写了.....,将模块封装为 IP 核之后就可以在 BD 设计中使用了,这个在前面的笔记也有提到过:ZYNQ笔记(十七):IP核封装与接口定义

(2)Clocking Wizard
要支持输出给 HDMI 的图像分辨率可调,所以输出像素时钟需要通过 PS 端进行动态配置,因为驱动 DVI_Transmitter 模块需要两个时钟,一个像素时钟和一个5倍像素时钟,所以要同时配置两时钟输出,同样在前面的笔记有做介绍:ZYNQ笔记(二十):Clocking Wizard 动态配置

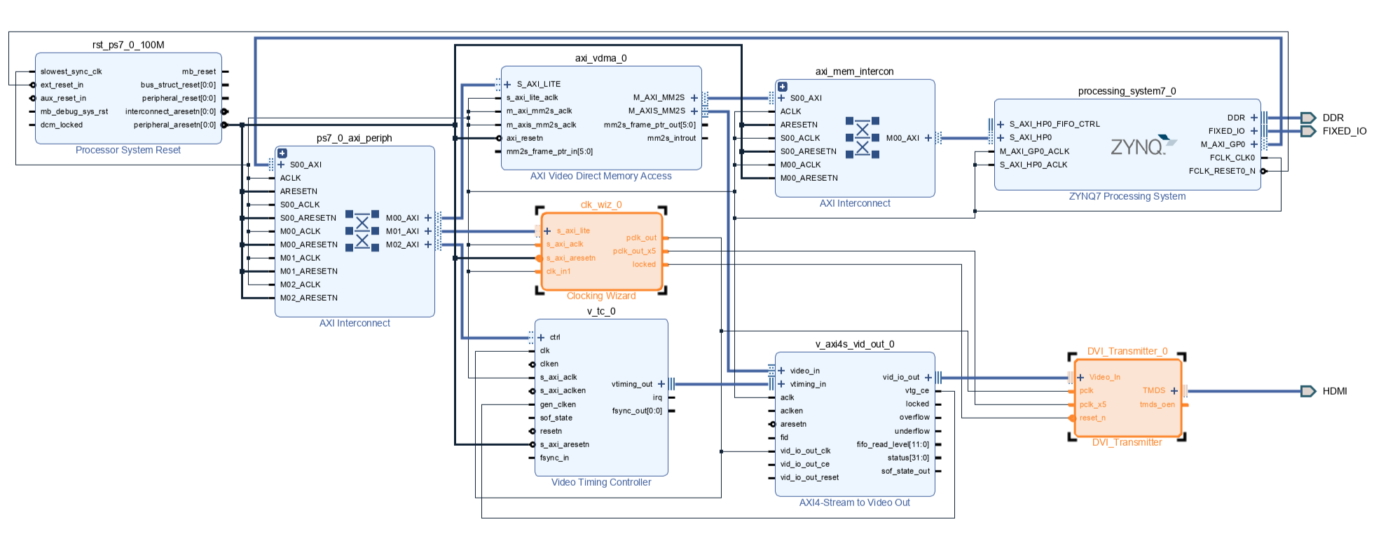
(3)整体 BD 设计
最后整体 bd 设计部分如图所示:设计检查、Generate Output Products、 Create HDL Wrapper、管脚约束、Gnerate Bitstream、Export Hardware(包含比特流文件)、启动Vitis
(标橙的模块是本次例程相较于 VGA 彩条显示有改动的地方)

三、软件设计
mian.c
#include "stdio.h"
#include "xil_printf.h"
#include "xparameters.h"
#include "xil_cache.h"
#include "xaxivdma.h"
#include "vdma_api/vdma_api.h"
#include "display_ctrl/display_ctrl.h"
#include "xclk_wiz.h"
#include "clk_wiz/clk_wiz.h"
#include "sleep.h"//======================宏定义======================//#define VDMA_ID XPAR_AXIVDMA_0_DEVICE_ID //VDMA器件ID
#define VTC_ID XPAR_VTC_0_DEVICE_ID //VTC器件ID
#define CLK_WIZ_ID XPAR_CLK_WIZ_0_DEVICE_ID //时钟IP核器件ID
#define DDR_BASE_ADDR XPAR_PS7_DDR_0_S_AXI_BASEADDR //DDR的基地址(在xparameters.h或lscript.ld查看)
#define MEM_BASE_ADDR (DDR_BASE_ADDR + 0x01000000) //DDR中存储数据缓存的基地址(确保在堆栈已使用DDR范围之后,lscript.ld查看)
#define PIXEL_BYTE 3 //一个像素数据所占字节(RGB888 3字节)//==================函数、变量声明==================//XAxiVdma Vdma; //VDMA实例
VideoMode vd_mode; //lcd_modes.h中定义的结构体,包含视频分辨率格式的各个参数
DisplayCtrl dispCtrl; //display_ctrl.h中定义的结构体,包含视频分辨率格式的各个参数static void Set_Mode(int mode);//调整输出分辨率
static void Write_Colorbar(); //向DDR数据缓存区域写数据//======================主函数======================//
int main()
{xil_printf("VDMA HDMI Colorbar Test\r\n");//设置输出分辨率Set_Mode(3);//VMODE_1280x720;xil_printf("Width: %u, Height: %u\r\n", vd_mode.width, vd_mode.height);//配置时钟IP输出频率(单位MHz)(第二个5倍像素时钟给DVI转换模块)clk_wiz_cfg(CLK_WIZ_ID, vd_mode.freq , (vd_mode.freq)*5);//配置并启动VDMA:(本例未使用中断)//(VDMA实例指针,器件ID,图像宽度,图像高度,帧缓存起始地址,中断帧计数(传输多少帧产生中断),中断使能,读写模式)run_vdma_frame_buffer(&Vdma, VDMA_ID, vd_mode.width, vd_mode.height, (int)MEM_BASE_ADDR, 0, 0, ONLY_READ);//初始化dispCtrl结构体(vd_mode默认1280x720@60)、初始化VTCDisplayInitialize(&dispCtrl, VTC_ID);//设置VTC时序参数DisplaySetMode(&dispCtrl, &vd_mode);//启动VTC时序生成DisplayStart(&dispCtrl);//向DDR数据缓存区域写数据(写彩条图像)Write_Colorbar((u8*)MEM_BASE_ADDR , vd_mode.width, vd_mode.height);return 0;
}//=============向DDR数据缓存区域写数据==============//
/** IMG_Buffer 指针,指向图像缓存的起始地址* IMG_WIDTH 图像宽度* IMG_HIGHT 图像高度*/
void Write_Colorbar(u8 *IMG_Buffer, u32 IMG_WIDTH, u32 IMG_HIGHT)
{u8 RGB_r, RGB_g, RGB_b;int x, y, addr;int segment_width = IMG_WIDTH / 7; // 每种颜色占1/7宽度// 向DDR缓存区域写像素数据(RGB888)for(y = 0; y < IMG_HIGHT; y++) {for(x = 0; x < IMG_WIDTH; x++) {// 根据x坐标确定颜色if(x < segment_width * 1) { // 红色RGB_r = 0xFF; RGB_g = 0x00; RGB_b = 0x00;}else if(x < segment_width * 2) { // 橙色RGB_r = 0xFF; RGB_g = 0x4F; RGB_b = 0x00;}else if(x < segment_width * 3) { // 黄色RGB_r = 0xFF; RGB_g = 0xBF; RGB_b = 0x00;}else if(x < segment_width * 4) { // 绿色RGB_r = 0x00; RGB_g = 0xFF; RGB_b = 0x00;}else if(x < segment_width * 5) { // 青色RGB_r = 0x00; RGB_g = 0xFF; RGB_b = 0xFF;}else if(x < segment_width * 6) { // 蓝色RGB_r = 0x00; RGB_g = 0x00; RGB_b = 0xFF;}else { // 紫色RGB_r = 0x7F; RGB_g = 0x00; RGB_b = 0xFF;}addr = y * (IMG_WIDTH * PIXEL_BYTE) + x * PIXEL_BYTE;IMG_Buffer[addr + 0] = RGB_b; // BIMG_Buffer[addr + 1] = RGB_g; // GIMG_Buffer[addr + 2] = RGB_r; // R}}// 刷新Cache,数据更新至内存Xil_DCacheFlush();xil_printf("Colorbar data ready\r\n");
}//==================调整输出分辨率==================//
void Set_Mode(int mode)
{switch(mode){case 1 : vd_mode = VMODE_640x480; break;case 2 : vd_mode = VMODE_800x600; break;case 3 : vd_mode = VMODE_1280x720; break;default: vd_mode = VMODE_1280x720; break;}xil_printf("Width: %u, Height: %u\r\n", vd_mode.width, vd_mode.height);
}
四、效果
彩条都是一样的,只是分辨率不一样,不过我的显示器上调出当前参数,只有频率对不上,都是相较于我的输出格式提高了,可能是因为显示器(我的显示器支持 2K 240Hz)对于低分辨率的输入做了帧率优化。不过分辨率肯定是没问题的:
640*480分辨率:

800*600分辨率:

1280*720分辨率:

