模拟设计中如何减小失配
Xx 芯片测试结果显示,offset 指标偏高,不符合指标要求。所以查看了资料,温习了减小的失配的方法。
注意点一:

将所有offet折算到输入端,得到以下公式:

可以看到a)阈值电压失配直接折算成输入offset。b)负载电阻失配与晶体管尺寸失配对失调的影响,随着(VGS-Vth)增大而增大。

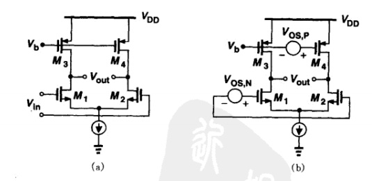
如果负载是管子

负载管对失调的作用需要乘以gmp/gmn.要减小失调需要减小负载管的gm,增大出入对管的gm。
注意点二:

电流镜之间的失配公式:

(Vgs-Vth)要大些,失配才小些。

由于有连线电阻,电流镜远距离匹配不容易。通常做法,送一路电流到本地,本地产生电流镜送到需要的模块。本地电流镜layout 需要遵循匹配画法,晶体管取向要一致,所有沟道长度必须相等。
注意点三:

大管子有线性梯度效应,引起失配,所以可以采用共中心的布局方法,但是连线对称要求会很高,很复杂。所以一般只采用一维交叉耦合的方法来抑制。

图a是ABBA,图b是ABAB。效果是ABBA 效果好。记得需要两边加dummy,因为有栅阴影效应,主要是离子注入的时候会倾斜7°,在注入区退火后,使源区和漏区的边缘的扩散产生了细微的不对称。


增加dummy管的方式,使M1和M2管的栅阴影效应一致。如果没有dummy,M1源区的右边是M2,M2源区的右边为场氧。M1和M2的周围环境不一致。
注意点四:
需匹配的管子周边环境需要保持一致,加dummy管是一种办法。还要注意以下几点
a)走线也需要对称
b)Poly 方向要一致
c)避免match管上走线,M1尤其要注意,如果不可避免,要对称
d)如果gate 要接长线,需要尽早改用高层走线,避免天线效应
e)网状poly连接不好,就是用poly相连成网状,建议把网状分开,用metal连线
f)Match管两边打的co和va 位置要对称,数量一致。
根据这些规则,检视了版图,去掉匹配管上的走线,改成其他方案走线。流片回来后重新测试,失配性能改善,满足规格要求。
