FPGA-数字时钟
FPGA-数字时钟
总体设计
用FPGA驱动数码管按照HH-MM-SS的格式显示时间,每秒用串口向上位机发送当前时间,当串口收到@HH:MM:SS,对时间进行校准。由于年月要考虑到大小月,闰年等。为了简单起见,只考虑时分秒。

数码管模块驱动
数码管硬件电路

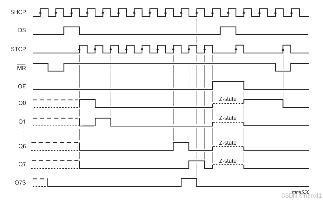
数码管分为段选SEG端和位选SEL端,其中SEG是一个八位的字段,每一位用于abcdefgh所表式的灯条在使能时是否亮起;SEL端也是一个八位的字段,用于使能对应数码管,在循环扫描时,字段中八位只有一位是有效的。(一次只使能一个数码管)
同时显示八个数码管的基本原理是,用一定频率依次单独控制一个数码管显示内容,当刷新频率在人眼余辉效应之内,肉眼看到的现象就是八个数码管同时亮起。(若用帧率比较高的摄像头去拍,则可以看到数码管是依次循环亮起的)
为了节约FPGA的端口资源,使用74HC595串转并模块,使需要的控制线的数量减少到三根。其工作原理就是,将SEG[7:0]和SEL[7:0]共十六位数据,通过Data[15:0]输入。但这十六位数据,只需通过FPGA的三根引脚(两根时钟线和一根数据线),串行的数据经过十六个时钟周期转存到两个74HC595模块的十六个输出引脚中。这样就不需要FPGA引出16根线来输出SEG和SEL的十六位数据。

前面提到使用74HC595模块需要两根时钟线,其中SHCP控制数据在移位寄存器上移位,而当移位完成后,通过控制STCP将数据转入到输出寄存器中。假如移位寄存器初始值为0000_0000有个8位数据1100_1100,则在第1-8个时钟信号的上升沿,移位寄存器的值为0000_0000 0000_0000 1000_0000 1100_0000 0110_0000 0011_0000 1001_1000 1100_1100,在数据准备完成时,控制STCP,则1100_1100这个数据才能被送到74HC595的输出端口。
数码管软件设计
根据数码管硬件电路的原理,将驱动数码管的过程分为两大模块。
前面提到,显示八个数码管的基本原理是,用一定频率依次单独控制一个数码管显示内容。其本质就是以一定频率去改变SEG字段和SEL字段的值,而这也是我们第一个模块需要完成的功能。(hex8.v)
而为了节约FPGA的端口资源用到了74HC595串转并模块。它由两根时钟线和一根数据线作为输入。首先,将第一个模块生产的SEL和SEG值,封装成{SEG, SEL}的形式,再生成SHCP时钟信号对数据进行移位,当数据准备完成时生成STCP将数据送到输出端口。这就是我们第二个模块需要完成的功能。(HC595_Driver.v)
hex8.v
// 八位数码管 扫描周期 20ms / 8 晶振为50MHz
module hex8(Clk,Reset_n,Data_IN[31: 0], // 要显示的内容 Sel[7:0], // 位选Seg[7:0], // 段选Ch_Flag // {SEG, SEL}值发送改变);input Clk;input Reset_n;input [31: 0] Data_IN;output reg [7: 0] Sel;output reg [7: 0] Seg;output reg Ch_Flag;// 计数器 1000000/8 20ms/8reg [31: 0] cnt;reg [2: 0] sel_idx;always@(posedge Clk or negedge Reset_n)if(!Reset_n)begincnt <= 0;sel_idx <= 0;endelse if(cnt == 1000000/8- 1)begincnt <= 0;sel_idx <= sel_idx + 1;endelse begincnt <= cnt + 1;end// 位选always@(posedge Clk or negedge Reset_n)if(!Reset_n)Sel <= 0;else begincase(sel_idx)0: Sel <= 8'b0000_0001;1: Sel <= 8'b0000_0010;2: Sel <= 8'b0000_0100;3: Sel <= 8'b0000_1000;4: Sel <= 8'b0001_0000;5: Sel <= 8'b0010_0000;6: Sel <= 8'b0100_0000;7: Sel <= 8'b1000_0000;endcaseend// 数据缓存reg [3: 0] data_temp;always@(posedge Clk or negedge Reset_n)if(!Reset_n)data_temp <= 0;else begincase(sel_idx)0: data_temp <= Data_IN[3: 0];1: data_temp <= Data_IN[3+4: 0+4];2: data_temp <= Data_IN[3+4*2: 0+4*2];3: data_temp <= Data_IN[3+4*3: 0+4*3];4: data_temp <= Data_IN[3+4*4: 0+4*4];5: data_temp <= Data_IN[3+4*5: 0+4*5];6: data_temp <= Data_IN[3+4*6: 0+4*6];7: data_temp <= Data_IN[3+4*7: 0+4*7];endcaseend// 段选always@(posedge Clk or negedge Reset_n)if(!Reset_n)Seg <= 0;else begincase(data_temp)4'h0: Seg <= 8'b1100_0000; // 0xc04'h1: Seg <= 8'b1111_1001; // 0xf94'h2: Seg <= 8'b1010_0100; // 0xa44'h3: Seg <= 8'b1011_0000; // 0xb04'h4: Seg <= 8'b1001_1001; // 0x994'h5: Seg <= 8'b1001_0010; // 0x924'h6: Seg <= 8'b1000_0010; // 0x824'h7: Seg <= 8'b1111_1000; // 0xf84'h8: Seg <= 8'b1000_0000; // 0x804'h9: Seg <= 8'b1001_0000; // 0x904'ha: Seg <= 8'b1000_1000; // 0x884'hb: Seg <= 8'b1000_0011; // 0x834'hc: Seg <= 8'b1100_0110; // 0xc64'hd: Seg <= 8'b1010_0001; // 0xa14'he: Seg <= 8'b1000_0110; // 0x86
// 4'hf: Seg <= 8'b1000_1110; // 0x8e4'hf: Seg <= 8'b1011_1111; // 显示 -endcaseend// Ch_Flagalways@(posedge Clk or negedge Reset_n)if(!Reset_n)Ch_Flag <= 0;else if(cnt == 2) // Seg 成功赋值需要两个机器周期Ch_Flag <= 1;elseCh_Flag <= 0;
endmodule
HC595_Driver.v
// 移动数据的频率为12.5MHz 则需要脉冲频率为25MHz
module HC595_Driver(Clk,Reset_n,Data[15: 0],En,SHCP, // SHCP 移位时钟DS, // 数据线,SHCP下降沿时改变数据STCP // STCP 停止时钟 );input Clk;input Reset_n;input [15: 0] Data;input En;output reg SHCP;output reg DS;output reg STCP;parameter MCNT = 2;// 缓存数据reg [15:0] r_data;always@(posedge Clk)if(En)beginr_data <= Data;end// 生成脉冲信号reg [31:0] div_counter;always@(posedge Clk or negedge Reset_n)if(!Reset_n)div_counter <= 0;else if(En)begindiv_counter <= 0; endelse if(div_counter == MCNT - 1)div_counter <= 0;else div_counter <= div_counter + 1;wire plus;assign plus = (div_counter == MCNT - 1);// SHCP 移位时钟边缘计数 每周期32个边缘reg [5: 0] shcp_edge_cnt;always@(posedge Clk or negedge Reset_n)if(!Reset_n)shcp_edge_cnt <= 0;else if(En)beginshcp_edge_cnt <= 0; endelse if(plus)begin// 16比特的数据 要16个周期才能准备完,共32个边缘 还有一个边缘等待将移位寄存器中的数据转移到输出端口if(shcp_edge_cnt == 32)shcp_edge_cnt <= 0;elseshcp_edge_cnt <= shcp_edge_cnt + 1;end// 根据SHCP时钟边缘 产生对应时序always@(posedge Clk or negedge Reset_n)if(!Reset_n)beginSHCP <= 0;DS <= 0;STCP <= 0;endelse if(En)beginSTCP <= 0;DS <= 0;SHCP <= 0;endelse begin// 根据时序图 生产时钟信号 在下降沿改变DS的数据(上升沿时,芯片会读取数据)// 16比特的数据 要16个周期才能准备完,共32个边缘 还有一个边缘等待将移位寄存器中的数据转移到输出端口case(shcp_edge_cnt)0: begin SHCP <= 0; DS <= r_data[15]; STCP <= 0; end1: begin SHCP <= 1; end2: begin SHCP <= 0; DS <= r_data[14]; end3: begin SHCP <= 1; end4: begin SHCP <= 0; DS <= r_data[13]; end5: begin SHCP <= 1; end6: begin SHCP <= 0; DS <= r_data[12]; end7: begin SHCP <= 1; end8: begin SHCP <= 0; DS <= r_data[11]; end9: begin SHCP <= 1; end10: begin SHCP <= 0; DS <= r_data[10]; end11: begin SHCP <= 1; end12: begin SHCP <= 0; DS <= r_data[9]; end13: begin SHCP <= 1; end14: begin SHCP <= 0; DS <= r_data[8]; end15: begin SHCP <= 1; end16: begin SHCP <= 0; DS <= r_data[7]; end17: begin SHCP <= 1; end18: begin SHCP <= 0; DS <= r_data[6]; end19: begin SHCP <= 1; end20: begin SHCP <= 0; DS <= r_data[5]; end21: begin SHCP <= 1; end22: begin SHCP <= 0; DS <= r_data[4]; end23: begin SHCP <= 1; end24: begin SHCP <= 0; DS <= r_data[3]; end25: begin SHCP <= 1; end26: begin SHCP <= 0; DS <= r_data[2]; end27: begin SHCP <= 1; end28: begin SHCP <= 0; DS <= r_data[1]; end29: begin SHCP <= 1; end30: begin SHCP <= 0; DS <= r_data[0]; end31: begin SHCP <= 1; end32: begin STCP <= 1; enddefault:begin STCP <= 0;DS <= 0;SHCP <= 0;endendcaseend
endmodule
UART串口模块驱动
UART通信原理
UART通信基本原理不再赘述,注意以下要点即可:
- 不发送时保持停止位
- 发送时先发送一个起始位
- 起始位后接八个Bit的数据
- 以停止位结束
- 发送一个字节的数据实际有10位(包含起始位和停止位)
- 异步通信,通信双方需要实现约定通信速率(波特率)
对于0基础读者通信原理可以参考STM32入门笔记10_USART串口通信+案例:上位机控制LED亮灭(USART串口通信、TIM定时器、EXTI综合案例)-CSDN博客

UART发送模块
uart_tx_byte.v
UART发送一个字节,重点讲下波特率计数值的计算方法:晶振为50MHz,则一个时钟周期为20ns;若波特率为9600,即将1s也就是1000000000ns分为9600份,每份时间为1000000000/9600,而计数1次是20ns,所以需要计数的次数为1000000000/9600/20=5208
module uart_tx_byte(Clk,Reset_n,Data[7:0],send_en,baud_set[2:0],START_BIT,STOP_BIT,uart_tx,tx_done,uart_state);input Clk;input Reset_n;input [7:0] Data;input send_en;input [2:0] baud_set;input START_BIT;input STOP_BIT;output reg uart_tx;output reg tx_done;output reg uart_state;// 波特率时钟设置reg [16:0] bps_DR; // 13位always@(baud_set)case(baud_set)3'd0: bps_DR <= 5208 - 1; // 96003'd1: bps_DR <= 2604 - 1; // 192003'd2: bps_DR <= 1302 - 1; // 384003'd3: bps_DR <= 868 -1; // 576003'd4: bps_DR <= 434 - 1; // 115200default: bps_DR <= 5208 - 1;endcase// 波特率时钟生成reg [16:0] div_cnt;always@(posedge Clk or negedge Reset_n)if(!Reset_n)div_cnt <= 0;else if(uart_state)beginif(div_cnt == bps_DR)div_cnt <=0;else div_cnt <= div_cnt + 1;endelsediv_cnt <= 0;// bps_clk genreg bps_clk;always@(posedge Clk or negedge Reset_n)if(!Reset_n)bps_clk <= 0;else if(div_cnt == 1)bps_clk <=1;else bps_clk <= 0;// bps counterreg [3:0] bps_cnt;always@(posedge Clk or negedge Reset_n)if(!Reset_n)bps_cnt <= 4'd0;else if(bps_cnt == 4'd11)bps_cnt <= 4'd0;else if(bps_clk)bps_cnt <= bps_cnt + 1; else bps_cnt <= bps_cnt;// 传送结束标志always@(posedge Clk or negedge Reset_n)if(!Reset_n)tx_done <= 0;else if(bps_cnt == 4'd11)tx_done <= 1;else tx_done <= 0;// 传输状态always@(posedge Clk or negedge Reset_n)if(!Reset_n)uart_state <= 0;else if(send_en)uart_state <= 1;else if(bps_cnt == 4'd11) // bps_cnt 计数到11, 确保有十个完整的波形uart_state <= 0;elseuart_state <= uart_state;// 数据缓存reg [7:0] data_byte_reg;always@(posedge Clk or negedge Reset_n)if(!Reset_n)data_byte_reg <= 8'd0;else if(send_en)data_byte_reg <= Data;elsedata_byte_reg <= data_byte_reg; // 发送数据 always@(posedge Clk or negedge Reset_n)if(!Reset_n)uart_tx = STOP_BIT;else begincase(bps_cnt)0:uart_tx <= STOP_BIT;1:uart_tx <= START_BIT;2:uart_tx <= data_byte_reg[0];3:uart_tx <= data_byte_reg[1];4:uart_tx <= data_byte_reg[2];5:uart_tx <= data_byte_reg[3];6:uart_tx <= data_byte_reg[4];7:uart_tx <= data_byte_reg[5];8:uart_tx <= data_byte_reg[6];9:uart_tx <= data_byte_reg[7];10:uart_tx <= STOP_BIT;default:uart_tx <= STOP_BIT;endcaseend
endmodule
uart_tx_data
若想发送多个字节的数据,则需事先确定需要发送数据的字节数,然后使用状态机的方法,在不同状态下执行不同操作。
module uart_tx_data(Clk,Reset_n,send_go,Data8[8*9-1: 0],uart_tx,trans_done);input Clk;input Reset_n;input send_go;input [8*9-1:0] Data8;output uart_tx;output reg trans_done;reg [7: 0] Data;reg [8*9-1: 0] Data8_reg;wire tx_done;wire uart_state;reg send_en;uart_tx_byte uart_tx_byte_instance(.Clk(Clk),.Reset_n(Reset_n),.Data(Data),.send_en(send_en),.baud_set(0),.START_BIT(0),.STOP_BIT(1),.uart_tx(uart_tx),.tx_done(tx_done),.uart_state(uart_state));reg [3:0] state;// 状态改变always@(posedge Clk or negedge Reset_n)if(!Reset_n)state <= 0;else if(state == 10)state <= 0;else if(state == 0)begin // 等待使能信号if(send_go)state <= state + 1;endelse if(tx_done) // 若发送完成state <= state + 1;// 发送使能always@(posedge Clk or negedge Reset_n)if(!Reset_n)send_en <= 0;else if(state == 0)beginif(send_go)send_en <= 1;endelse if(state == 10)send_en <= 0;else beginif(tx_done)send_en <= 1; // 发送完成 send_en 置 1,开始发送下一个字节elsesend_en <= 0; end// Data_reg 缓存数据always@(posedge Clk or negedge Reset_n)if(!Reset_n)Data8_reg <= 0;else if(state == 0)Data8_reg <= Data8;else if(tx_done) // 每发送完一个字节向右移动八位Data8_reg <= Data8_reg >> 8;elseData8_reg <= Data8_reg;// 根据state更新Data中的数据always@(posedge Clk or negedge Reset_n)if(!Reset_n)Data <= 0;else if(state == 10)Data <= 0;else if(state == 0)Data <= Data;else Data <= Data8_reg[7: 0];// trans_donealways@(posedge Clk or negedge Reset_n)if(!Reset_n)trans_done <= 0;else if(state == 0)trans_done <= 0;else if(state == 10)trans_done <= 1; // 所有数据发送完成 trans_done 置 1
endmodule
UART接收模块
uart_rx_byte
接收模块,只需接收一个字节即可,在上层模块中完成对多个字节数据的接收
// uart 接收模块, 每个比特数据采样16次,取中间八次进行统计判断高低电平
module uart_rx_byte(Clk,Reset_n,uart_rx,baud_set[2:0],Data[7:0],rx_done,rx_state);input Clk;input Reset_n;input uart_rx;input [2:0] baud_set;output reg[7:0] Data;output reg rx_done;output reg rx_state;reg [15:0] bsp_DR; // 设置波特率always@(baud_set)case(baud_set)0: bsp_DR <= 5208; // 96001: bsp_DR <= 2604; // 192002: bsp_DR <= 1302; // 384003: bsp_DR <= 868; // 576004: bsp_DR <= 434; // 115200default:bsp_DR <= 5208;endcase// 下降沿检测器和上升沿检测器reg [1:0] edge_reg;always@(posedge Clk or negedge Reset_n)if(!Reset_n)beginedge_reg <= 0;endelse beginedge_reg[0] <= uart_rx;edge_reg[1] <= edge_reg[0];endwire pos_reg;assign pos_reg = (edge_reg == 2'b01);wire neg_reg;assign neg_reg = (edge_reg == 2'b10);// rx_statealways@(posedge Clk or negedge Reset_n)if(!Reset_n)rx_state <= 0;else if(neg_reg) // 检测到下降沿rx_state <= 1; // 正在接收else if(rx_done) // 检测到发送结束rx_state <= 0; // 空闲中// 采样时钟生成reg [8: 0] bsp_clk;always@(posedge Clk or negedge Reset_n)if(!Reset_n)bsp_clk <= 0; else if(rx_state)beginif(bsp_clk == (bsp_DR / 16)-1)bsp_clk <= 0;else bsp_clk <= bsp_clk + 1;endelse bsp_clk <= 0;// 采样计数器 reg [5: 0] bsp_cnt;always@(posedge Clk or negedge Reset_n)if(!Reset_n)bsp_cnt <= 0;else if(rx_state)beginif(bsp_cnt == 15+1)bsp_cnt <= 0;// 这里要减1 若忘记减1 波特率会有比较大的误差 导致不能连续收到数据else if(bsp_clk == (bsp_DR / 16)-1)bsp_cnt <= bsp_cnt + 1;endelsebsp_cnt <= 0;// 收到的第几个字节的个数 data_idxreg [3: 0] data_idx;always@(posedge Clk or negedge Reset_n)if(!Reset_n)data_idx <= 0;else if(rx_state)beginif(bsp_cnt == 15+1)data_idx <= data_idx + 1;endelse if(rx_done)data_idx <= 0;elsedata_idx <= 0;// 统计采样到的数据reg [3: 0] StartBit;reg [3: 0] StopBit;reg [3: 0] bsp_Data_reg[7:0]; always@(posedge Clk or negedge Reset_n)if(!Reset_n)beginStartBit <= 0;bsp_Data_reg[0] <= 0;bsp_Data_reg[1] <= 0;bsp_Data_reg[2] <= 0;bsp_Data_reg[3] <= 0;bsp_Data_reg[4] <= 0;bsp_Data_reg[5] <= 0;bsp_Data_reg[6] <= 0;bsp_Data_reg[7] <= 0;StopBit <= 0;endelse if(rx_done) begin // 接收完清零StartBit <= 0;bsp_Data_reg[0] <= 0;bsp_Data_reg[1] <= 0;bsp_Data_reg[2] <= 0;bsp_Data_reg[3] <= 0;bsp_Data_reg[4] <= 0;bsp_Data_reg[5] <= 0;bsp_Data_reg[6] <= 0;bsp_Data_reg[7] <= 0;StopBit <= 0;endelse if(rx_state)begin // 如果正在接收// 这里要减1 若忘记减1 波特率会有比较大的误差 导致不能连续收到数据if(bsp_clk == (bsp_DR / 16 / 2)-1)begin // 采样时间到case(bsp_cnt)4,5,6,7,8,9,10,11:if(data_idx == 0)StartBit <= StartBit + uart_rx;else if(data_idx == 9)StopBit <= StopBit + uart_rx;elsebsp_Data_reg[data_idx-1] <= bsp_Data_reg[data_idx-1] + uart_rx;default:; endcase end end// 当data_idx == 11时, 发送rx_done信号always@(posedge Clk or negedge Reset_n)if(!Reset_n)rx_done <= 0;else if(rx_done)rx_done <= 0;else if(data_idx == 10)beginif(rx_state)rx_done <= 1;end// 根据统计结果保存数据always@(posedge Clk or negedge Reset_n)if(!Reset_n)Data <= 0;else if((neg_reg) && (!rx_state))Data <= 0;else if(bsp_cnt == 15)if((data_idx != 0) || (data_idx != 9)) // 不是起始位或停止位Data[data_idx - 1] <= (bsp_Data_reg[data_idx - 1] >= 4);endmodule
顶层模块设计
顶层模块中,对时分秒进行运算,例化hex8和HC595_Driver用于将数据显示到数码管,例化uart_rx_byte接收数据,例化uart_tx_data发送数据
digital_clock.v
hour minute second为时分秒对应的十进制数据,通过s_cnt计时器,每秒对 second进行自增,每60秒对minute进行自增,每60分对hour进行自增;
hour_hex minute_hex second_hex为十分秒对应的十进制数据,这些数据位宽为八位,高低四位分别存储十进制下的十位和个位值。该数据最终在hex8模块中,被用于生成段选数据;
hour_str_x minute_str_x second_str_x 字符串形式的时间量,每位通过一个字节的字符串表示 如10:11:12,有效数值部分共6个字节。该数据用:分隔打包好后,通过uart_tx_data模块,发送到上位机;
数据接受状态用rx_flag表示,接收时判断包头和分隔符,从而保证接收数据正确;
rx_hour rx_minute rx_second用于保存接收到的校准数据,根据rx_flag接收到的数据是时分或秒,若接收过程出错则不会对数据更新,只有当成功接收到正确数据时(rx_flag==9),才会对 hour minute和second执行赋值操作。
// 数字时钟 串口校时
module digital_clock(Clk,Reset_n,uart_tx,uart_rx,SHCP,DS,STCP);input Clk;input Reset_n;input uart_rx;output uart_tx;output SHCP;output DS;output STCP;reg [4:0] hour;reg [7:0] hour_hex;reg [5:0] minute;reg [7:0] minute_hex;reg [5:0] second;reg [7:0] second_hex;reg [3:0] rx_flag;reg [4:0] rx_hour;reg [5:0] rx_minute;reg [5:0] rx_second;// 1s计时器parameter MCNT = 50000000;reg [31: 0] s_cnt;always@(posedge Clk or negedge Reset_n)if(!Reset_n)s_cnt <= 0;else if(rx_flag == 9)s_cnt <= 0;else if(s_cnt == MCNT) s_cnt <= 0;elses_cnt <= s_cnt + 1;// second always@(posedge Clk or negedge Reset_n)if(!Reset_n)second <= 0;else if(rx_flag == 9)second <= rx_second;else if(second == 60)second <= 0;else if(s_cnt == MCNT - 1)second <= second + 1;// minutealways@(posedge Clk or negedge Reset_n)if(!Reset_n) minute <= 0;else if(rx_flag == 9)minute <= rx_minute;else if(minute == 60)minute <= 0;else if(second == 60)minute <= minute + 1;// hour always@(posedge Clk or negedge Reset_n)if(!Reset_n)hour <= 0;else if(rx_flag == 9)hour <= rx_hour; else if(hour == 24)hour <= 0;else if(minute == 60)hour <= hour + 1;// second_hexalways@(posedge Clk or negedge Reset_n)if(!Reset_n)second_hex <= 0;else beginsecond_hex[7: 4] <= second / 10;second_hex[3: 0] <= second % 10;end// minute_hexalways@(posedge Clk or negedge Reset_n)if(!Reset_n)minute_hex <= 0;else beginminute_hex[7: 4] <= minute / 10;minute_hex[3: 0] <= minute % 10;end// hour_hexalways@(posedge Clk or negedge Reset_n)if(!Reset_n)hour_hex <= 0;else beginhour_hex[7: 4] <= hour / 10;hour_hex[3: 0] <= hour % 10;end// hex8 showwire [31: 0] Data_IN;wire [7: 0] Sel;wire [7:0] Seg;wire Ch_Flag;assign Data_IN = {hour_hex, 4'hf, minute_hex, 4'hf, second_hex};hex8 hex8_ins(.Clk(Clk),.Reset_n(Reset_n),.Data_IN(Data_IN),.Sel(Sel), // 位选.Seg(Seg), // 段选.Ch_Flag(Ch_Flag));HC595_Driver HC595_Driver_ins(.Clk(Clk),.Reset_n(Reset_n),.Data({Seg, Sel}),.En(Ch_Flag),.SHCP(SHCP), // SHCP 移位时钟.DS(DS), // 数据线,SHCP下降沿时改变数据.STCP(STCP) // STCP 停止时钟 );// 串口发送当前时间reg [7: 0] Data;reg send_go;wire [7: 0] second_str_h;wire [7: 0] second_str_l;wire [7: 0] minute_str_h;wire [7: 0] minute_str_l;wire [7: 0] hour_str_h;wire [7: 0] hour_str_l;wire [7: 0] div_sig;wire [7: 0] end_sig;wire [8*9-1: 0] Data_Send;wire trans_done;assign second_str_l = second % 10 + "0";assign second_str_h = second / 10 + "0";assign minute_str_l = minute % 10 + "0";assign minute_str_h = minute / 10 + "0";assign hour_str_l = hour % 10 + "0";assign hour_str_h = hour / 10 + "0";assign div_sig = ":"; // 分隔符assign end_sig = "\n"; // 结束符 assign Data_Send = {end_sig, second_str_l, second_str_h, div_sig, minute_str_l, minute_str_h, div_sig, hour_str_l, hour_str_h};// 串口发送uart_tx_data uart_tx_data_ins(.Clk(Clk),.Reset_n(Reset_n),.send_go(send_go),.Data8(Data_Send),.uart_tx(uart_tx),.trans_done(trans_done));// send_goreg uart_tx_state;always@(posedge Clk or negedge Reset_n)if(!Reset_n)send_go <= 0;else if(s_cnt == MCNT - 1)begin if(uart_tx_state == 0)send_go <= 1; elsesend_go <= 0;endelse send_go <= 0;// uart_tx_statealways@(posedge Clk or negedge Reset_n)if(!Reset_n)uart_tx_state <= 0;else if(s_cnt == MCNT - 1)beginif(uart_tx_state == 0)uart_tx_state <= 1;endelse if(trans_done) // 数据全部发送完成 进入空闲态uart_tx_state <= 0;// 串口接收并授时wire [7: 0] Rx_Data_Reg;wire rx_done;wire rx_state;uart_rx_byte uart_rx_byte_ins(.Clk(Clk),.Reset_n(Reset_n),.uart_rx(uart_rx),.baud_set(0),.Data(Rx_Data_Reg),.rx_done(rx_done),.rx_state(rx_state));// rx_flag 状态机always@(posedge Clk or negedge Reset_n)if(!Reset_n)rx_flag <= 0;else if(rx_flag == 9)rx_flag <= 0;else if(rx_done)begincase(rx_flag)0:begin if(Rx_Data_Reg == "@") rx_flag <= rx_flag + 1;end1: rx_flag <= rx_flag + 1;2: rx_flag <= rx_flag + 1;3: beginif(Rx_Data_Reg == ":")rx_flag <= rx_flag + 1;else rx_flag <= 0;end4: rx_flag <= rx_flag + 1;5: rx_flag <= rx_flag + 1;6:beginif(Rx_Data_Reg == ":")rx_flag <= rx_flag + 1;else rx_flag <= 0;end7: rx_flag <= rx_flag + 1;8: rx_flag <= rx_flag + 1;default:rx_flag <= 0;endcaseend// rx_houralways@(posedge Clk or negedge Reset_n)if(!Reset_n)rx_hour <= 0;else if(rx_flag == 0)rx_hour <= 0;else if(rx_flag == 1)beginif(rx_done)rx_hour <= rx_hour + (Rx_Data_Reg - "0") * 10;endelse if(rx_flag == 2)beginif(rx_done)rx_hour <= rx_hour + (Rx_Data_Reg - "0");end// rx_minutealways@(posedge Clk or negedge Reset_n)if(!Reset_n)rx_minute <= 0;else if(rx_flag == 0)rx_minute <= 0;else if(rx_flag == 4)beginif(rx_done)rx_minute <= rx_minute + (Rx_Data_Reg - "0") * 10;endelse if(rx_flag == 5)beginif(rx_done)rx_minute <= rx_minute + (Rx_Data_Reg - "0");end // rx_secondalways@(posedge Clk or negedge Reset_n)if(!Reset_n)rx_second <= 0;else if(rx_flag == 0)rx_second <= 0;else if(rx_flag == 7)beginif(rx_done)rx_second <= rx_second + (Rx_Data_Reg - "0") * 10;endelse if(rx_flag == 8)beginif(rx_done)rx_second <= rx_second + (Rx_Data_Reg - "0");end
endmodule
digital_clock_tb.v
要看子模块的数据波形,自行Add to Wave
`timescale 1ns / 1nsmodule digital_clock_tb();reg Clk;reg Reset_n;wire uart_tx;reg uart_rx;wire SHCP;wire DS;wire STCP;digital_clock digital_clock_ins(.Clk(Clk),.Reset_n(Reset_n),.uart_tx(uart_tx),.uart_rx(uart_rx),.SHCP(SHCP),.DS(DS),.STCP(STCP));initial Clk = 1;always #10 Clk = !Clk;initial beginReset_n = 0;#201;Reset_n = 1;#20;uart_tx_byte_sim("@");@(posedge digital_clock_ins.rx_done);uart_tx_byte_sim("2");@(posedge digital_clock_ins.rx_done);uart_tx_byte_sim("3");@(posedge digital_clock_ins.rx_done);uart_tx_byte_sim(":");@(posedge digital_clock_ins.rx_done);uart_tx_byte_sim("5");@(posedge digital_clock_ins.rx_done);uart_tx_byte_sim("9");@(posedge digital_clock_ins.rx_done);uart_tx_byte_sim(":");@(posedge digital_clock_ins.rx_done);uart_tx_byte_sim("5");@(posedge digital_clock_ins.rx_done);uart_tx_byte_sim("5");@(posedge digital_clock_ins.rx_done);#1000000000;#1000000000;$stop;endtask uart_tx_byte_sim;input [7: 0] tx_data;beginuart_rx = 1;#20;uart_rx = 0;#52083;#52083;uart_rx = tx_data[0];#52083;#52083;uart_rx = tx_data[1];#52083;#52083;uart_rx = tx_data[2];#52083;#52083;uart_rx = tx_data[3];#52083;#52083;uart_rx = tx_data[4]; #52083;#52083;uart_rx = tx_data[5];#52083;#52083;uart_rx = tx_data[6]; #52083;#52083;uart_rx = tx_data[7];#52083;#52083;uart_rx =1;endendtask
endmodule
实验现象
FPGA-数字时钟
开发板型号
小梅哥FPGA ACX720
芯片型号: XC7A35TFGG484ABX2l
