项目实战-贪吃蛇大作战【补档】
这其实算是一个补档,因为这个项目是我在大一完成的,但是当时没有存档的习惯,今天翻以前代码的时候翻到了,于是乎补个档,以此怀念和志同道合的网友一起做项目的日子 ₍ᐢ ›̥̥̥ ༝ ‹̥̥̥ ᐢ₎♡
这里面我主要负责service层,网友负责view层
目录
1.需求文档
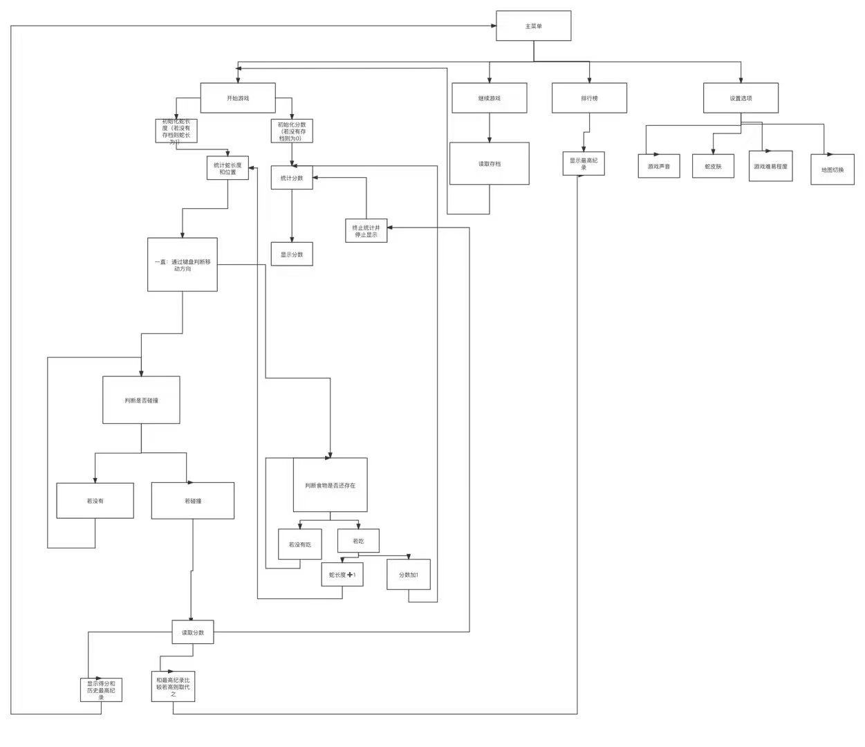
2.流程图
设计一
设计二
3.产品构思图
4.可行性分析
5.源代码
6.实战效果
7.心得
1.需求文档

2.流程图
processon是一个很好的流程图、思维导图等等的制作网站
设计一

设计二

权衡之后我们使用了第二种方案
3.产品构思图
这里我记得我们用的是墨刀

4.可行性分析
我找不到了ฅ(꒪˙꒳˙꒪ )ฅ ,不过肯定是可行性更大的doge
5.源代码
#define _CRT_SECURE_NO_WARNINGS 1
#include<stdio.h>
#include<stdlib.h>
#include<conio.h>
#include<windows.h>
#pragma warning(disable: 4996)
#define YH_W 20
#define YH_H 20
// 传入坐标, 将光标移动到指定坐标
int zhuozi;//自动生成食物参数
int score;//得分
char dir;//蛇的当前方向
int len;//蛇长(不计蛇头)
void gotoXY(int x, int y)
{COORD c;c.X = x - 1;c.Y = y - 1;SetConsoleCursorPosition(GetStdHandle(STD_OUTPUT_HANDLE), c);
}
void clear(int x, int y, int w, int h)
{for (int i = 0; i < h; i++) {gotoXY(x, y + i);for (int j = 0; j < w; j++) putchar(' ');}
}
void setPrintColor(int color) {SetConsoleTextAttribute(GetStdHandle(STD_OUTPUT_HANDLE), color);
}
/*贪吃蛇:菜单界面:展示选项: 进入游戏 排行榜 设置 退出用户ws移动光标回车确认选项进入游戏: 进入游戏界面排行榜: 敬请期待设置: 敬请期待退出: 结束游戏游戏界面:展示地图: 展示蛇 地图用户wasd移动蛇定时移动移动后:撞墙/撞自己: 死亡 结束游戏吃到食物: 长度+1 食物消失 生成新的食物 移动一格空地: 移动一格
*/
//-----------------数据设计------------------
/*-1表示横墙-2表示竖墙-3 -4 -5 -6分别代表四个角落0表示空地1表示蛇2表示食物map[3][5] = 2// 坐标(3,5)是食物
*/
int map[YH_H][YH_W];
/*s[i][j]i表示第i节身体j表示坐标 0表示x坐标 1表示y坐标s[2][0] = 5; 第[2]节身体x坐标 = 5s[2][1] = 3; 第[2]节身体y坐标 = 3蛇的第[2]节身体 坐标是(5,3)
*/
int s[YH_H * YH_W][2];//s[0][0] s[0][1]
//-----------------数据设计------------------
//---------------view-------------------
/*功能:while(1)}{1. 展示界面2. 接收玩家输入如果是ws 移动光标如果是回车 执行对应选项进入游戏: 进入游戏界面排行榜: 敬请期待设置: 敬请期待退出: 结束游戏}参数: void返回值: void
*/
void menuView();
/*功能:打印暂停界面参数:void返回值:void
*/
void zt();
/*功能:1. 初始化游戏数据: 蛇(蛇身, 长度, 方向), 地图(墙,食物) service提供初始化函数while(1){2. 调用map_view函数 打印/绘制界面: 蛇, 地图 view3. 判断用户有没有输入{ viewkbhit()如果有:判断用户输入的类型 view方向: 修改方向: service提供修改方向函数判断这个方向 能不能修改如果能修改 蛇的方向=输入方向//空格: 暂停游戏: 展示暂停界面}4. 移动{判断:判断蛇头 前面的位置 是什么东西 service提供判断函数 判断移动后的情况可能是墙/蛇身, 食物, 空地,打印失败界面,退到主菜单或者退出程序执行:如果是墙/蛇身: 游戏结束如果是空地/食物: 游戏继续 service提供修改函数 修改移动后的数据情况空地: 正常移动一格食物: 蛇长度+1, 正常移动一格, 去掉食物,生成一个新的食物}}参数: void返回值: void
*/
void gameView();
/*
功能:打印/绘制界面: 蛇, 地图
参数:void
返回值:void
*/
void map_view();
//---------------view-------------------
//---------------service-------------------
//service提供初始化函数
/*地图 蛇长度 蛇位置地图:地图周围一圈墙(1)地图中间初始化为空地(0)蛇位置:地图下方左边朝右走蛇方向: d食物:在地图中随机生成一个食物注意 食物不能和蛇身重叠参数: void返回值: void*/
void init(void);
//service提供修改方向函数
/*注意: service不接收输入 不打印界面功能:1. 判断用户输入的方向 和蛇的方向 是否冲突如果冲突: 返回02. 蛇的方向 = 用户输入方向返回1参数:userInput: 用户输入的方向返回值:0表示方向修改失败1表示方向修改成功
*/
int updateDir(char userInput);
//service提供判断函数 判断蛇头前面是什么
/*功能:1. 根据蛇头坐标 和蛇的方向 获取蛇头前一格的坐标2. 判断 地图中 这个坐标是什么内容如果是墙: 返回0如果是食物: 返回13. (如果是空地)遍历蛇身 判断这个坐标 是否和蛇身重复如果是: 返回0如果不是 返回2参数: void返回值:0表示前面是蛇身/墙1表示前面是食物2表示前面是空地
*/
int before();
//service提供修改函数 蛇移动后的数据情况
/*功能:1. 判断是吃到食物的情况 还是空地的情况2. 如果是食物:1. 蛇长度+12. 去掉地图上的食物3. 随机生成新的食物4. 蛇移动一格3. 如果是空地:1. 蛇移动一格参数:result:1 表示吃到食物的数据修改2: 表示空地的数据修改返回值: void*/
void move(int result);
void food();
/*功能:打印设置 排行榜界面(拓展功能 暂未实现)参数:void返回值:void*/
void more();
/*功能:打印结束界面及得分 跳回主界面参数:void返回值:void
*/
void end();
//---------------service-------------------
int main() {menuView();
}
void more() {system("cls");gotoXY(60, 5);printf("敬请期待!");gotoXY(58, 8);system("pause");system("cls");menuView();
}
void menuView() {int userChoose = 0;while (1) {// ----------------- 打印界面 -----------------gotoXY(64, 3);printf("贪吃蛇");if (userChoose == 0) setPrintColor(0x6f);gotoXY(64, 6);printf("开始游戏");if (userChoose == 0) setPrintColor(0x0f);if (userChoose == 1) setPrintColor(0x6f);gotoXY(65, 9);printf("排行榜");if (userChoose == 1) setPrintColor(0x0f);if (userChoose == 2) setPrintColor(0x6f);gotoXY(64, 12);printf("游戏设置");if (userChoose == 2) setPrintColor(0x0f);if (userChoose == 3) setPrintColor(0x6f);gotoXY(64, 15);printf("退出游戏");if (userChoose == 3) setPrintColor(0x0f);gotoXY(56, 19);printf("制作团队:发际线与我作队");gotoXY(54, 23);printf("提示:1.WASD进行上下左右移动\n 2.长按WASD或者Esc可加速\n 3.游戏中按空格可以暂停\n ?.请自行眨眼补帧(狗头)");gotoXY(58, 21);printf("特别鸣谢:启动小学长");// ---------------- 接收用户输入 --------------char input = _getch();// -------------判断是方向上下还是回车------------switch (input) {case 'w':userChoose -= 1;if (userChoose == -1) userChoose = 3;break;case 's':userChoose = (userChoose + 1) % 4;break;case '\r':clear(3, 2, 80, 20);switch (userChoose) {case 0:gameView();break;case 1:more();break;case 2:more();break;case 3:exit(0);break;}clear(3, 2, 36, 20);break;}}
}
void gameView()
{score = 0;int k = 0;init();//初始化地图system("cls");gotoXY(0, 0);while (1){map_view();//打印地图k = 10000;while (k--){if (kbhit()){break;}}if (k > 0){char input = getch();if (input == 's' || input == 'w' || input == 'a' || input == 'd'){if (updateDir(input)) dir = input;//若输入有效,则更新方向}else if (input == ' ') zt();}//判断前面if (before() == 1 || before() == -1 || before() == -2) end();//前面是墙或蛇身,结束游戏else if (before() == 0) move(0);//前面是空地,蛇尾往前,蛇头往前else if (before() == 2)//前面是食物,吃掉食物{move(2);//蛇尾不变,蛇头往前}}
}
int updateDir(char userInput)
{int cha[2];if (len != 1){cha[0] = s[0][0] - s[1][0];cha[1] = s[0][1] - s[1][1];//蛇头反方向if (userInput == 'w' && cha[0] == 1 || userInput == 's' && cha[0] == -1 || userInput == 'a' && cha[1] == 1 || userInput == 'd' && cha[1] == -1){return 0;//枚举失败的情况}}return 1;
}
void map_view()
{system("cls");gotoXY(0, 0);for (int i = 0; i <= 19; i++){for (int j = 0; j <= 19; j++){if (i == s[0][0] && j == s[0][1]) {setPrintColor(6);//黄色printf(" ● ");}else {switch (map[i][j]) {case -1:setPrintColor(9);//浅蓝色printf("═══");break;case -2:setPrintColor(9);//浅蓝色printf(" ║ ");break;case -3:setPrintColor(9);//浅蓝色printf(" ╔═");break;case -4:setPrintColor(9);//浅蓝色printf("═╗ ");break;case -5:setPrintColor(9);//浅蓝色printf("═╝ ");break;case -6:setPrintColor(9);//浅蓝色printf(" ╚═");break;case 0:setPrintColor(7);//白色printf(" □ ");break;case 2:setPrintColor(2);//绿色printf(" ● ");break;case 1:setPrintColor(7);//白色printf(" ● ");break;}}}printf("\n");}gotoXY(0, 0);setPrintColor(7);printf("分数:%2d", score);
}
int before()
{switch (dir){case'w':return map[s[0][0] - 1][s[0][1]];case's':return map[s[0][0] + 1][s[0][1]];case'a':return map[s[0][0]][s[0][1] - 1];case'd':return map[s[0][0]][s[0][1] + 1];}
}
void food() {int food_x, food_y;while (1) {food_x = rand() % 18 + 1;food_y = rand() % 18 + 1;if (map[food_x][food_y] == 0) {map[food_x][food_y] = 2;break;}}
}
void end()
{system("cls");gotoXY(10, 10);printf("游戏结束,你的得分为%d分。 ", score);system("pause");system("cls");menuView();
}
void init() {len = 2;//蛇头不计入长度dir = 'd';//初始方向为右for (int i = 0; i <= 19; ++i){map[i][0] = -2;map[0][i] = -1;map[19][i] = -1;map[i][19] = -2;}map[0][0] = -3;map[0][19] = -4;map[19][19] = -5;map[19][0] = -6;for (int i = 1; i <= 18; ++i){for (int t = 1; t <= 18; ++t)map[i][t] = 0;}s[0][0] = 10;s[0][1] = 11;s[1][0] = 10;s[1][1] = 10;map[10][10] = 1;map[10][11] = 1;food();
}
void move(int result) {zhuozi %= 10;zhuozi++;if (zhuozi == 1) food();//每过一会刷出食物int xx = s[0][0], yy = s[0][1];switch (dir) {case 'w':xx = s[0][0] - 1;yy = s[0][1];break;case 'a':xx = s[0][0];yy = s[0][1] - 1;break;case 's':xx = s[0][0] + 1;yy = s[0][1];break;case 'd':xx = s[0][0];yy = s[0][1] + 1;break;}if (result == 2){++len;for (int i = len - 1; i >= 1; i--){s[i][0] = s[i - 1][0];s[i][1] = s[i - 1][1];}food();score += 20;}else{map[s[len - 1][0]][s[len - 1][1]] = 0;for (int i = len - 1; i >= 1; i--){s[i][0] = s[i - 1][0];s[i][1] = s[i - 1][1];}}s[0][0] = xx;s[0][1] = yy;map[xx][yy] = 1;
}
void zt()
{system("cls");gotoXY(10, 10);printf("游戏已暂停,按下空格解除暂停");while (1){char input_z = getch();if (input_z == ' ') break;}map_view();
}
6.实战效果


7.心得
虽然过去有段时间了,但是我还是想得起和有同样目标方向的网友做项目的开心,大一刚进入大学不久一切还不是很适应,但是和网友一起做项目让我不再那么紧张,也慢慢开始适应大学生活,虽然现在不经常联系了,但是人生每个阶段都有各个阶段你会遇到的人,重要的是一起变得更好,一起向远方
