2025.4.26_STM32_SPI
1.SPI简介

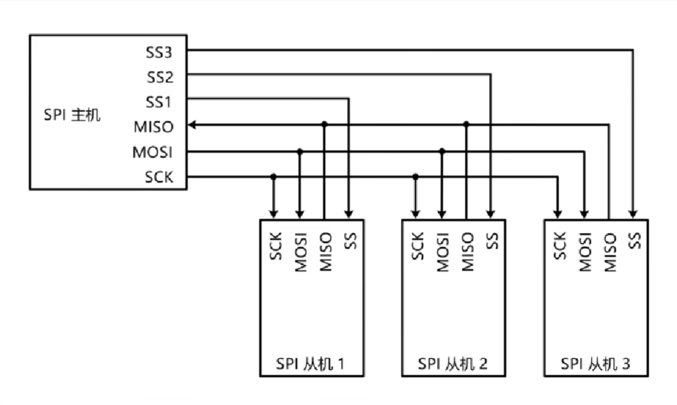
2.硬件电路
所有SPI设备的SCK(时钟)、MOSI(主机输出从机输入)、MISO(主机输入从机输出)分别连在一起。SCK线只能被主机控制,和I2C相同。
主机另外引出多条SS控制线,分别接到各从机的SS引脚 (SS不用的时候为高电平,当主机需要选中某个从机时将对应的SS置为低电平,同一时刻只能选择一个从机)
输出引脚配置为推挽输出,输入引脚配置为浮空或上拉输入
在从机SS=1,也就是从机未被选择状态,它的MISO必须关闭输出,也就是高阻态

2.1 移位示意图(交换数据原理)
 波特率发生器产生时钟驱动以为寄存器进行移位,在信号的上升沿所有数据(包括主机和从机)往左移动一位,信号的下降沿进行采样,也就是主机从左边移出去的数据到达从机的右边,从机从左边移出的数据到达主机的左边。重复多次就能交换一个字节。如果只想发送不想接收,那就发送一个随机值
        波特率发生器产生时钟驱动以为寄存器进行移位,在信号的上升沿所有数据(包括主机和从机)往左移动一位,信号的下降沿进行采样,也就是主机从左边移出去的数据到达从机的右边,从机从左边移出的数据到达主机的左边。重复多次就能交换一个字节。如果只想发送不想接收,那就发送一个随机值


3.SPI的基本时序
3.1 开始

SS从高电平变到低电平 (SS是低电平有效,当SS为低电平时相当于告诉对应地址线上的从机被选中了)
3.2 结束

SS从低电平变到高电平(SS是低电平有效,当SS为高电平时相当于告诉对应地址线上的从机通信结束了)
3.3 交换一个字节
3.3.1 模式0

SCK在上升沿的时候完成数据交换,在下降沿的时候移出数据,这就要求数据在SCK上升沿之前就要把数据移出, 相较于模式一相当于移出数据提前了半个相位。
3.3.2 模式1

SCK在上升沿的时候主机和从机进行数据移位到对应的MOSI和MIS线上,在下降沿的时候移入数据。这样就完成了一位数据的交换。重复八次就完成了一个字节数据的交换。
3.3.3 模式2

SCK和模式0极性相反,也是提前移出数据,但是在SCK下降沿移入数据,上升沿移出数据。
3.3.4 模式3

SCK和模式1的极性相反,SCK下降沿移出数据,上升沿移入数据
3.3.5 注意:
CPHA只规定是在第一个时钟沿移入数据还是在第二个时钟沿移入数据,并不特指上升沿或下降沿。需要配合CPOL才能确定上升沿还是下降沿。
4.W25Q64
4.1简介
W25Oxx系列是一种低成本、小型化、使用简单的非易失性存储器
常应用于数据存储、字库存储、固件程序存储等场景
存储介质:NorFlash(闪存)
时钟频率:180MHz/160MHz(DualSP)/320MHz(Ouad SPl)
Dual是双重SPI,是指发送的时候同时用MOSI和MISO同时进行发送,减少资源浪费。
Quad是四重SPI,是在双重的基础上再加上HOLD和WP两条数据线进行传输。
4.2 引脚定义

4.3 Flash写入注意事项
4.4 操作W25Q64
4.4.1 写使能
void W25Q64_WriteEnable(void)
{MySPI_Start();MySPI_SwapByte(W25Q64_WRITE_ENABLE);MySPI_Stop();
}
4.4.2 等待空闲
void W25Q64_WaitBusy(void)
{uint32_t timeout = 0;MySPI_Start();MySPI_SwapByte(W25Q64_READ_STATUS_REGISTER_1);while((MySPI_SwapByte(W25Q64_DUMMY_BYTE) & 0x01) == 1){timeout++;if(timeout == 100000)break;}MySPI_Stop();
}4.4.3 页写
void W25Q64_PageProgram(uint32_t Address , uint8_t *data , uint8_t Count)
{W25Q64_WriteEnable();MySPI_Start();MySPI_SwapByte(W25Q64_PAGE_PROGRAM );MySPI_SwapByte(Address >> 16);MySPI_SwapByte(Address >> 8);MySPI_SwapByte(Address);for(uint8_t i = 0; i<Count ; i++){MySPI_SwapByte(data[i]);}MySPI_Stop();W25Q64_WaitBusy();
}
4.4.4 扇区擦除
void W25Q64_SectorErase(uint32_t Address )
{W25Q64_WriteEnable();MySPI_Start();MySPI_SwapByte(W25Q64_SECTOR_ERASE_4KB );MySPI_SwapByte(Address >> 16);MySPI_SwapByte(Address >> 8);MySPI_SwapByte(Address);MySPI_Stop();W25Q64_WaitBusy();
}4.4.5 读数据
void W25Q64_ReadData(uint32_t Address , uint8_t *data , uint32_t Count)
{MySPI_Start();MySPI_SwapByte(W25Q64_READ_DATA );MySPI_SwapByte(Address >> 16);MySPI_SwapByte(Address >> 8);MySPI_SwapByte(Address);for(uint32_t i = 0; i < Count ; i++){data[i] = MySPI_SwapByte(W25Q64_DUMMY_BYTE);}MySPI_Stop();
}

