(51单片机)LCD展示动画(延时函数)(LLCD1602教程)
前言:
前面我们说过,之前LCD1602模块有点难,但是现在,我们通过几遍博客的学习,今天来讲一下LCD1602的原理
演示视频:
LCD1602流动
源代码:
main.c
#include <STC89C5xRC.H>
#include "LCD1602.h"
#include "Delay.h"void main()
{LCD_Init();						//LCD初始化LCD_ShowChar(1,1,'A');			//在1行1列显示字符ALCD_ShowString(1,3,"Hello");	//在1行3列显示字符串HelloLCD_ShowNum(1,9,66,2);			//在1行9列显示数字66,长度为2LCD_ShowSignedNum(1,12,-88,2);	//在1行12列显示有符号数字-88,长度为2LCD_ShowHexNum(2,1,0xA5,2);		//在2行1列显示十六进制数字0xA5,长度为2LCD_ShowBinNum(2,4,0xA5,8);		//在2行4列显示二进制数字0xA5,长度为8LCD_ShowChar(2,13,0xDF);		//在2行13列显示编码为0xDF的字符LCD_ShowChar(2,14,'C');			//在2行14列显示字符CLCD_ShowString(1,16,"I Love You");while(1){LCD_WriteCommand(0x18);Delay(500);}
}
LCD1602.c
#include <STC89C5xRC.H>//引脚配置:
sbit LCD_RS=P2^6;
sbit LCD_RW=P2^5;
sbit LCD_EN=P2^7;
#define LCD_DataPort P0//函数定义:
/*** @brief  LCD1602延时函数,12MHz调用可延时1ms* @param  无* @retval 无*/
void LCD_Delay()		//@11.0592MHz
{unsigned char i, j;i = 11;j = 190;do{while (--j);} while (--i);
}/*** @brief  LCD1602写命令* @param  Command 要写入的命令* @retval 无*/
void LCD_WriteCommand(unsigned char Command)
{LCD_RS=0;LCD_RW=0;LCD_DataPort=Command;LCD_EN=1;LCD_Delay();LCD_EN=0;LCD_Delay();
}/*** @brief  LCD1602写数据* @param  Data 要写入的数据* @retval 无*/
void LCD_WriteData(unsigned char Data)
{LCD_RS=1;LCD_RW=0;LCD_DataPort=Data;LCD_EN=1;LCD_Delay();LCD_EN=0;LCD_Delay();
}/*** @brief  LCD1602设置光标位置* @param  Line 行位置,范围:1~2* @param  Column 列位置,范围:1~16* @retval 无*/
void LCD_SetCursor(unsigned char Line,unsigned char Column)
{if(Line==1){LCD_WriteCommand(0x80|(Column-1));}else if(Line==2){LCD_WriteCommand(0x80|(Column-1+0x40));}
}/*** @brief  LCD1602初始化函数* @param  无* @retval 无*/
void LCD_Init()
{LCD_WriteCommand(0x38);//八位数据接口,两行显示,5*7点阵LCD_WriteCommand(0x0c);//显示开,光标关,闪烁关LCD_WriteCommand(0x06);//数据读写操作后,光标自动加一,画面不动LCD_WriteCommand(0x01);//光标复位,清屏
}/*** @brief  在LCD1602指定位置上显示一个字符* @param  Line 行位置,范围:1~2* @param  Column 列位置,范围:1~16* @param  Char 要显示的字符* @retval 无*/
void LCD_ShowChar(unsigned char Line,unsigned char Column,char Char)
{LCD_SetCursor(Line,Column);LCD_WriteData(Char);
}/*** @brief  在LCD1602指定位置开始显示所给字符串* @param  Line 起始行位置,范围:1~2* @param  Column 起始列位置,范围:1~16* @param  String 要显示的字符串* @retval 无*/
void LCD_ShowString(unsigned char Line,unsigned char Column,char *String)
{unsigned char i;LCD_SetCursor(Line,Column);for(i=0;String[i]!='\0';i++){LCD_WriteData(String[i]);}
}/*** @brief  返回值=X的Y次方*/
int LCD_Pow(int X,int Y)
{unsigned char i;int Result=1;for(i=0;i<Y;i++){Result*=X;}return Result;
}/*** @brief  在LCD1602指定位置开始显示所给数字* @param  Line 起始行位置,范围:1~2* @param  Column 起始列位置,范围:1~16* @param  Number 要显示的数字,范围:0~65535* @param  Length 要显示数字的长度,范围:1~5* @retval 无*/
void LCD_ShowNum(unsigned char Line,unsigned char Column,unsigned int Number,unsigned char Length)
{unsigned char i;LCD_SetCursor(Line,Column);for(i=Length;i>0;i--){LCD_WriteData(Number/LCD_Pow(10,i-1)%10+'0');}
}/*** @brief  在LCD1602指定位置开始以有符号十进制显示所给数字* @param  Line 起始行位置,范围:1~2* @param  Column 起始列位置,范围:1~16* @param  Number 要显示的数字,范围:-32768~32767* @param  Length 要显示数字的长度,范围:1~5* @retval 无*/
void LCD_ShowSignedNum(unsigned char Line,unsigned char Column,int Number,unsigned char Length)
{unsigned char i;unsigned int Number1;LCD_SetCursor(Line,Column);if(Number>=0){LCD_WriteData('+');Number1=Number;}else{LCD_WriteData('-');Number1=-Number;}for(i=Length;i>0;i--){LCD_WriteData(Number1/LCD_Pow(10,i-1)%10+'0');}
}/*** @brief  在LCD1602指定位置开始以十六进制显示所给数字* @param  Line 起始行位置,范围:1~2* @param  Column 起始列位置,范围:1~16* @param  Number 要显示的数字,范围:0~0xFFFF* @param  Length 要显示数字的长度,范围:1~4* @retval 无*/
void LCD_ShowHexNum(unsigned char Line,unsigned char Column,unsigned int Number,unsigned char Length)
{unsigned char i,SingleNumber;LCD_SetCursor(Line,Column);for(i=Length;i>0;i--){SingleNumber=Number/LCD_Pow(16,i-1)%16;if(SingleNumber<10){LCD_WriteData(SingleNumber+'0');}else{LCD_WriteData(SingleNumber-10+'A');}}
}/*** @brief  在LCD1602指定位置开始以二进制显示所给数字* @param  Line 起始行位置,范围:1~2* @param  Column 起始列位置,范围:1~16* @param  Number 要显示的数字,范围:0~1111 1111 1111 1111* @param  Length 要显示数字的长度,范围:1~16* @retval 无*/
void LCD_ShowBinNum(unsigned char Line,unsigned char Column,unsigned int Number,unsigned char Length)
{unsigned char i;LCD_SetCursor(Line,Column);for(i=Length;i>0;i--){LCD_WriteData(Number/LCD_Pow(2,i-1)%2+'0');}
}
LCD1602.h
#ifndef __LCD1602_H__
#define __LCD1602_H__//用户调用函数:
void LCD_WriteCommand(unsigned char Command);
void LCD_Init();//初始化
void LCD_ShowChar(unsigned char Line,unsigned char Column,char Char);//显示单个字符
void LCD_ShowString(unsigned char Line,unsigned char Column,char *String);//显示字符串
void LCD_ShowNum(unsigned char Line,unsigned char Column,unsigned int Number,unsigned char Length);//显示数字
void LCD_ShowSignedNum(unsigned char Line,unsigned char Column,int Number,unsigned char Length);//显示带符号数字
void LCD_ShowHexNum(unsigned char Line,unsigned char Column,unsigned int Number,unsigned char Length);//显示十进制数字
void LCD_ShowBinNum(unsigned char Line,unsigned char Column,unsigned int Number,unsigned char Length);//显示二进制数字#endif
Delay.c
void Delay(unsigned int xms)
{unsigned char i, j;while(xms--){i = 2;j = 239;do{while (--j);} while (--i);}
}Delay.h
#ifndef __DELAY_H__
#define __DELAY_H__void Delay(unsigned int xms);#endif
代码解析与教程:
Dealy模块
- 包含源代码与头文件,不需要知道怎么实现的会用即可,后续使用,直接将头文件和源代码拿过来用即可;
xms是定义的毫秒,1000毫秒就是1秒;模版生成的是1毫秒的,因此xms等于1000
LCD1602模块
- LCD1602相关重要知识:
- LCD1602有两上下两行显示屏,每行各有16个小显示屏,如上图中的LCD_ShowString(1,3,"Hello"),第一个参数是第一行还是第二行,第2个参数是对应第几行的第几个小显示屏,最后一个是输出的东西,同理,到LCD_ShowNum(1,9,123,3)里,前三个和前面一样,最后一个参数是显示的位数,不够就在前面补0,例如输入1,参数为4,显示就是0001,输入23,参数为3,显示就是023
- 先看原理图
VO是调节显示亮度的,让你的显示屏显示更清楚。
RS,WR,EN(E)是引脚定义,看单片机核心,对应着P25,P26,P27:(下述所有代码WR都写成了RW,不过不影响,引脚对就行)
再看D0-D7,也就是数据,看单片机核心可知,对应着P00-P07,也就是P0,因此宏定义LCD_DataPort=P0;
//引脚配置: sbit LCD_RS=P2^6; sbit LCD_RW=P2^5; sbit LCD_EN=P2^7; #define LCD_DataPort P0
LCD1602,屏幕是16*2的,每一个小格格就是CGRAM+CGROM(字模库)组成,这个东西就是显示数据的,这些数据是DDPAN(数据显示区)来存储的,然后映射到屏幕上,一一对应;但是DDRAM有40*2个小格格,因此,LCD1602,其实可以滚动显示;然后DDRAM是由控制器来决定的,AC就是小格格的地址;
DDRAM部分
看第8个DDRAM部分:前两个是00
上图就是DDRAM的地址,也就是小格格的,如果是第一行显示,A6前面那个等于0就行了,A6前面等于1就是第二行显示,剩下的A6-A0就是小格格的地址,比如第一个,0000 0000,因此简写成00H,第二行第一个,0100 0000,0x40,简写40H,以此类推;
CGRAM+CGROM部分
这部分可以理解成二维数组,比如你想显示A,在图中找到A,A的列是0100,行是0001,把列放到行的前面组成二进制就是他的地址,0100 0001,就是0x41;
来看编码表,A确实是0x41;
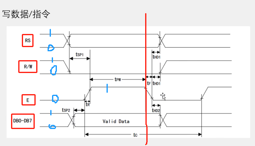
- 掌握上述知识,就可以写显示数据了,这里只讲写数据/指令:
写指令/数据部分
可以看到,写入一个数据要将RS变化(默认为1),R/W变化(默认为1),EN(E)也要变化,因此有:
/*** @brief LCD1602延时函数,12MHz调用可延时1ms* @param 无* @retval 无*/ void LCD_Delay() //@11.0592MHz {unsigned char i, j;i = 11;j = 190;do{while (--j);} while (--i); }/*** @brief LCD1602写命令* @param Command 要写入的命令* @retval 无*/ void LCD_WriteCommand(unsigned char Command) {LCD_RS=0;LCD_RW=0;LCD_DataPort=Command;LCD_EN=1;LCD_Delay();LCD_EN=0;LCD_Delay(); }/*** @brief LCD1602写数据* @param Data 要写入的数据* @retval 无*/ void LCD_WriteData(unsigned char Data) {LCD_RS=1;LCD_RW=0;LCD_DataPort=Data;LCD_EN=1;LCD_Delay();LCD_EN=0;LCD_Delay(); }注意:EN(E)操作的时候需要时间,数据读取需要时间,因此延时1ms;RS在写数据和指令的时候不一样,前者1,后者0;
屏幕显示部分
由上控制指令,完成操作,就可以初始化屏幕:
/*** @brief LCD1602初始化函数* @param 无* @retval 无*/ void LCD_Init() {LCD_WriteCommand(0x38);//八位数据接口,两行显示,5*7点阵LCD_WriteCommand(0x0c);//显示开,光标关,闪烁关LCD_WriteCommand(0x06);//数据读写操作后,光标自动加一,画面不动LCD_WriteCommand(0x01);//光标复位,清屏 }然后是显示字符的操作,先用指令确定AC地址:
/*** @brief LCD1602设置光标位置* @param Line 行位置,范围:1~2* @param Column 列位置,范围:1~16* @retval 无*/ void LCD_SetCursor(unsigned char Line,unsigned char Column) {if(Line==1){LCD_WriteCommand(0x80|(Column-1));}else if(Line==2){LCD_WriteCommand(0x80|(Column-1+0x40));} }然后发送数据:
字符:
/*** @brief 在LCD1602指定位置上显示一个字符* @param Line 行位置,范围:1~2* @param Column 列位置,范围:1~16* @param Char 要显示的字符* @retval 无*/ void LCD_ShowChar(unsigned char Line,unsigned char Column,char Char) {LCD_SetCursor(Line,Column);LCD_WriteData(Char); }确定AC地址,然后用函数直接写数据;
字符串:
/*** @brief 在LCD1602指定位置开始显示所给字符串* @param Line 起始行位置,范围:1~2* @param Column 起始列位置,范围:1~16* @param String 要显示的字符串* @retval 无*/ void LCD_ShowString(unsigned char Line,unsigned char Column,char *String) {unsigned char i;LCD_SetCursor(Line,Column);for(i=0;String[i]!='\0';i++){LCD_WriteData(String[i]);} }这部分就是C语言程序部分,看看代码很好理解
数字:
/*** @brief 返回值=X的Y次方*/ int LCD_Pow(int X,int Y) {unsigned char i;int Result=1;for(i=0;i<Y;i++){Result*=X;}return Result; }/*** @brief 在LCD1602指定位置开始显示所给数字* @param Line 起始行位置,范围:1~2* @param Column 起始列位置,范围:1~16* @param Number 要显示的数字,范围:0~65535* @param Length 要显示数字的长度,范围:1~5* @retval 无*/ void LCD_ShowNum(unsigned char Line,unsigned char Column,unsigned int Number,unsigned char Length) {unsigned char i;LCD_SetCursor(Line,Column);for(i=Length;i>0;i--){LCD_WriteData(Number/LCD_Pow(10,i-1)%10+'0');} }这部分也是C语言代码部分,将数字各位分开,例如:
这样操作。
其他部分:
/*** @brief 在LCD1602指定位置开始以有符号十进制显示所给数字* @param Line 起始行位置,范围:1~2* @param Column 起始列位置,范围:1~16* @param Number 要显示的数字,范围:-32768~32767* @param Length 要显示数字的长度,范围:1~5* @retval 无*/ void LCD_ShowSignedNum(unsigned char Line,unsigned char Column,int Number,unsigned char Length) {unsigned char i;unsigned int Number1;LCD_SetCursor(Line,Column);if(Number>=0){LCD_WriteData('+');Number1=Number;}else{LCD_WriteData('-');Number1=-Number;}for(i=Length;i>0;i--){LCD_WriteData(Number1/LCD_Pow(10,i-1)%10+'0');} }/*** @brief 在LCD1602指定位置开始以十六进制显示所给数字* @param Line 起始行位置,范围:1~2* @param Column 起始列位置,范围:1~16* @param Number 要显示的数字,范围:0~0xFFFF* @param Length 要显示数字的长度,范围:1~4* @retval 无*/ void LCD_ShowHexNum(unsigned char Line,unsigned char Column,unsigned int Number,unsigned char Length) {unsigned char i,SingleNumber;LCD_SetCursor(Line,Column);for(i=Length;i>0;i--){SingleNumber=Number/LCD_Pow(16,i-1)%16;if(SingleNumber<10){LCD_WriteData(SingleNumber+'0');}else{LCD_WriteData(SingleNumber-10+'A');}} }/*** @brief 在LCD1602指定位置开始以二进制显示所给数字* @param Line 起始行位置,范围:1~2* @param Column 起始列位置,范围:1~16* @param Number 要显示的数字,范围:0~1111 1111 1111 1111* @param Length 要显示数字的长度,范围:1~16* @retval 无*/ void LCD_ShowBinNum(unsigned char Line,unsigned char Column,unsigned int Number,unsigned char Length) {unsigned char i;LCD_SetCursor(Line,Column);for(i=Length;i>0;i--){LCD_WriteData(Number/LCD_Pow(2,i-1)%2+'0');} }和数字部分差不多,也是C语言程序,认真看代码即可;
main模块
- 注释写的很清楚,这里不做解释了
#include <STC89C5xRC.H> #include "LCD1602.h" #include "Delay.h"void main() {LCD_Init(); //LCD初始化LCD_ShowChar(1,1,'A'); //在1行1列显示字符ALCD_ShowString(1,3,"Hello"); //在1行3列显示字符串HelloLCD_ShowNum(1,9,66,2); //在1行9列显示数字66,长度为2LCD_ShowSignedNum(1,12,-88,2); //在1行12列显示有符号数字-88,长度为2LCD_ShowHexNum(2,1,0xA5,2); //在2行1列显示十六进制数字0xA5,长度为2LCD_ShowBinNum(2,4,0xA5,8); //在2行4列显示二进制数字0xA5,长度为8LCD_ShowChar(2,13,0xDF); //在2行13列显示编码为0xDF的字符LCD_ShowChar(2,14,'C'); //在2行14列显示字符CLCD_ShowString(1,16,"I Love You");while(1){LCD_WriteCommand(0x18);Delay(500);} }
注:该代码是本人自己所写,可能不够好,不够简便,欢迎大家指出我的不足之处。如果遇见看不懂的地方,可以在评论区打出来,进行讨论,或者联系我。上述内容全是我自己理解的,如果你有别的想法,或者认为我的理解不对,欢迎指出!!!如果可以,可以点一个免费的赞支持一下吗?谢谢各位彦祖亦菲!!!!!













