关于边缘计算盒子的外部接口保护
边缘计算盒子是一种基于边缘计算和人工智能技术的智能设备,它内置了灵活可配的多样化AI算法库,所以也被称为AI算法盒子或智能边缘分析一体机,可以将数据处理和分析的能力推至离数据源最近的边缘位置,提供高效的数据处理和实时响应。
下图为一种边缘计算盒子外形及其外部接口展示:

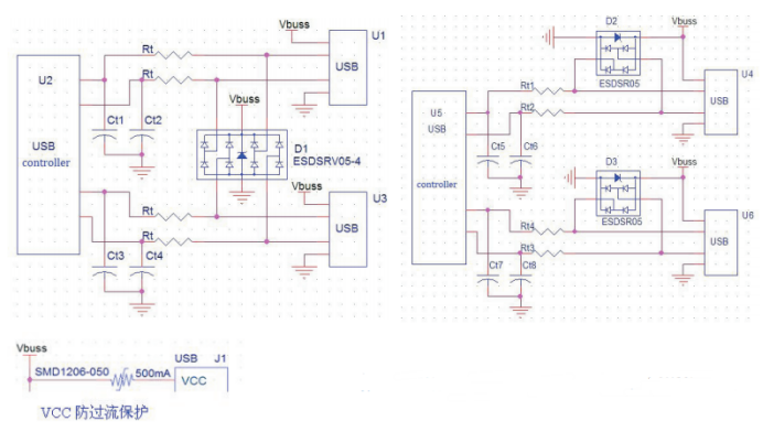
- USB接口保护
-
① USB3.0 —— 也被认为是 SuperSpeedUSB——为那些与 PC 或音频/高频设备相连接的各种设备提供 了一个标准接口。新的 USB 3.0在保持与 USB 2.0的兼容性的同时,还提供了下面的几项增强功能:
● 极大提高了带宽——高达5Gbps 全双工(USB2.0则为480Mbps 半双工)
● 实现了更好的电源管理
● 能够使主机为器件提供更多的功率,从而实现 USB——充电电池、LED 照明和迷你风扇等应用。
● 能够使主机更快地识别器件
● 新的协议使得数据处理的效率更高

-
推荐使用的器件:推荐ESDSR05和ESD0524P配合使用
-
②USB2.0根据 USB2.0 标准,符合 USB 的电源应当在 4.75V 至 5.25V 之间并提供至少为 0.5A 的连续电流 -
推荐使用的器件:ESDSRV05-4,ESDSR05等

- HDMI接口保护
对于流线型高速信号线设计和满足信号线阻抗要求 ,ESD0524P 的特殊设计提供了ESD 的4线保护要求 ,符合IEC61000-4-2 ESD标准(±8KV CONTACT ESD 和 ±15KV Air ESD) , 同时提供卓越的钳位电压特性 ,减少HDMI芯片的过压应力 ,提高HDMI 整体系统的可靠性
— 非常高的二极管开关速度(纳秒级)和超低线电容(<1pF)可以确保信号完整性;
— 经受若干次ESD 冲击之后,ESD 保护性能没有退化;
— 即使经过几百次ESD 放电之后,泄漏保持为低;
— 以小的占位面积实现最高的集成度;
— PCB 层面的RF 布线优化封装;
— 完全符合HDMI 1.3 规范要求;
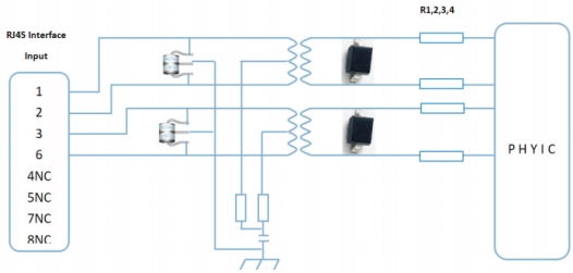
- RJ45接口保护器件推荐:ESD为ESDLC3V3D3B;气放管为3R090L

- 器件推荐:ESD为ESDSLVU2.8-4;气放管为SMD1812-091

- 其他接口保护方案
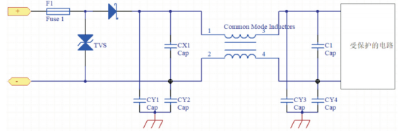
- DC电源口保护方案

- DC电源口保护方案
此电路涉及到接口的浪涌防护、静电防护、EFT 、传导、辐射,可根据测试项目选择使用。保险丝F1,根据客户工作电流和需过的浪涌等级选择,可使用一次性保险丝或PPTC。肖特基二极管做防反使用,无要求可去掉。
推荐器件:12V SMBJ15A/CA
-
- TYPE-C保护方案
推荐器件:NRESDLLC5V0D25B
NRESDLLC5V0D25B是音特电子设计的一种超低电容TVS阵列,设计用于保护高速数据接口。它被专门设计用于保护连接到数据传输线的敏感部件免受静电放电(ESD)、电缆放电事件(CDE)和闪电引起的过电压的影响。它能在信号不失真的条件下有效对TYPE-C接口进行静电浪涌防护
