双向流-热-固耦合分析
1.双向耦合概述
耦合求解就是在求解过程涉及到多个物理场,并且要求求解多个场。各场之间是耦合的:为了求解其它场,需要提供一个场的计算结果。


Fluent在一个矩阵中完成对流体连续方程和动量方程的求解(耦合求解器)或将流体连续方程和动量方程分别放到不同的矩阵中求解(分离求解);
其他的场(湍流,热传递),都是采用分离求解;然后通过迭代来满足每个场的收敛(分离求解)。


MAPDL求解器可以分别对结构场和温度场求解;基于单代码耦合求解器(MFS)将二者的计算结果进行耦合(属于分离解算)。


此外,MAPDL提供了耦合场单元,基于该单元可以完成完全耦合场的计算:
-不同的单元可以用来计算不同场的耦合;
-例如SOLID226可以将温度场和结构场进行耦合计算。


MADPL使用单元将网格和物理场绑定在一起:
-SOLID185支持结构场计算;
-SOLID278支持温度场计算;
-SOLID226支持耦合场计算
Fluent使用网格单元作为一个计算模板
-物理场不与单元进行关联;
-不同的单元仅是单元形状不同(四面体,六面体等)
系统耦合器是实现不同求解器数据传递的平台:
-目前系统耦合器仅支持MAPAL与Fluent求解器之间的数据
交换,实现协同仿真计算;
-未来会开发支持更多求解器的系统耦合器。

系统耦合器要求在迭代计算中满足固体场和流场之间传递数据的收敛;
-这个过程就如同在单独CFD和结构计算中为了获得准确求解而设置的收敛准则相同;
-流场和固体场之间传递的参数是力和位移。

瞬态双向流-固耦合包括三个水平的迭代:
(1)瞬态循环,每个时间步收敛后,CFD和FEA求解器都会向前推一个时间步,这个是在每个求解器中完成的;
(2)耦合循环,在这个循环迭代过程中对流场与固体场之间传递的载荷/位移进行更新,完成收敛;
(3)场循环,在个迭代过程是在完成数据交换在每个场内完成的收敛迭代。

当每个场计算满足其收敛准则是,场循环结束(或在Fluent中满足设置的最大跌次数/时间步)
-Fluent场循环不需要每次耦合迭代都满足收敛,仅最后一次耦合迭代满足即可。当满足力/位移收敛准则时,则循环迭代终止,确保在进入下一个时间步求解之前每个场得求解器和力/位移都是收敛的。例如:Fluent中设置20次迭代,系统耦合器设置为5次耦合迭代和100个时间步,则F l uent总的迭代次数=20*5*100=10000(收敛性很差时)

2.创建双向耦合分析系统
2.1 双向流固耦合分析系统

双向流固耦合系统,由三个模块组成
-Fluent分析模块;
-结构瞬态动力学分析模块
-系统耦合器分析模块
Fluent模块进行瞬态流体动力学计算,结构瞬态动力学模块进行瞬态结构计算,系统耦合器主要完成流体到固体和固体到流体的数据传递协同工作,因此,双向流固耦合计算也成为流体和固体计算的协同仿真计算。
2.2 双向流热耦合分析系统

双向流热系统由三个模块组成
-Fluent模块用来计算流体温度场
-瞬态热分析模块用来计算固体温度场
-系统耦合器用来在固体与流体的界面完成数据交换
3.双向流-热-固耦合分析步骤
导入或创建几何模型:
如果需要的话可以在DM中将流体区域提取出来设置结构求解:
-这个过程与标准的结构计算流程相似;
-在流体与固体发生数据交换处设置流固界面边界条件(Fluid
Solid Interface)

流体网格区域
设置Fluent模型
-这个过程与标准的流体计算设置基本一致;
-激活动网格;
-使用系统耦合器来控制流体和固体的交界面的运动
-这些界面接受来自固体场求解传递的位移。

更新系统耦合器的设置(Setup)选项
-可以读入最新的结构和流体求解设置
编辑系统耦合器中的设置选项:
-时间步和耦合步;
-数据传递;
-其他耦合设置。

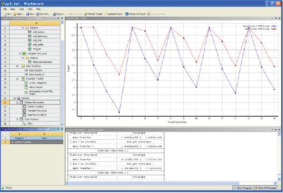
在系统耦合器中开始求解,用户可以观察到:
-耦合迭代的收敛曲线;
-耦合迭代的信息。

完成耦合求解后,可以采用以下两种方式进行后处理:
-可以在流体和结构计算的各自后处理观察计算结果;
-也可以将流体计算结果和固体计算结果同时传递到CFD-Post中,同时观察计算结果。


