当前位置: 首页 > news >正文

【仪器仪表专题】案例:信号高电平到底是看顶端值还是最大值?

案例背景

        本案例在于审查其他部门信号完整性测试报告中发现的一处有关RS232输入信号质量波形测试问题点。

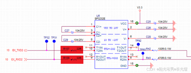
        首先发现测试报告中的RS232时序和信号质量测试中有一个NG项目,如下所示,可以看到T2IN的高电平要求是2.0V~3.6V之间,但是实测是3.8V,超过极限值,所以判定为NG。

        然后通过一些操作,工程师修改电路中本来串的22R为100R后复测,测试结果为3.6V,提供的结论变成了OK。如上图1.1测试记录所示。

        但非常奇怪的是,其实RS232芯片的输入T2IN和R2OUT是接一个电平转换芯片的输出。电平转换芯片的输出配置的电源域是3.3V与RS232芯片VCC的电压3.3V相同。

http://www.dtcms.com/a/117063.html

相关文章:

  • Python 中用于判断一个集合是否为另一个集合的超集issuperset
  • 当前主流的LLM Agent架构、能力、生态和挑战
  • 小球反弹(蓝桥杯C语言)
  • 10 家医院上云用云实践分享|含物联网、AI、HIS、信创等场景
  • 7款热门智能电视文件管理器横向评测
  • 一个简单的跨平台Python GUI自动化 AutoPy
  • 职坐标解析自动驾驶技术发展新趋势
  • C++day8
  • Oracle 23ai Vector Search 系列之4 VECTOR数据类型和基本操作
  • 进行性核上性麻痹患者饮食攻略,助力延缓病情发展
  • 从传递函数到PID控制器
  • LearnOpenGL——OIT
  • QT6(12)3.3.1 Qt元对象系统概述:QObject 类与 QMetaObject 类,类型转换 qobject_cast<T>()。
  • 医疗机构中核心业务相关的IT设备全面解析
  • UI自动化基础(1)
  • 文件中魔数
  • Docker与VNC的使用
  • Spring MVC 数据绑定教程
  • nginx配置oss代理
  • [环境配置] 2. 依赖库安装
  • Linux-CentOS-7—— 配置yum源(网络yum源 + 本地yum源)
  • RabbitMQ安装与使用教程(含Spring Boot整合)
  • HTTP Form v.s. Flask-WTF Form v.s. Bootstrap Form
  • Ollama
  • 项目实战--路由权限
  • OpenCV 图形API(20)用于执行标量与矩阵之间的逐元素减法操作函数subRC()
  • Dify的基本功能介绍与界面初识
  • 当实体类中的属性名和表中的字段名不一样 ,怎么办
  • Comfyui 一键下载模型(多线程)
  • COMSOL固体力学接触