当前位置: 首页 > news >正文

从基础到实践(十九):DC/DC由来和工作原理介绍

第一章 DC/DC技术的起源与演进之路

1.1 电力革命的早期困境(1880s-1940s)

        在爱迪生与特斯拉的"电流战争"时期,直流供电系统暴露出传输损耗大的致命缺陷。尽管交流电最终成为电网主流,但直流电在终端设备供电的不可替代性催生了最早的电压转换需求。1930年代真空管收音机的普及使这一问题凸显:车载6V蓄电池需升压至200V以上供电子管工作,工程师们通过笨重的机械振动子式换流器(Vibrator Converter)实现这一转换。这种装置通过电磁铁驱动的机械触点实现直流脉冲生成,配合变压器完成升压,效率不足40%且存在触点燃蚀问题。

1.2 半导体革命的关键突破(1947-1970)

        贝尔实验室肖克利团队1947年发明的晶体管彻底改变了电力转换领域。1960年代,硅平面工艺使功率MOSFET成为可能,其开关速度比双极型晶体管快两个数量级。1972年,美国Unitrode公司推出首款PWM控制器IC UC1524,标志着开关电源控制技术进入集成化时代。这一时期的重要里程碑包括:

  • 1958年:R.D. Middlebrook提出开关电源基本理论框架

  • 1967年:NASA在阿波罗计划中使用谐振式DC/DC为登月舱供电

  • 1970年:日本NEC开发出首款商用离线式开关电源

1.3 拓扑结构的黄金时代(1970s-1990s)

        随着计算机和通信设备的爆发式增长,DC/DC技术进入快速迭代期。1976年R.D. Middlebrook建立状态空间平均法,为拓扑分析提供数学工具。1983年Vatche Vorperian提出等效简化模型,推动拓扑创新:

  • Buck架构:1960年代由NASA用于卫星电源系统

  • Boost架构:1975年首次在汽车点火系统中商用

  • Flyback架构:1980年代伴随CRT显示器高压电源需求兴起

1.4 现代集成化革命(2000至今)

        进入21世纪后,封装技术推动功率密度持续提升。2016年TI推出的5A/40V SWIFT系列将电感集成在封装内。2020年GaN器件使MHz级开关频率成为现实,如EPC公司的eGaN FET可实现97.3%效率的1MHz Buck转换器。当前技术前沿包括:

  • 3D封装技术实现每立方厘米100W功率密度

  • 数字控制技术实现动态拓扑重构

  • 磁集成技术消除分立磁性元件


第二章 DC/DC工作原理深度剖析                                                                                                            

2.1 非隔离型拓扑工作机制

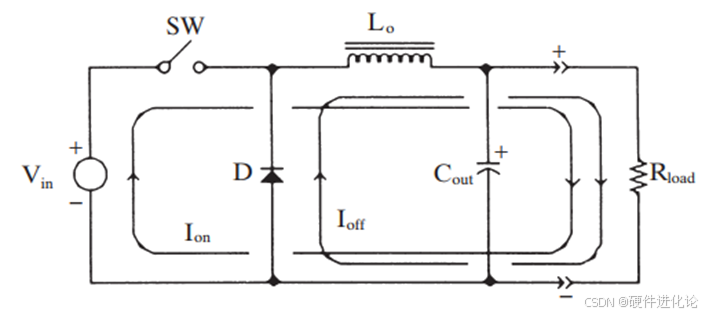
2.1.1 Buck降压电路                                                                                                                                                                                            

        电路由功率开关SW、续流二极管D、滤波电感L0和输出电容Cout构成。工作过程分为两个阶段:

  • Ton阶段:SW导通,输入电压Vin施加在L两端,电流线性上升(di/dt=(Vin-Vout)/L0),电感储能增加

  • Toff阶段:SW关断,L0通过D续流,电流线性下降(di/dt= -Vout/L)

        输出电压由占空比D决定:Vout = D×Vin。当电感电流连续时,传递函数呈现二阶特性,存在右半平面零点。

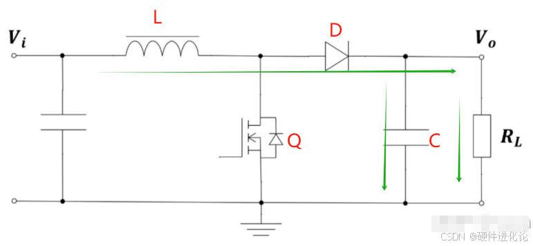
2.1.2 Boost升压电路

                                                   拓扑结构包含输入电感L、开关管Q、输出二极管D和电容C。其特殊之处在于电感位于输入回路:

  • Ton阶段:Q导通,L电流线性增长(di/dt=Vin/L),电感L接地,二极管截止,Vi对电感L进行充电。                                                                                                                                                                                                解释:这个时候电感直接接入输入Vi,经过一个开关管到地,但是由于电感的电流特性不能突变,那这个时候电感两端就会由于自感应电动势,即电压为Vi。                                        通过di/dt=Vin/L可以推导出电流与时间的公式如下:通过这个公式可以看出开关管闭合的时候电流和时间的变化是线性的。

  • Toff阶段:Q1关断,L上感应电动势与Vin叠加,通过D1向C充电                                                               

        输出电压满足Vout = Vin/(1-D),需特别注意当D接近1时的失控风险。实际应用中需加入峰值电流限制。

http://www.dtcms.com/a/78621.html

相关文章:

  • 数据源支持远程Excel/CSV,数据集支持分组字段功能,DataEase开源BI工具v2.10.6 LTS版本发布
  • YOLO11报错:AttributeError: module ‘torch‘ has no attribute ‘OutOfMemoryError‘
  • Pytorch使用手册—自定义函数的双重反向传播与自定义函数融合卷积和批归一化(专题五十二)
  • 蓝桥杯算法分享:征服三座算法高峰
  • TensorFlow 的基本概念和使用场景
  • 该错误是由于`KuhnMunkres`类未定义`history`属性导致的
  • 【橘子websocket】如何基于vertx来构建websocket聊天室(上)
  • JS—原型与原型链:2分钟掌握原型链
  • 《AI大模型开发笔记》——企业RAG技术实战
  • 【杂记二】git, github, vscode等
  • 2025火狐插件被禁用解决方案 could not be verified for use in Firefox and has been disabled
  • 用ASCII字符转化图片
  • Linux怎样源码安装Nginx
  • 论文学习11:Boundary-Guided Camouflaged Object Detection
  • 分享下web3j 常见用法
  • ECharts仪表盘-仪表盘10,附视频讲解与代码下载
  • 深入解析素数筛法:从埃氏筛到欧拉筛的算法思想与实现
  • WindowsAD域服务权限提升漏洞
  • SqlServer Sql学习随笔
  • 同为科技智能PDU保障智驾数据处理快速稳定响应
  • 【Rust】包和模块管理,以及作用域等问题——Rust语言基础15
  • [DeepRetrieval] 用DeepSeek-R1-Zero的思路教会模型怎么用搜索引擎找文本
  • python爬虫概述
  • SAP 附件增删改查与文件服务器交互应用
  • [蓝桥杯 2023 省 B] 飞机降落(不会dfs的看过来)
  • SpringBoot入门-(2) Spring IOC机制【附实例代码】
  • 目标检测20年(一)
  • IIS+ASP程序500错误排查及解决方法
  • 分布式的消息流平台之Pulsar
  • 【Jupyter】notebook无法显示tqdm进度条