PD快充协议芯片XSP18 支持诱骗5V9V12V15V20V电压档位
针对目前Type-C接口的普及,许多小家电设备开始采用Type-C接口,这个接口支持正反插,支持功率大,支持的协议全,优点很明显。而且,USB-C还可以使用现在流行的快充技术,让充电器、充电宝、车充等电源输出快充电压给产品供电,无需携带多种充电器。

由于目前的快充协议比较多,每家手机厂商都有自己的快充协议,所以就要求USB-C识别芯片XSP18需要支持多种快充协议,这样,无论设备USB-C连接的是哪家的充电器,都可以实现快充。得益于识别芯片对多种协议的支持兼容,可以大幅度提高产品的实用,可靠性。

芯片概述
XSP18是一款支持从充电宝/充电器等电源上快速取电给产品快速供电的受电端快充协议芯片,芯片支持PD2.0/3.0/PPS协议、QC2.0/3.0协议、华为快充协议、三星AFC协议,使用XSP18芯片无需再搭配充电器,和充电管理芯片组合可实现快速充电功能,XSP18支持最大功率 100W

特点
支持多种快充协议;支持PD/QC/FCP/AFC/PPS等多种快充协议,能够兼容市面上各种快充适配器,兼容性非常强,产品无需再搭配充电器,节省BOM成本。

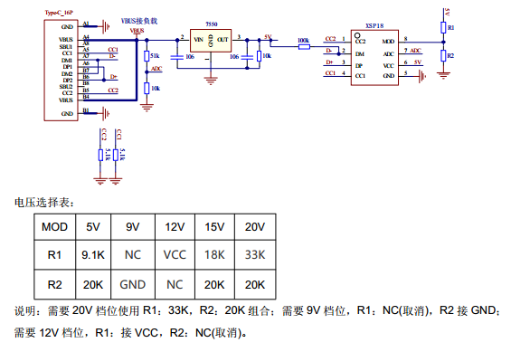
支持电阻选择电压档位;可根据产品的需求使用电阻来选择合适电压档位,例如需要获取20V电压,R1使用33K的电阻、R2使用20K电阻,需要获取12V电压,R1接VCC,R2悬空

支持电压档位自动向下兼容;例如设置的电压档位为20V, 连接的充电器支持的最大电压为12V,充电器会自动获取12V,电压档位自动向下兼容增强了与电源之间的兼容性。

XSP18与充电管理芯片组合可实现最大功率100W给锂电池快速充电,大大的缩短了充电时间。
应用场景
相机外接电源:采用XSP18芯片,通过USB-C接口供电,支持9V电压输入,为相机提供稳定电力,避免电池耗尽中断拍摄。
无线充电器、智能音箱、无人机:采用XSP18芯片实现快速充电,同时兼容多种快充协议协议,适配多种设备。
加热设备(如直发梳、加热水杯):XSP18芯片可以提供100W大功率给设备快速供电。

