当前位置: 首页 > news >正文

基于单片机智能台灯(调光,时钟)系统Proteus仿真(含全部资料)

全套资料包含:Proteus仿真源文件+keil C语言源程序+AD原理图+流程图+元器件清单+说明书等

资料下载:

通过网盘分享的文件:资料分享
链接: 百度网盘 请输入提取码 提取码: tgnu


目录

资料下载:

Proteus仿真功能

项目文件资料:

一、Proteus仿真源文件

二、AD原理图文件

二、报告说明书

三、系统流程图

四、Keil c语言程序源代码


项目功能:

基于单片机的智能台灯设计
设计一智能台灯,以单片机技术为核心,结合光强传感器(本课题仿真需要统一采用光敏电阻)。系统可根据环境亮度自动调整灯光亮度,并在台灯上有时钟信息显示。
系统功能:
1)利用光电传感器(采用光敏电阻)进行信号的采集及控制,并通过液晶屏显示强度值。
2)时钟显示部分:
在单片机内部利用定时器产生1秒定时,达到时分秒的计时。具有复位功能。
利用按键输入调整小时,分钟,秒时刻;当没有键按下时,时钟正常运行;
当按下键1一次时,时钟停止走动,按键2对秒进行调整;
当按下键1二次时,按键2或键3对分钟进行加1或减1调整;
当按下键1三次时,按键2或键3对小时进行加1或减1调整;
当按下键1四次时,调整结束,时钟按设定的时间进行运行。
采用液晶屏显示时间。


项目文件:

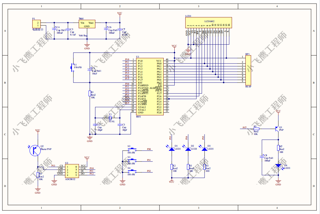
一、Proteus仿真源文件

​​

二、AD原理图文件

二、报告说明书

三、系统流程图

​​

四、器件清单

元件型号数量
单片机AT89C511
电容10uf1
电容30pf2
晶振12MHZ1
电阻10k2
按钮4
模数芯片ADC08321
电位器1k2
LED红色4
电阻100欧4
电阻1k1
三极管PNP1
显示器LCD16021
排阻10k1
电容100uf1

五、Keil c语言程序源代码(部分)

#include "reg51.h"
#include "ADC0832.h"
#include "lcd1602.h"
sbit k1=P3^0;//按钮
sbit k2=P3^1;
sbit k3=P3^2;
sbit L1=P3^3;//LED
sbit lamp=P1^7;//灯
uchar xian1[]="05:10:25";//时间显示
uchar xian2[]="light:000Lx";//光强
uchar mode=0;//工作模式
uchar light=0;//光强
uchar pwm=0;
uchar time=0,miao=25,fen=10,shi=5;//计时
//主函数
void main()
{init_1602();write_string(1,3,xian1);write_string(2,0,xian2);TMOD|=0X01;TH0=0X3C;TL0=0XB0;	ET0=1;//打开定时器0中断允许EA=1;//打开总中断TR0=1;//打开定时器while(1){if(pwm<100)//输出PWM波pwm++;elsepwm=0;if(pwm<80-light)lamp=0;elselamp=1;if(!k1)	//模式切换{if(mode<3)mode++;elsemode=0;switch(mode)//点亮指示灯{case 0:L1=1;L2=1;L3=1;break;case 1:L1=1;L2=1;L3=0;break;//秒case 2:L1=1;L2=0;L3=1;break;//分case 3:L1=0;L2=1;L3=1;		//时}while(!k1);}if(!k2)//加{switch(mode){case 1://秒if(miao<59)miao++;break;case 2://分if(fen<59)fen++;break;case 3://时if(shi<23)shi++;}if(mode){xian1[0]=shi/10+0x30;//显示xian1[1]=shi%10+0x30;xian1[3]=fen/10+0x30;xian1[4]=fen%10+0x30;xian1[6]=miao/10+0x30;xian1[7]=miao%10+0x30;write_string(1,3,xian1);}while(!k2);}if(!k3)//加{switch(mode){case 1://秒if(miao>0)miao--;break;case 2://分if(fen>0)fen--;break;case 3://时if(shi>0)shi--;}if(mode){xian1[0]=shi/10+0x30;//显示xian1[1]=shi%10+0x30;xian1[3]=fen/10+0x30;xian1[4]=fen%10+0x30;xian1[6]=miao/10+0x30;xian1[7]=miao%10+0x30;write_string(1,3,xian1);}while(!k3);}}
}
void Timer0() interrupt 1 //定时器0中断
{TH0=0X3C;TL0=0XB0;if(mode){light=ADC();//测量光强xian2[6]=light/100+0x30;xian2[7]=light%100/10+0x30;xian2[8]=light%10+0x30;write_string(2,0,xian2);return;}if(time<20)	//计时time++;else{time=0;if(miao<59)//秒miao++;else{miao=0;if(fen<59)//分fen++;else{fen=0;if(shi<23)//时shi++;elseshi=0;}}xian1[0]=shi/10+0x30;//显示xian1[1]=shi%10+0x30;xian1[3]=fen/10+0x30;xian1[7]=miao%10+0x30;write_string(1,3,xian1);light=ADC();//测量光强xian2[6]=light/100+0x30;xian2[7]=light%100/10+0x30;xian2[8]=light%10+0x30;write_string(2,0,xian2);}
}

六、全套资料包含

​​

七:项目资源获取

需要完整的资料可以点击下面的名片关注,回复“资料”!

↓↓↓↓↓↓↓↓↓↓↓↓↓↓↓↓↓↓↓↓↓↓↓↓↓↓↓↓↓↓↓↓↓↓↓↓↓↓↓↓↓↓↓↓↓↓↓↓↓↓↓↓↓↓↓↓↓↓↓↓↓↓↓↓↓↓↓↓↓↓↓↓↓↓↓↓↓↓↓↓↓↓↓↓↓↓↓↓↓↓↓↓↓↓↓↓↓↓↓↓↓↓↓↓↓↓↓↓↓↓↓↓↓

http://www.dtcms.com/a/480160.html

相关文章:

  • 网站运营与管理的一个目的是广告传媒
  • 东莞模块网站建设方案app开发公司部门
  • 再高权重网站加自己的链接会容易被收录吗开建筑公司需要什么条件
  • 做网站拍摄照片用什么佳能相机好网站建设课程论文
  • 网站的建设与管理自考一张图片网站代码
  • 环保h5微网站jsp电子商务网站开发源码
  • 建站平台外贸婚纱网站模板素材
  • 网站建设费用报价单门户网站产品设计方案
  • 某企业电子商务网站建设标书制作图片
  • 网站主办者是谁c2c网站设计
  • 网站引导插件创建网站的网站
  • 网站制作属于什么行业淮南淮北
  • 网站教程制作中国建设招标工程网站
  • 河北省建设厅网站运行条件安卓android系统下载
  • 算命网站开发电话wordpress主题仿虎嗅
  • 网站建设费按几年摊销免费简历模板在线下载
  • VMP(虚拟化高阶)免杀技术实现原理及案例
  • paxos一致性算法(大白话+图解)
  • 【Windows10】DataGrip2025.2.3安装
  • 青岛网站建设加盟公司为什么网站要改版
  • 喀什网站建设婴儿网站模板
  • 建站神器wordpress 内容注入
  • 网站建设手机app电子商务网站的建设和维护论文
  • 焦作网站seo如何建立官方网站
  • 违法网站开发免费网站推广的方法
  • 网站开发人员介绍深圳福田高端网站建设
  • 南京网站建设推南京网站建设设计拓客app下载
  • 这几年做哪些网站能致富极速网站建设定制多少钱
  • 纵深防御——文件上传漏洞
  • 为什么就一个网站打不开广西省住房和城乡建设厅网站