PLC 与变频器通讯接线与控制技巧
在工业自动化控制领域,PLC(可编程逻辑控制器)与变频器的组合应用极为广泛。它们之间的协同工作能够实现对电机的控制,提高生产效率和产品质量。下面我们将详细介绍 PLC 与变频器的相关知识,以及它们之间的通讯接线和控制方法。
PLC 与变频器存在着包含与被包含的关系。两者都可完成特定指令以控制电机马达,但 PLC 是一种程序输入执行硬件,其涵盖范围更广,不仅能控制电机,还能控制更多其他设备,应用领域更为宽泛,性能也更强大,控制精度更高。而变频器无法进行编程,主要用于改变电源的频率、电压等参数,其输出频率既可以设为固定值,也能由 PLC 进行动态控制。
PLC 与变频器之间的通信需遵循通用的串行接口协议(USS),按照串行总线的主从通信原理确定访问方法。总线上可连接一个主站和多 31 个从站,主站依据通信报文中的地址字符选择要传输数据的从站。在主站未要求通信时,从站不能主动发送数据,各个从站之间也不能直接进行信息传输。
PLC 的基本结构
PLC 可编程控制器的存储器可分为系统程序存储器、用户程序存储器及工作数据存储器三种。
- 系统程序存储器:用于存放由可编程控制器生产厂家编写的系统程序,并固化在 ROM 内,用户不能直接更改。系统程序质量在很大程度上决定了 PLC 的性能,其内容主要包括系统管理程序、用户指令解释程序以及标准程序模块与系统调用程序。系统管理程序控制可编程控制器的运行,使用户指令解释程序将可编程控制器的编程语言转化为机器语言指令,再由 CPU 执行。
- 用户程序存储器:根据控制要求编制的应用程序称为用户程序,用户程序存储器用于存放用户针对具体控制任务,用规定的可编程控制器编程语言编写的各种用户程序。目前较先进的可编程控制器采用可随时读写的快闪存储器作为用户程序存储器,这种存储器不需后备电池,掉电时数据也不会丢失。
- 工作数据存储器:用于存储工作数据,即用户程序中使用的 ON/OFF 状态、数值数据等。在工作数据区中开辟有元件映像寄存器和数据表。元件映像寄存器用于存储开关量、输出状态以及定时器、计数器、辅助继电器等内部器件的 ON/OFF 状态;数据表用于存放各种数据,包括用户程序执行时的某些可变参数值、A/D 转换得到的数字量和数字运算的结果等。

变频器的基本结构
变频器是把工频电源(50Hz 或 60Hz)变换成各种频率的交流电源,以实现电机变速运行的设备。其控制电路完成对主电路的控制,整流电路将交流电变换成直流电,直流中间电路对整流电路的输出进行平滑滤波,逆变电路将直流电再逆变成交流电。对于如矢量控制变频器这种需要大量运算的变频器来说,有时还需要一个进行转矩计算的 CPU 以及一些相应的电路。

PLC 与变频器的连接方法
- 利用 PLC 的模拟量输出模块控制变频器:PLC 的模拟量输出模块输出 0~5V 电压信号或 4~20mA 电流信号,作为变频器的模拟量输入信号,控制变频器的输出频率。这种控制方式接线简单,但需要选择与变频器输入阻抗匹配的 PLC 输出模块,且 PLC 的模拟量输出模块价格较为昂贵。此外,还需采取分压措施使变频器适应 PLC 的电压信号范围,在连接时注意将布线分开,保证主电路一侧的噪声不传至控制电路。
- 利用 PLC 的开关量输出控制变频器:PLC 的开关输出量一般可与变频器的开关量输入端直接相连。这种控制方式接线简单,抗干扰能力强,能控制变频器的启动 / 停止、正 / 反转、点动、转速和加减时间等,实现较为复杂的控制要求,但只能有级调速。使用继电器触点进行连接时,有时存在因接触不良而误操作现象;使用晶体管进行连接时,则需要考虑晶体管自身的电压、电流容量等因素,保证系统的可靠性。另外,在设计变频器的输入信号电路时,若输入信号电路采用继电器等感性负载,继电器开闭时产生的浪涌电流带来的噪声有可能引起变频器的误动作,应尽量避免。
- PLC 与 RS - 485 通信接口的连接:所有的标准西门子变频器都有一个 RS - 485 串行接口(有的也提供 RS - 232 接口),采用双线连接,其设计标准适用于工业环境的应用对象。单一的 RS - 485 链路多可以连接 30 台变频器,可根据各变频器的地址或采用广播信息找到需要通信的变频器。链路中需要有一个主控制器(主站),而各个变频器则是从属的控制对象(从站)。

PLC 控制变频器驱动电机正反转的操作步骤
- 按接线图将线连好后,启动电源,准备设置变频器各参数。
- 按 “MODE” 键进入参数设置模式,将 Pr.79 设置为 “2”,即外部操作模式,启动信号由外部端子(STF、STR)输入,转速调节由外部端子(2、5 之间、4、5 之间、多端速)输入。
- 连续按 “MODE” 按钮,退出参数设置模式。
- 按下正转按钮,电动机正转启动运行。
- 按下停止按钮,电动机停止。
- 按下反转按钮,电动机反转启动运行。
- 按下停止按钮,电动机停止。
- 若在电动正转时按下反转按钮,电动机先停止后反转;反之,若在电动机反转时按下正转按钮,电动机先停止后正转。

PLC 和变频器的通讯方式
- PLC 的开关量信号控制变频器:PLC(MR 型或 MT 型)的输出点、COM 点直接与变频器的 STF(正转启动)、RH(高速)、RM(中速)、RL(低速)、输入端 SG 等端口分别相连。PLC 可通过程序控制变频器的启动、停止、复位,也能控制变频器高速、中速、低速端子的不同组合实现多段速度运行。但由于采用开关量控制,其调速曲线不是连续平滑的,无法实现精细的速度调节。
- PLC 的模拟量信号控制变频器:硬件可选用 FX1N 型、FX2N 型 PLC 主机,并配置 1 路简易型的 FX1N - 1DA - BD 扩展模拟量输出板,或模拟量输入输出混合模块 FX0N - 3A,或两路输出的 FX2N - 2DA,或四路输出的 FX2N - 4DA 模块等。优点是 PLC 程序编制简单方便,调速曲线平滑连续、工作稳定;缺点是在大规模生产线中,控制电缆较长,尤其是 DA 模块采用电压信号输出时,线路有较大的电压降,影响系统的稳定性和可靠性。
- PLC 采用 RS - 485 通讯方法控制变频器:这是使用为普遍的一种方法,PLC 采用 RS 串行通讯指令编程。优点是硬件简单、造价,可控制 32 台变频器;缺点是编程工作量较大。
- PLC 采用 RS - 485 的 Modbus - RTU 通讯方法控制变频器:三菱新型 F700 系列变频器使用 RS - 485 端子利用 Modbus - RTU 协议与 PLC 进行通讯。优点是 Modbus 通讯方式的 PLC 编程比 RS - 485 无协议方式要简单便捷;缺点是 PLC 编程工作量仍然较大。
- PLC 采用现场总线方式控制变频器:三菱变频器可内置各种类型的通讯选件,如用于 CC - Link 现场总线的 FR - A5NC 选件、用于 Profibus DP 现场总线的 FR - A5AP(A)选件、用于 DeviceNet 现场总线的 FR - A5ND 选件等。三菱 FX 系列 PLC 有对应的通讯接口模块与之对接。优点是速度快、距离远、效率高、工作稳定、编程简单、可连接变频器数量多;缺点是造价较高。
- 采用扩展存储器:优点是造价低廉、易学易用、性能可靠;缺点是只能用于不多于 8 台变频器的系统。

三菱 PLC 控制台达变频器分析
在不外接控制器(如 PLC)的情况下,直接操作变频器有三种方式:操作面板上的按键、操作接线端子连接的部件(如按钮和电位器)、复合操作(如操作面板设置频率,操作接线端子连接的按钮进行启 / 停控制)。为了操作方便和充分利用变频器,也可采用 PLC 来控制变频器,PLC 控制变频器有三种基本方式:以开关量方式控制、以模拟量方式控制、以 RS485 通信方式控制。
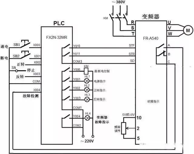
- PLC 以开关量方式控制变频器的硬件连接:变频器有很多开关量端子,如正转、反转和多档转速控制端子等。不使用 PLC 时,给这些端子接上开关就能对变频器进行正转、反转和多档转速控制。当使用 PLC 控制变频器时,若以开关量方式控制,需将 PLC 的开关量输出端子与变频器的开关量输入端子连接起来,为检测变频器某些状态,还可将变频器的开关量输出端子与 PLC 的开关量输入端子连接起来。当 PLC 内部程序运行使 Y001 端子内部硬触点闭合时,相当于变频器的 STF 端子外部开关闭合,STF 端子输入为 ON,变频器启动电动机正转,调节 10、2、5 端子所接电位器可改变端子 2 的输入电压,从而改变变频器输出电源的频率,进而改变电动机的转速。若变频器内部出现异常,A、C 端子之间的内部触点闭合,相当于 PLC 的 X001 端子外部开关闭合,X001 端子输入为 ON。

- PLC 以模拟量方式控制变频器的硬件连接:变频器有一些电压和电流模拟量输入端子,改变这些端子的电压或电流输入值可改变电动机的转速。将这些端子与 PLC 的模拟量输出端子连接,就可利用 PLC 控制变频器来调节电动机的转速。模拟量是一种连续变化的量,利用模拟量控制功能可使电动机的转速连续变化(无级变速)。由于三菱 FX2N - 32MR 型 PLC 无模拟量输出功能,需给它连接模拟量输出模块(如 FX2N - 4DA),再将模拟量输出模块的输出端子与变频器的模拟量输入端子连接。当变频器的 STF 端子外部开关闭合时,该端子输入为 ON,变频器启动电动机正转,PLC 内部程序运行时产生的数字量数据通过连接电缆送到模拟量输出模块(DA 模块),由其转换成 0~5V 或 0~10V 范围内的电压(模拟量)送到变频器 2、5 端子,控制变频器输出电源的频率,进而控制电动机的转速。若 DA 模块输出到变频器 2、5 端子的电压发生变化,变频器输出电源频率也会变化,电动机转速就会变化。此外,PLC 在以模拟量方式控制变频器的模拟量输入端子时,也可同时用开关量方式控制变频器的开关量输入端子。

- PLC 以 RS485 通信方式控制变频器的硬件连接:PLC 以开关量方式控制变频器时,需占用较多的输出端子连接变频器相应功能的输入端子;以模拟量方式控制时,需要使用 DA 模块。而以 RS485 通信方式控制变频器,只需一根 RS485 通信电缆(内含 5 根芯线),直接将各种控制和调频命令送给变频器,变频器根据 PLC 通过 RS485 通信电缆送来的指令就能执行相应的功能控制。RS485 通信是目前工业控制广泛采用的一种通信方式,具有较强的抗干扰能力,其通信距离可达几十米至上千米。采用 RS485 通信不但可以将两台设备连接起来进行通信,还可以将多台设备(多可并联 32 台设备)连接起来构成分布式系统,进行相互通信。
- 变频器的 RS485 通信口:三菱 FR500 系列变频器有一个用于连接操作面板的 PU 口,该接口可用作 RS485 通信口。使用 RS485 方式与其他设备通信时,需将操作面板插头(RJ45 插头)从 PU 口拔出,再将 RS485 通信电缆的一端插入 PU 口,通信电缆另一端连接 PLC 或其他设备。三菱 FR500 系列变频器只有一个 RS485 通信口(PU 口),面板操作和 RS485 通信不能同时进行。而三菱 FR700 系列变频器除了有一个 PU 接口外,还单独配备了一个 RS485 通信口(接线排),专用于进行 RS485 通信。通信口的每个功能端子都有 2 个,一个接上一台 RS485 通信设备,另一个端子接下一台 RS485 通信设备,若无下一台设备,应将终端电阻开关拨至 “100Ω” 侧。
- PLC 的 RS485 通信口:三菱 FX PLC 一般不带 RS485 通信口,若要与变频器进行 RS485 通信,须给 PLC 安装 FX2N - 485BD 通信板。
- 变频器与 PLC 的 RS485 通信连接:单台变频器与 PLC 的 RS485 通信连接时,一台设备的发送端子(+ -)应分别与另一台设备的接收端子(+ -)连接,接收端子(+ -)应分别与另一台设备的发送端子(+ -)连接;多台变频器与 PLC 的 RS485 通信连接可实现一台 PLC 控制多台变频器的运行。


PLC 控制变频器驱动电动机正反转及多档转速运行
- PLC 与变频器的硬件连接线路图:PLC 以开关量方式控制变频器驱动电动机正反转及多档转速运行都有相应的线路图。

- 变频器的参数设置:使用 PLC 控制变频器时,需要对变频器进行有关参数设置。

- 编写 PLC 控制程序:变频器有关参数设置好后,要用编程软件编写相应的 PLC 控制程序并给 PLC。




通过以上详细介绍,相信大家对 PLC 与变频器的通讯接线以及如何用 PLC 控制变频器有了更深入的了解。在实际应用中,应根据具体需求和场景选择合适的连接方式和控制方法,以实现的控制效果。
