硬件工程师笔记——三极管Multisim电路仿真实验汇总
目录
1 三极管基础
更多电子器件基础知识汇总链接
1.1 工作原理
NPN型三极管的工作原理
PNP型三极管的工作原理
1.2 三极管的特性曲线
输入特性曲线
理想和现实输出特性
三极管的主要参数包括:
2 三极管伏安特性
2.1 伏安特性仿真
Multisim使用说明链接
2.2 万用表测量三极管电阻特性
3 三极管放大功能
3.1 区分三极管共基极、共集电极和共发射极
1. 基本电路结构
2. 电压增益
3. 电流增益
4. 输入电阻
5. 输出电阻
6. 频率特性
7. 相位关系
总结
3.2 三极管放大电路分析
3.2.1 交流分析/支流分析
3.2.2 图解法分析
3.2.3 等效电路分析
3.3 三极管放大电路原理
3.3.1 三极管放大电路分解
3.3.2 三极管放大电路静态工作点
3.3.3三极管放大电路指标
3.4 三极管共基极放大电路
3.5 三极管共集电极放大电路
4 硬件工程师笔试面试相关文章链接
1 三极管基础
更多电子器件基础知识汇总链接
硬件工程师笔记——电子器件汇总大全_电子器件用途及特性-CSDN博客 https://blog.csdn.net/XU157303764/article/details/147342935?spm=1011.2415.3001.5331
https://blog.csdn.net/XU157303764/article/details/147342935?spm=1011.2415.3001.5331

三极管是一种半导体器件,具有三个电极:发射极(E)、基极(B)和集电极(C)。它在电子电路中具有多种功能,主要包括放大、开关、振荡等。

1.1 工作原理
NPN型三极管:由N型半导体、P型半导体和N型半导体组成,即NPN结构。
PNP型三极管:由P型半导体、N型半导体和P型半导体组成,即PNP结构。
三极管的工作原理基于电流的控制和放大,其核心是基区对电流的控制作用。
将三极管等效为两个串联的二极管进行等效分析
NPN型三极管的工作原理

发射区(E):发射区是N型半导体,掺杂浓度较高,有大量的自由电子。
基区(B):基区是P型半导体,掺杂浓度较低,有大量的空穴。
集电区(C):集电区是N型半导体,掺杂浓度较低,但面积较大。
当NPN型三极管工作时,需要施加合适的偏置电压:
正向偏置:发射极(E)相对于基极(B)为负电压,使发射结(EB结)导通。
反向偏置:集电极(C)相对于基极(B)为正电压,使集电结(CB结)截止。
在这种偏置条件下,发射区的自由电子在正向偏置电压的作用下,注入基区。由于基区掺杂浓度较低,这些自由电子大部分能够穿过基区,进入集电区。集电区的电场会将这些自由电子收集起来,形成集电极电流 。
。
基极电流 是由少量自由电子在基区复合形成的。因此,集电极电流
是由少量自由电子在基区复合形成的。因此,集电极电流 远大于基极电流
远大于基极电流 ,三极管实现了电流放大,放大倍数称为电流放大系数
 ,三极管实现了电流放大,放大倍数称为电流放大系数 ,即:
,即:
PNP型三极管的工作原理

PNP型三极管的工作原理与NPN型类似,但电流方向相反:
发射区(E):发射区是P型半导体,有大量的空穴。
基区(B):基区是N型半导体,有大量的自由电子。
集电区(C):集电区是P型半导体,面积较大。
偏置电压条件为:
正向偏置:发射极(E)相对于基极(B)为正电压,使发射结(EB结)导通。
反向偏置:集电极(C)相对于基极(B)为负电压,使集电结(CB结)截止。
在这种偏置条件下,发射区的空穴在正向偏置电压的作用下,注入基区。由于基区掺杂浓度较低,这些空穴大部分能够穿过基区,进入集电区。集电区的电场会将这些空穴收集起来,形成集电极电流 。
。
基极电流 是由少量空穴在基区复合形成的。因此,集电极电流
是由少量空穴在基区复合形成的。因此,集电极电流 远大于基极电流
远大于基极电流 ,三极管实现了电流放大,放大倍数同样为电流放大系数
,三极管实现了电流放大,放大倍数同样为电流放大系数 。
。
(1)放大状态
条件:发射结正向偏置,集电结反向偏置。
特点:基极电流 控制集电极电流
控制集电极电流 ,实现电流放大。此时,三极管的输出电压和电流随输入信号变化,具有线性放大特性。
,实现电流放大。此时,三极管的输出电压和电流随输入信号变化,具有线性放大特性。
(2)饱和状态
条件:发射结正向偏置,集电结也正向偏置。
特点:集电极电流 达到最大值,三极管的集电极和发射极之间的电压非常低(通常小于0.3V),类似于一个闭合的开关。
达到最大值,三极管的集电极和发射极之间的电压非常低(通常小于0.3V),类似于一个闭合的开关。
(3)截止状态
条件:发射结反向偏置,集电结反向偏置。
特点:基极电流 为零,集电极电流
为零,集电极电流 也为零,三极管的集电极和发射极之间没有电流通过,类似于一个断开的开关。
也为零,三极管的集电极和发射极之间没有电流通过,类似于一个断开的开关。
1.2 三极管的特性曲线
三极管的特性曲线描述了其电流和电压之间的关系,主要包括输入特性曲线和输出特性曲线:

输入特性曲线
输入特性曲线:描述基极电流 与发射极电压
与发射极电压 之间的关系。在放大状态下,输入特性曲线类似于二极管的正向特性曲线。
之间的关系。在放大状态下,输入特性曲线类似于二极管的正向特性曲线。

输出测试电路




理想和现实输出特性
输出特性曲线:描述集电极电流 与集电极电压
与集电极电压 之间的关系。在放大状态下,输出特性曲线是一组平行的曲线,每条曲线对应一个特定的基极电流
之间的关系。在放大状态下,输出特性曲线是一组平行的曲线,每条曲线对应一个特定的基极电流 。
。
三极管的主要参数包括:
电流放大系数 :表示集电极电流与基极电流的比值,反映了三极管的放大能力。
:表示集电极电流与基极电流的比值,反映了三极管的放大能力。
最大集电极电流 :表示三极管在正常工作时允许通过的最大集电极电流。
:表示三极管在正常工作时允许通过的最大集电极电流。
集电极发射极击穿电压 :表示在基极开路时,集电极和发射极之间能够承受的最大电压。
:表示在基极开路时,集电极和发射极之间能够承受的最大电压。
发射极基极击穿电压 :表示发射极和基极之间能够承受的最大反向电压。
:表示发射极和基极之间能够承受的最大反向电压。
2 三极管伏安特性
2.1 伏安特性仿真
Multisim使用说明链接
Multisim14使用教程详尽版--(2025最新版)-CSDN博客 https://blog.csdn.net/XU157303764/article/details/147197406?spm=1011.2415.3001.5331
https://blog.csdn.net/XU157303764/article/details/147197406?spm=1011.2415.3001.5331

说明:横坐标Uce,纵坐标Ic
输出特性曲线描述集电极电流 与集电极电压
与集电极电压 之间的关系。在放大状态下,输出特性曲线是一组平行的曲线,每条曲线对应一个特定的基极电流
之间的关系。在放大状态下,输出特性曲线是一组平行的曲线,每条曲线对应一个特定的基极电流 。
。
详细描述如1.2所示。
2.2 万用表测量三极管电阻特性

说明:使用万用表欧姆档分别测量三极管任意两端的电阻,由仿真实验结果可知,三极管任意两端的电阻均很大。
3 三极管放大功能
3.1 区分三极管共基极、共集电极和共发射极
三极管的三种基本接法分别是共基极、共集电极和共发射极。它们的区别主要体现在输入端、输出端、电压增益、电流增益、输入电阻和输出电阻等方面。以下是详细的对比:
1. 基本电路结构

共基极(Common Base, CB)
输入端:发射极(E)
输出端:集电极(C)
基极(B)接地,作为公共端。
信号从发射极输入,从集电极输出。

共集电极(Common Collector, CC)
输入端:基极(B)
输出端:发射极(E)
集电极(C)接地,作为公共端。
信号从基极输入,从发射极输出。

共发射极(Common Emitter, CE)
输入端:基极(B)
输出端:集电极(C)
发射极(E)接地,作为公共端。
信号从基极输入,从集电极输出。
2. 电压增益
共基极(CB)
电压增益较高,通常大于1。
适用于高频放大电路。
共集电极(CC)
电压增益接近1,但略小于1。
主要用于阻抗匹配和缓冲。
共发射极(CE)
电压增益较高,通常大于1。
是最常用的放大电路形式。
3. 电流增益
共基极(CB)
电流增益较小,通常小于1。
主要用于高频放大。
共集电极(CC)
电流增益较大,接近于共发射极电路的电流增益。
主要用于驱动能力较强的场合。
共发射极(CE)
电流增益较高,通常大于1。
是最常用的放大电路形式。
4. 输入电阻
共基极(CB)
输入电阻较低。
适用于高输入阻抗的信号源。
共集电极(CC)
输入电阻较高。
适用于低输入阻抗的信号源。
共发射极(CE)
输入电阻适中。
适用于中等输入阻抗的信号源。
5. 输出电阻
共基极(CB)
输出电阻较高。
适用于高负载阻抗的场合。
共集电极(CC)
输出电阻较低。
适用于低负载阻抗的场合。
共发射极(CE)
输出电阻适中。
适用于中等负载阻抗的场合。
6. 频率特性
共基极(CB)
频率特性较好,高频性能优异。
适用于高频放大电路。
共集电极(CC)
频率特性一般,主要用于低频电路。
适用于阻抗匹配和缓冲。
共发射极(CE)
频率特性较好,适用于中频和高频放大。
是最常用的放大电路形式。
7. 相位关系
共基极(CB)
输入信号与输出信号相位相同。
共集电极(CC)
输入信号与输出信号相位相同。
共发射极(CE)
输入信号与输出信号相位相反。
总结
共基极(CB):高频性能好,电压增益高,电流增益低,适用于高频放大。
共集电极(CC):电压增益接近1,电流增益高,输入电阻高,输出电阻低,适用于阻抗匹配和缓冲。
共发射极(CE):电压增益和电流增益较高,输入电阻和输出电阻适中,适用于中频和高频放大。
3.2 三极管放大电路分析
目的:静态工作点/动态参数
3.2.1 交流分析/支流分析
说明:直流电源和交流信号的作用总是共存的,但由于电容、电感等元件的存在,直流量所流经的通路与交流信号所流经的通路不完全相同。为了研究问题方便,常把电路分成直流通路和交流通路。

直流通路:交流置零(短路)、电容断路、电感短路;
交流通路:直流置零(短路)、电容短路。
3.2.2 图解法分析

已知三极管特性的前提下,利用图解法分析电路:
Ib=(VbbuBE)/Rb,Ic=(VccuCE)/Rc
分别在输入回路和输出回路,画出直线Ib和Ic,它们的交点即为静态工作点。
3.2.3 等效电路分析

思路(三极管线性化):三极管是非线性元件,将其线性化(交流通路分析)
Ic=bIb为线性关系,Ib与Ui/Ib与Ube为非线性关系
微分思想:▲Ib与▲Ube为线性关系 即:rbe=▲Ube/▲Ib
等效:输入端口将非线性的三极管等效为一个线性的动态电阻。
输出端口可以等效为一个受控的电流源。
3.3 三极管放大电路原理
3.3.1 三极管放大电路分解
三极管是电流放大器件,以共射级放大电路为例

说明:Ui是输入部分//Uo是输出部分//T代表晶体三极管//C1和C2的作用是隔直通交//输入信号和输出信号均为交流信号//C1防止电源Ucc对输入信号Ui的影响//C2隔绝Ucc的直流信号,只取放大后的输入信号。
作用:
UCC:为电路供能/提供合适的静态工作点
RB:为电路提供合适的静态电流(IB)
RC的作用:把放大的电流信号,转换为电压信号
C1和C2作用:隔直通交作用
器件取值范围:
1、三极管放大电路是小信号的放大,常用器件最大通过的电流也只有几百毫安,所以输入信号不能太大
2、对于三极管放大电路的设计,基极电阻取值Rb一般为几十到几百千欧。集电极电阻Rc一般为几千到几十千欧。
3、C1、C2作为隔直通交的电容,取值一般为几微法到几十微法
3.3.2 三极管放大电路静态工作点
三极管放大电路的静态工作点是一个非常重要的概念,它直接关系到放大电路的性能和稳定性。
1. 静态工作点的定义
静态工作点(Q点,Quiescent Point)是指在没有交流信号输入时,三极管放大电路中晶体管的直流偏置状态。它包括以下三个主要参数:
基极电流(Ib):流过基极的直流电流。
集电极电流(Ic):流过集电极的直流电流。
集电极发射极电压(Vce):集电极与发射极之间的直流电压。
这些参数决定了三极管在静态条件下的工作状态,例如是处于放大区、饱和区还是截止区。
2. 静态工作点的作用
保证放大功能:静态工作点决定了三极管的工作状态。只有当三极管工作在放大区时,才能实现对交流信号的线性放大。如果工作点设置不当,可能会导致三极管进入饱和区或截止区,从而无法正常放大信号。
防止失真:静态工作点的设置需要确保在输入信号的整个周期内,三极管都处于放大状态。如果工作点过高,可能会导致饱和失真;如果工作点过低,可能会导致截止失真。
稳定电路性能:合适的静态工作点可以提高放大电路的稳定性和线性度,减少温度、电源电压变化等因素对电路性能的影响。
3. 静态工作点的设置方法
(1)估算法
估算法是一种简单的方法,适用于简单的放大电路,如共射极放大电路。通过计算直流偏置电阻的值,可以估算出静态工作点。例如:
基极电流(Ib)可以通过基极电阻(Rb)和电源电压(Vcc) 计算:
Ib=(VccVbe)/Rb
其中Vbe是基极发射极电压,通常约为 0.7V(对于硅三极管)。
集电极电流Ic可以通过三极管的电流放大系数b计算:Ic=bIb
集电极发射极电压Vce可以通过集电极电阻Rc和电源电压Vcc计算:
Vce=VccIcRc
(2)图解法

图解法是通过绘制三极管的输入特性曲线和输出特性曲线,找到静态工作点。这种方法更直观,但需要绘制电路的直流负载线。通过直流负载线与三极管的特性曲线的交点,可以确定静态工作点。
(3)直流分析法

直流分析法是通过建立电路的直流等效电路,计算静态工作点。这种方法需要忽略交流信号的影响,只考虑直流电源和直流偏置电阻的作用。通过基尔霍夫电压定律(KVL)和基尔霍夫电流定律(KCL),可以求解出静态工作点的各个参数。
4. 静态工作点的稳定措施
采用分压式偏置电路:分压式偏置电路通过电阻分压网络为基极提供稳定的直流偏置电压,从而稳定静态工作点。这种方法对电源电压和温度变化的适应性较强。
引入温度补偿元件:例如,使用二极管或温度补偿电阻,可以抵消温度变化对静态工作点的影响。
使用恒流源偏置:恒流源可以提供稳定的基极电流,从而提高静态工作点的稳定性。
3.3.3三极管放大电路指标

说明:只分析电路直流通路,Ieq=Ibq+Icq
1.电流放大倍数
共发射极电路的输入电流是基极电流IB,输出电流是集电极电流IC,电流放大倍数β=△IC/△IB,通常β值是较大的。
共基极电路的输入电流是发射极电流IE,输出电流是集电极电流IC,电流放大倍数α=△IC/△IE。由于△IC小于△IE,所以α总是小于1的。
共集电极的输入电流是基极电流lB,输出电流是发射极电流IE,电流放大倍数K=△IE/△IB=(△IB+△IC)/△IB=1+β,可见其电流放大倍数也是较大的。
2. 电压放大倍数
共发射极电路的输入端实际上是三极管的发射结,由于三极管处于正向电压工作状态,所以它的输入阻抗是很低的、而输出端的集电结是处于反向电压工作状态,它的输出阻抗是很大的。由于共发射极电路的电流放大倍数较大,输出电流就会在输出端产生较大的输出电压,因而共发射极电路的电压放大倍数较大。
共基极电路的电流放大倍数虽然小于1,但可以选择较大的集电极负载电阻RL和合适的集电极电源EC,使RL的阻值增大后IC不变,那么在RL上仍可以得到较大的输出电压,使电压放大倍数远大于1。
共集电极电路的输入端是集电级,它处于反向电压工作状态,所以有较高的输入阻抗而输出阻抗很低.使得共集电极的电压放大倍数总小于1。
3. 功率放大倍数
这三种电路都有功率放大的能力已对于共基极电路来说,虽然它的电流放大倍数α<1,但电压放大倍数较大,所以仍有功率放大倍数。在这三种电路中,共发射极电路的功率放大倍数最高。
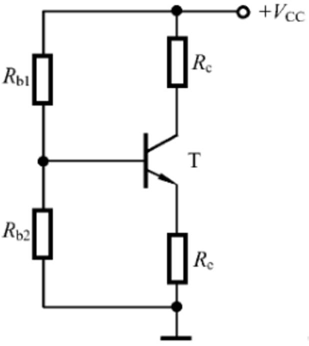
3.4 三极管共基极放大电路

三极管共基极放大电路仿真分析说明:
B=111
电压增益Av=5

放大电路简图

直流通路如上图所示,可以计算得到电路的静态工作点。

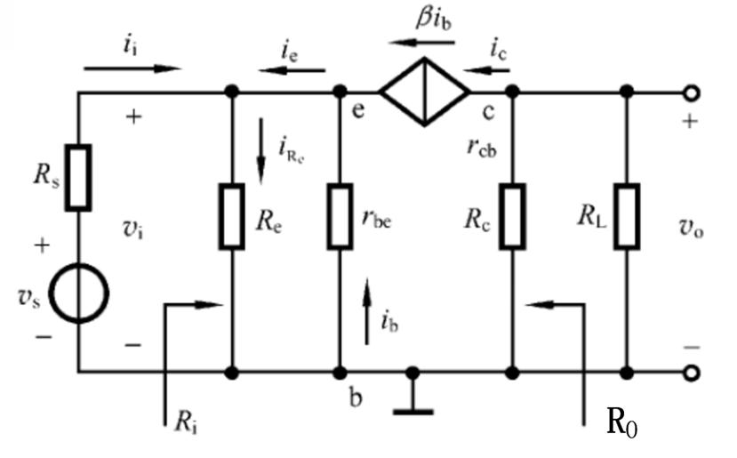
交流通路如上图所示,可得
Vi=RbeIb,V0=Ic(Rc||Rl)
增益:Av=(В(Rc||Rl))/Rbe
输入电阻:Ri=Re||((Rbe/(1+В)))
输出电阻:R0=Rc
3.5 三极管共集电极放大电路

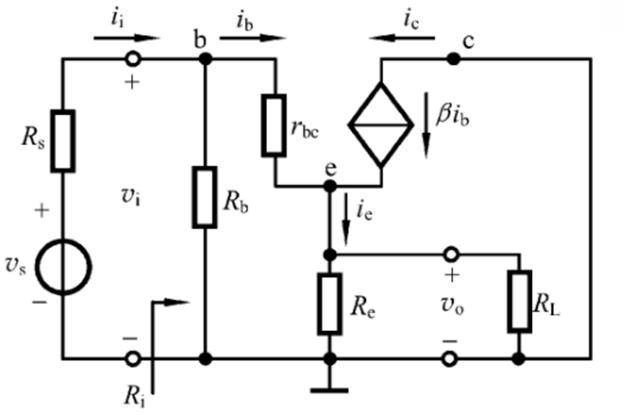
三极管共集极放大电路仿真分析说明:
B=100
电压增益Av=1

三极管共集电极放大电路

直流通路如上图所示,可以计算得到电路的静态工作点。

交流通路分析如下,电压增益
Vi=IbRbe+(1+b)Ib(Re||Rl),V0=(1+b)Ib(Re||Rl)
Av=V0/Vi
由上述公式所示,当并联的电阻(Re||Rl)远大于 的话,这个电压增益就约等于1,也就是说,这个得出来了类似于电压跟随器的效果
的话,这个电压增益就约等于1,也就是说,这个得出来了类似于电压跟随器的效果
输入电阻:Ri=Rb||(Rbe+(1+b)(Re||Rl))
输出电阻:R0=(Re||((Rs||Rb)+Rbe))/1+b
3.6 三极管共射级放大电路 
 分析同上所示,整体表格如下所示。
  
 3.7 双三极管共集电极放大电路
  
 如上图所示,Av=1
 双三极管集电极集电极放大电路是一种常见的多级放大电路结构,通常用于提高放大倍数和改善电路性能。
 1. 电路结构
 双三极管集电极集电极放大电路通常由两个晶体管(如NPN型或PNP型三极管)组成,其中一个三极管的集电极与另一个三极管的集电极相连。这种结构也被称为“共集共集”或“射极跟随器射极跟随器”电路。
 第一级:通常是一个共集放大电路(射极跟随器)。它的输入信号加在基极,输出信号从发射极取出。这种电路的特点是输入阻抗高,输出阻抗低。
 第二级:另一个共集放大电路,其输入信号来自第一级的输出,输出信号再次从发射极取出。
 2. 工作原理
 信号输入:输入信号首先加到第一级三极管的基极。
 第一级放大:第一级三极管将输入信号放大,但由于是共集电路,电压放大倍数接近于1,主要作用是阻抗变换,将高输入阻抗转换为低输出阻抗。
 信号传递:第一级的输出信号(从发射极取出)直接作为第二级三极管的输入信号。
 第二级放大:第二级三极管再次进行类似的第一级放大过程,进一步降低输出阻抗。
 3. 特点
 高输入阻抗:由于两级都是共集电路,整个电路的输入阻抗非常高,适合用于高阻抗信号源。
 低输出阻抗:经过两级阻抗变换,输出阻抗非常低,适合驱动低阻抗负载。
 电压放大倍数:虽然每一级的电压放大倍数接近1,但两级串联可以提高电流放大倍数,从而提高整体的功率放大能力。
 稳定性好:共集电路的频率特性较好,失真较小,适合用于信号缓冲和阻抗匹配。
 4. 应用
 信号缓冲:用于阻抗匹配,将高阻抗信号转换为低阻抗信号。
 驱动电路:用于驱动低阻抗负载,如扬声器或其他低阻抗设备。
 多级放大电路的中间级:用于改善整个放大电路的性能。
 3.8 双三极管共射极放大电路
  
 如上图所示:Av=120
 双三极管共射极放大电路是一种常见的两级放大电路结构,它由两个共射极放大电路级联而成。这种电路广泛应用于需要较高电压放大倍数的场合。以下是对双三极管共射极放大电路的详细介绍:
 1. 电路结构
 双三极管共射极放大电路由两个共射极放大电路组成,第一个三极管的输出信号通过耦合电容连接到第二个三极管的输入端。这种结构可以实现较高的电压放大倍数和功率放大能力。
 第一级:输入信号加在第一个三极管的基极,经过放大后从集电极输出。
 第二级:第一级的输出信号通过耦合电容传递到第二个三极管的基极,经过第二级放大后从集电极输出。
 2. 工作原理
  信号输入:输入信号通过输入耦合电容加到第一级三极管的基极。
  第一级放大:第一级三极管将输入信号放大,输出信号从集电极取出。由于是共射极放大电路,电压放大倍数较大,但输出信号相位与输入信号相反。
  信号传递:第一级的输出信号通过耦合电容传递到第二级三极管的基极。耦合电容的作用是隔直通交,防止直流偏置电压相互影响。
  第二级放大:第二级三极管再次对信号进行放大,输出信号从集电极取出。第二级的输出信号相位与第一级的输出信号相反,因此与输入信号相同。
 3. 特点
  高电压放大倍数:两级放大电路的电压放大倍数是两级的乘积,因此可以获得较高的电压放大倍数。
  相位反转:每级共射极放大电路都会使信号相位反转180度,因此两级放大电路的输出信号相位与输入信号相同。
  频率响应:由于两级放大电路的级联,可能会引入高频和低频失真,需要合理设计耦合电容和旁路电容。
  动态范围:两级放大电路的动态范围受限于电源电压和三极管的饱和电压。
 4. 应用
 这种电路常用于:
  音频放大:用于放大音频信号,提高信号的电压幅度。
  信号处理:用于放大低频信号,如传感器信号。
  多级放大电路:作为多级放大电路的一部分,提高整体放大倍数。
 3.9 三极管共集电极共基极放大电路
  
 如上图所示,Au=10
 双三极管共集电极(射极跟随器)和共基极放大电路的组合是一种常见的多级放大电路结构,通常用于实现高输入阻抗、低输出阻抗以及较高的电压放大倍数。这种电路结合了共集电极电路的高输入阻抗和共基极电路的高电压放大倍数和良好频率特性。以下是这种电路的详细分析。
 1. 电路结构
 双三极管共集电极和共基极放大电路通常由以下两部分组成:
  第一级:共集电极放大电路(射极跟随器)。
  第二级:共基极放大电路。
 信号从第一级的基极输入,经过第一级放大后,从发射极输出,然后直接输入到第二级的发射极,经过第二级放大后,从集电极输出。
 2. 工作原理
  第一级:共集电极放大电路
  输入信号:加在第一级三极管的基极。
  输出信号:从第一级三极管的发射极输出。
  特点:
    电压放大倍数接近1。
    输入阻抗高,输出阻抗低。
    输出信号与输入信号相位相同。
  第二级:共基极放大电路
  输入信号:来自第一级的输出信号,直接加在第二级三极管的发射极。
  输出信号:从第二级三极管的集电极输出。
  特点:
    电压放大倍数较高(通常大于1)。
    输入阻抗低,输出阻抗高。
    输出信号与输入信号相位相反。
 3. 特点
  高输入阻抗:由于第一级是共集电极电路,整个电路的输入阻抗较高,适合高阻抗信号源。
  低输出阻抗:第一级的低输出阻抗为第二级提供了良好的驱动能力。
  高电压放大倍数:第二级的共基极电路提供了较高的电压放大倍数。
  良好的频率特性:共基极电路的频率特性较好,适合高频应用。
  相位反转:第二级的输出信号相位与输入信号相反。
 4. 应用
 这种电路常用于以下场合:
 高频信号放大:适用于需要高输入阻抗和高频放大的场合。
 阻抗变换:适用于需要高输入阻抗和低输出阻抗的场合。
 多级放大电路的中间级:用于改善整体性能。
 3.10 三极管共集电极共发射极放大电路
  
 如上图所示,Av=100
 双三极管共集电极(射极跟随器)和共发射极放大电路的组合是一种常见的多级放大电路结构,结合了共集电极电路的高输入阻抗和低输出阻抗,以及共发射极电路的高电压放大倍数。这种电路广泛应用于需要高输入阻抗和较大电压增益的场合。以下是对这种电路的详细分析。
 1. 电路结构
 双三极管共集电极和共发射极放大电路通常由以下两部分组成:
  第一级:共集电极放大电路(射极跟随器)。
  第二级:共发射极放大电路。
 信号从第一级的基极输入,经过第一级放大后,从发射极输出,然后通过耦合电容传递到第二级的基极,经过第二级放大后,从集电极输出。
 2. 工作原理
  第一级:共集电极放大电路
  输入信号:加在第一级三极管的基极。
  输出信号:从第一级三极管的发射极输出。
  特点:
    电压放大倍数接近1。
    输入阻抗高,输出阻抗低。
    输出信号与输入信号相位相同。
  第二级:共发射极放大电路
  输入信号:来自第一级的输出信号,通过耦合电容加在第二级三极管的基极。
  输出信号:从第二级三极管的集电极输出。
  特点:
    电压放大倍数较高(通常大于1)。
    输入阻抗适中,输出阻抗较高。
    输出信号与输入信号相位相反。
 3. 特点
  高输入阻抗:由于第一级是共集电极电路,整个电路的输入阻抗较高,适合高阻抗信号源。
  高电压放大倍数:第二级的共发射极电路提供了较高的电压放大倍数。
  低输出阻抗:第一级的低输出阻抗为第二级提供了良好的驱动能力。
  相位反转:第二级的输出信号相位与输入信号相反。
  动态范围:受限于电源电压和三极管的饱和电压。
 4. 应用
 这种电路常用于以下场合:
  音频放大:用于放大音频信号,提高信号的电压幅度。
  信号处理:用于放大低频信号,如传感器信号。
  多级放大电路的中间级:用于改善整体性能。
 3.11 三极管共发射级共基极放大电路
  
 如上图所示,Av=90
 双三极管共发射极和共基极放大电路是一种常见的两级放大电路结构,结合了共发射极放大电路的高电压放大倍数和共基极放大电路的高频率特性。这种电路广泛应用于需要高电压增益和良好频率响应的场合,尤其是在高频信号处理中。以下是对这种电路的详细分析。
 1. 电路结构
 双三极管共发射极和共基极放大电路由以下两部分组成:
  第一级:共发射极放大电路。
  第二级:共基极放大电路。
 信号从第一级的基极输入,经过第一级放大后,从集电极输出,然后通过耦合电容传递到第二级的发射极,经过第二级放大后,从集电极输出。
 2. 工作原理
  第一级:共发射极放大电路
  输入信号:加在第一级三极管的基极。
  输出信号:从第一级三极管的集电极输出。
  特点:
    电压放大倍数较高(通常大于1)。
    输入阻抗适中,输出阻抗较高。
    输出信号与输入信号相位相反。
  第二级:共基极放大电路
  输入信号:来自第一级的输出信号,通过耦合电容加在第二级三极管的发射极。
  输出信号:从第二级三极管的集电极输出。
  特点:
    电压放大倍数较高(通常大于1)。
    输入阻抗低,输出阻抗高。
    输出信号与输入信号相位相反。
 3. 特点
  高电压放大倍数:两级放大电路的电压放大倍数是两级的乘积,可以获得较高的电压放大倍数。
  良好的频率特性:共基极电路的频率特性较好,适合高频应用。
  低输入阻抗:第一级的输入阻抗适中,第二级的输入阻抗低,适合低阻抗信号源。
  高输出阻抗:第二级的输出阻抗较高,适合高阻抗负载。
  相位反转:两级放大电路的输出信号相位与输入信号相同(因为每级相位反转一次)。
 4. 应用
 这种电路常用于以下场合:
  高频信号放大:适用于需要高电压增益和高频放大的场合。
  阻抗变换:适用于需要低输入阻抗和高输出阻抗的场合。
  多级放大电路的中间级:用于改善整体性能。
 4 硬件工程师笔试面试相关文章链接
 
 
1、硬件工程师笔面试真题汇总(2025版本)_硬件工程师面试题-CSDN博客 https://blog.csdn.net/XU157303764/article/details/140742900?spm=1011.2415.3001.53312、硬件工程师笔试面试汇总_硬件工程师面试题-CSDN博客
https://blog.csdn.net/XU157303764/article/details/140742900?spm=1011.2415.3001.53312、硬件工程师笔试面试汇总_硬件工程师面试题-CSDN博客 https://blog.csdn.net/XU157303764/article/details/141904858?spm=1011.2415.3001.5331硬件工程师笔试面试学习汇总——器件篇目录_硬件工程师笔试基础知识-CSDN博客
https://blog.csdn.net/XU157303764/article/details/141904858?spm=1011.2415.3001.5331硬件工程师笔试面试学习汇总——器件篇目录_硬件工程师笔试基础知识-CSDN博客 https://blog.csdn.net/XU157303764/article/details/142316204?spm=1011.2415.3001.5331硬件工程师笔试面试知识器件篇——电阻_硬件工程师笔试基础知识-CSDN博客
https://blog.csdn.net/XU157303764/article/details/142316204?spm=1011.2415.3001.5331硬件工程师笔试面试知识器件篇——电阻_硬件工程师笔试基础知识-CSDN博客 https://blog.csdn.net/XU157303764/article/details/141874163?spm=1011.2415.3001.5331硬件工程师笔试面试知识器件篇——电容-CSDN博客
https://blog.csdn.net/XU157303764/article/details/141874163?spm=1011.2415.3001.5331硬件工程师笔试面试知识器件篇——电容-CSDN博客 https://blog.csdn.net/XU157303764/article/details/141899789?spm=1011.2415.3001.5331硬件工程师笔试面试知识器件篇——电感_硬件工程师电感-CSDN博客
https://blog.csdn.net/XU157303764/article/details/141899789?spm=1011.2415.3001.5331硬件工程师笔试面试知识器件篇——电感_硬件工程师电感-CSDN博客 https://blog.csdn.net/XU157303764/article/details/141902660?spm=1011.2415.3001.5331硬件工程师笔试面试知识器件篇——三极管_三极管面试-CSDN博客
https://blog.csdn.net/XU157303764/article/details/141902660?spm=1011.2415.3001.5331硬件工程师笔试面试知识器件篇——三极管_三极管面试-CSDN博客 https://blog.csdn.net/XU157303764/article/details/141903838?spm=1011.2415.3001.5331硬件工程师笔试面试知识器件篇——二极管_二极管面试问题-CSDN博客
https://blog.csdn.net/XU157303764/article/details/141903838?spm=1011.2415.3001.5331硬件工程师笔试面试知识器件篇——二极管_二极管面试问题-CSDN博客 https://blog.csdn.net/XU157303764/article/details/141903198?spm=1011.2415.3001.5331硬件工程师笔试面试——上拉电阻、下拉电阻_硬件面试一般问哪些 上拉电阻-CSDN博客
https://blog.csdn.net/XU157303764/article/details/141903198?spm=1011.2415.3001.5331硬件工程师笔试面试——上拉电阻、下拉电阻_硬件面试一般问哪些 上拉电阻-CSDN博客 https://blog.csdn.net/XU157303764/article/details/141904259?spm=1011.2415.3001.5331硬件工程师笔试面试——继电器_固态继电器考试题-CSDN博客
https://blog.csdn.net/XU157303764/article/details/141904259?spm=1011.2415.3001.5331硬件工程师笔试面试——继电器_固态继电器考试题-CSDN博客 https://blog.csdn.net/XU157303764/article/details/141942261?spm=1011.2415.3001.5331硬件工程师笔试面试——IGBT_igbt面试题目-CSDN博客
https://blog.csdn.net/XU157303764/article/details/141942261?spm=1011.2415.3001.5331硬件工程师笔试面试——IGBT_igbt面试题目-CSDN博客 https://blog.csdn.net/XU157303764/article/details/142070424?spm=1011.2415.3001.5331硬件工程师笔试面试——MOS管_mos管面试问题-CSDN博客
https://blog.csdn.net/XU157303764/article/details/142070424?spm=1011.2415.3001.5331硬件工程师笔试面试——MOS管_mos管面试问题-CSDN博客 https://blog.csdn.net/XU157303764/article/details/142073376?spm=1011.2415.3001.5331硬件工程师笔试面试——变压器_变压器电子工程师面试题目以及答案-CSDN博客
https://blog.csdn.net/XU157303764/article/details/142073376?spm=1011.2415.3001.5331硬件工程师笔试面试——变压器_变压器电子工程师面试题目以及答案-CSDN博客 https://blog.csdn.net/XU157303764/article/details/142313787?spm=1011.2415.3001.5331硬件工程师笔试面试——保险丝_硬件设计保险丝-CSDN博客
https://blog.csdn.net/XU157303764/article/details/142313787?spm=1011.2415.3001.5331硬件工程师笔试面试——保险丝_硬件设计保险丝-CSDN博客 https://blog.csdn.net/XU157303764/article/details/142314695?spm=1011.2415.3001.5331硬件工程师笔试面试——开关_开关电源面试笔试题-CSDN博客
https://blog.csdn.net/XU157303764/article/details/142314695?spm=1011.2415.3001.5331硬件工程师笔试面试——开关_开关电源面试笔试题-CSDN博客 https://blog.csdn.net/XU157303764/article/details/142314758?spm=1011.2415.3001.5331硬件工程师笔试面试——滤波器_滤波器面试-CSDN博客
https://blog.csdn.net/XU157303764/article/details/142314758?spm=1011.2415.3001.5331硬件工程师笔试面试——滤波器_滤波器面试-CSDN博客 https://blog.csdn.net/XU157303764/article/details/142314811?spm=1011.2415.3001.5331硬件工程师笔试面试——晶振_有源晶振笔试题-CSDN博客
https://blog.csdn.net/XU157303764/article/details/142314811?spm=1011.2415.3001.5331硬件工程师笔试面试——晶振_有源晶振笔试题-CSDN博客 https://blog.csdn.net/XU157303764/article/details/142314968?spm=1011.2415.3001.5331硬件工程师笔试面试——显示器件_显示器件设计工程师笔试-CSDN博客
https://blog.csdn.net/XU157303764/article/details/142314968?spm=1011.2415.3001.5331硬件工程师笔试面试——显示器件_显示器件设计工程师笔试-CSDN博客 https://blog.csdn.net/XU157303764/article/details/142315003?spm=1011.2415.3001.5331硬件工程师笔试面试——无线通讯模块_关于wifi 的硬件工程师面试题-CSDN博客
https://blog.csdn.net/XU157303764/article/details/142315003?spm=1011.2415.3001.5331硬件工程师笔试面试——无线通讯模块_关于wifi 的硬件工程师面试题-CSDN博客 https://blog.csdn.net/XU157303764/article/details/142315034?spm=1011.2415.3001.5331硬件工程师笔试面试——存储器件-CSDN博客
https://blog.csdn.net/XU157303764/article/details/142315034?spm=1011.2415.3001.5331硬件工程师笔试面试——存储器件-CSDN博客 https://blog.csdn.net/XU157303764/article/details/142315081?spm=1011.2415.3001.5331硬件工程师笔试面试——集成电路_集成电路理论题库-CSDN博客
https://blog.csdn.net/XU157303764/article/details/142315081?spm=1011.2415.3001.5331硬件工程师笔试面试——集成电路_集成电路理论题库-CSDN博客 https://blog.csdn.net/XU157303764/article/details/142315158?spm=1011.2415.3001.5331硬件工程师笔试面试——电机_电机控制器硬件工程师面试-CSDN博客
https://blog.csdn.net/XU157303764/article/details/142315158?spm=1011.2415.3001.5331硬件工程师笔试面试——电机_电机控制器硬件工程师面试-CSDN博客 https://blog.csdn.net/XU157303764/article/details/142315183?spm=1011.2415.3001.5331电器元件符号及封装大全_海尔电视逻辑板上的22oj3是什么元件-CSDN博客
https://blog.csdn.net/XU157303764/article/details/142315183?spm=1011.2415.3001.5331电器元件符号及封装大全_海尔电视逻辑板上的22oj3是什么元件-CSDN博客 https://blog.csdn.net/XU157303764/article/details/144897502?spm=1011.2415.3001.5331运算放大电路汇总及电路仿真_用qucs仿真运算放大器-CSDN博客
https://blog.csdn.net/XU157303764/article/details/144897502?spm=1011.2415.3001.5331运算放大电路汇总及电路仿真_用qucs仿真运算放大器-CSDN博客 https://blog.csdn.net/XU157303764/article/details/144974369?spm=1011.2415.3001.5331半波整流和全波整流电路汇总及电路仿真_半波整流电路和滤波电路仿真与调试的区别-CSDN博客
https://blog.csdn.net/XU157303764/article/details/144974369?spm=1011.2415.3001.5331半波整流和全波整流电路汇总及电路仿真_半波整流电路和滤波电路仿真与调试的区别-CSDN博客 https://blog.csdn.net/XU157303764/article/details/145379301?spm=1011.2415.3001.5331滤波电路汇总_视频滤波电路-CSDN博客
https://blog.csdn.net/XU157303764/article/details/145379301?spm=1011.2415.3001.5331滤波电路汇总_视频滤波电路-CSDN博客 https://blog.csdn.net/XU157303764/article/details/145382488?spm=1011.2415.3001.5331开关电路汇总-CSDN博客
https://blog.csdn.net/XU157303764/article/details/145382488?spm=1011.2415.3001.5331开关电路汇总-CSDN博客 https://blog.csdn.net/XU157303764/article/details/145388966?spm=1011.2415.3001.5331AD电路仿真_ad仿真图什么意思-CSDN博客
https://blog.csdn.net/XU157303764/article/details/145388966?spm=1011.2415.3001.5331AD电路仿真_ad仿真图什么意思-CSDN博客 https://blog.csdn.net/XU157303764/article/details/145391047?spm=1011.2415.3001.533120个整流电路及仿真实验汇总-CSDN博客
https://blog.csdn.net/XU157303764/article/details/145391047?spm=1011.2415.3001.533120个整流电路及仿真实验汇总-CSDN博客 https://blog.csdn.net/XU157303764/article/details/145401280?spm=1011.2415.3001.5331万用表使用-CSDN博客
https://blog.csdn.net/XU157303764/article/details/145401280?spm=1011.2415.3001.5331万用表使用-CSDN博客 https://blog.csdn.net/XU157303764/article/details/145402665?spm=1011.2415.3001.53312024美团秋招硬件开发笔试真题及答案解析_美团硬件开发笔试-CSDN博客
https://blog.csdn.net/XU157303764/article/details/145402665?spm=1011.2415.3001.53312024美团秋招硬件开发笔试真题及答案解析_美团硬件开发笔试-CSDN博客 https://blog.csdn.net/XU157303764/article/details/145430040?spm=1011.2415.3001.53312024美团春招硬件开发笔试真题及答案解析_美团2025年春招第一场笔试【硬件开发方向】-CSDN博客
https://blog.csdn.net/XU157303764/article/details/145430040?spm=1011.2415.3001.53312024美团春招硬件开发笔试真题及答案解析_美团2025年春招第一场笔试【硬件开发方向】-CSDN博客 https://blog.csdn.net/XU157303764/article/details/145430447?spm=1011.2415.3001.53312024联想春招硬件嵌入式开发真题及答案解析_联想硬件笔试题-CSDN博客
https://blog.csdn.net/XU157303764/article/details/145430447?spm=1011.2415.3001.53312024联想春招硬件嵌入式开发真题及答案解析_联想硬件笔试题-CSDN博客 https://blog.csdn.net/XU157303764/article/details/145430556?spm=1011.2415.3001.53312023联想电子电路真题及答案解析_电子电路模拟卷及答案-CSDN博客
https://blog.csdn.net/XU157303764/article/details/145430556?spm=1011.2415.3001.53312023联想电子电路真题及答案解析_电子电路模拟卷及答案-CSDN博客 https://blog.csdn.net/XU157303764/article/details/145432109?spm=1011.2415.3001.53312022联想硬件真题及答案解析-CSDN博客
https://blog.csdn.net/XU157303764/article/details/145432109?spm=1011.2415.3001.53312022联想硬件真题及答案解析-CSDN博客 https://blog.csdn.net/XU157303764/article/details/145435275?spm=1011.2415.3001.5331网易校招硬件研发工程师提前批真题及答案解析-CSDN博客
https://blog.csdn.net/XU157303764/article/details/145435275?spm=1011.2415.3001.5331网易校招硬件研发工程师提前批真题及答案解析-CSDN博客 https://blog.csdn.net/XU157303764/article/details/145435462?spm=1011.2415.3001.5331网易校招硬件工程师正式批-CSDN博客
https://blog.csdn.net/XU157303764/article/details/145435462?spm=1011.2415.3001.5331网易校招硬件工程师正式批-CSDN博客 https://blog.csdn.net/XU157303764/article/details/145464105?spm=1011.2415.3001.53312019京东校招电气工程师真题及答案解析-CSDN博客
https://blog.csdn.net/XU157303764/article/details/145464105?spm=1011.2415.3001.53312019京东校招电气工程师真题及答案解析-CSDN博客 https://blog.csdn.net/XU157303764/article/details/145540559?spm=1011.2415.3001.53312018京东秋招电气工程师真题及答案解析_如图所示复合管,已知v1的放大倍数为10-CSDN博客
https://blog.csdn.net/XU157303764/article/details/145540559?spm=1011.2415.3001.53312018京东秋招电气工程师真题及答案解析_如图所示复合管,已知v1的放大倍数为10-CSDN博客 https://blog.csdn.net/XU157303764/article/details/145560334?spm=1011.2415.3001.5331Altium Designer(AD)仿真实验操作指南_altiumdesigner仿真教程-CSDN博客
https://blog.csdn.net/XU157303764/article/details/145560334?spm=1011.2415.3001.5331Altium Designer(AD)仿真实验操作指南_altiumdesigner仿真教程-CSDN博客 https://blog.csdn.net/XU157303764/article/details/145694520?spm=1011.2415.3001.5331AD(Altium Designer)中英文界面切换操作指南_altium designer怎么改中文-CSDN博客
https://blog.csdn.net/XU157303764/article/details/145694520?spm=1011.2415.3001.5331AD(Altium Designer)中英文界面切换操作指南_altium designer怎么改中文-CSDN博客 https://blog.csdn.net/XU157303764/article/details/145694259?spm=1011.2415.3001.5331AD(Altium Designer)创建及完成项目操作指南_altium designer新建项目-CSDN博客
https://blog.csdn.net/XU157303764/article/details/145694259?spm=1011.2415.3001.5331AD(Altium Designer)创建及完成项目操作指南_altium designer新建项目-CSDN博客 https://blog.csdn.net/XU157303764/article/details/145716291?spm=1011.2415.3001.5331AD(Altium Designer)器件封装——立创商城导出原理图和PCB完成器件封装操作指南_复制立创商城模型-CSDN博客
https://blog.csdn.net/XU157303764/article/details/145716291?spm=1011.2415.3001.5331AD(Altium Designer)器件封装——立创商城导出原理图和PCB完成器件封装操作指南_复制立创商城模型-CSDN博客 https://blog.csdn.net/XU157303764/article/details/145741894?spm=1011.2415.3001.5331AD(Altium Designer)三种方法导入图片_ad导入图片-CSDN博客
https://blog.csdn.net/XU157303764/article/details/145741894?spm=1011.2415.3001.5331AD(Altium Designer)三种方法导入图片_ad导入图片-CSDN博客 https://blog.csdn.net/XU157303764/article/details/145766000?spm=1011.2415.3001.5331AD(Altium Designer)已有封装库的基础上添加器件封装_altium designer pcb库封装-CSDN博客
https://blog.csdn.net/XU157303764/article/details/145766000?spm=1011.2415.3001.5331AD(Altium Designer)已有封装库的基础上添加器件封装_altium designer pcb库封装-CSDN博客 https://blog.csdn.net/XU157303764/article/details/146427258?spm=1011.2415.3001.5331AD(Altium Designer)更换PCB文件的器件封装_altium designer设计里已经生成pcb怎么更改-CSDN博客
https://blog.csdn.net/XU157303764/article/details/146427258?spm=1011.2415.3001.5331AD(Altium Designer)更换PCB文件的器件封装_altium designer设计里已经生成pcb怎么更改-CSDN博客 https://blog.csdn.net/XU157303764/article/details/146448192?spm=1011.2415.3001.5331
https://blog.csdn.net/XU157303764/article/details/146448192?spm=1011.2415.3001.5331
