当前位置: 首页 > news >正文

英飞凌TLE9945GPT12

13 通用定时器单元(GPT12)

13.1 特性概述

通用定时器(GPT12)由五个 16 位定时器组成,这些定时器被分为两个定时器模块 GPT1 和 GPT2。这两个定时器模块可独立用于各种用途,如定时、事件计数、脉宽测量、脉冲生成、频率倍增等。

GPT1 具备以下特性:

  • 模块时钟除以 4 后的最大分辨率
  • 3 个独立的定时器 / 计数器
  • 定时器 / 计数器可级联
  • 4 种工作模式:
    • 定时器模式
    • 门控定时器模式
    • 计数器模式
    • 增量接口模式
  • 重载和捕获功能
  • GPT1 有多种输入选项
  • GPT1 有一个输出用于外设互联和产生中断请求(IRQ)

GPT2 具备以下特性:

  • 模块时钟除以 2 后的最大分辨率
  • 2 个独立的定时器 / 计数器
  • 定时器 / 计数器可级联
  • 3 种工作模式:
    • 定时器模式
    • 门控定时器模式
    • 计数器模式
  • 扩展的捕获和重载功能
  • GPT2 有多种输入选项
  • GPT2 有一个输出用于外设互联和产生中断请求(IRQ)

13.2 框架图

13.2.1 GPT1 模块

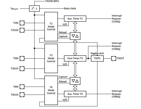
GPT1 模块包含三个定时器 / 计数器:核心定时器 T3 以及两个辅助定时器 T2 和 T4。其最大分辨率为 GPT 时钟除以 4 。GPT1 的辅助定时器可选择性地配置为重载寄存器或核心定时器的捕获寄存器

Figure 111 GPT1 block (n = 2 … 5)

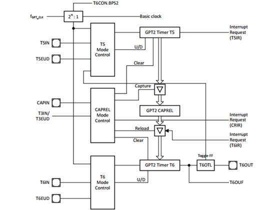
13.2.2 GPT2 模块

GPT2 模块包含两个定时器 / 计数器:核心定时器 T6 和辅助定时器 T5。其最大分辨率为。一个额外的捕获 / 重载寄存器(CAPREL)支持具有扩展功能的捕获和重载操作。

Figure 112 GPT2 block

13.3 接口

13.3.1 顶层信号

表 124 顶层连接

13.3.2 中断

13.3.2.1 GPT1 定时器的中断控制

当一个定时器从FFFFH上溢到0000 H(向上计数时),或者从0000 H下溢到FFFFH(向下计数时)时,寄存器IS中的中断请求标志将被置位。如果相应的中断使能位被置位,这将导致相应定时器中断向量中断。

在重载模式下,在触发信号时,T3加载相应定时器的内容(T2或T4),并设置寄存器IS中的相应中断请求标志。

在增量接口模式下,中断请求生成可以选择如下:

- 在旋转检测模式下(T3 M = 110 B),每次T3的计数方向改变时,都会生成中断请求

-在边缘检测模式下(T3 M = 111 B),每次检测到T3的计数沿时,都会生成中断请求。

在捕获模式下,在相应输入引脚触发(选定转换)时,核心定时器T3的内容被加载到辅助定时器寄存器Tx中,并且寄存器IS中的相关中断请求标志将被置位

13.3.2.2 GPT2定时器和CAPREL的中断控制

当定时器从 FFFFH 向上计数溢出到 0000H ,或从 0000H 向下计数下溢到 FFFFH 时,寄存器 IS 中的中断请求标志将被置位。如果相应的中断使能位已置位,这将引发对相应定时器中断向量的中断。

每当在引脚 CAPIN 检测到根据位域 CI中的选择而定的转换时,寄存器 IS 中的中断请求标志将被置位。设置该请求标志会引发对相应定时器或 CAPREL 中断向量的中断,前提是相应的中断使能位已置位。

两个定时器(T5、T6 )以及 CAPREL 寄存器各有一个中断控制寄存器。所有中断控制寄存器都具有寄存器说明中描述的相同结构

AURIX系列之TC275学习笔记(三): GPT1模块_tc275有几个定时器-CSDN博客

AURIX系列之TC275学习笔记(四):GPT2 模块_tc gpt-CSDN博客

13.3.2.3 GPT12中断生成

GPT12中断方案允许以下配置:·中断状态存储在寄存器IS中·软件可以通过ISS和ISC设置和清除中断状态·中断请求可以通过IEN使能·六个中断请求映射到中断节点指针IPTR,它有两个中断请求线IRQ 0和IRQ 1。

GPT12中断方案如图113所示。

13.5 功能描述

13.5.1 定时器模块 GPT1

从程序员的角度来看,GPT1 模块由一组特殊功能寄存器(SFR)组成,如下所述。GPT1 模块用于复用功能的端口和方向寄存器部分以阴影显示

图 114 与定时器模块 GPT1 相关的特殊功能寄存器

GPT1 模块的三个定时器(T2、T3、T4 )均可在四种基本模式下运行:定时器模式、门控定时器模式、计数器模式或增量接口模式。所有定时器均可进行向上或向下计数。GPT1 的每个定时器由一个独立的控制寄存器 TxCON 控制。

每个定时器都有一个关联的输入引脚 TxIN(复用引脚功能),在门控定时器模式下用作门控控制,在计数器模式下用作计数输入。计数方向(向上 / 向下)可通过软件编程设定,也可由外部加减控制输入引脚 TxEUD(复用引脚功能)上的信号动态改变。核心定时器 T3 的溢出 / 下溢由输出翻转锁存器 T3OTL 指示,其状态可在相关引脚 T3OUT(复用引脚功能)上输出。辅助定时器 T2 和 T4 ,除自身功能外,还可与核心定时器 T3 级联(通过 T3OTL ),或用作核心定时器 T3 的捕获或重载寄存器。

当前三个定时器的计数值可由 CPU 通过访问位于不可位寻址特殊功能寄存器空间中的相应定时器计数寄存器 T2、T3 或 T4 进行读取或修改。当 CPU 在定时器递增、递减、重载或捕获操作即将发生前的状态下对任何定时器寄存器进行写入时,为确保结果正确,CPU 写入操作具有优先级。

GPT1 的中断通过 IEN、IS、ISC 和 ISS 进行控制。

GPT1 的输入和输出线路连接到引脚上。端口功能的控制寄存器位于相应的端口模块中。

注意:外部输入信号的时序要求见 13.5.1.5 章节。
13.3.1 章节对模块接口信号进行了总结。

13.5.1.1 GPT1 核心定时器 T3 控制

核心定时器 T3 的当前计数值由其计数寄存器 T3 反映。该寄存器也可由 CPU 写入,例如,用于设置初始计数值。

核心定时器 T3 通过其控制寄存器 T3CON 进行配置和控制。

13.5.1.1.1 定时器 T3 运行控制</

http://www.dtcms.com/a/195153.html

相关文章:

  • SSH主机密钥验证失败:全面解决方案与技术手册
  • 【言语】刷题5(填空)
  • MySQL数据库——支持远程IP访问的设置方法总结
  • 【RabbitMQ】消息丢失问题排查与解决
  • 将单链表反转【数据结构练习题】
  • (for 循环) VS (LINQ) 性能比拼 ——c#
  • 半导体供应链B2B集成时应该注意的要点
  • vue3中预览Excel文件
  • Spring三级缓存的作用与原理详解
  • 【每天一个知识点】意图传播(Intent Propagation)
  • 单例模式深度解析:从原理到高阶应用实践
  • 文章记单词 | 第89篇(六级)
  • jvm第一篇《内存与垃圾回收》学习笔记第一章jvm初始
  • 计算机图形学编程(使用OpenGL和C++)(第2版)学习笔记 10.增强表面细节(二)法线贴图
  • [MySQL排查] “Too many connections“ 错误?数据库最大连接数满了怎么办及优化
  • 我的 PDF 工具箱:CodeBuddy 打造 PDFMagician 的全过程记录
  • Jenkins教程
  • C#将1GB大图裁剪为8张图片
  • Ngrok 配置:实现 Uniapp 前后端项目内网穿透
  • vue使用Fabric和pdfjs完成合同签章及批注
  • 解决LeetCode 47. 全排列 II 问题的正确姿势:深入分析剪枝与状态跟踪
  • MySQL的 JOIN 优化终极指南
  • ES(Elasticsearch)的应用与代码示例
  • 股指期货贴水为何会产生成本?
  • WebSocket聊天室的简单制作指南
  • qt文本边框设置
  • 保安员考试报名时,体检项目包含哪些?
  • Spyglass:跨时钟域同步(同步使能)
  • Day 22 训练
  • 软件开发中常见(合规)工具