再度深入理解PLC的输入输出接线
本文再次重新梳理:
两线式/三线式传感器的原理及接线、PLC的输入和输出接线,深入其内部原理,按照自己熟悉的方式去理解该知识
在此之前,需要先统一几个基础知识点:
- 在看任何电路的时候,需要有高低电压差,需要是闭合回路,此时我们就观察电流的流向和某个点位的电平高低
- 二极管是单相导通性,三极管类似于水龙头的开关,给信号到基极后三极管打开,电流通过
一、传感器的原理及接线
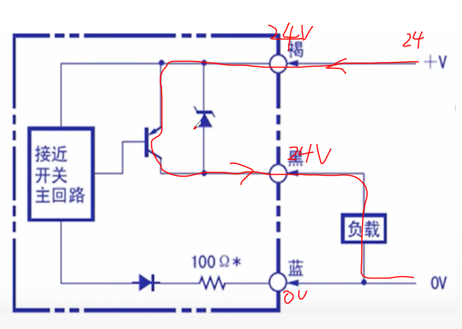
1.直流两线式传感器接线

外部负载可以认为是中间继电器的线圈,直流24V供电,经过负载从褐色引脚流入
当接近开关靠近金属时,主回路控制基极导通,电流可以顺利的流过三极管,流向蓝色引脚
最终回到0V形成回路,这样两线式的传感器就可以正常工作了!
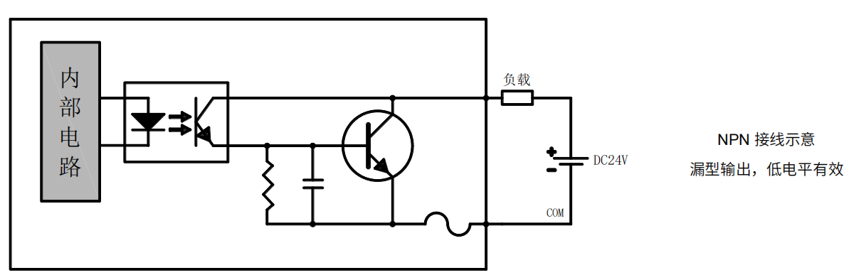
2.三线式传感器接线(NPN型)

这个内部电路图相当抽象,我们还是按照上面的方法梳理一下电流和电位:
可以看到褐色线接24V,蓝色线接0V,负载接在褐色和黑色之间
当接近开关靠近金属时,三极管基极导通,此时黑色端口和蓝色端口等效为一根导线,均为低电位;而褐色端口为高电位,此时负载得电。

黑色端口为低电平,因此我们称之为低电平输出,或NPN型传感器!
3.三线式传感器接线(PNP型)

可以看到褐色线接24V,蓝色线接0V,负载接在黑色和蓝色之间
当接近开关靠近金属时,三极管基极导通,此时褐色端口和黑色端口等效为一根导线,均为高电位;而蓝色端口为高电位,此时负载得电。 
黑色端口为高电平,因此我们称之为高电平输出,或PNP型传感器!

二、PLC输入端原理及接线
PLC的输入我们一般不说高电平或低电平,因为怎么接都可以,取决于外部设备的类型
先以禾川PLC的内部电路图看看,输入端子内部到底是什么原理?
下图是禾川PLC本地输入作为普通输入内部电路简图

内部电路可以看到,光耦隔离里面是一个双向二极管,也就是说公共端SS既可以外接0V,也可以外接24V,怎么接都行。
因此类比一下,西门子/汇川等这些PLC的输入端子内部应该也是这样一个电路原理!
1.NPN型传感器接入西门子

根据电路可以看到,输入的公共端1M外接的24V,当传感器有信号时,I0.2此时与黑色线是一路,也就是低电平0V。
因此这种接法也可成为低电平输入,或漏型输入,或NPN型输入!
2.PNP型传感器接入西门子

根据电路可以看到,输入的公共端1M外接的0V,当传感器有信号时,I0.2此时与黑色线是一路,也就是高电平24V。
因此这种接法也可成为高电平输入,或源型输入,或PNP型输入!
三、PLC输出端原理及接线
PLC的输出一般要分情况:
欧系PLC,比如西门子,它的输出是高电平输出,抗干扰能力强
日系PLC,比如欧姆龙,它的输出是低电平输出,能耗低
我们还是以国产品牌禾川PLC的输出电路图为例,看看内部构造
下图是禾川PLC本地输出作为普通输出内部电路简图

可以看到,内部其实是两个三极管,是有方向的。输出端Q点外接负载,负载连接24V,公共端COM接0V,电流从上流入从公共端流出,这个流向不能反,否则会烧坏三极管。
因此这种接法,Q点为低电平,我们叫做低电平有效,或NPN型输出,或漏型输出!

而西门子的输出是高电平输出,PNP型,我们看看它的电路图:
四、实际案例
总结一下:
以上便是传感器的接线和PLC输入输出接线的原理,每个人可能理解的方式不同,我的这种仅供参考,但我个人认为还是比较容易理解的。
而且在接线的时候,会比较清晰,不容易接错!下面我们看一道实际的练习题

