(九)PMSM驱动控制学习---分流电阻采样及重构

在电机控制当中,无论是我们的控制或者电机工作情况的检测,都十分依赖于电机三相电流的值, 所以相电流采样再在FOC控制中是一个特别关键的环节。
在前几篇中我们介绍了逆变电路的相关内容,所以在此基础上我们接着说道电流采样。目前应用较多的相电流采样方式是分流电阻采样,包括单电阻、双电阻以及三电阻采样法。其中单电阻采样的成本最低,但实现难度较为复杂,性能相对较差,本文中,我们着重介绍使用多且较为简单,性能较好的双电阻和三电阻采样。并介绍stm32上用于采样的ADC外设的基础配置。
逆变电路相关文章链接:
(六)PMSM驱动控制学习---逆变电路基础与SPWM_三相spwm逆变电路-CSDN博客
目录
一.双电阻采样
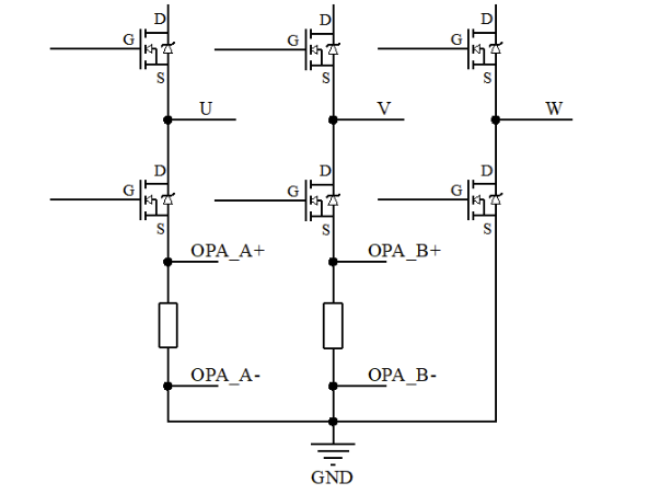
1.双电阻采样电路
2.双电阻采样原理
3.电流重构
二.三电阻采样
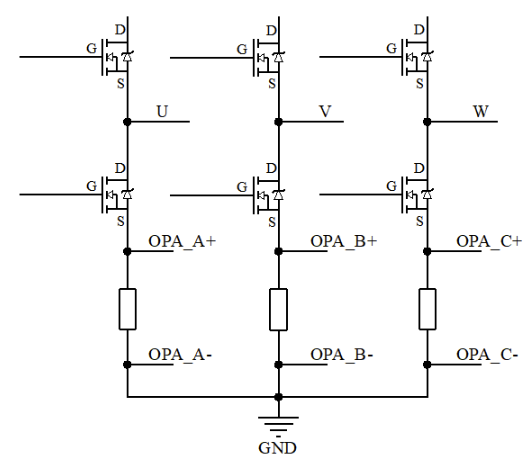
1.三电阻采样电路
2.三电阻采样原理
3.电流重构
三.STM32上ADC相关配置
1.触发采样的配置
(1)定时器设置
(2)ADC设置
2.同步采样的配置
一.双电阻采样
1.双电阻采样电路
在全桥逆变器下桥臂的两个相(如V相和U相)各串联一个采样电阻,如下图所示:

2.双电阻采样原理
从电阻两端采集两相电压信号,经过运放等器件,可计算得到相电流大小。
但并不是任意时刻都可以进行采样的,需要选择三相上桥臂截止,下桥臂导通的时刻,此时相电流通过二极管进行续流,电流瞬时值不会突变,通过采样续流电流可以得到真实的相电流。

下桥臂全开时采样,如上图矢量V000时所示。
3.电流重构
双电阻电流重构方法是采样得到的两相电流后根据公式Ia + Ib + Ic = 0得到第三相电流。
因为ADC电流采集也是需要一定时间的,当随着占空比加大,占空比最大的一路接近百分百时,其下桥导通剩余时间不足以让ADC采集周期完成一轮(如下图时间太短),导致采样出现偏差,因此占空比不能占满,从性能上考虑约束占空比为95%,保证采样有充足时间。

二.三电阻采样
1.三电阻采样电路
三电阻采样相电流方法是在全桥逆变电路的三个下桥臂分别串联一个采样电阻,从三个采样电阻两端采集电压信号,经过运放以及A-D器件,后通过计算得到相电流的大小,三电阻采样电路如图所示。

2.三电阻采样原理
其原理和双电阻采样相同,在上桥臂截止,下桥臂导通的时刻进行采集,此时相电流通过二极管进行续流,通过采样续流电流可以得到真实的相电流。

3.电流重构
三电阻采样不需要进行计算,因为刚好测得了三相电流。
相对于双电阻采样,对于95%占空比的限制,三电阻采样可采用改变采样点位置,预留出足够的窗口给AD器件采样。可将采样点前移到2区域,因为我们三相都拥有采样电阻,所以在各种情况下都可以用两相重构出第三相。这样提高了电源利用率。

三.STM32上ADC相关配置
1.触发采样的配置
由于我们需要的是准确的在下桥臂都导通的时候对电流进行采样,那么在stm32上,我们应该如何配置我们的ADC外设呢?这里我们用双电阻采样来进行说明。
(1)定时器设置
在我们的逆变电路中,由于功率管不是理想器件,导通和关断不是瞬间完成的,有上升和跌落的时间,因此在互补状态下还要提供一个死区时间防止开关过程中的上下同时导通。所以我们需要互补的pwm输出和死区功能。正好在stm32的高级定时器中,在硬件层面提供了这些功能,我们只需要对其进行底层的配置即可。
下图是定时器配置为上下计数模式的pwm产生示意图,定时器当前计数值与设定的比较线(值)的比较关系控制定时器通道的输出。示意图中虽然计数值低于比较线时输出高电平,但是是否低于比较线才输出以及输出高电平还是低电平都是可以配置的。

将上下功率管的控制引脚分别接到单片机pwm输出通道的正通道以及互补通道,即可实现自动互补pwm输出以及自动插入死区时间。注意,有些功率管驱动器(半桥驱动器,比如ir2104)自带上下桥互补输出以及自带死区插入,这样只需pwm正通道即可控制上下桥功率管,也不必开启单片机的死区功能了。
在cubemx配置如下:
首先配置TIM1的模式,设置时钟源为内部时钟,设置通道为互补通道

接着配置TIM1的各项参数:
其中:配置定时器计数模式为中心对齐模式,这样pwm波的有效输出在周期内都是对称的;设置了重复计数器以及输出事件来源,这里为下面的adc采样奠定了触发源;设置pwm模式为mode2,当定时器计数值大于比较线时,输出有效电平。这里的配置根据个人需求进行更改
 
(2)ADC设置
adc可以被定时器输出事件从硬件层面上触发采样,这样就可以自动在某些时刻进行采样了。这里要使用上面进行介绍的高级定时器的重复计数器(Repetition Counter)以及输出事件(Trigger Event Selection)。adc外部触发源可以设置为定时器的输出事件,定时器每产生一个输出事件都会触发一次adc采样。定时器输出事件来源之一是定时器更新事件,定时器计数上下溢出可以产生定时器更新事件,重复计数器控制了定时器上下溢出多少次才产生一次定时器更新事件。中心对齐模式3的前提下,更新事件示意图如下:

对于下桥臂采样,中心对齐模式、pwm模式、重复计数器的配置项需要精心设计,才能在下桥打开时间中间点被触发采样
注意:在stm32中,只有注入通道才能被高级定时器TIM1的输出事件触发,因此需要配置注入通道而不是常规通道:

2.同步采样的配置
同步采样需要多个adc,配置为主adc和从adc。当主adc被定时器触发采样时,从adc也会同时进行采样,全部adc采样完成后产生一个采样完成中断。在stm32f1中,最多可以配置双adc同步模式;在stm32f4中,可以配置三adc同步模式。
以电机电流在线采样双采样单元为例,在stm32cube中,首先打开adc1的通道0和adc2的通道1,对应电路上的两个采样单元:


配置ADC1为双同步注入模式,即ADC1为主ADC:

 
这样我们的电流采集的底层配置就完成了。
